Студопедия

КАТЕГОРИИ:


Архитектура-(3434)Астрономия-(809)Биология-(7483)Биотехнологии-(1457)Военное дело-(14632)Высокие технологии-(1363)География-(913)Геология-(1438)Государство-(451)Демография-(1065)Дом-(47672)Журналистика и СМИ-(912)Изобретательство-(14524)Иностранные языки-(4268)Информатика-(17799)Искусство-(1338)История-(13644)Компьютеры-(11121)Косметика-(55)Кулинария-(373)Культура-(8427)Лингвистика-(374)Литература-(1642)Маркетинг-(23702)Математика-(16968)Машиностроение-(1700)Медицина-(12668)Менеджмент-(24684)Механика-(15423)Науковедение-(506)Образование-(11852)Охрана труда-(3308)Педагогика-(5571)Полиграфия-(1312)Политика-(7869)Право-(5454)Приборостроение-(1369)Программирование-(2801)Производство-(97182)Промышленность-(8706)Психология-(18388)Религия-(3217)Связь-(10668)Сельское хозяйство-(299)Социология-(6455)Спорт-(42831)Строительство-(4793)Торговля-(5050)Транспорт-(2929)Туризм-(1568)Физика-(3942)Философия-(17015)Финансы-(26596)Химия-(22929)Экология-(12095)Экономика-(9961)Электроника-(8441)Электротехника-(4623)Энергетика-(12629)Юриспруденция-(1492)Ядерная техника-(1748)

Логические элементы




 

Логический элемент (логический вентиль) – это электронная схема, выполняющая некоторую простейшую логическую операцию. На рис.11.12 приведены примеры условных графических обозначений некоторых логических элементов.

 

Рис.11.12 Логические элементы

 

Логический элемент может быть реализован в виде отдельной интегральной схемы. Часто интегральная схема содержит несколько логических элементов. Логические элементы используются в устройствах цифровой электроники (логических устройствах) для выполнения простого преобразования логических сигналов.

Классификация логических элементов. Выделяются следующие классы логических элементов (так называемые логики):

1. резисторно-транзисторная логика (ТРЛ);

2. диодно-транзисторная логика (ДТЛ);

3. транзисторно-транзисторная логика (ТТЛ);

4. эмиттерно-транзисторная логика (ЭСЛ);

5. транзисторно-транзисторная логика с диодами Шоттки (ТТЛШ);

6. логика на основе МОП-транзисторов с каналами типа р (р-МДП);

7. логика на основе МОП-транзисторов с каналами типа n (n-МДП);

8. логика на основе комплементарных ключей на МДП-транзисторах (КМДП, КМОП);

9. интегральная инжекционная логика И2Л;

10. логика на основе полупроводника из арсенида галлия GaAs.

В настоящее время наиболее широко используются следующие логики: ТТЛ, ТТЛШ, КМОП, ЭСЛ. Логические элементы и другие цифровые электронные устройства выпускаются в составе серий микросхем: ТТЛ – К155, КМ155, К133, КМ133; ТТЛШ – 530, КР531, КМ531, КР1531, 533, К555, Км555, 1533, КР1533; ЭСЛ – 100, К500, К1500; КМОП – 564, К561, 1564, КР1554; GaAs – К6500.

Наиболее важные параметры логических элементов:

1. быстродействие характеризуется временем задержки распространения сигнала tзр и максимальной рабочей частотой Fмакс. Время задержки принято определять по перепадам уровней 0,5Uвх и 0,5Uвых. Максимальная рабочая частота Fмакс – это частота, при которой сохраняется работоспособность схемы;

2. коэффициентом разветвления Краз – максимальное число однотипных логических элементов, которые могут быть подключены к выходу данного логического элемента;

3. коэффициент объединения по входу Коб – это число логических входов, по которым реализуется ее логическая функция, типичные значения, Коб = 2…8, Краз = 4…10. Для элементов с повышенной нагрузочной способностью Краз = 20…30;

4. помехоустойчивость в статическом режиме характеризуется напряжением Uпст, которое называется статической помехоустойчивостью. Это такое максимально допустимое напряжение статической помехи на входе, при котором еще не происходит изменение выходных уровней логического элемента;

5. мощность, потребляемая микросхемой от источника питания. Если эта мощность различна для двух логических состояний, то часто указывают среднюю потребляемую мощность для этих состояний;

6. напряжение питания;

7. входные пороговые напряжения высокого и низкого уровня Uвх.1 порог и Uвх.0 порог, соответствующие изменению состояния логического элемента;

8. выходные напряжения высокого и низкого уровней Uвых1 и Uвых0.

 

Для конкретной серии микросхем характерно использование типового электронного узла – базового логического элемента. Этот элемент является основой построения самых разнообразных цифровых электронных устройств.

Базовый элемент ТТЛ содержит многоэмиттерный транзистор, выполняющий логическую операцию И, и сложный инвертор (рис. 11.13).

 

Рис.11.13 Базовый элемент ТТЛ

 

Если на один или оба входа одновременно подан низкий уровень напряжения, то многоэмитттерный транзистор находится в состоянии насыщения и транзистор Т2 закрыт, а следовательно, закрыт и транзистор Т4, т. е. на выходе будет высокий уровень напряжения. Если на обоих входах одновременно действует высокий уровень напряжения, то транзистор Т2 открывается и входит в режим насыщения, что приводит к открытию и насыщению транзистора Т4 и запиранию транзистора Т3, т.е. реализуется функция И-НЕ. Для увеличения быстродействия элементов ТТЛ используются транзисторы с диодами или транзисторами Шоттки.

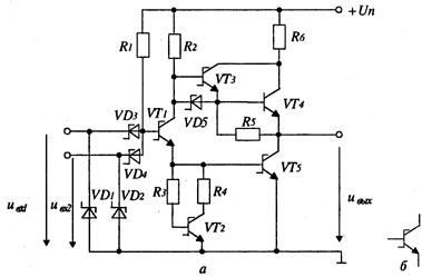
Базовый логический элемент ТТЛШ (на примере серии К555). В качестве базового элемента серии микросхем К555 использован элемент

И-НЕ (рис. 11.14,а), а на рис. 11.14,б показано графическое изображение транзистора Шоттки.

Рис.11.14 Логический элемент ТТЛШ

 

Транзистор VT4 – обычный биполярный транзистор. Если оба входных напряжения uвх1 и uвх2 имеют высокий уровень, то диоды VD3 и VD4 закрыты, транзисторы VT1, VT5 открыты и на выходе имеет место напряжение низкого уровня. Если хотя бы на одном входе имеется напряжение низкого уровня, то транзисторы VT1 и VT5 закрыты, а транзисторы VT3 и VT4 открыты, и на входе имеет место напряжение низкого уровня. Микросхемы ТТЛШ серии К555 характеризуются следующими параметрами:

1. напряжение питания +5 В;

2. выходное напряжение низкого уровня не более 0,4 В;

3. выходное напряжение высокого уровня не менее 2,5 В;

4. помехоустойчивость – не менее 0,3 В;

5. среднее время задержки распространения сигнала 20 нс;

6. максимальная рабочая частота 25 МГц.

Особенности других логик. Основой базового логического элемента ЭСЛ является токовый ключ, схема которого подобна схеме дифференциального усилителя. Микросхема ЭСЛ питается отрицательным напряжением (–4 В для серии К1500). Транзисторы этой микросхемы не входят в режим насыщения, что является одной из причин высокого быстродействия элементов ЭСЛ.

В микросхемах n-МОП и p-МОП используются ключи соответственно на МОП-транзисторах с n-каналами и динамической нагрузкой и на МОП - транзисторах с p-каналом. Для исключения потребления мощности логическим элементом в статическом состоянии используются комплементарные МДП - логические элементы (КМДП или КМОП-логика).

Логика на основе полупроводника из арсенида галлия GaAs характеризуется наиболее высоким быстродействием, что является следствием высокой подвижности электронов (в 3…6 раз больше по сравнению с кремнием). Микросхемы на основе GaAs могут работать на частотах порядка 10 ГГц.

 




Поделиться с друзьями:


Дата добавления: 2014-01-05; Просмотров: 1068; Нарушение авторских прав?; Мы поможем в написании вашей работы!


Нам важно ваше мнение! Был ли полезен опубликованный материал? Да | Нет



studopedia.su - Студопедия (2013 - 2025) год. Все материалы представленные на сайте исключительно с целью ознакомления читателями и не преследуют коммерческих целей или нарушение авторских прав! Последнее добавление




Генерация страницы за: 0.01 сек.