Студопедия

КАТЕГОРИИ:


Архитектура-(3434)Астрономия-(809)Биология-(7483)Биотехнологии-(1457)Военное дело-(14632)Высокие технологии-(1363)География-(913)Геология-(1438)Государство-(451)Демография-(1065)Дом-(47672)Журналистика и СМИ-(912)Изобретательство-(14524)Иностранные языки-(4268)Информатика-(17799)Искусство-(1338)История-(13644)Компьютеры-(11121)Косметика-(55)Кулинария-(373)Культура-(8427)Лингвистика-(374)Литература-(1642)Маркетинг-(23702)Математика-(16968)Машиностроение-(1700)Медицина-(12668)Менеджмент-(24684)Механика-(15423)Науковедение-(506)Образование-(11852)Охрана труда-(3308)Педагогика-(5571)Полиграфия-(1312)Политика-(7869)Право-(5454)Приборостроение-(1369)Программирование-(2801)Производство-(97182)Промышленность-(8706)Психология-(18388)Религия-(3217)Связь-(10668)Сельское хозяйство-(299)Социология-(6455)Спорт-(42831)Строительство-(4793)Торговля-(5050)Транспорт-(2929)Туризм-(1568)Физика-(3942)Философия-(17015)Финансы-(26596)Химия-(22929)Экология-(12095)Экономика-(9961)Электроника-(8441)Электротехника-(4623)Энергетика-(12629)Юриспруденция-(1492)Ядерная техника-(1748)

Расчет исполнительных размеров калибров

Исполнительным называют предельный размер калибра, по которому изготовляют новый калибр.

Исполнительным размером скобы служит её наименьший предельный размер с положительным отклонением, для пробки и контркалибра – их наибольший предельный размер с отрицательным отклонением. Таким образом, на чертеже отклонение проставляют в «тело» калибра.

Рассмотрим пример расчета исполнительных размеров калибра.

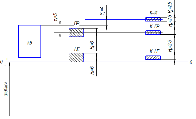
Пример. Определить предельные и исполнительные размеры калибров для контроля вала Æ90к6.

По ГОСТ 25347 – 82 находим предельные отклонения вала:

еs = +25 мкм

еi = +3 мкм

Наибольший и наименьший предельные размеры вала:

d= 90 + 0,025 = 90,025 мм

= 90 + 0,003 = 90,003 мм

По ГОСТ 24853 – 81 для квалитета 6 и интервала размеров 80120 мм находим данные для расчета размеров калибров:

= 6 мкм

= 5 мкм

= 4 мкм

= 2,5 мкм

Строим схему расположения полей допусков:

 

  Рисунок 4 – Схема расположения полей допусков калибров и контркалибров для d=90k6

Наименьший размер проходного нового калибра – скобы:

ПР

Наибольший размер изношенного проходного калибра – скобы:

ПР= 90,025 + 0,004 = 90,029 мм

Наименьший размер непроходного калибра – скобы:

НЕ= 90,003 – 0,003 = 90,000 мм

Исполнительные размеры для простановки на чертеже:

90,017; 90,000

Размеры контрольных калибров:

К - ПР= 90,025 – 0,005 + 0,00125 = 90,02125 мм

К - НЕ= 90,003 + 0,00125 = 90,00425 мм

К - И= 90,025 + 0,004 + 0,00125 = 90,03025 мм

Исполнительные размеры для простановки на чертеже:

90,02125

90,00425

90,03025

 

 

Контрольные вопросы.

1. Назначение и классификация калибров.

2. Конструктивные особенности калибров.

3. Основной принцип конструирования калибров.

4. Допуски на изготовление гладких калибров.

5. Расчет исполнительных размеров калибров.

 

<== предыдущая лекция | следующая лекция ==>
Допуски на изготовление гладких калибров | Лекция №2. Тема: Синтетический и аналитический учет поступления и создания нематериальных активов, Учет амортизации нематериальных активов»
Поделиться с друзьями:


Дата добавления: 2014-01-05; Просмотров: 960; Нарушение авторских прав?; Мы поможем в написании вашей работы!


Нам важно ваше мнение! Был ли полезен опубликованный материал? Да | Нет



studopedia.su - Студопедия (2013 - 2025) год. Все материалы представленные на сайте исключительно с целью ознакомления читателями и не преследуют коммерческих целей или нарушение авторских прав! Последнее добавление




Генерация страницы за: 0.009 сек.