Студопедия

КАТЕГОРИИ:


Архитектура-(3434)Астрономия-(809)Биология-(7483)Биотехнологии-(1457)Военное дело-(14632)Высокие технологии-(1363)География-(913)Геология-(1438)Государство-(451)Демография-(1065)Дом-(47672)Журналистика и СМИ-(912)Изобретательство-(14524)Иностранные языки-(4268)Информатика-(17799)Искусство-(1338)История-(13644)Компьютеры-(11121)Косметика-(55)Кулинария-(373)Культура-(8427)Лингвистика-(374)Литература-(1642)Маркетинг-(23702)Математика-(16968)Машиностроение-(1700)Медицина-(12668)Менеджмент-(24684)Механика-(15423)Науковедение-(506)Образование-(11852)Охрана труда-(3308)Педагогика-(5571)Полиграфия-(1312)Политика-(7869)Право-(5454)Приборостроение-(1369)Программирование-(2801)Производство-(97182)Промышленность-(8706)Психология-(18388)Религия-(3217)Связь-(10668)Сельское хозяйство-(299)Социология-(6455)Спорт-(42831)Строительство-(4793)Торговля-(5050)Транспорт-(2929)Туризм-(1568)Физика-(3942)Философия-(17015)Финансы-(26596)Химия-(22929)Экология-(12095)Экономика-(9961)Электроника-(8441)Электротехника-(4623)Энергетика-(12629)Юриспруденция-(1492)Ядерная техника-(1748)

Приклади розрахунку електричних кіл постійного струму




 

Задача №1

Визначити струми в гілках електричного кола, схема якого зображена на рис. Р2.1,а, якщо: U = 130 В, R1 = 10 Ом, R2 = 15 Ом,
R3 = 8 Ом, R4 = 12 Ом, R5 = 24 Ом.

Розв’язання

1. Замінимо кожне паралельне з’єднання резисторів одним еквівалентним резистором (рис. Р2,б) та знайдемо їх опори.

,

; .

2. Визначимо струм в електричному колі (рис. Р2.1,б)

 

3. Знайдемо струми кожної гілки.

За правилом «чужої гілки»:

 

 

 

За допомогою напруги на паралельних гілках:

 

;

 

Задача №2

Визначити струми в гілках електричного кола, схема якого зображена на рис. Р2.2,а, за допомогою еквівалентних перетворень та закону Ома. Перевірити розрахунок за балансом потужностей.

Параметри електричного кола:
E1 = 75 В; J2 = 9 А; R1 = 3,5 Ом;
R3 = 10 Ом; R4 = 3 Ом; R5 = 5 Ом,
R6 = 7,5 Ом.

R1
Розв’язання

1. Перетворимо «зірку» резисторів R4, R5, R6, в еквівалентний «трикутник» резисторів R7, R8, R9, і підрахуємо їх опори.

R1

2. Замінимо (рис. Р2.2,б):

а) паралельно з’єднані резистори R3 та R9 одним еквівалентним R39:

 

б) джерело струму J2 джерелом ЕРС:

 

E28 = J2∙R8 = 9∙25 = 225 В;

 

в) дві паралельні гілки – з джерелом Е.Р.С. E1 та резисторами R1, R7 –одною гілкою з джерелом Е.Р.С. E17 і еквівалентним резистором R17 (дивись табл.2.1, стор. 21):

 

;

 

3. Визначимо струм простого кола (рис. Р2.2,в).

Два джерела ЕРС, діючих зустрічно, замінимо одним еквівалентним:

Eе. = E28 – E17 = 225 – 60 = 165 В

R17
Три послідовно з’єднаних резистори замінимо одним еквівалентним:

Rе. = R17 + R39 + R8 = 2 + 6 + 25 = 33 Ом

 

Тоді за законом Ома:

 

4. Приймаємо потенціал точки 3 в схемі (рис. Р2.2,в) рівним нулю V = 0 і визначаємо відносно цієї точки потенціали точок 1 та 2:

 

V1 = R39∙I = 6∙5 = 30 В;

 

V2 = - R8∙I + E28 = -25∙5 + 225 = 100 В.

 

Внаслідок еквівалентності перетворень вузлові точки 1,2,3 початкової схеми (рис. Р2.2,a) мають такі ж потенціали.

5. Задаємося позитивними напрямками струмів в гілках (рис. Р2.2,а) і визначимо їх значення:

а) за законом Ома:

 

; I2 = J2; .

б) За І законом Кірхгофа:

для вузла 1: І4 = І1 + І3 = 2 + 3 = 5 А;

для вузла 2: І5 = І1 + І2 = 2 + 9 = 11 А;

для вузла 3: І6 = І2 - І3 = 9 - 3 = 6 А;

6. Перевіряємо за балансом потужностей:

∑Pдж. = ∑Pсп.

∑Pдж. = E1∙I1 + (V2 – V3)∙J2 = 75∙2 + 100∙9 = 1050 Вт

∑Pсп. = ∑Rк∙Iк2 = 2,5∙22 + 10∙32 + 3∙52 + 5∙112 +7,5∙62 = 1050 Вт

Баланс виконується, отже, задача розв’язана правильно.

 

Задача № 3

В електричному колі рис. Р2.3,а визначити струм, що показує амперметр, якщо: Е1= 24 В, R1= 1 Ом, R2= 3 Ом, R3= 2 Ом, R4= 4 Ом,
R5= 1 Ом.
Опором амперметра нехтуємо.

 

Рішення

1.Визначимо еквівалентний опір кола. Для цього спростимо його схему, враховуючи паралельні з’єднання резисторів R1, R4 та R2, R3. Послідовність спрощення приведена на рис. Р2.3,б, в.

 

, .

Re = R14 + R23+ R5 = 0,8+1,2+1=3 Ом.

 
 

2. Визначимо струм в гілці з джерелом ЕРС І5:

.

3. Знаходимо струми І2 та І1.

Струм І2 знайдемо за законом Ома:

 

а струм І1 знайдемо за правилом "чужої гілки":

.

4. Знаходимо струм амперметра за І–м законом Кірхгофа для вузла б:

IA = I2 – I1 = 3,2-6,4=-3,2 A.

Струм ІA направлений в протилежну сторону попередньо довільно вибраному.

 

Задача № 4

Розрахувати електричне коло (рис. Р2.4,а) методом еквівалентних перетворень, якщо R1= R2= R3 = 6 Ом, R4 = 3,6 Ом, R5 = 9 Ом, R6 = 4 Ом, Е=30 В.

 

Рішення

Перетворимо вихідне коло (рис. Р2.4,а) в одноконтурне (рис. Р2.4,г). Послідовність еквівалентних перетворень показана на рис. Р2.4,б,в.

 
 

.

 

2. Визначимо струми в усіх гілках вихідного кола. Для цього скористаємося законом Ома, правилом "чужої гілки" та першим законом Кірхгофа:

U13 = R I6 = ;

І124 = I235 = I5 – I31 =3 -1=2 А;

U12 = R124 I124 = U23 = R235 I235 =

 

 

І1 =I6 – I4 =3 -1,66=1,34 А; І2 =I4 – I5 =1,66 -1,34=0,32 А;

І3 =I1 – I2 =1,34 - 0,32=1,02 А.

Отже, зміна конфігурації кола до одного контуру, що називається прямим ходом,, виконується від схеми рис. Р2.4,а до схеми рис. Р2.2,г, а розрахунок струмів в усіх гілках початкового кола здійснюється на зворотному ході.

 

Задача № 5

Розрахувати методом еквівалентних перетворень електричне коло
рис. Р2.5,а, якщо J =3 A, Е3 = 6 В, Е5 =22 В, Е6 =12 В, R1 =4 Ом, R2 =5 Ом,
R3 =2 Ом, R4 =10 Ом, R6 =8 Ом.

 
 

 

Рішення

 

Перетворимо вихідне коло (рис. Р2.5,а) в одноконтурне (рис. Р2.5,д). Для цього виконаємо такі еквівалентні перетворення:

1. Перенесемо ідеальне джерело ЕРС Е5 із п’ятої вітки в першу і третю вітки, що приєднані до 2 вузла (рис. Р2.5,б). Потенціали вузлів 2 і 4 стануть однаковими і їх можна об’єднати в одну точку 2,4 (рис. Р2.5,в). Тут загальна ЕРС третьої вітки Е35 дорівнює:

Е353 + Е5 =6+22=28 В.

2. Замінимо третю і четверту вітки, які з’єднані паралельно, однією еквівалентною віткою з послідовним з’єднанням Е34 та R34 (рис. Р2.5,г):

 

, .

 

Вітка з ідеальним джерелом струму J включає джерело ЕРС Е6 та резистор R6. Їх можна виключити, тому що опір ідеального джерела струму J нескінченно великий і величини Е6 та R6 не впливають на розподіл струму в колі.

3. Перетворимо схему (рис. Р2.5,г) в одноконтурну (рис. Р2.5,д). Для цього паралельні активні вітки замінимо однією еквівалентною віткою з послідовним з’єднанням Е345 та R1234 :

 

,

.

 

4. Визначимо струми в вихідній схемі. Розрахунок ведемо в зворотному напрямі, починаючи зі схеми рис. Р2.5,д, де визначимо потенціали вузлів V1, V2,4 (або напругу U12):

 

V1= 0, V2,4= - J R1234 – E345= - 3 2,5 -22,5= - 30 В.

 

За законом Ома визначаємо струми І1 та І2 в схемі рис. Р2.5,г:

, .

Знаходимо потенціал вузла 3:

 

V3 =V1 – I2 R2= -5 B.

Тепер із рис. Р2.5,в знайдемо I4:

 

.

Струми I3 та I5 знаходимо із вихідної схеми за першим законом Кірхгофа:

I2 + I3 – I4=0, I3 = I4 - I2=1,5 А;

I5 + I4 – I6=0, I5 = I6 – I4=0,5 А.

 

Отже: I1=2 А; I2=1 А; I3=1,5 А; I4=2,5 А; I5=0,5 А; I6=3 А.

5. Зробимо перевірку за балансом потужностей:

 

= ,

, (U14=U12=V1 – V2,4 =30 B)

.

Задача № 6

 
 

Розрахувати методом контурних струмів електричне коло, схема якого приведена на рис. Р2.6,а. Схему попередньо привести до триконтурної. Параметри елементів кола: Е1=18 В; Е2 =24В; J=5 A; R1=6 Oм;
R2= R3 =R4 =2 Ом, R5=1 Oм; R6= 12 Ом.

Рішення

 

1. Спростимо коло, замінивши дві паралельні гілки – першу та шосту – одною еквівалентною. (рис. Р2.6,б).

Визначимо ЕРС джерела еквівалентної гілки та її опір:

 

; .

 

2. Спрощена схема має 6 гілок та 4 вузли. А тому число незалежних контурів в ній:

n= p- (q-1)=6 - 4+1=3.

Завдяки ідеальному джерелу струму число контурних рівнянь скорочується на одиницю.

n= р-(q-1)-nJ = 2.

 

При цього незалежні контури треба вибрати так, щоб гілка з джерелом струму входила тільки в один із них.

Обираємо незалежні контури та позитивні напрямки контурних струмів в них і показуємо їх на схемі.

3. Обходячи контури в напрямку контурних струмів, запишемо контурні рівняння:

(R16+R3+R4 )IІ+R3IІІ - R4J=E16;

(R2+R3+R5 )IІІ +R3IІ+R5 J=E2;

IIII =J.

 

Підставивши відомі величини, отримаємо:

 

(4+2+2)IІ +2IІІ =12+10;

2IІ +(2+2+1)IІІ =24-5;

IІІІ =5.

або

8IІ+2IІІ =22;

2IІ +5IІІ =19.

 

4.Розвязавши систему рівнянь, знайдемо контурні струми. Для цього помножимо друге рівняння на 4 і віднімемо від нього перше.

_ 8IІ +20IІІ =76;

8IІ +2IІІ =22;

-------------------

18IІІ =54.

Отже

IІІ =54/18=3 A;

IІ =(22-2IІІ )/8=(22-6)/8=2 A.

 

5. Вибираємо позитивні напрямки дійсних струмів в гілках і визначаємо кожний струм як алгебраїчну суму контурних струмів, що протікають в цій гілці.

I16 =I1=2 A; I2=IІІ =3 A; I3=IІ +IІІ=2+3=5 A;

I4=J -IІ =5 -2=3 A; I5=III +J=3+5=8 A.

6. Визначаємо струми в 1-ій та 6-ій гілках початкової схеми. Для цього спочатку визначимо напругу U12 на цих гілках.

За законом Ома

I16=(V1 –V2 +E16 )/R16,

звідки

U12=V1 – V2=R16 I16 -E16=4*2 - 12= - 4 B.

Отже

 

I1=(U12+E1 )/R1=(-4+18)/6=2,33 A; I6=U21 /R6=4/12=0,33 A.

7. Зробимо перевірку за балансом потужностей:

 

= ,

,

U134 R4+ І5 R5 = 14 B,

= 184 Вт,

= 184 Вт.

 

Задача № 7

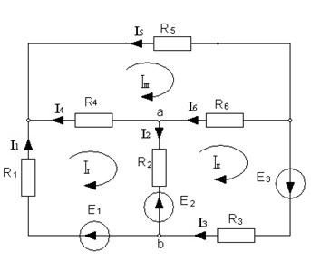
Розрахувати електричне коло постійного струму (рис. Р2.7) методом контурних струмів, якщо Е1 = 12 В, Е2 = 16 В, Е3 = 10 В, R1= 1 Ом, R2= 4 Ом, R3= 2 Ом, R4= 7 Ом, R5= 7 Ом, R6 = 7 Ом. Визначити напругу між точками a і b. Результати розрахунків перевірити методом балансу потужностей.

Рис. Р2.7

 

Рішення

Вибираємо незалежні контури, задаємо напрями контурних струмів та співпадаючі з ними напрями обходу контурів.

За другим законом Кірхгофа складаємо контурні рівняння для трьох незалежних контурів:

 

ІІ (R1+R2+R4) – IІІ R2 – IІІІ R4 = E1 – E2,

 

-IІ R2+ ІІI (R3+R2+R6)– IІІІ R6 = E3 + E2,

 

-IІ R4 – IІІ R6 + ІІII (R6+R4+R5) = 0.

Після підстановки числових значень одержимо:

 

12ІІ – 4IІІ – 7IІІІ = -4,

-4ІІ + 13IІІ – 7IІІІ = 26,

-7ІІ – 7IІІ + 21IІІІ = 0.

 

Вирішимо цю систему рівнянь методом визначників:

 

ІІ = Δ1 ІІI = Δ2 / Δ ІІII = Δ3 / Δ.

Підрахуємо головний Δ та часткові Δ1, Δ2, Δ3 визначники:

 

Δ = = = 1323,

Δ1 = = = 2562,

 

Δ2 = = = 4746,

 

Δ3 = = = 2436.

 

Знаходимо контурні струми:

 

ІІ = 2562 / 1323 = 1,94 А,

ІІI = 4746 / 1323 = 3,58 А,

ІІII = 2436/ 1323=1,84 А.

 

Знаходимо дійсні струми

 

I1 = ІІ = 1,94 А, I2 = ІІ - III =1,94 - 3,58 = - 1,64 А, I3 = III = 3,58 А,

I4 = IIII - ІІ = 1,84 - 1,94 = - 0,1 А, I5 = - IIII = - 1,84 А,

I6 = ІІIІ - III = 1,84 - 3,58 = - 1,74 А.

 

Визначимо напругу між точками a і b.

Із контуру, утвореного Uab-b-E2-R2-a, за ІІ законом Кірхгофа маємо:

Uab –І2 R2= E2, звідки Uab = E22 R2=16 – 6,56 = 9,44 В.

 

Перевірка за балансом потужностей

 

= ,

= Е1І1 – Е2І2 + Е3І3 =88 Вт,

= І1 2 R1+ І2 2 R2 + І32 R3+ І4 2 R4 + І5 2 R5 + І6 2 R6,=88 Вт.

Задача № 8

Розрахувати електричне коло постійного струму (рис. Р2.8) методом вузлових потенціалів, якщо Е1 = 12 В, Е2 = 16 В, Е3 = 10 В, R1= 1 Ом, R2= 4 Ом, R3= 2 Ом, R4= 7 Ом, R5= 7 Ом, R6 = 7 Ом. Визначити напругу між точками 2 і 4. Результати розрахунків перевірити методом балансу потужностей.

Рішення

Візьмемо 3 вузол за базисний і приймемо потенціал цього вузла рівним нулю, тобто φ3 = 0.

Рис. Р2.8

Для визначення потенціалів інших вузлів складемо систему вузлових рівнянь:

 

φ1(q5 + q1 + q4) – φ2q4 – φ4q1 = E1q1,

1q4 + φ2(q2 + q4 + q6) – φ4q2 = E2q2,

1q1 – φ2q2 + φ4(q1 + q3 + q2) = E3q3 - E1q1 - E1q1.

 

Тут: q1 = 1/R1 = 1См, q2 = 1/R2 = 0,25См, q3 = 1/R3 = 0,5См,

q4 = 1/R4 = 0,14См, q5 = 1/R5 = 0,14См. q6 = 1/R6 = 0,14См.

 

Після підстановки числових значень одержимо:

 

1,28φ1 – 0,14φ2 – 1φ4 = 12,

-0,14φ1 + 0,53φ2 – 0,25φ4 = 4,

-1φ1 – 0,25φ2 + 1,75 φ4 = -11.

 

Вирішимо цю систему рівнянь методом визначників:

 

φ1 = Δ1/Δ φ2 = Δ2/ Δ φ4 = Δ4/ Δ.

 

Головний та часткові визначники відповідно дорівнюють:

 

Δ = = 0,476, Δ1 = = 5,645,

 

Δ2 = = 6,145, Δ4 = = 1,38.

 

Потенціали вузлів дорівнюють:

 

φ1 = 6,145 / 0,476 = 12,91 В

φ2 = 5,84 / 0,476 = 12,27 В

φ4 = 1,38 / 0,476 = 2,9 В

Знаходимо струми в гілках за законом Ома:

 

I1 = (φ4 - φ1 + E1)\ R1 = 2А, I2 = (φ2 – φ4 - E2)\ R2 = - 1,66А,

I3 = (φ3 - φ4 + E3)\ R3 = 3,55А, I4 = (φ2 – φ1)\ R4 = - 0,1 А,

I5 = (φ3 - φ1)\ R5 = - 1,84 А, I6 = (φ3 - φ2)\ R6 = - 1,75 А.

Напруга між вузлами 2 і 4:

 

U24 = φ2 - φ4 = 12,27 - 2,9= 9,37 В

Перевірка за рівнянням балансу потужностей

= ,

= Е1І1 – Е2І2 + Е3І3 =88 Вт,

= І1 2 R1+ І2 2 R2 + І32 R3+ І4 2 R4 + І5 2 R5 + І6 2 R6,=88 Вт.

Задача № 9

Розв’язати методом вузлових потенціалів електричне коло, схема якого зображена на рис. Р2.8. Параметри елементів кола: Е2=10 В; Е3 =24В; J1=3 A; J6=5 A; R1=4 Oм; R3=R4=2 Ом, R5=1 Oм.

 

Розв’язання

 

1. В колі 4 вузли, але наявність гілки з ідеальним джерелом ЕРС дозволяє скоротити на одиницю число вузлових рівнянь, складених за методом вузлових потенціалів.

Приймаємо V4 =0.

Тоді V3=E2 =10B і для визначення потенціалів решти вузлів досить скласти два рівняння.

2. Складемо систему вузлових рівнянь:

 

(G1+G4)V1 - G1V3 = - J1+ J6,

(G3+G5)V2 - G3V3 = - E3G3 - J6.

 

Підставивши відомі величини, отримаємо:

 

(1/4+1/2)V1= - 3+5+10/4;

(1/2+1)V2 = - 24/2 -5+10/2.

3. Визначаємо потенціали вузлів:

 

3/4V1 = 9/2; V1 = 6 В;

3/2V2 = - 12; V 2= - 8 B.

 

4. Обираємо позитивні напрямки струмів в гілках і визначаємо їх за законом Ома, а для гілки без опору – за першим законом Кірхгофа:

I1 =(V2 - V1)/R1=(10-6)/4= 1 A; I3=(V2-V3+E3)/R3=(-8 -10+24)/2=3 A;

I4=(V1 - V4)R4=6/2=3 A; I5 =(V4 - V2)/R5=8/1=8 A.

 

Для вузла 4:

I4 - I2 - I5=0.

Звідки I2=I4 - I5=3 – 8 = - 5 A

Дійсний напрямок струму I2 протилежний вказаному на схемі.

5. Перевіримо розрахунок за балансом потужностей:

 

ΣPдж = ΣPсп.

ΣPдж=(V3-V1)J1+E2I2+E3I3+(V1-V2)J6= 104 Вт.

=104 Вт

 

Баланс потужностей виконується, отже розрахунок виконаний правильно.

Задача № 10

 

Визначити струм гілки з опором R6 (рис. Р2.10,а), якщо Е1=150 В,
Е6=40 В, R1=R2=R3=30 Ом, R4=10 Ом, R5=20 Ом,
а R6 приймає значення 3; 18 та 28 Ом.

Рішення

 

Для розрахунку струму шостої гілки скористаємося методом еквівалентного генератора, відповідно якому

 

.

1. Накреслимо розрахункову схему холостого ходу (рис. Р2.10,б) і визначимо напругу холостого ходу Ux. Схему холостого ходу одержуємо з початкової схеми шляхом виключення резистора R6 , струм в якому треба розрахувати.

Напруга Ux визначається з рівняння, яке складається за другим законом Кірхгофа для контуру, в який входить розірвана гілка, наприклад, контур з елементами R2, R5 та Е6. Для цього обираємо напрямок обходу контуру, позитивний напрямок напруги Ux (в напрямку І6) і складаємо рівняння:

 

,

звідки

 

В схемі холостого ходу треба визначити струми І та, І, що можна зробити в даному випадку на підставі закону Ома:

 

 

Отже

 

 
 

2. Для визначення Rв використовуємо розрахункову схему в вигляді пасивного двополюсника, підключеного до клем видаленого резистора. Для цього виключимо зі схеми холостого ходу джерела ЕРС, замкнувши їх клеми накоротко (рис. Р2.10,в). Rв визначаємо відносно клем видаленої гілки.

Для визначення Rв перетворимо „трикутник” R1, R2, R3 (рис. Р2.10,в) в еквівалентну „зірку” (рис. Р2.10,г):

 

 

 

 

3. Визначаємо струм в резисторі :

 

при R6=3 Ом:

 

при R6=18 Ом:

 

при R6=18 Ом:

 





Поделиться с друзьями:


Дата добавления: 2014-01-05; Просмотров: 12711; Нарушение авторских прав?; Мы поможем в написании вашей работы!


Нам важно ваше мнение! Был ли полезен опубликованный материал? Да | Нет



studopedia.su - Студопедия (2013 - 2026) год. Все материалы представленные на сайте исключительно с целью ознакомления читателями и не преследуют коммерческих целей или нарушение авторских прав! Последнее добавление




Генерация страницы за: 0.036 сек.