Студопедия

КАТЕГОРИИ:


Архитектура-(3434)Астрономия-(809)Биология-(7483)Биотехнологии-(1457)Военное дело-(14632)Высокие технологии-(1363)География-(913)Геология-(1438)Государство-(451)Демография-(1065)Дом-(47672)Журналистика и СМИ-(912)Изобретательство-(14524)Иностранные языки-(4268)Информатика-(17799)Искусство-(1338)История-(13644)Компьютеры-(11121)Косметика-(55)Кулинария-(373)Культура-(8427)Лингвистика-(374)Литература-(1642)Маркетинг-(23702)Математика-(16968)Машиностроение-(1700)Медицина-(12668)Менеджмент-(24684)Механика-(15423)Науковедение-(506)Образование-(11852)Охрана труда-(3308)Педагогика-(5571)Полиграфия-(1312)Политика-(7869)Право-(5454)Приборостроение-(1369)Программирование-(2801)Производство-(97182)Промышленность-(8706)Психология-(18388)Религия-(3217)Связь-(10668)Сельское хозяйство-(299)Социология-(6455)Спорт-(42831)Строительство-(4793)Торговля-(5050)Транспорт-(2929)Туризм-(1568)Физика-(3942)Философия-(17015)Финансы-(26596)Химия-(22929)Экология-(12095)Экономика-(9961)Электроника-(8441)Электротехника-(4623)Энергетика-(12629)Юриспруденция-(1492)Ядерная техника-(1748)

Блокування від багатократного включення на коротке

замикання (захист від "стрибання").

 

Подача тривалої команди включення на стійке коротке замикання небезпечна для вимикача, оскільки при цьому відбуваються багатократні включення і відключення струму КЗ. Для запобігання цьому передбачають блокування. Найчастіше застосовується електричне блокування.

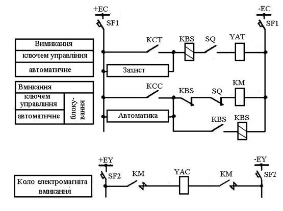
Схема електричного блокування від багатократного вмикання на КЗ

В такій схемі передбачене проміжне реле KBS з двома обмотками – послідовною і паралельною. Реле має дві пари контактів - розмикаючих KBS1 і замикаючих KBS2. При спрацьовуванні релейного захисту, викликаному вмиканням на КЗ, через електромагніт відключення YAT протікає струм, одночасно цей струм протікає і по послідовній обмотці КВS. Реле КВS спрацьовує і своїми контактами КВS1 розмикає коло живлення контактора включення КМ, запобігаючи повторному його включенню. Реле утримується у включеному стані до зняття команди на включення паралельної обмотки, після зняття команди схема повертається в вихідне положення.

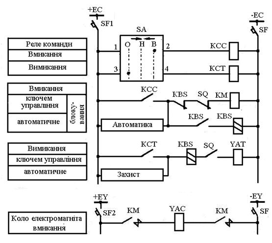
Схема дистанційного управління вимикачем з електромагнітним приводом, виконана з застосуванням ключа типу МКВ і блокуванням від багатократного вмикання на КЗ

<== предыдущая лекция | следующая лекция ==>
Управління вимикачами з електромагнітними приводами | Сигналізація положення вимикача
Поделиться с друзьями:


Дата добавления: 2014-01-06; Просмотров: 622; Нарушение авторских прав?; Мы поможем в написании вашей работы!


Нам важно ваше мнение! Был ли полезен опубликованный материал? Да | Нет



studopedia.su - Студопедия (2013 - 2025) год. Все материалы представленные на сайте исключительно с целью ознакомления читателями и не преследуют коммерческих целей или нарушение авторских прав! Последнее добавление




Генерация страницы за: 0.011 сек.