Студопедия

КАТЕГОРИИ:


Архитектура-(3434)Астрономия-(809)Биология-(7483)Биотехнологии-(1457)Военное дело-(14632)Высокие технологии-(1363)География-(913)Геология-(1438)Государство-(451)Демография-(1065)Дом-(47672)Журналистика и СМИ-(912)Изобретательство-(14524)Иностранные языки-(4268)Информатика-(17799)Искусство-(1338)История-(13644)Компьютеры-(11121)Косметика-(55)Кулинария-(373)Культура-(8427)Лингвистика-(374)Литература-(1642)Маркетинг-(23702)Математика-(16968)Машиностроение-(1700)Медицина-(12668)Менеджмент-(24684)Механика-(15423)Науковедение-(506)Образование-(11852)Охрана труда-(3308)Педагогика-(5571)Полиграфия-(1312)Политика-(7869)Право-(5454)Приборостроение-(1369)Программирование-(2801)Производство-(97182)Промышленность-(8706)Психология-(18388)Религия-(3217)Связь-(10668)Сельское хозяйство-(299)Социология-(6455)Спорт-(42831)Строительство-(4793)Торговля-(5050)Транспорт-(2929)Туризм-(1568)Физика-(3942)Философия-(17015)Финансы-(26596)Химия-(22929)Экология-(12095)Экономика-(9961)Электроника-(8441)Электротехника-(4623)Энергетика-(12629)Юриспруденция-(1492)Ядерная техника-(1748)

Постоянный оперативный ток

Основным источником служат свинцово-кислотные аккумуляторные батареи с зарядными устройствами напряжением 110 или 220 В. Они обеспечивают питание оперативных цепей реле защит, автоматики, электромагнитов отключения и включения коммутационных аппаратов, цепей сигнализации. От аккумуляторных батарей питаются устройства связи, аварийное освещение, двигатели резервных маслонасосов синхронных компенсаторов. На мощных подстанциях устанавливают по две и более независимо работающих аккумуляторных батарей.

Аккумуляторные батареи

Устройство и характеристики аккумуляторов. На подстанциях применяют главным образом свинцово-кислотные аккумуляторы типа С (СК) в открытых стеклянных сосудах, а аккумуляторы большей емкости - в деревянных баках, выложенных внутри свинцом. Аккумуляторные пластины разной полярности, находящиеся в одном сосуде, отделяются друг от друга сепараторами из мипора (мипласта). Сосуды заполняются электролитом (водным раствором чистой серной кислоты). Положительные пластины выполняются из чистого свинца и имеют сильно развитую поверхность. При формировании собранного аккумулятора (особом режиме первого заряда) на поверхности положительных пластин из металлического свинца основы образуется слой диоксида свинца РЬO2, являющийся активной массой этих пластин. Отрицательные пластины изготовляются также из металлического свинца, но имеют коробчатую форму. Ячейки свинцового каркаса пластин заполняются активной массой, приготовляемой из оксидов свинца и свинцового порошка РЬ. Чтобы эта масса не выпадала из ячеек, пластины покрывают с боков тонкими перфорированными свинцовыми листами. В процессе формирования на отрицательных пластинах образуется губчатый свинец.

Наряду с аккумуляторами типа С (СК) применяются аккумуляторы типа СН. Они имеют намазные пластины, сепараторы из стекловойлока, винипласта и мипора, сосуды из прессованного стекла с уплотненными крышками. Все это обеспечивает надежность и длительный срок службы аккумуляторов. В эксплуатации они не требуют столь частой доливки воды, снижаются требования к вентиляции помещений.

Основными характеристиками аккумуляторов С (СК) являются их номинальная емкость, продолжительность и ток разряда, максимальный ток заряда. Их значения определяются типом, размером и числом пластин и получаются умножением соответствующих значений для аккумуляторов С-1 (СК-1) на типовой номер. Характеристики аккумуляторов типа С-1 (СК-1) приведены в табл. 6.1.

Электрические характеристики аккумуляторов типов С-1 и СК-1

Параметр аккумулятора Параметр для режима разряда, ч
    7,5      
С-1 СК-1
Разрядный ток, А     4,4 3,6 18,5  
Емкость, А·ч         18,5  
Предельное напряжение разряда, В 1,8 1,8 1,8 1,8 1,75 1,75
Максимальный зарядный ток, А            

 

В эксплуатации емкость аккумулятора зависит от концентрации и температуры электролита, от режима разряда. С ростом плотности электролита емкость аккумулятора возрастает. Однако крепкие растворы увеличивают сульфатацию пластин. Повышение температуры электролита также приводит к возрастанию емкости, что объясняется снижением вязкости и усилением диффузии свежего электролита в поры пластин. Но с повышением температуры увеличивается саморазряд и сульфатация пластин.

Исследованиями установлено, что для стационарных аккумуляторов типа С (СК) оптимальной является плотность электролита в начале разряда 1,2-1,21 г/см3 при нормальной температуре 25°С. Температура воздуха в помещении, где установлена аккумуляторная батарея, должна поддерживаться в пределах 15-25°С.

Емкость аккумуляторов нормируется при условии непрерывного разряда в течение 10 ч неизменным по значению током. На практике разряды могут быть более короткими (1-2 ч) - большими токами и более длительными - малыми токами. При больших токах разряда емкость аккумулятора быстро снижается.

Факторами, ограничивающими разряд, являются конечное напряжение на зажимах аккумулятора и плотность электролита в сосудах. При 3-10-часовом разряде снижение напряжения допускается до 1,8 В, а при 1-2-часовом - до 1,75 В на элемент. Более глубокие разряды во всех режимах приводят к повреждению аккумуляторов. Разряды малыми токами прекращают, когда напряжение становится равным 1,9 В на элемент. При разряде контролируется как напряжение, так и плотность электролита. Уменьшение плотности на 0,03-0,05, т.е. до значений 1,17-1,15, свидетельствует о том, что емкость исчерпана.

Особенности эксплуатации аккумуляторов. В аккумуляторах непрерывно происходят неуправляемые химические и электрохимические реакции, приводящие к снижению их емкости. Происходит так называемый саморазряд аккумулятора, т.е. потеря им запасенной энергии. Саморазряду подвержены как работающие, так и отключенные от сети аккумуляторы. Новая батарея аккумуляторов теряет в течение суток не менее 0,3% своей емкости. Со временем саморазряд возрастает. При некоторых условиях (высокая температура и плотность электролита) наблюдается повышение саморазряда. Одной из причин повышенного саморазряда является присутствие в электролите примесей железа, хлора, меди и других элементов. Практически невозможно получить электролит, свободный от примесей. Однако их содержание не должно превышать установленных норм, поэтому применяемые для составления электролита кислота и дистиллированная вода проверяются на содержание вредных примесей.

В режиме разряда аккумулятора на его пластинах образуется свинцовый сульфат. При нормальной эксплуатации аккумуляторов сульфат имеет тонкое кристаллическое строение и легко растворяется при заряде, переходя в оксид свинца на положительных пластинах и в губчатый свинец на отрицательных. При некоторых условиях, рассмотренных ниже, возникает ненормальная сульфатация пластин, когда сравнительно быстро увеличивается количество крупных кристаллов сульфатов, которые закрывают собой поры активной массы пластин, мешая доступу электролита, при этом возрастает внутреннее сопротивление аккумулятора, а емкость его снижается. Внешними признаками ненормальной сульфатации являются образование на поверхности пластин беловатых пятен, выпадение светло-серого шлама в сосуде, коробление положительных и выпучивание отрицательных пластин.

Режим работы. Раньше аккумуляторные батареи на подстанциях эксплуатировались в режиме "заряд-разряд". Этому режиму соответствовали схемы установок с элементным коммутатором, которые сохранились еще на многих подстанциях. С помощью элементного коммутатора можно увеличивать число аккумуляторов, присоединенных к шинам постоянного тока, для поддержания необходимого уровня напряжения при разряде и уменьшать их число при заряде, когда напряжение на аккумуляторах возрастает. Режим работы аккумуляторов с периодическими зарядами и разрядами имеет существенные недостатки, связанные с преждевременным износом аккумуляторов и занятостью персонала по контролю и уходу за батареями.

В настоящее время аккумуляторные батареи на подстанциях эксплуатируются в режиме постоянного подзаряда, что улучшило работу большей части аккумуляторов и упростило их эксплуатацию. Сущность режима заключается в том, что полностью заряженная аккумуляторная батарея включается параллельно с подзарядным агрегатом, который обеспечивает питание подключенной нагрузки и в то же время подзаряжает малым током батарею, восполняя потерю емкости в результате саморазряда. В случае аварии на стороне переменного тока или остановки по какой-либо причине подзарядного агрегата батарея принимает на себя всю нагрузку сети постоянного тока. После ликвидации аварии батарея заряжается от зарядного агрегата и переводится на работу в режиме постоянного подзаряда.

При постоянном подзаряде режим батареи характеризуется напряжением на зажимах каждого элемента в пределах 2,2±0,05 В и током подзаряда 10-30 мА, умноженным на типовой номер аккумулятора. Для аккумуляторов типа СН рекомендуется поддерживать напряжение 2,18±0,04 В на элемент и ток подзаряда 10-20 мА на каждый номер аккумулятора. Более точное значение этих величин, определяемых индивидуальными свойствами аккумуляторных батарей, устанавливается в зависимости от плотности электролита. Если, например, плотность электролита снижается по сравнению с начальной (1,2-1,21 для аккумуляторов типов С, СК и 1,22-1,225 для аккумуляторов типа СН), то это свидетельствует о недостаточности тока подзаряда - напряжение подзаряда следует повысить. Измерение плотности электролита должно производиться с учетом его температуры, так как плотность изменяется (уменьшается при повышении и увеличивается при понижении температуры электролита) на 0,003 г/см3 на каждые 5°С по отношению к нормативной температуре 25°С. На чрезмерно большой ток подзаряда указывает усиленное выпадение в сосуде коричневого шлама.

Уравнительные заряды и дозаряды аккумуляторных батарей. Аккумуляторные батареи с элементным коммутатором, переведенные в режим постоянного подзаряда, обладают тем основным недостатком, что батарея оказывается разделенной на две части, находящиеся в неодинаковых условиях. Основная часть батареи (107 элементов) подзаряжается и таким образом поддерживается в заряженном состоянии. Остальные (концевые) аккумуляторы не подзаряжаются и постепенно теряют свою емкость вследствие саморазряда. При недостаточном уходе пластины концевых аккумуляторов сульфатируются. Наблюдается разная степень заряженности отдельных элементов.

Для устранения следов сульфатации и выравнивания отстающих элементов батареи по мере необходимости подвергают уравнительным зарядам (перезарядам). При уравнительном заряде батарея предварительно разряжается током 10-часового режима до напряжения 1,8 В на элемент. Затем нормально заряжается тем же током до появления признаков заряженности - сильного газообразования, возрастания напряжения до 2,6-2,8 В на элемент, увеличения плотности электролита до 1,2-1,21 г/см3 - и оставляется в покое на 1 ч. Заряды с одночасовыми перерывами продолжаются до тех пор, пока батарея не получит двух-, трехкратной номинальной емкости. Признаком, по которому судят об окончании заряда, является бурное газообразование всех элементов, наступающее вслед за включением батареи на заряд.

Для аккумуляторных батарей типа СН дополнительно производят перезаряды после каждой доливки аккумуляторов.

Уравнительные заряды аккумуляторных батарей без элементных коммутаторов, работающих в режиме постоянного подзаряда, невозможны по той причине, что при этом напряжение на каждом элементе возрастает до 2,6-2,8 В. Для профилактики такие батареи 1 раз в 3 мес. подвергаются дозарядам. Они производятся без отключения нагрузки путем повышения напряжения до 2,3-2,35 В на элемент до достижения плотности электролита 1,2-1,21 г/см3 во всех элементах. Начальный ток заряда устанавливается не выше тока 10-часового режима разряда. Продолжительность дозаряда обычно не превышает 1-2 суток в зависимости от состояния аккумуляторов.

Для поддержания работоспособности концевых элементов в нормальном режиме работы батареи применяют схемы подзаряда этих элементов от самостоятельного источника тока или общего подзарядного агрегата. Схема включения подзарядного агрегата на всю батарею приведена на рис. 6. 6. В схеме концевые элементы шунтируют регулируемым балластным резистором, выбранным по току нагрузки батареи R=Uкон./Iнагр., что обеспечивает поддержание напряжения 2,2±0,05 В на элемент. При уменьшении нагрузки сети персонал соответственно изменяет сопротивление резистора. Ток, проходящий через амперметр, должен быть равен нулю.

Неисправности аккумуляторов, осмотры и уход за аккумуляторными батареями. Основными неисправностями являются следующие:

ненормальная сульфатация пластин - образование крупных кристаллов сульфата, не растворяющихся при чрезмерно высокой плотности электролита и высокой температуре, при систематических глубоких разрядах и недостаточных зарядах большими токами и длительном нахождении батареи в разряженном состоянии. Если сульфатация не очень глубокая, то она устраняется проведением уравнительного заряда. При глубокой сульфатации необходим десульфатационный заряд;

короткое замыкание между пластинами разной полярности. Причинами могут быть замыкания пластин шламом, накопившимся на дне сосуда, коробление положительных пластин и губчатые наросты на отрицательных пластинах, разрушения сепарации. Признаками КЗ является низкое напряжение на элементе в конце заряда и низкая плотность электролита в сосуде, а также слабое газовыделение. Неисправность выявляется тщательным осмотром;

коробление пластин. Причинами коробления положительных пластин могут быть большие зарядные и разрядные токи, высокое напряжение подзаряда, короткое замыкание, низкий уровень электролита, наличие вредных примесей в электролите (солей железа, азотистых и хлористых соединений, марганца, меди). Вырезать и выправить положительные пластины удается, если они эксплуатировались не более 3 лет. Коробление отрицательных пластин обычно является результатом давления соседней покоробленной положительной пластины;

чрезмерное образование шлама. Выпадение небольшого количества шлама на дне сосуда - явление обычное и неизбежное. Однако большое количество коричневого шлама свидетельствует о слишком высоком напряжении подзаряда или излишних перезарядах. Шлам светло-серого цвета указывает на систематически допускаемую сульфатацию пластин или присутствие в электролите примесей, содержащих хлор.

Рис.6. Принципиальная схема подзаряда концевых элементов батареи от общего подзарядного агрегата:

1 - основные элементы; 2 - концевые элементы; 3 - подзарядный агрегат; 4 - сопротивление нагрузки; R - регулируемый балластный резистор

Среди прочих неисправностей аккумуляторов могут быть названы неисправности сосудов, изношенность и хрупкость сепарации, загрязнение электролита и понижение его плотности.

Характерными неисправностями аккумуляторов СН являются сульфатация пластин и загрязнение электролита вредными примесями. Признаки сульфатации - понижение разрядного напряжения и снижение емкости элементов. Устраняется сульфатация проведением тренировочных разрядов Помутнение или потемнение электролита указывает на его загрязнение. В этом случае производится химический анализ электролита. Если он подтвердит наличие вредных примесей, электролит заменяют.

На указанные неисправности аккумуляторов необходимо обращать внимание при осмотрах, которые проводятся по графику. При осмотрах проверяют так же:

- целость сосудов, состояние стеллажей и изоляции сосудов;

- защищенность контактных соединений и шинок от коррозии;

- положение покровных стекол, предотвращающих вынос электролита из сосуда пузырьками газа, образующимися при заряде аккумуляторов;

- уровень электролита в сосудах, который должен быть на 10-15 мм выше края пластин. При понижении уровня производится доливка, как правило, дистиллированной водой, а не электролитом. Частые доливки электролитом способствуют сульфатации пластин;

- напряжение на соединительных пластинах аккумулятора, плотность и температуру электролита каждого элемента. Измерения следует проводить не реже 1 раза в месяц. Результаты измерений записывают в журнал. Обращается внимание на отсутствие "отстающих элементов";

- исправность вентиляции и отопления. Температура в помещении аккумуляторной батареи должна быть не ниже 10°С.

При обслуживании аккумуляторных батарей персонал обязан соблюдать правила техники безопасности, так как приходится иметь дело с опасными для человека материалами. Серная кислота при попадании на кожу вызывает ожоги, а при попадании в глаза поражает их. Поэтому все работы с кислотой (электролитом) должны производиться в специальных костюмах, резиновых фартуках, перчатках и защитных очках. При приготовлении электролита концентрированную серную кислоту следует вливать тонкой струей в воду и непрерывно размешивать раствор. В помещении аккумуляторной батареи должен постоянно находиться 5%-ный содовый раствор и сосуд с большим количеством чистой воды для удаления и нейтрализации кислоты, случайно попавшей на кожу.

Курение и применение открытого огня в аккумуляторных помещениях запрещается по избежание взрыва смеси водорода, выделяющегося при электролизе воды и кислоты, с воздухом.

Схемы аккумуляторных установок и распределения оперативного тока

На подстанциях эксплуатируются аккумуляторные батареи с элементным коммутатором или без него. Схема установки с элементным коммутатором представлена на рис..8. В ней имеется зарядный двигатель-генератор 1 и подзарядное выпрямительное устройство 5. Элементный коммутатор 2 обеспечивает постоянство напряжения на шинах постоянного тока при заряде и разряде аккумуляторов. Он состоит из изолирующей плиты с расположенными на ней контактными пластинами, к которым подсоединены отводы от соединительных полос аккумуляторов. По пластинам и соответствующим шинам скользят щетки разрядная 3 и зарядная 4. Они приводятся в движение вручную или от небольшого электродвигателя, управляемого дистанционно или с помощью устройства регулирования напряжения (АРН). Изменение числа подключенных к шинам постоянного тока аккумуляторов (регулирование напряжения) происходит без разрыва цепи тока и закорачивания аккумуляторов благодаря особой конструкции коммутаторов. В нормальном режиме работы при наличии подзарядного устройства разрядная щетка коммутатора (через нее теперь проходит небольшой подзарядный ток IПЗ) устанавливается на 107-м элементе, чем обеспечивается на шинах напряжение 230 В. Концевые аккумуляторы с порядковыми номерами 108-125 не подзаряжаются. Они используются только в случае исчезновения напряжения на шинах с. н. подстанции и отключения подзарядного устройства.

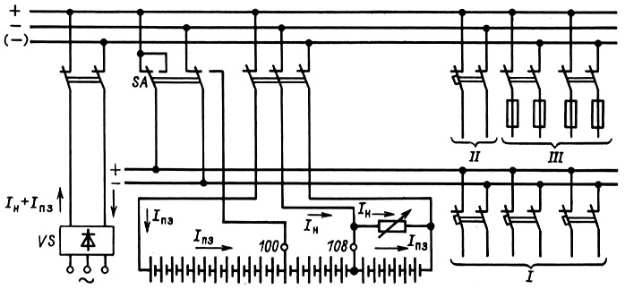
На рис. 6.9 представлена схема аккумуляторной батареи без элементного коммутатора с ответвлениями от батареи для питания потребителей с различными требованиями к значению напряжения на шинах. При нормальной работе установки выпрямитель VS питает всех потребителей и подзаряжает всю батарею током IПЗ. Ответвление от аккумулятора с порядковым номером 108 дает возможность поддерживать на шинах напряжение около 230 В. В тех режимах работы (например, дозарядке), когда напряжение на элементах возрастает, а требования к значению напряжения остаются прежними (на шинах управления 230 В), предусмотрено ответвление от 100-го элемента батареи. Переключателем SA к шинам управления подключают 100 элементов, и напряжение на шинах будет равно 2,3×100=230 В. Некоторое повышение напряжения по сравнению с номинальным на шинах питания силовой нагрузки не представляет опасности для мощных приводов выключателей, так как при их срабатывании напряжение на шинах мгновенно понижается.

Рис..8. Схема аккумуляторной установки с элементным коммутатором:

I - цепи управления; II - аварийное освещение; III - силовые цепи (электромагниты включения); IН - ток нагрузки; IПЗ - ток подзаряда

Рис..9. Схема аккумуляторной установки без элементного коммутатора, работающей в режиме постоянного подзаряда:

I - цепи управления; II - аварийное освещение; III - силовые цепи (электромагниты включения); IН - ток нагрузки; IПЗ - ток подзаряда

 

<== предыдущая лекция | следующая лекция ==>
Блокування роз'єднувачів | Оперативные переключения на подстанциях
Поделиться с друзьями:


Дата добавления: 2014-01-06; Просмотров: 777; Нарушение авторских прав?; Мы поможем в написании вашей работы!


Нам важно ваше мнение! Был ли полезен опубликованный материал? Да | Нет



studopedia.su - Студопедия (2013 - 2026) год. Все материалы представленные на сайте исключительно с целью ознакомления читателями и не преследуют коммерческих целей или нарушение авторских прав! Последнее добавление




Генерация страницы за: 0.011 сек.