Студопедия

КАТЕГОРИИ:


Архитектура-(3434)Астрономия-(809)Биология-(7483)Биотехнологии-(1457)Военное дело-(14632)Высокие технологии-(1363)География-(913)Геология-(1438)Государство-(451)Демография-(1065)Дом-(47672)Журналистика и СМИ-(912)Изобретательство-(14524)Иностранные языки-(4268)Информатика-(17799)Искусство-(1338)История-(13644)Компьютеры-(11121)Косметика-(55)Кулинария-(373)Культура-(8427)Лингвистика-(374)Литература-(1642)Маркетинг-(23702)Математика-(16968)Машиностроение-(1700)Медицина-(12668)Менеджмент-(24684)Механика-(15423)Науковедение-(506)Образование-(11852)Охрана труда-(3308)Педагогика-(5571)Полиграфия-(1312)Политика-(7869)Право-(5454)Приборостроение-(1369)Программирование-(2801)Производство-(97182)Промышленность-(8706)Психология-(18388)Религия-(3217)Связь-(10668)Сельское хозяйство-(299)Социология-(6455)Спорт-(42831)Строительство-(4793)Торговля-(5050)Транспорт-(2929)Туризм-(1568)Физика-(3942)Философия-(17015)Финансы-(26596)Химия-(22929)Экология-(12095)Экономика-(9961)Электроника-(8441)Электротехника-(4623)Энергетика-(12629)Юриспруденция-(1492)Ядерная техника-(1748)

Режим работы таймера

Чтение содержимого счетчика.

1. Требуется для остановки работы сч.для безопасного чтения, т.е. надо считывать сигнал с с и СЕ, читается содержимое

in al, Port Сч0;млад.байт

xchg al,ah

in al, PortCч0;стар.байт

xchg al,ah

2. для обеспечения операции чтения счетчика была придумана команда Чтение_на_лету. В этом случае содержимое счетчика фиксируется в вых.рг., счетчик продолжает считать, но выход.рг не меняется. Оно сохраняется до операции чтения или перепрограм.сч.

mov al, 0000xxxxb (0000-cч.фиксир.)

out PortCW, al

in al, PortСч0; млад.байт

in al, PortСч0; стар.байт

В схеме 8254 появилась возможность чтения состояния таймера. Управляющ.слово для чтения сост.таймера имеет вид

    Д5 Д4 Д3 Д2 Д1  

Д5 – 0-защелк.вых.рг.Сч.

Д4 – 0-чит.рг.сост.Сч.

Д3 – 0-Сч.2.

Д2 – 0-Сч.1.

Д1 – 0-Сч.0.

Эта команда задается в рг управл.слова, после выполнения команды для задан.Сч.

1. запомнить состояние в рг сост. и/или защелкив.содержим.сч.в выходном рг. Эти рг остаются в таком сост.до опер.чтения или перепрогр.Сч: рг сост-я или вых.рг счетчика.

В зависимости от слова РР, формат рг состояния след.

Д7 Д6 Д5 Д4 Д3 Д2 Д1 Д0

Д7 –Состояние выходное OUT.

Д6 –если 0-содер.сч.не=0;1-содер.сч.=0.

 

Режим 0 – программир-я задержка. В этом режиме исходное значение сигнала OUT=0. После подачи сигнала разрешения счета СЕ выдер-ся интервал времени N*T, где N-начальное значение загружаемое в сч., Т-период импульса в с и формир-ся OUT=1.

Это вых.знач-е OUT=1 не измен.до загрузки нового числа в сч.

Сигнал разреш.счета СЕ должен присутствовать постоянно во время счета. Сигнал СЕ=0 – приостанавливает счет.

Режим неперезагружаемый.

Если во время счета загруж-ся новое число, то сч.приостанавливает свою работу, а затем начинает новый цикл с нового загруженного значения.

Режим 1 – программирумый одновибратор. Исходное значение OUT=1. После подачи сигнала СЕ=1 (перепад, переход из 0 в 1) выходной сигнал устанавливается OUT=0 и держится в таком состоянии время NT.

Режим 1 перезапускаемый. Перезагрузка счетчика новым значением не влияет на текущий цикл счета.

Режим 2 – программ.делитель частот. Сигнал СЕ=1 – разрешает счет. Фронт сигнала СЕ (переход от 0 к 1) запускает счет сначала.

Если сетчик досчит-т до 0 и сигнал разреш.счета не снят, то счетчик вновь работает с прежнего значения.

Если известен Твх., то Твых.=NТвх., где N-начальное значение, загруж.в счетчик.

Режим 3 – генератор импульсов со скважностью 2 (генератор меандра).

Режим 4 – одиночный, программно формируемый строб. Исх.OUT=1. После подачи разрешения счета СЕ, ч/з интер.времени NT формир-ся импульс длительностью 0. СЕ-такое же, что и реж.0.

Режим 5 – одиночный аппаратно формируемый строб. Выход.сигнал OUT формир. По той же диаграмме, что и в Режиме 4. А действие сигнала разрешения счета СЕ такое же как и в Режиме 1.

Максимальн.выдержка при N=0 (65536 дискрим.0).

Минимальн.выдержка в зависимости от режима (N=1 или N=2).

Для Режима 1, 4, 5 – N=1.

Для Режима 0, 2, 3 – N=2.

Для Режима 3 – НЕЛЬЗЯ задавать N=3!!

 

 

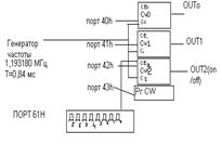
66.Назначение счетчика таймера в ПК IBM PC.

OUT0 – есть прерывание int8 (прерыв-е от таймера).

OUT1 в 1 ПК использ-ся для генерации динамической памяти.

Прерывание от таймера int8 генерируется каждые 55 мс или 18,2паза/с. Начальное значение загруженное в сч.=0.

Установ. Режим 3 чтение/запись 2 байта, двоичный счет.

Сч.2 запрограм.на работу режима 3. Начальное значение М опред-т частоту звучания динамика.

Бит Д7 порта 61h позволяет заблокировать и разблокировать клавиатуру:

1-заблок.клав.

0-разблок.клав.

 

<== предыдущая лекция | следующая лекция ==>
Программируемый интервальный таймер | Клавиатура. Клавиатура - датчики нажатия клавиши объединенные в матрицу
Поделиться с друзьями:


Дата добавления: 2014-01-06; Просмотров: 307; Нарушение авторских прав?; Мы поможем в написании вашей работы!


Нам важно ваше мнение! Был ли полезен опубликованный материал? Да | Нет



studopedia.su - Студопедия (2013 - 2026) год. Все материалы представленные на сайте исключительно с целью ознакомления читателями и не преследуют коммерческих целей или нарушение авторских прав! Последнее добавление




Генерация страницы за: 0.008 сек.