Студопедия

КАТЕГОРИИ:


Архитектура-(3434)Астрономия-(809)Биология-(7483)Биотехнологии-(1457)Военное дело-(14632)Высокие технологии-(1363)География-(913)Геология-(1438)Государство-(451)Демография-(1065)Дом-(47672)Журналистика и СМИ-(912)Изобретательство-(14524)Иностранные языки-(4268)Информатика-(17799)Искусство-(1338)История-(13644)Компьютеры-(11121)Косметика-(55)Кулинария-(373)Культура-(8427)Лингвистика-(374)Литература-(1642)Маркетинг-(23702)Математика-(16968)Машиностроение-(1700)Медицина-(12668)Менеджмент-(24684)Механика-(15423)Науковедение-(506)Образование-(11852)Охрана труда-(3308)Педагогика-(5571)Полиграфия-(1312)Политика-(7869)Право-(5454)Приборостроение-(1369)Программирование-(2801)Производство-(97182)Промышленность-(8706)Психология-(18388)Религия-(3217)Связь-(10668)Сельское хозяйство-(299)Социология-(6455)Спорт-(42831)Строительство-(4793)Торговля-(5050)Транспорт-(2929)Туризм-(1568)Физика-(3942)Философия-(17015)Финансы-(26596)Химия-(22929)Экология-(12095)Экономика-(9961)Электроника-(8441)Электротехника-(4623)Энергетика-(12629)Юриспруденция-(1492)Ядерная техника-(1748)

Управляемые выпрямители

От выпрямителей часто требуется не только преобразовывать переменное напряжение в постоянное, но и плавно изменять значение выпрямленного напряжения. Управлять выпрямленным напряжением можно как в цепи переменного напряжения, так и в цепи выпрямленного тока. При управлении в цепи переменного напряжения применяют специальные регулируемые трансформаторы (автотрансформаторы, трансформаторы с подмагничиванием сердечника постоянным током и т.д.), реостаты или потенциометры. Однако подобные способы управления выпрямленным напряжением (током) при их относительной простоте имеют существенный недостаток, связанный с низким КПД. Такие регуляторы имеют, как правило, большие массу, габариты и стоимость.

Более экономичным и удобным способом управления, который получил широкое распространение, является управление выпрямленным напряжением (током) в процессе выпрямления, так называемое управляемое выпрямление.

Выпрямители, которые совмещают выпрямление переменного напряжения (тока) е с управлением выпрямленным напряжением (током), называют управляемыми выпрямителями.

Основным элементом современных управляемых выпрямителей является тиристор VS. На рис. 8.18 представлена схема простейшего однофазного однополупериодного выпрямителя на тиристоре VS. Управление напряжением на выходе управляемого выпрямителя сводится к управлению во времени моментом отпирания (включения) тиристора. Это осуществляется за счет сдвига фаз между анодным напряжением и напряжением, подаваемым на управляющий электрод тиристора. Такой сдвиг фаз называют углом управления и обозначают а (рис. 8.18, б), а способ управления называют фазовым. Управление значением угла а осуществляют с помощью фазовращающей R2С-цепи, которая позволяет изменить угол α от 0 до 90°. При этом выпрямленное напряжение регулируют от наибольшего значения до его половины. Резистором Rl изменяют напряжение, подаваемое на управляющий электрод тиристора. Диод VD обеспечивает подачу на управляющий электрод положительных однополярных импульсов.

Рис. 8.18. Схема (а), временные диаграммы напряжения и тока (б) однофазного

однополупериодного управляемого выпрямителя

 

Оптимальной формой управляющих сигналов для тиристоров является короткий импульс с крутым фронтом. Такая форма позволяет уменьшить нагрев управляющего электрода тиристора, а также обеспечить за счет высокой крутизны управляющего импульса четкое отпирание тиристора. Для формирования подобных импульсов и их сдвига во времени служат специальные импульсно-фазовые системы управления. Изменение угла управления осуществляют ручным или автоматическим способом, что обеспечивает изменение выпрямленного напряжения в требуемых пределах.

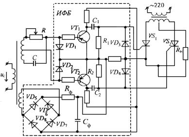
На рис. 8.19 изображена схема однофазного двухполупериодного управляемого выпрямителя с импульсно-фазовым блоком управления (ИФБ), довольно часто применяемая на практике. Сдвиг управляющих импульсов по отношению к анодному напряжению тиристоров VS1 и VS2 производят вручную с помощью мостового фазовращателя (рис. 8.20, а), векторная диаграмма которого изображена на рис. 8.20, б. Как известно, при изменении сопротивления переменного резистора R фаза напряжения ucd, являющегося выходным напряжением мостового фазовращателя, при постоянной амплитуде плавно изменяется от 0 до 180°.

Рис 8.19. Схема однофазного двухполупериодного управляемого выпрямителя

с импульсно-фазовым управлением

 

Напряжение ucd с выхода фазовращателя (см.рис.8.19) поступает на вход усилителей-ограничителей на транзисторах VT1, VT2, причем диоды VD1, VD2 срезают отрицательные полуволны этого напряжения. Выходные напряжения этих усилителей, имеющие трапецеидальную форму, далее дифференцируются цепочками R1C1 и R2C2.

Рис. 8.20 Схема (а) и векторная диаграмма фазовращателя (б)

Появившиеся после этого импульсы с крутыми фронтами и малой длительностью являются двухполярными. Диоды VD3 и VD 4 в управляющих цепях тиристоров делают их однополярными (не пропускают отрицательные импульсы).

Усилители-ограничители питаются от отдельного выпрямителя, который собран по мостовой схеме на диодах VD5VD 8. В выпрямитель входит также сглаживающий RС-фильтр.

Среднее значение выпрямленного напряжения при угле управления α ≠ 0 без учета потерь определяют из выражения

(8.1)

где U2 – действующее напряжение фазы вторичной обмотки трансформатора,

— значение Uнα при a = 0.

<== предыдущая лекция | следующая лекция ==>
Трехфазные выпрямители | Стабилизаторы напряжения
Поделиться с друзьями:


Дата добавления: 2014-01-06; Просмотров: 1650; Нарушение авторских прав?; Мы поможем в написании вашей работы!


Нам важно ваше мнение! Был ли полезен опубликованный материал? Да | Нет



studopedia.su - Студопедия (2013 - 2026) год. Все материалы представленные на сайте исключительно с целью ознакомления читателями и не преследуют коммерческих целей или нарушение авторских прав! Последнее добавление




Генерация страницы за: 0.009 сек.