Студопедия

КАТЕГОРИИ:


Архитектура-(3434)Астрономия-(809)Биология-(7483)Биотехнологии-(1457)Военное дело-(14632)Высокие технологии-(1363)География-(913)Геология-(1438)Государство-(451)Демография-(1065)Дом-(47672)Журналистика и СМИ-(912)Изобретательство-(14524)Иностранные языки-(4268)Информатика-(17799)Искусство-(1338)История-(13644)Компьютеры-(11121)Косметика-(55)Кулинария-(373)Культура-(8427)Лингвистика-(374)Литература-(1642)Маркетинг-(23702)Математика-(16968)Машиностроение-(1700)Медицина-(12668)Менеджмент-(24684)Механика-(15423)Науковедение-(506)Образование-(11852)Охрана труда-(3308)Педагогика-(5571)Полиграфия-(1312)Политика-(7869)Право-(5454)Приборостроение-(1369)Программирование-(2801)Производство-(97182)Промышленность-(8706)Психология-(18388)Религия-(3217)Связь-(10668)Сельское хозяйство-(299)Социология-(6455)Спорт-(42831)Строительство-(4793)Торговля-(5050)Транспорт-(2929)Туризм-(1568)Физика-(3942)Философия-(17015)Финансы-(26596)Химия-(22929)Экология-(12095)Экономика-(9961)Электроника-(8441)Электротехника-(4623)Энергетика-(12629)Юриспруденция-(1492)Ядерная техника-(1748)

Регуляторы в системах ЭП

 

Как уже отмечалось, современные АЭП выполняются в виде замкнутых систем автоматического управления. При этом возникает задача обеспечения устойчивости замкнутой системы и требуемых показателей качества регулирования. Эти задачи решаются введением в систему операционных усилителей, охваченных определенными видами обратных связей. Такие усилители в системах автоматического регулирования принято называть регуляторами. Кроме того, на входе усилителя удобно осуществлять операцию сравнивания электрических сигналов. Схема суммирующего усилителя приведена на рис. 2.30. На инвертирующий вход (на схеме помечен окружностью) усилителя подается: через резистор R1 – сигнал задания Uзд; через резистор R2 – сигнал отрицательной обратной связи Uос (например, сигнал обратной связи по скорости двигателя). Известно, что динамические свойства операционного усилителя, охваченного обратной связью, приближенно можно описать передаточной функцией

 

, (2.42)

где , Zвх(p) – операторное сопротивление обратной связи усилителя и входной цепи, соответственно.

Для рассматриваемой схемы , для задающего сигнала Zвх(p)=R1, сигнала обратной связи Z1ос(p)=R2. В результате передаточная функция регулятора вырождается в коэффициент передачи. Причем, если R1=R2, то коэффициент передачи по обоим входам усилителя один и тот же

 

.

 

Напряжение на выходе усилителя

 

Uвых = UздKу – UосKу = (Uзд – Uос)Kу.

Последнему выражению соответствует алгоритмическая схема, представленная на рис. 2.31. Из нее следует, что рассматриваемая схема обеспечивает сравнение (вычитание) напряжений и усиление сигнала ошибки Uδ=Uзд – Uос. Приведенную схему (см. рис. 2.30) называют пропорциональным регулятором, или сокращенно П-регулятором.

 
 

 
 
 


Для уменьшения статистической ошибки, как отмечалось выше, необходимо вводить в систему интегрирующее звено. Схема интегрального регулятора (И-регулятора) приведена на рис. 2.32 (для простоты считаем здесь и далее R1=R2). На основании выражения (2.42) несложно получить передаточную функцию регулятора

,

где Ти – постоянная времени интегрирующего преобразования.

Передаточная функция соответствует интегрирующему (астатическому) звену.

При скачкообразном изменении сигнала Ud напряжение Uвых линейно нарастает (см. рис. 2.33). Учитывая свойства И-регулятора «накапливать» входной сигнал, можно дать следующие пояснение особенностям работы астатической системы. Если в системе появляется сигнал ошибки, то напряжение на выходе регулятора начинает изменяться и, соответственно, изменяется воздействие на двигатель. Этот процесс продолжается до тех пор, пока сигнал ошибки не будет сведен к нулю, т.е. пока не будет достигнуто равенство

Uос = Uзд.

 
 
Выполнение же этого равенства означает, что регулируемая величина равна заданной, т.е. статистическая ошибка системы сведена к нулю. Отметим, что для сведения статистической ошибки к нулю нужен идеальный И-регулятор. В реальной схеме операция интегрирования выполняется с некоторой погрешностью, поэтому статистическая ошибка в замкнутой системе сводится не до нуля, но, как правило, до достаточно малых значений.

Алгоритмическая схема регулятора приведена на рис. 2.34. И-регулятор обеспечивает сравнение сигналов Uзд и Uос, а его выходное напряжение пропорционально интегралу от сигнала ошибки.

 
 

 

       
 
Рис. 2.32
 
Рис. 2.33

 
 


 
 

Схема пропорционально-интегрального регулятора (ПИ-регулятора) приведена на рис. 2.35. В цепь обратной связи операционного усилителя последовательно включены резистор R3 и емкость С. На основании выражения (2.42) несложно найти передаточную функцию регулятора

 

, (2.43)

где T =R3×C, Tи = R2×С – соответственно, постоянные времени дифференцирующего и интегрирующего преобразования.

 

 

 


Рис. 2.35

Передаточную функцию (2.43) можно

исать и в другом виде. Деля почленн

 

Выражение (2.43) можно записать и в другом виде, деля почленно числитель на знаменатель, получим

,

где K=T/Tи – коэффициент усиления пропорциональной части регулятора. Как следует из последнего выражения, передаточную функцию можно представить в виде суммы пропорциональной части (П) и интегральной (И) части. Отсюда название регулятора. Реакция ПИ-регулятора на скачкообразное изменение сигнала (Uзд - Uoc) приведена на рис. 2.36. Сравнивая рис. 2.34 и рис. 2.36, можно отметить, что ПИ-регулятор в первый момент времени более «энергично» воздействует на управляемый преобразователь и, соответственно, двигатель. Благодаря этому, в принципе, быстродействие системы может быть улучшено.

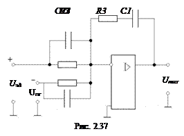
Схема пропорционально-интегрально-дифференциального регулятора (ПИД-регулятора) приведена на рис. 2.37. По сравнению с предыдущей схемой здесь добавлены емкости С2 и С3, включенные параллельно резисторам R1, R2. Иногда емкость включают только параллельно R2. Тогда для сигнала обратной связи схема имеет свойства ПИД- регулятора, а для сигнала задания – свойства ПИ- регулятора.

Используя выражение (2.42), передаточную функцию рассматриваемого регулятора можно записать в виде

, (2.44)

где постоянные времени дифференцирования Т1, Т2 и интегрирования Ти определяются соотношениями:

 

Т1 = R3×C1; T2 = R2×C3; Tи = R2×C1.

       
   
 
 

Раскрыв скобки в числителе (2.44) и деля почленно числитель на знаменатель, получим передаточную функцию ПИД- регулятора в виде

, (2.45)

 

где K = (T1 + T2)/Tи; T = T1×T2/Tи.

Как следует из последнего выражения, передаточная функция может быть представлена в виде суммы трех слагаемых: первое слагаемое – пропорциональное звено, второе – интегральное, третье – дифференциальное. Это определило название регулятора.

Реакция ПИД-регулятора на скачок сигнала (Uзд – Uос) приведена на рис. 2.38. Можно отметить, что в начальный момент времени при появлении сигнала рассогласования ПИД-регулятор обеспечивает ещё более «энергичное» воздействие, чем ПИ- регулятор (см. рис. 2.36)

Отметим, что описанное влияние различных регуляторов на динамические свойства системы ЭП поясняет лишь качественный характер процессов. Вопрос о выборе того или иного тока регулятора и его параметров, как известно из курса теории автоматического управления, решается при синтезе корректирующих звеньев.


<== предыдущая лекция | следующая лекция ==>
С отрицательной обратной связью по напряжению | Однофазный однополупериодный УВ. Фазовый способ регулирования выпрямленного напряжения
Поделиться с друзьями:


Дата добавления: 2014-01-06; Просмотров: 555; Нарушение авторских прав?; Мы поможем в написании вашей работы!


Нам важно ваше мнение! Был ли полезен опубликованный материал? Да | Нет



studopedia.su - Студопедия (2013 - 2026) год. Все материалы представленные на сайте исключительно с целью ознакомления читателями и не преследуют коммерческих целей или нарушение авторских прав! Последнее добавление




Генерация страницы за: 0.014 сек.