Студопедия

КАТЕГОРИИ:


Архитектура-(3434)Астрономия-(809)Биология-(7483)Биотехнологии-(1457)Военное дело-(14632)Высокие технологии-(1363)География-(913)Геология-(1438)Государство-(451)Демография-(1065)Дом-(47672)Журналистика и СМИ-(912)Изобретательство-(14524)Иностранные языки-(4268)Информатика-(17799)Искусство-(1338)История-(13644)Компьютеры-(11121)Косметика-(55)Кулинария-(373)Культура-(8427)Лингвистика-(374)Литература-(1642)Маркетинг-(23702)Математика-(16968)Машиностроение-(1700)Медицина-(12668)Менеджмент-(24684)Механика-(15423)Науковедение-(506)Образование-(11852)Охрана труда-(3308)Педагогика-(5571)Полиграфия-(1312)Политика-(7869)Право-(5454)Приборостроение-(1369)Программирование-(2801)Производство-(97182)Промышленность-(8706)Психология-(18388)Религия-(3217)Связь-(10668)Сельское хозяйство-(299)Социология-(6455)Спорт-(42831)Строительство-(4793)Торговля-(5050)Транспорт-(2929)Туризм-(1568)Физика-(3942)Философия-(17015)Финансы-(26596)Химия-(22929)Экология-(12095)Экономика-(9961)Электроника-(8441)Электротехника-(4623)Энергетика-(12629)Юриспруденция-(1492)Ядерная техника-(1748)

Мультиплексоры и демультиплексоры




Мультиплексором называется комбинационная ИС, в которой параллельный двоичный входной сигнал преобразуется в последовательный выходной, причем номер входа, с которого информация передается на выход, определяется содержанием адресных входов.

 

УГО:

Таблица истинности:

Е А1 А2 D3 D2 D1 D0 Q
              X
      X X X D0 D0
      X X D1 X D1
      X D2 X X D2
      D3 X X X D3

ФАЛ:

 

Структурно-логическая схема:

Область применения: применяют при опросе некоторого количества входных датчиков и приведения в действие по результатам опроса одного исполнительного устройства.

 

Например: К155КП1

К513КП18

К555КП17.

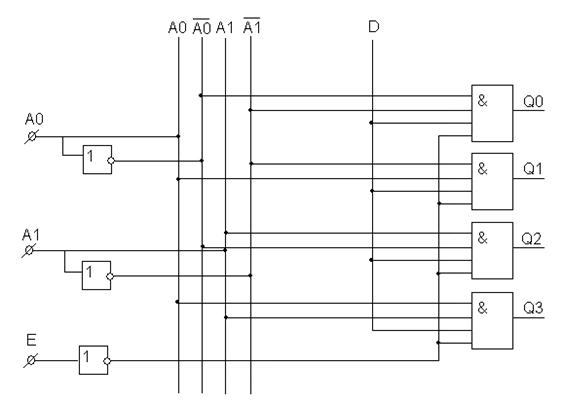
Демультиплексором называют комбинационную ИС, в которой информация в последовательном коде на входе преобразуется в параллельный код на выходе, причем номер выхода, на который передается информация с входа, определяется содержанием адресных входов.

 

УГО:

Таблица истинности:

E A1 A0 D Q3 Q2 Q1 Q0
      1/0 X X X X
      D X X X D
      D X X D X
      D X D X X
      D D X X X

 

ФАЛ:

 

Структурно-логическая схема:

Область применения: по результатам опроса одного сложного входного устройства выдаются сигналы на разные исполнительные устройства. Например, при термостатировании помещения; при повышении температуры включить кондиционер, при снижении температуры включить отопление.

 

Например: К155ИД3

К531ИД7




Поделиться с друзьями:


Дата добавления: 2014-01-06; Просмотров: 377; Нарушение авторских прав?; Мы поможем в написании вашей работы!


Нам важно ваше мнение! Был ли полезен опубликованный материал? Да | Нет



studopedia.su - Студопедия (2013 - 2026) год. Все материалы представленные на сайте исключительно с целью ознакомления читателями и не преследуют коммерческих целей или нарушение авторских прав! Последнее добавление




Генерация страницы за: 0.011 сек.