Студопедия

КАТЕГОРИИ:


Архитектура-(3434)Астрономия-(809)Биология-(7483)Биотехнологии-(1457)Военное дело-(14632)Высокие технологии-(1363)География-(913)Геология-(1438)Государство-(451)Демография-(1065)Дом-(47672)Журналистика и СМИ-(912)Изобретательство-(14524)Иностранные языки-(4268)Информатика-(17799)Искусство-(1338)История-(13644)Компьютеры-(11121)Косметика-(55)Кулинария-(373)Культура-(8427)Лингвистика-(374)Литература-(1642)Маркетинг-(23702)Математика-(16968)Машиностроение-(1700)Медицина-(12668)Менеджмент-(24684)Механика-(15423)Науковедение-(506)Образование-(11852)Охрана труда-(3308)Педагогика-(5571)Полиграфия-(1312)Политика-(7869)Право-(5454)Приборостроение-(1369)Программирование-(2801)Производство-(97182)Промышленность-(8706)Психология-(18388)Религия-(3217)Связь-(10668)Сельское хозяйство-(299)Социология-(6455)Спорт-(42831)Строительство-(4793)Торговля-(5050)Транспорт-(2929)Туризм-(1568)Физика-(3942)Философия-(17015)Финансы-(26596)Химия-(22929)Экология-(12095)Экономика-(9961)Электроника-(8441)Электротехника-(4623)Энергетика-(12629)Юриспруденция-(1492)Ядерная техника-(1748)

Нормальные силы и их эпюры

РАСТЯЖЕНИЕ И СЖАТИЕ

Лекция 2

 

 

Растяжение (сжатие) – вид нагружения, при котором в поперечных сечениях стержня появляются только нормальные силы, а остальные силовые факторы равны нулю. При этом положительная нормальная сила направлена в сторону внешней нормали к сечению, т.е. вызывает растяжение, а отрицательная – сжатие. Внешние силы в этом случае приводятся к равнодействующей, направленной вдоль оси стержня.

Формально растяжение от сжатия отличается только знаком нормальной силы. Ниже будет показано, что это не всегда справедливо. В частности, при растяжении и сжатии могут сильно различаться механизмы разрушения. Кроме того, при сжатии длинных гибких стержней возникает опасность их изгиба, что значительно усложняет методы их расчета (см. раздел “Устойчивость сжатых стержней”).

Для нахождения нормальных сил применяется метод сечений – стержень мысленно рассекается плоскостью, перпендикулярной его оси, на две части. Взаимодействие частей стержня заменяется силой N, величина которой определяется из условия равновесия какой-либо из частей:

å Fz= 0: − F + N =0

N = F

(N >0 –растяжение)

 

Отметим, что в тех случаях, когда направление силы N заранее неизвестно, ее рекомендуется направлять в положительную сторону. Если при этом из решения уравнения равновесия сила получится положительной, это будет соответствовать чертежу, т.е. стержень окажется растянут, а при отрицательной силе – сжат.

Действующие на стержень внешние силы могут быть как сосредоточенными, так и распределенными. Примером распределенной продольной нагрузки может служить собственный вес массивного вертикально расположенного стержня (колонны). Интенсивность распределенной нагрузки в этом случае можно найти как произведение удельного веса материала γ на площадь поперечного сечения A (z):

q (z) = g .A (z)

Между интенсивностью распределенной нагрузки и нормальной силой в сечении существует дифференциальная зависимость, которую находят из рассмотрения равновесия выделенного из стержня элемента длиной dz.

 

 

Интенсивность нагрузки в пределах элемента ввиду его малости можно считать постоянной:

q (z) = q = const.

Тогда, проектируя силы на ось z,получим

S Fz = 0: -N – qdz + N + dN = 0.

Отсюда

q = dN/dz.

Интегрируя, находим выражение для нормальной силы:

N = N (0) +

Здесь N (0) – постоянная интегрирования – значение нормальной силы в начале участка (z = 0).

В случае одновременного действия на стержень нескольких нагрузок, для наглядности строят эпюру нормальной силы, т.е. график ее изменения вдоль оси стержня.

 

Пример 2.1. Построение эпюры нормальной силы.

 

 

Решение. Стержень разбивается на силовые участки, границами которых служат сечения, где приложены сосредоточенные нагрузки, либо начинается или заканчивается действие распределенных нагрузок. В нашем примере стержень имеет три таких участка. Для нахождения нормальной силы на каждом из участков поочередно мысленно проводится сечение, рассекающее стержень на две части. Записывая условия равновесия для показанных на рисунке отсеченных частей стержня, получаем выражения для нормальной силы на каждом из выделенных участков:

 

III. .

 

I. ;  
II.

 

 

На основе этих уравнений строим эпюру N (z).

 

НАПРЯЖЕНИЯ И ДЕФОРМАЦИИ ПРИ РАСТЯЖЕНИИ И СЖАТИИ.

ЗАКОН ГУКА

 

В соответствии с принципом Сен-Венана можно считать, что на некотором удалении от места приложения нагрузки, способ нагружения роли не играет, и нормальная сила определяется только равнодействующей нагрузки. Для большей части растянутого стержня справедлива гипотеза плоских сечений, согласно которой поперечные сечения смещаются параллельно начальному положению, оставаясь плоскими.

 

Если представить себе стержень, состоящим из тонких продольных элементов, торцы которых образуют плоскости поперечных сечений, то все они будут удлиняться одинаково. Следовательно, напряжения в каждой точке поперечного сечения так же будут одинаковы, что позволяет однозначно определить их из интегрального условия равновесия:

 

(2.1)

Все изложенное справедливо и для коротких сжимаемых стержней.

Подчеркнем, что найти напряжение σ (x,y) только из условий равновесия

не удаётся, т.к. этим условиям могут удовлетворять различные законы распределения напряжения по сечению стержня σ(x, y).

 

 

Поэтому для нахождения функции σ(x,y) кроме условий равновесия необходимо дополнительно привлекать геометрические соображения, в нашем случае – гипотезу плоских сечений.

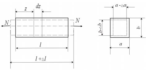
Рассмотрим возникающие при растяжении и сжатии деформации. При растяжении длина стержня l получит приращение на величину Δ l, а поперечные размеры сократятся соответственно на Δ a и Δ b.

При сжатии соответственно уменьшится длина, и увеличатся поперечные размеры.

Рассмотрим элемент стержня длиной dz

 

Относительным удлинением стержня (продольной линейной деформацией)

называется величина

Отсюда проинтегрировав это выражение по всей длине, получим абсолютное удлинение стержня

Эксперименты показывают, что линейная деформация по длине однородного стержня при растяжении постоянной силой не меняется, т.е. , или

;

 

(2.2)

Аналогично продольной деформации определяется поперечная деформация в направлении размеров a и b:

;

Знак «минус» в этом выражении отражает тот факт, что поперечные размеры уменьшаются при растяжении и увеличиваются при сжатии.

Для изотропных материалов можно принять , причем отношение поперечной деформации к продольной для каждого материала есть постоянная величина, называемая коэффициентом Пуассона:

У всех существующих материалов значения коэффициента Пуассона находятся в пределах от 0 до 0,5. Конструкционные стали имеют m = 0,25 ¸ 0,3.

Значение коэффициента Пуассона, близкое к 0,5, свидетельствует о несжимаемости материала, т.е. независимости его объема от действующих нагрузок.

Между напряжениями и деформациями при растяжении существует зависимость, известная как закон Гука:

(2.3)

Здесь E - модуль упругости при растяжении (модуль упругости I рода). Модуль упругости E и коэффициент Пуассона μ являются основными упругими константами материала. Для сталей модуль упругости E составляет величину 2,0 ¸ 2,2 . 105 МПа; для ряда других конструкционных материалов его значение можно найти, например, в справочных таблицах[6]. Подставив в формулу (2.3) выражения (2.1), (2.2), получим ещё одну формулу записи закона Гука, позволяющую найти абсолютное удлинение стержня при растяжении:

(2.4)

Знаменатель этой формулы (произведение модуля упругости на площадь поперечного сечения) называют жесткостью сечения стержня при растяжении (сжатии).

Для ступенчатого стержня, нагруженного несколькими сосредоточенными силами, удлинения вычисляются на участках, где сила N и жесткость EA постоянны, а результаты алгебраически суммируются:

 

(2.5)

Формулу (2.5) можно обобщить на тот случай, когда нормальная сила и жесткость стержня непрерывно меняются по длине:

 

Тогда

(2.6)

Полученные зависимости позволяют найти продольные перемещения сечений растягиваемого стержня.

,

где u (0) – перемещение сечения, расположенного в начале координат. Принимая за начало отсчета неподвижное сечение, перемещение произвольного сечения u (z) можно найти как удлинение части стержня, расположенного между этим сечением и заделкой.

 

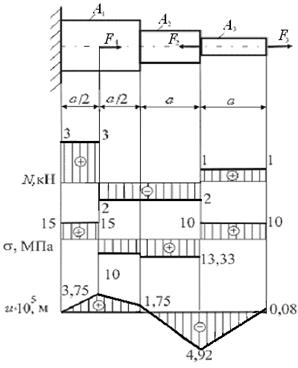
Пример 2.2. Построение эпюр нормальных сил, нормальных напряжений и продольных перемещений в вертикальном стержне. Площадь поперечного сечения A, удельный вес материала γ.

 

 

Пример 2.3. Построение эпюр нормальных сил, нормальных напряжений и продольных перемещений в ступенчатом стержне.

м кН кН кН  

Решение. Построение эпюры нормальных сил ведем аналогично тому, как это делалось в примере 2.1. Выделяем три силовых участка, границами которых являются сечения, нагруженные внешними силами; на каждом из участков мысленно рассекаем стержень на две части, одну из которых отбрасываем, а ее действие на оставшуюся часть заменяем нормальной силой N. В нашем случае удобнее отбрасывать левые части стержня и находить силу N из условия равновесия правых частей. Принимая за начало отсчета крайнее правое сечение стержня и нумеруя участки справа налево, получим:

I. 0 ≤ za N = F 3 = 1,0 кН;

II. a ≤ z ≤ 2,5 a N = F 3F 2 = −2,0 кН;

III. 2,5 ≤ z ≤ 3,0 a N = F 3F 2 + F 1 = 3,0 кН.

 

Пользуясь найденными значениями, строим эпюру N.

Для нахождения нормальных напряжений воспользуемся формулой (2.1), при этом учтем, что на втором силовом участке (при z = 2 a) площадь поперечного сечения стержня изменяется:

 

I. 0 ≤ za σ = N/A 3 =1,0∙103/(1,0∙10-4)=10∙10-6=10 МПа;

a ≤ z ≤ 2 a σ = N/A 2 =(−2,0∙103)/(1,5∙10-4)=−13,33∙106=−13,33 МПа;

II. 2 a ≤ z ≤ 2,5 a σ = N/A 1 =(−2,0∙103)/(2,0∙10-4)=−10,0∙106=−10 МПа;

III. 2,5 a ≤ z ≤ 3,0 a σ = N/A 1 =3,0∙103/(2,0∙10-4)=15,0∙106=15 МПа.

 

Поскольку левый торец стержня неподвижен, сначала найдем перемещение ближайшего к нему характерного сечения B – места приложения силы F 1. Для этого воспользуемся формулой (2.4), учитывая, что перемещение любого сечения равно удлинению части стержня между этим сечением и заделкой:

.

Далее определим перемещение сечения C, воспользовавшись формулой (2.5):

Аналогично находим перемещения остальных характерных сечений.

Между характерными сечениями перемещения изменяются по линейному закону. По найденным значениям строим эпюры (см. рисунок).

 

НАПРЯЖЕНИЯ В НАКЛОННЫХ СЕЧЕНИЯХ

РАСТЯНУТОГО СТЕРЖНЯ

 

Пусть площадь поперечного сечения n-n равна A, тогда площадь наклонного сечения с нормалью u

.

 

Проекции продольной силы на нормаль u и на плоскость сечения будут равны

; .

Считая распределение напряжений по сечению равномерным, получим:

 

(2.7)

Здесь - нормальное напряжение в поперечном сечении n – n.

Анализируя полученные зависимости (2.7), можно сделать несколько выводов:

1) наибольшие нормальные напряжения возникают в поперечных сечениях, где a = 0; cos 2 a = 1;

2) наибольшие касательные напряжения возникают в сечениях, повернутых к оси стержня на 45°, и достигают половины наибольших нормальных;

3) в продольных сечениях () как нормальные, так и касательные напряжения равны нулю, т.е. отсутствуют взаимное давление и сдвиг волокон;

4) сумма нормальных напряжений на любых двух взаимно перпендикулярных площадках постоянна и равна s:

 

ПОНЯТИЕ О КОНЦЕНТРАЦИИ НАПРЯЖЕНИЙ

 

Равномерное распределение напряжений по площади поперечного сечения стержня нарушается не только в окрестности приложения нагрузок, но и вблизи мест резкого изменения формы или площади сечения.

Это явление носит название концентрации напряжений, а сами факторы, вызывающие ее – концентраторами напряжений. Концентрация напряжений значительно усложняет картину их распределения по сечению. Однако это усложнение носит местный характер. На рис.2.1 показано распределение напряжений на некотором удалении от концентраторов (сечения B,C) и вблизи них.

 

Рис.2.1

 

На некотором расстоянии от концентратора, обычно очень небольшом, напряжения можно считать распределенными по сечению равномерно и вычислять по формуле (2.1). Напряжения, найденные по этой же формуле для сечений с концентраторами называют номинальными:

здесь A нетто – площадь поперечного сечения с учетом ослаблений, вносимых концентратором.

Рост напряжений вблизи концентраторов описывают с помощью теоретического коэффициента концентрации напряжений :

Принято считать, что при статическом нагружении пластичные материалы мало чувствительны к наличию концентраторов. Если же нагрузки циклически меняются во времени, либо материал хрупкий, то влияние концентрации напряжений на прочность необходимо учитывать.

<== предыдущая лекция | следующая лекция ==>
Основные понятия. Пермского национального исследовательского политехниче | Конструкционных материалов
Поделиться с друзьями:


Дата добавления: 2014-01-06; Просмотров: 6659; Нарушение авторских прав?; Мы поможем в написании вашей работы!


Нам важно ваше мнение! Был ли полезен опубликованный материал? Да | Нет



studopedia.su - Студопедия (2013 - 2026) год. Все материалы представленные на сайте исключительно с целью ознакомления читателями и не преследуют коммерческих целей или нарушение авторских прав! Последнее добавление




Генерация страницы за: 0.014 сек.