Студопедия

КАТЕГОРИИ:


Архитектура-(3434)Астрономия-(809)Биология-(7483)Биотехнологии-(1457)Военное дело-(14632)Высокие технологии-(1363)География-(913)Геология-(1438)Государство-(451)Демография-(1065)Дом-(47672)Журналистика и СМИ-(912)Изобретательство-(14524)Иностранные языки-(4268)Информатика-(17799)Искусство-(1338)История-(13644)Компьютеры-(11121)Косметика-(55)Кулинария-(373)Культура-(8427)Лингвистика-(374)Литература-(1642)Маркетинг-(23702)Математика-(16968)Машиностроение-(1700)Медицина-(12668)Менеджмент-(24684)Механика-(15423)Науковедение-(506)Образование-(11852)Охрана труда-(3308)Педагогика-(5571)Полиграфия-(1312)Политика-(7869)Право-(5454)Приборостроение-(1369)Программирование-(2801)Производство-(97182)Промышленность-(8706)Психология-(18388)Религия-(3217)Связь-(10668)Сельское хозяйство-(299)Социология-(6455)Спорт-(42831)Строительство-(4793)Торговля-(5050)Транспорт-(2929)Туризм-(1568)Физика-(3942)Философия-(17015)Финансы-(26596)Химия-(22929)Экология-(12095)Экономика-(9961)Электроника-(8441)Электротехника-(4623)Энергетика-(12629)Юриспруденция-(1492)Ядерная техника-(1748)

Мультиплексоры




Мультиплексор, это КЛУ, предназначенное для управляемой передачи данных от нескольких источников в один канал. То есть с помощью мультиплексора можно передавать информацию от нескольких, разнесенных в пространстве устройств, к одному приемнику. Например отслеживание работы автоматической линии.

По определению мультиплексор имеет один выход и две группы входов – информационные и адресные. Информационные входы предназначены для передачи информации от входа к выходу, адресные задают адрес информационного входа с которого будет передаваться информация на выход. Адрес задается n-разрядным двоичным кодом, следовательно соотношение адресных и информационных входов соответственно n и 2n. Обычно на всех комбинационных схемах есть дополнительный инверсный вход – вход разрешения. Если на него подан активный логический уровень, то выходной сигнал не зависит от входных и постоянен.

Рассмотрим работу мультиплексора с тремя адресными – А, и соответственно 8-ю информационными – Д входами. Одним разрешающим входом и двумя выходами прямым и инверсным Q и . Для чего нарисуем таблицу истинности.

А2 А1 А0 Q
х x x x      
          D0
          D1
          D2
          D3
          D4
          D5
          D6
          D7

То есть, если посмотреть на порядковый номер строки, то можно заметить, что номер строки соответствует номеру на выходе. ФАЛ данного мультиплексора:

Условное обозначение, записывается как мультиплексор «3х8», то есть 3 адресных и 8 информационных входов или «4х16» 4 адресных и 16 информационных входов.

Условное обозначение:

 

D1, D2, …, D7 – информационные входы

A, B, C – адресные

G’ – заземление

Y – прямой выход

W – инверсный выход

 

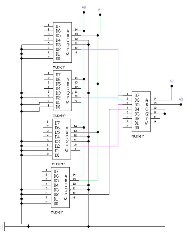
Промышленность выпускает мультиплексоры с количеством входов не 16. Чтоб увеличить количество входов строят мультиплексорное дерево. Рассмотрим построение дерева с 16 входами на примере четырех мультиплексоров 3х8, лишние входы занулены.

Мультиплексорное дерево состоит из мультиплексоров первого и второго уровня, мультиплексоры первого уровня определяют количество входов, мультиплексор второго уровня выводит информацию с заданного входа.

Мультиплексорное дерево имитируем мультиплексор 4х16, то есть кодовое слово содержит 4 символа, предположим оно равно 1011, то есть А0=1, А1=1, А2=0, А3=1. Соответственно на вход мультиплексора второго уровня будет поступать сигнал с входов Х3, Х7, Х11, Х15. И на мультиплексоре второго уровня следовательно выводится сигнал с входа Х11.

 

 




Поделиться с друзьями:


Дата добавления: 2014-01-06; Просмотров: 434; Нарушение авторских прав?; Мы поможем в написании вашей работы!


Нам важно ваше мнение! Был ли полезен опубликованный материал? Да | Нет



studopedia.su - Студопедия (2013 - 2026) год. Все материалы представленные на сайте исключительно с целью ознакомления читателями и не преследуют коммерческих целей или нарушение авторских прав! Последнее добавление




Генерация страницы за: 0.012 сек.