Студопедия

КАТЕГОРИИ:


Архитектура-(3434)Астрономия-(809)Биология-(7483)Биотехнологии-(1457)Военное дело-(14632)Высокие технологии-(1363)География-(913)Геология-(1438)Государство-(451)Демография-(1065)Дом-(47672)Журналистика и СМИ-(912)Изобретательство-(14524)Иностранные языки-(4268)Информатика-(17799)Искусство-(1338)История-(13644)Компьютеры-(11121)Косметика-(55)Кулинария-(373)Культура-(8427)Лингвистика-(374)Литература-(1642)Маркетинг-(23702)Математика-(16968)Машиностроение-(1700)Медицина-(12668)Менеджмент-(24684)Механика-(15423)Науковедение-(506)Образование-(11852)Охрана труда-(3308)Педагогика-(5571)Полиграфия-(1312)Политика-(7869)Право-(5454)Приборостроение-(1369)Программирование-(2801)Производство-(97182)Промышленность-(8706)Психология-(18388)Религия-(3217)Связь-(10668)Сельское хозяйство-(299)Социология-(6455)Спорт-(42831)Строительство-(4793)Торговля-(5050)Транспорт-(2929)Туризм-(1568)Физика-(3942)Философия-(17015)Финансы-(26596)Химия-(22929)Экология-(12095)Экономика-(9961)Электроника-(8441)Электротехника-(4623)Энергетика-(12629)Юриспруденция-(1492)Ядерная техника-(1748)

Использование центробежных сил

 

Осаждение взвешенных частиц под действием центробежной силы проводят в гидроциклонах (открытых или напорных, многоярусных) и центрифугах.

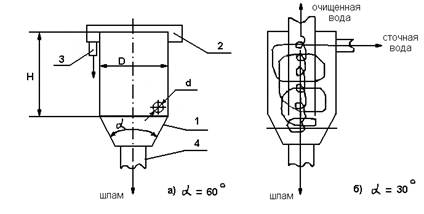
Напорные гидроциклоны применят для осаждения твердых примесей, а открытые - для удаления осаждающих и всплываю­щих примесей. Гидроциклоны просты по устройству, компактны, легко обслуживаются, высокопроизводительны и дёшевы.

В гидроциклонах открытого типа скорость осаждения более 0,02 м/с, а в напорных меньше 0,02 м/с.

В многоярусных гидроциклонах рабочий объём разделён кони­ческими диафрагмами на несколько ярусов, каждый из которых работает самостоятельно. В них используется принцип тонкос­лойного отстаивания (более полное использование объёма аппа­рата, уменьшение времени пребывания при одинаковой степени очистки).

Рис. Схемы гидроциклонов: а - открытого; б - напорного; 1 -

входная труба; 2 - кольцевой водослив; 3 - отвод очищенной воды; 4 -отвод шлама.

 

 

44

щества сносятся водой и оседают снова). Биологический кругово­рот имеет ряд циклов:

<== предыдущая лекция | следующая лекция ==>
Физико - химические методы очистки сточных вод | Лесные ресурсы
Поделиться с друзьями:


Дата добавления: 2014-01-06; Просмотров: 446; Нарушение авторских прав?; Мы поможем в написании вашей работы!


Нам важно ваше мнение! Был ли полезен опубликованный материал? Да | Нет



studopedia.su - Студопедия (2013 - 2026) год. Все материалы представленные на сайте исключительно с целью ознакомления читателями и не преследуют коммерческих целей или нарушение авторских прав! Последнее добавление




Генерация страницы за: 0.012 сек.