Студопедия

КАТЕГОРИИ:


Архитектура-(3434)Астрономия-(809)Биология-(7483)Биотехнологии-(1457)Военное дело-(14632)Высокие технологии-(1363)География-(913)Геология-(1438)Государство-(451)Демография-(1065)Дом-(47672)Журналистика и СМИ-(912)Изобретательство-(14524)Иностранные языки-(4268)Информатика-(17799)Искусство-(1338)История-(13644)Компьютеры-(11121)Косметика-(55)Кулинария-(373)Культура-(8427)Лингвистика-(374)Литература-(1642)Маркетинг-(23702)Математика-(16968)Машиностроение-(1700)Медицина-(12668)Менеджмент-(24684)Механика-(15423)Науковедение-(506)Образование-(11852)Охрана труда-(3308)Педагогика-(5571)Полиграфия-(1312)Политика-(7869)Право-(5454)Приборостроение-(1369)Программирование-(2801)Производство-(97182)Промышленность-(8706)Психология-(18388)Религия-(3217)Связь-(10668)Сельское хозяйство-(299)Социология-(6455)Спорт-(42831)Строительство-(4793)Торговля-(5050)Транспорт-(2929)Туризм-(1568)Физика-(3942)Философия-(17015)Финансы-(26596)Химия-(22929)Экология-(12095)Экономика-(9961)Электроника-(8441)Электротехника-(4623)Энергетика-(12629)Юриспруденция-(1492)Ядерная техника-(1748)

Генераторы релаксационных колебаний

 

Генераторы электрических колебаний, форма импульсов которых резко отличается от синусоидальной, называются релаксационными генераторами.

Релаксационные генераторы, форма импульсов которых близка к прямоугольной, называются мультивибраторами. Они могут работать в одном из трех режимов:

- автоколебательный (два состояния квазиустойчивого равновесия);

- ждущий (заторможенный) – (одно состояние устойчивого равновесия, другое состояние – квазиустойчивого равновесия);(название «одновибратор» некорректное).

 

- синхронизации (деления частоты)

Генераторы линейно изменяющегося напряжения (ГЛИН):

- автоколебательные;

- ждущие.

ГЛИН – генераторы, у которых передний фронт импульса изменяется линейно до некоторой заданной величины в течение заданного времени, а затем в течении короткого времени амплитуда выходного импульса уменьшается до нуля.

нелинейность

Характеризуются ГЛИН:

- размахом импульса – Um;

- длительностью рабочего хода – tp;

- временем восстановления – tв;

- периодом повторения:

- скоростью рабочего хода (в заданной точке):

- средней скоростью рабочего хода:

Кср=Um/tp;

- коэффициентом нелинейности:

, где Кн и Кк- значения скорости в начале и в конце рабочего хода, соответственно.(Е- от 0,01% до 10%)

- коэффициентом использования напряжения питания:

, где Un – напряжения питания ГЛИН.

Работа ГЛИН в ждущем режиме характеризуется включением формирования рабочего хода с приходом внешнего запускающего импульса.

 

Блокинг-генераторы (БГ).

 

Для формирования мощных импульсов, форма которых близка к колоколообразной форме с малой длительностью и очень большой скважностью применяются блокинг-генераторы (τu – от долей мкс до сотен мкс, скважность Т/ τu – от единиц до десятков тысяч).

Могут работать как в автоколебательном режиме, так и в ждущем.

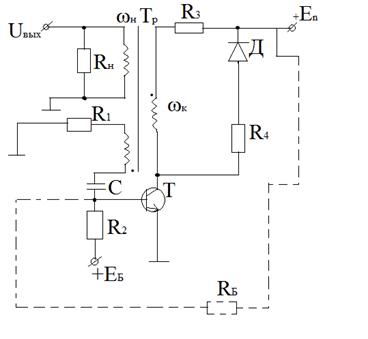
Блокинг-генератор – однокаскадный ключ с сильной положительной обратной связью на основе трансформатора.

Схема БГ для автоколебательного режима.

 

<== предыдущая лекция | следующая лекция ==>
Автогенератор на ОУ с использованием моста Вина | Связями. Автоколебательный режим
Поделиться с друзьями:


Дата добавления: 2014-01-06; Просмотров: 893; Нарушение авторских прав?; Мы поможем в написании вашей работы!


Нам важно ваше мнение! Был ли полезен опубликованный материал? Да | Нет



studopedia.su - Студопедия (2013 - 2026) год. Все материалы представленные на сайте исключительно с целью ознакомления читателями и не преследуют коммерческих целей или нарушение авторских прав! Последнее добавление




Генерация страницы за: 0.015 сек.