Студопедия

КАТЕГОРИИ:


Архитектура-(3434)Астрономия-(809)Биология-(7483)Биотехнологии-(1457)Военное дело-(14632)Высокие технологии-(1363)География-(913)Геология-(1438)Государство-(451)Демография-(1065)Дом-(47672)Журналистика и СМИ-(912)Изобретательство-(14524)Иностранные языки-(4268)Информатика-(17799)Искусство-(1338)История-(13644)Компьютеры-(11121)Косметика-(55)Кулинария-(373)Культура-(8427)Лингвистика-(374)Литература-(1642)Маркетинг-(23702)Математика-(16968)Машиностроение-(1700)Медицина-(12668)Менеджмент-(24684)Механика-(15423)Науковедение-(506)Образование-(11852)Охрана труда-(3308)Педагогика-(5571)Полиграфия-(1312)Политика-(7869)Право-(5454)Приборостроение-(1369)Программирование-(2801)Производство-(97182)Промышленность-(8706)Психология-(18388)Религия-(3217)Связь-(10668)Сельское хозяйство-(299)Социология-(6455)Спорт-(42831)Строительство-(4793)Торговля-(5050)Транспорт-(2929)Туризм-(1568)Физика-(3942)Философия-(17015)Финансы-(26596)Химия-(22929)Экология-(12095)Экономика-(9961)Электроника-(8441)Электротехника-(4623)Энергетика-(12629)Юриспруденция-(1492)Ядерная техника-(1748)

Проектирование КС на ПЛМ

 

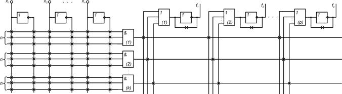
Под ПЛМ понимают конструктивный элемент двухступенчатой структуры, изготавливаемый в виде программируемой БИС. Настройка (программирование) ПЛМ осуществляется пользователем с помощью специального оборудования (программатора) и заключается в устранении некоторых связей посредством фотошаблонов или выжиганием диодных перемычек. Такая ПЛМ называется (,,) - ПЛМ, где n - число входов ПЛМ; p - число выходов ПЛМ, k - число конъюнкций, реализуемых ПЛМ. Входы и выходы ПЛМ называются столбцами, а конъюнкции строками. Рассматриваемая ПЛМ содержит () столбцов и k строк. Число называется площадью ПЛМ.

 

 

ПЛМ можно представить в виде двух матриц. Матрица М1 (матрица И) реализует k возможных конъюнкций от n - переменных, матрица М2 (матрица ИЛИ) реализует возможных дизъюнкций от k - переменных (не более чем от k).

 

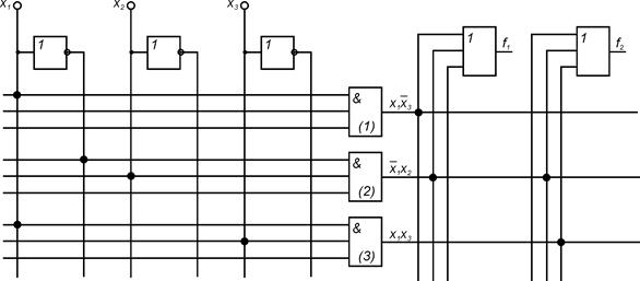
Пусть необходимо реализовать систему функций

;

.

 

 

Электрическая принципиальная схема описывается уравнениями:

;

.

 

 

Функциональная схема реализации системы функций

 

Электрическая схема реализации системы функций

 

Различают две задачи синтеза КС на ПЛМ:

1) заданна система булевых функций. Надо реализовать её на ПЛМ, минимизируя суммарную площадь ПЛМ. Задача решается на БИС, структуру которых определяет заказчик;

2) реализация КС, соответствующей системе булевых функций на минимальном числе ПЛМ с заданными параметрами (,,).

 


Глава 12

Канонический метод структурного синтеза ЦА с памятью

 

Канонический метод структурного синтеза ЦА с памятью позволяет свести задачу структурного синтеза произвольного ЦА с памятью к задаче синтеза комбинационных схем. Этот метод оперирует с элементарными автоматами двух классов: элементарными автоматами с памятью (элементы памяти) и элементарными комбинационными автоматами (логические элементы).

Результатом работы метода являются уравнения булевых функций автомата в канонической форме представления. Исходными данными для начала работы служит абстрактный автомат ЦА с памятью. Канонический метод можно условно разделить на следующие этапы:

1) кодирование;

2) выбор элементов памяти автомата;

3) выбор структурно-полной системы элементов;

4) построение уравнений булевых функций выходов и возбуждения ЦА;

5) построение функциональной схемы ЦА.

 

<== предыдущая лекция | следующая лекция ==>
Проектирование КС на ПЗУ | Кодирование
Поделиться с друзьями:


Дата добавления: 2014-01-06; Просмотров: 332; Нарушение авторских прав?; Мы поможем в написании вашей работы!


Нам важно ваше мнение! Был ли полезен опубликованный материал? Да | Нет



studopedia.su - Студопедия (2013 - 2026) год. Все материалы представленные на сайте исключительно с целью ознакомления читателями и не преследуют коммерческих целей или нарушение авторских прав! Последнее добавление




Генерация страницы за: 0.014 сек.