Студопедия

КАТЕГОРИИ:


Архитектура-(3434)Астрономия-(809)Биология-(7483)Биотехнологии-(1457)Военное дело-(14632)Высокие технологии-(1363)География-(913)Геология-(1438)Государство-(451)Демография-(1065)Дом-(47672)Журналистика и СМИ-(912)Изобретательство-(14524)Иностранные языки-(4268)Информатика-(17799)Искусство-(1338)История-(13644)Компьютеры-(11121)Косметика-(55)Кулинария-(373)Культура-(8427)Лингвистика-(374)Литература-(1642)Маркетинг-(23702)Математика-(16968)Машиностроение-(1700)Медицина-(12668)Менеджмент-(24684)Механика-(15423)Науковедение-(506)Образование-(11852)Охрана труда-(3308)Педагогика-(5571)Полиграфия-(1312)Политика-(7869)Право-(5454)Приборостроение-(1369)Программирование-(2801)Производство-(97182)Промышленность-(8706)Психология-(18388)Религия-(3217)Связь-(10668)Сельское хозяйство-(299)Социология-(6455)Спорт-(42831)Строительство-(4793)Торговля-(5050)Транспорт-(2929)Туризм-(1568)Физика-(3942)Философия-(17015)Финансы-(26596)Химия-(22929)Экология-(12095)Экономика-(9961)Электроника-(8441)Электротехника-(4623)Энергетика-(12629)Юриспруденция-(1492)Ядерная техника-(1748)

Потеря устойчивости внецентренно сжатых стержней

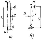
При действии на стержень только продольной силы N, но приложенной к продольной оси с эксцентриситетом , стержень будет внецентренно сжат (a).

Если к стержню приложена осевая сила N и поперечная нагрузка Q, изгибающая стержень, стержень будет сжато-изогнут. (б). Различие в работе внецентренно сжатых и сжато-изогнутых стержней незначительно, поэтому сжато-изогнутые стержни рассматриваются как внецентренно сжатые с эксцентриситетом приложения силы .

При определенных значениях N и M внецентренно сжатые стержни также теряют устойчивость, причем критическая сила N будет меньшей, чем при центральном сжатии, поскольку потере устойчивости способствует изгибающий момент. Изгибающий момент изменяет поведение внецентренно сжатого стержня по сравнению с центрально сжатым. По мере увеличения продольной силы первоначальный прогиб стержня увеличивается, в сечении развиваются пластические деформации и для восприятия увеличивающегося изгибающегося момента необходимо уменьшить продольную силу. Условие устойчивости внецентренно сжатого стержня можно записать так:

,

или в удобной форме сравнения напряжений с расчетным сопротивлением:

,

где – коэффициент понижения напряжения при внецентренном продольном изгибе.

Коэффициент зависит от условной гибкости стержня:

,

и приведенного эксцентриситета ,

где - коэффициент, учитывающий развитие пластических деформаций в стержне при потере устойчивости;

- относительный эксцентриситет,

; -радиус ядра сечения,

- определяются по таблицам, приведенных в нормах проектирования,

- дает завышенные результаты, идущие в запас.

В плоскости, перпендикулярной к плоскости действия момента (в которой нет момента), стержень должен был бы потерять устойчивость как центрально сжатый, однако, из-за развития пластических деформаций по сечению от действия момента рабочая упругая часть сечения уменьшается и стержень может потерять устойчивость досрочно. Поэтому устойчивость внецентренно сжатых стержней в плоскости, перпендикулярной к действию момента, проверяют по формуле:

,

где - коэффициент продольного изгиба при центральном сжатии относительно, оси перпендикулярной к плоскости действия момента;

С – коэффициент, меньше единицы, зависящий от формы сечения, гибкости и относительного эксцентриситета; определяется по указаниям, приведенным в нормах проектирования.

<== предыдущая лекция | следующая лекция ==>
 | Потеря устойчивости изгибаемых элементов. Потеря устойчивости изгибаемого элемента качественно похожа на потерю устойчивости центрально сжатого стержня
Поделиться с друзьями:


Дата добавления: 2014-01-07; Просмотров: 470; Нарушение авторских прав?; Мы поможем в написании вашей работы!


Нам важно ваше мнение! Был ли полезен опубликованный материал? Да | Нет



studopedia.su - Студопедия (2013 - 2026) год. Все материалы представленные на сайте исключительно с целью ознакомления читателями и не преследуют коммерческих целей или нарушение авторских прав! Последнее добавление




Генерация страницы за: 0.009 сек.