Студопедия

КАТЕГОРИИ:


Архитектура-(3434)Астрономия-(809)Биология-(7483)Биотехнологии-(1457)Военное дело-(14632)Высокие технологии-(1363)География-(913)Геология-(1438)Государство-(451)Демография-(1065)Дом-(47672)Журналистика и СМИ-(912)Изобретательство-(14524)Иностранные языки-(4268)Информатика-(17799)Искусство-(1338)История-(13644)Компьютеры-(11121)Косметика-(55)Кулинария-(373)Культура-(8427)Лингвистика-(374)Литература-(1642)Маркетинг-(23702)Математика-(16968)Машиностроение-(1700)Медицина-(12668)Менеджмент-(24684)Механика-(15423)Науковедение-(506)Образование-(11852)Охрана труда-(3308)Педагогика-(5571)Полиграфия-(1312)Политика-(7869)Право-(5454)Приборостроение-(1369)Программирование-(2801)Производство-(97182)Промышленность-(8706)Психология-(18388)Религия-(3217)Связь-(10668)Сельское хозяйство-(299)Социология-(6455)Спорт-(42831)Строительство-(4793)Торговля-(5050)Транспорт-(2929)Туризм-(1568)Физика-(3942)Философия-(17015)Финансы-(26596)Химия-(22929)Экология-(12095)Экономика-(9961)Электроника-(8441)Электротехника-(4623)Энергетика-(12629)Юриспруденция-(1492)Ядерная техника-(1748)

Режим 1. Асинхронный восьмиразрядный последовательный порт

Обнулить флаг передатчика TI ;||+---------Обнулить девятый бит приёмника RB8 ;|+----------Обнулить девятый бит передатчика TB8 ;+-----------Разрешить работу приёмника ;||+------------В синхронном режиме не имеет значения ;++-------------Включить синхронный режим работы последовательного порта ;Так как предыдущая команда обнуляет флаг RI то с этого момента начинается приём байта-------------------------------------------- JNB RI, $;Подождать окончания приёма байта по последовательному порту MOV A, SBUF;и скопировать его в аккумулятор Рисунок 5. Программа считывания одного байта из внешнего регистра по последовательному порту. В настоящее время разработано огромное количество микросхем таких как, например, синтезаторы частоты, микросхемы приёмников, блоков цветности телевизоров, микросхем памяти данных, управление которыми осуществляется по последовательному протоколу. При этом микросхемы обычно реализуют синхронные протоколы обмена SPI или I2C. Последовательный порт микроконтроллеров семейства MCS-51, работающий в нулевом режиме позволяет осуществлять обмен с такими микросхемами при минимальных программно-аппаратных затратах. Справедливости ради необходимо отметить, что в современных микросхемах семейства MCS-51 присутствуют отдельные последовательные порты, работающие по протоколу SPI или I2C. В качестве примера такой микросхемы можно назвать ADuC834 фирмы Analog Devices. В микросхемах с отдельными SPI или I2C портами последовательный порт используется исключительно для связи с универсальным компьютером.

Обнулить флаг приёмника RI ;

|| ;

В первом режиме работы последовательный порт работает в асинхронном режиме. Временная диаграмма передаваемых сигналов через последовательный порт в асинхронном режиме работы показана на рисунке 6. Первый режим работы задаётся записью комбинации 01 в биты SM0 и SM1 регистра SCON. В асинхронном режиме работы информация передается через ножку передатчика последовательного порта микроконтроллера TxD, а принимается через вывод входа приемника RxD, то есть в этом режиме работы последовательный порт работает в дуплексном режиме. Это означает, что передача и приём информации может вестись независимо друг от друга. Скорость передачи в этом режиме настраивается при помощи таймера T1.

Рисунок 6. Временная диаграмма приёма или передачи информации последовательным портом в первом режиме работы.

При работе в асинхронном режиме работы два микроконтроллера могут обмениваться информацией между собой. Такой способ обмена позволяет сократить до минимума количество соединительных проводов между блоками или даже отдельными устройствами. Единственное условие: в отличие от синхронного режима работы, скорости работы последовательных портов должны быть одинаковыми. Обычно используются стандартные скорости передачи, такие как 1200бит/с, 2400 бит/с и т.д. Для таких скоростей передачи обычно используется кварцевый резонатор с частотой 11.0592 МГц. Скорости передачи и коэффициенты, загружаемые в таймер 1, для этих скоростей передачи приведены в таблице 1.

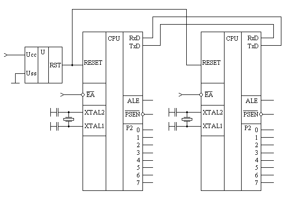
В отличие от нулевого режима работы в первом режиме работы возможен обмен информацией между двумя микроконтроллерами, а не только между микроконтроллером и исполнительными микросхемами. Схема соединения двух микроконтроллеров между собой для обмена информацией приведена на рисунке 7. Таким образом может быть построена простейшая многопроцессорная система.

Рисунок 7. Схема обмена информацией между двумя микроконтроллерами по последовательному порту.

В первом режиме работы, также как и в нулевом для передачи байта через последовательный порт достаточно скопировать его в буфер данных SBUF. Единственное отличие заключается в том, что, кроме настройки регистра SCON, необходимо настроить таймер для задания скорости передачи информации по последовательному порту. При приёме байта по последовательному порту приём начинается только после обнаружения стартового бита.

В качестве примера работы с последовательным портом приведём подпрограмму инициализации последовательного порта для работы в асинхронном режиме на скорости 9600 бит/с. Настройка режима работы последовательного порта в этой программе производится записью двоичной константы в регистр управления SCON. Выбор конкретных значений бит двоичной константы подробно приводится в комментариях к программе.

Так как для последовательного порта требуется таймер, то, кроме настройки последовательного порта, при помощи регистра выбора режима работы таймеров TMOD настраивается таймер T1. Эта настройка тоже производится при помощи записи двоичной константы.

Скорость работы последовательного порта настраивается записью константы 0FDh в старший байт таймера T1.

;*********************************************************************************************************************************

;НАСТРОЙКА ПОСЛЕДОВАТЕЛЬНОГО ПОРТА

;*********************************************************************************************************************************

;Настроить режим работы последовательного порта-----------------------------------------------------------------------------------

mov SCON,#01110000b;настроить последовательный порт на первый режим работы

;

<== предыдущая лекция | следующая лекция ==>
Режим 0. Синхронный последовательный порт | Режим 2. Асинхронный девятиразрядный последовательный порт с фиксированной скоростью передачи
Поделиться с друзьями:


Дата добавления: 2014-01-07; Просмотров: 394; Нарушение авторских прав?; Мы поможем в написании вашей работы!


Нам важно ваше мнение! Был ли полезен опубликованный материал? Да | Нет



studopedia.su - Студопедия (2013 - 2026) год. Все материалы представленные на сайте исключительно с целью ознакомления читателями и не преследуют коммерческих целей или нарушение авторских прав! Последнее добавление




Генерация страницы за: 0.014 сек.