Студопедия

КАТЕГОРИИ:


Архитектура-(3434)Астрономия-(809)Биология-(7483)Биотехнологии-(1457)Военное дело-(14632)Высокие технологии-(1363)География-(913)Геология-(1438)Государство-(451)Демография-(1065)Дом-(47672)Журналистика и СМИ-(912)Изобретательство-(14524)Иностранные языки-(4268)Информатика-(17799)Искусство-(1338)История-(13644)Компьютеры-(11121)Косметика-(55)Кулинария-(373)Культура-(8427)Лингвистика-(374)Литература-(1642)Маркетинг-(23702)Математика-(16968)Машиностроение-(1700)Медицина-(12668)Менеджмент-(24684)Механика-(15423)Науковедение-(506)Образование-(11852)Охрана труда-(3308)Педагогика-(5571)Полиграфия-(1312)Политика-(7869)Право-(5454)Приборостроение-(1369)Программирование-(2801)Производство-(97182)Промышленность-(8706)Психология-(18388)Религия-(3217)Связь-(10668)Сельское хозяйство-(299)Социология-(6455)Спорт-(42831)Строительство-(4793)Торговля-(5050)Транспорт-(2929)Туризм-(1568)Физика-(3942)Философия-(17015)Финансы-(26596)Химия-(22929)Экология-(12095)Экономика-(9961)Электроника-(8441)Электротехника-(4623)Энергетика-(12629)Юриспруденция-(1492)Ядерная техника-(1748)

Похибка базування

Похибкою базування заготовки називають зміщеня заготовки від її потрібного (очікуваного) положення у пристрої відносно інструмента. Похибка базування виникає тоді, коли під час обробки вимірювальна і технологічна бази заготовки не співпадають. Можна сказати, що похибка базування це поле розсіювання розмірів у напрямку виконуваного розміру між технологічною(установочною) і вимірювальною базами. При співпаданні баз похибка дорівнює 0. Це видно з такого прикладу:

В цьому випадку

(фреза настроєна правильно на розмір „h”).

 

 

Рис 6.

 

ІІ – поверхня, що обробляється; І – база технологічна (вона ж являється базою вимірювальною).

 

У цьому випадку похибка базування матиме місце, тому що установочна база (І) не співпадає з вимірювальною базою(ІІ).

 

 

Рис 7.

 

Обчислення похибки базування можна здійснювати, використовуючи формули, що наведені в довідниковій літературі (СТМ, том 2; Довідник „Станочные приспособления” під редакцією Б.Н.Вардашкіна) або шляхом самостійного доведення, спираючись на безперечні докази з виконанням певних графічних зображень заготовки.

 

Тема 3. Корпуси пристроїв

Корпуси є основними елементами пристроїв. Це найбільш відповідальний, найбільш метало та трудомісткий елемент пристрою, що призначений для розташування на ньому решти елементів пристрою, а також для того, щоб прикріпити пристрій до столу верстату.

Враховуючи призначення та умови експлуатації корпусів вони повинні відповідати таким вимогам:

· міцність, жорсткість і вібростійкість;

· мінімальна метало та трудомісткість;

· зносостійкість;

· зручність у транспортуванні;

· легкість стікання охолоджуючої рідини та зсуву стружки.

Матеріал для виготовлення корпусів:

· чавуни сч35, сч18;

· сталі 35Л, Ст.3, конструкційні мало-вуглецеві сталі сталь 20, сталь 15

· алюмінієві сплави.

За конструкцією корпуси можуть бути виготовленими, як один суцільний виріб або шляхом зварювання чи складання.

 

За технологією корпуси можна отримати:

· литвом;

· ковкою;

· зварюванням;

· складанням;

· механічною обробкою.

Кріплення корпусів до столів верстатів здійснюється через провушини в корпусі за допомогою спецболтів.

 

Рис.8

 

Болт для кріплення пристроїв до столів верстатів

Рис. 9

 

Розміри: в=14...85мм; d=M8…M48 ГОСТ 13152-67

Матеріал виготовлення Сталь 45, HRC 40.

 

Для орієнтації пристроїв на столах верстатів служать шпонки:

· призматичні за ГОСТ 14737-69;

· круглі (сухарі) за ГОСТ 12213-66.

Круглі шпонки запресовуються в корпус, призматичні прикручуються. Для прискорення складання корпусів служать стандартні елементи: плити, коробки, кутники, швелери, ребра та ін. за ГОСТ 12947-67.

Тема 4. Установочні елементи пристроїв

 

План

1. Призначення установочних елементів.

2. Класифікація установочних елементів;

3. Конструкції постійних установочних елементів;

 

1. Призначення установочних елементів

Призначення установочних елементів(далі У.Е.).

Установочні елементи призначенні для базування заготовок.

До установочних елементів висуваються такі технічні вимоги:

· забезпечення стійкого положення заготовки, яке вона отримала при базуванні;

· зносостійкість;

· дешевизна;

· У.Е. повинні бути змінними;

· У.Е. повинні бути точними і забезпечувати необхідну точність базування.

Матеріалами для виготовлення У.Е. є сталь 20Х. Крім цього використовуються сталі У7, У8, У7А, У8А, сталь 45.

 

2. Класифікація установочних елементів

Класифікація стандартних У.Е.

Основні Допоміжні Для установки на площину Для установки зовнішніми циліндричними поверхнями Для установки внутрішніми циліндричними поверхнями Для установки в центрових гніздах
Постійні Регульовані Такі, що самостійно встановлюються Такі, що треба встановлювати Пластини Шайби Штирі Призми Втулки Пальці Оправки Центри
                       

 

3. Конструкції постійних установочних елементів

Конструкція постійних У.Е.

Штирі з плоскою головкою (див. Рис 10) призначені для невеликих за розмірами заготовок при базуванні по чисто обробленій плоскій поверхні. Допускають тиск на одну опору від ваги заготовки до 40 Мапа. Матеріал виготовлення: – У7А; – сталь 20Х.

Загартовуються до HRC 56-61. запресовуються в корпус з наскрізними отворами або в проміжкові втулки за посадкою або . Втулка запресовується по . Н виконується по h6 або з припуском 0,2-0,3мм.

Рис 10.  
РозміриГОСТ13440-68.

 

Приклад позначення на кресленнях опори з припуском:

Опора 7034-0261 h6 ГОСТ13440-68.

Без припуску: Опора 7034-1261 ГОСТ 13440-68.

 

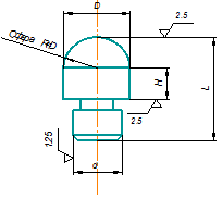
Штирі з сферичною головкою.

 

 

ГОСТ 13441-68.

 

 

Рис 11.

 

Ці опори використовуються для установки невеликих деталей необробленими плоскими поверхнями. Розміри D, L, H, d –такі, як для штирів з плоскою головкою. Найбільше навантаження на опору:

- при обробці стальних деталей – 2кН при D=10мм;5кН при D=16мм; 12кН при D=25мм; 30кН при D=40мм.

При обробці заготовок з кольорових металів та сплавів найбільше навантаження зменшується на 40%.

Матеріал, твердість та спряження в корпусі – такі ж як для штирів з плоскою головкою.

Приклад позначення: Опора 7034-0311 ГОСТ 13441-68.

 

Штирі з рифленою поверхнею головки.

 

Рис 12

 

Штирі з рифленою головкою використовуються для установки невеликих деталей необробленими плоскими поверхнями. Допустиме навантаження в 2 рази більше ніж на опору с сферичною головкою. Матеріал виготовлення - сталь 45.

Технічні вимоги –HRC 41...46.

Розміри: D=10...40мм;d=6...25мм;H=6...60мм; L=14...92мм.

Умовне позначення: Опора 7034-0361 ГОСТ 13442-68.

 

Опорні шайби.

ГОСТ 1778-72. H=5…16мм; D=16…40мм; d=3.4-9мм. Служать для базування чисто обробленої поверхні. Підлягають цементації і гартуванню до HRC56...61. виготовляються зі Сталі 20Х.

Р може бути по h6 або з припуском 0,2-0,3мм.

Приклади позначення шайби: Шайба 7034-0571 h6 ГОСТ 17778-82; Шайба 7034-0571 ГОСТ 17778-82. Рис. 13.

Опорні пластини.

ГОСТ 4743-68.

Рис. 14.

 

Пластини опорні служать для середніх та великогабаритних деталей обробленими плоскими поверхнями. Застосовуються як бокові та верхні опори.

Допустимий тиск на опору 40Мпа. Матеріал виготовлення

 

ТЕМА 5. Затискні елементи пристроїв

План

1. Призначення затискних елементів, їх класифікація.

2. Поняття про самогальмування.

3. Будова, принцип дії найбільш поширених затискних механізмів. Формули для розрахунку сили затиску.

 

1. Призначення затискних елементів, їх класифікація

Затискні механізми (ЗМ) за своїм призначенням використовуються для фіксації того положення заготовки котре вона отримала при базуванні.

ЗМ можуть бути:

· Прості;

· Комбіновані;

· Механізовані;

До простих (елементарних) належать клинові, гвинтові, ексцентрикові, важільні.

До комбінованих відносять такі, котрі складаються з 2 і більше елементарних, або елементарних в комбінації з механізованими.

До механізованих ЗМ відносять такі механізми, котрі працюють без використання фізичної сили робочих. Такі ЗМ називають приводами (гідро, пнемо, магнітні, електромагнітні).

 

<== предыдущая лекция | следующая лекция ==>
Поняття про базування. Правило 6 точок | Поняття про самогальмування
Поделиться с друзьями:


Дата добавления: 2014-01-07; Просмотров: 2392; Нарушение авторских прав?; Мы поможем в написании вашей работы!


Нам важно ваше мнение! Был ли полезен опубликованный материал? Да | Нет



studopedia.su - Студопедия (2013 - 2026) год. Все материалы представленные на сайте исключительно с целью ознакомления читателями и не преследуют коммерческих целей или нарушение авторских прав! Последнее добавление




Генерация страницы за: 0.014 сек.