Студопедия

КАТЕГОРИИ:


Архитектура-(3434)Астрономия-(809)Биология-(7483)Биотехнологии-(1457)Военное дело-(14632)Высокие технологии-(1363)География-(913)Геология-(1438)Государство-(451)Демография-(1065)Дом-(47672)Журналистика и СМИ-(912)Изобретательство-(14524)Иностранные языки-(4268)Информатика-(17799)Искусство-(1338)История-(13644)Компьютеры-(11121)Косметика-(55)Кулинария-(373)Культура-(8427)Лингвистика-(374)Литература-(1642)Маркетинг-(23702)Математика-(16968)Машиностроение-(1700)Медицина-(12668)Менеджмент-(24684)Механика-(15423)Науковедение-(506)Образование-(11852)Охрана труда-(3308)Педагогика-(5571)Полиграфия-(1312)Политика-(7869)Право-(5454)Приборостроение-(1369)Программирование-(2801)Производство-(97182)Промышленность-(8706)Психология-(18388)Религия-(3217)Связь-(10668)Сельское хозяйство-(299)Социология-(6455)Спорт-(42831)Строительство-(4793)Торговля-(5050)Транспорт-(2929)Туризм-(1568)Физика-(3942)Философия-(17015)Финансы-(26596)Химия-(22929)Экология-(12095)Экономика-(9961)Электроника-(8441)Электротехника-(4623)Энергетика-(12629)Юриспруденция-(1492)Ядерная техника-(1748)

Діоди Шоттки

Діод Шоттки - це напівпровідниковий діод, випрямні властивості якого засновані на взаємодії металу і збідненого шару напівпровідника.

Для створення діодів Шоттки (ДШ) і користується перехід метал-напівпровідник. Робота цих діодів заснована на перенесенні основних носіїв заряду і характеризується високою швидкодією. Оскільки в них відсутнє характерне для р-п переходів накопичення неосновних носіїв заряду, ДШ використовують як елементи інтегральних мікросхем, а також як дискретні прилади. Малопотужні ДШ виготовляються на основі кремнію і арсеніду галію п-типа і призначаються для перетворення сигналу СВЧ-диапазону (випрямляння, змішання частот, модуляція) і для імпульсних пристроїв. Силові (могутні) ДШ для силової напівпровідникової електроніки виготовляються на основі кремнію п - типа, мають робочі струми до декількох стільників ампер, виключно висока швидкодія (в порівнянні з діодами на основі р-п переходів ), але низькі робочі напруги, що не перевищують декількох десятків вольт.

Зворотні струми ДШ на 3-4 порядки більше зворотних струмів діодів з р-п переходом, а прямі напруги для ДШ значно нижче.

В даний час силові ДШ найбільш ефективні як низьковольтні швидко дійні діоди на великі струми.

 

 

Тема 3. Випрямляючи та ПЕРЕТВОРЮВАЧІ пристрої

 

Випрямлячі. Випрямлячем називають пристрій, призначений для перетворення змінного струму в постійний струм. Звичайно випрямляч складається з трьох основних вузлів: трансформатора, вентильного блоку і згладжуючого фільтру, призначеного для зменшення (згладжування) пульсацій випрямленої напруги (струму).

Залежно від схеми побудови випрямлячів їх розділяють на однотактні двотактні, а також на однофазні і багатофазні. У однотактних схемах струм у вторинній обмотці трансформатора \протікає протягом періоду змінної напруги тільки в одному напрямі, в двотактних - в двох напрямах. Окрім цього, існують регульовані і нерегульовані випрямлячі. До нерегульованих відносяться випрямлячі, виконані на некерованих вентилях або напівпровідникових діодах. Регульовані випрямлячі виконуються на базі керованих вентилів (тиратронів, тиристорів). Міняючи кут включення керованих вентилів, можна регулювати середнє значення вихідної напруги.

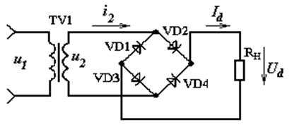
На рис. 3.1. показана схема однофазного мостового випрямляча, а на рис.3.2. представлені тимчасові діаграми струмів і напруг цієї схеми.

Рис.3.1.

Протягом позитивного напівперіоду вторинної напруги струм проводять вентилі VD2 і VD3, а в негативний напівперіод – відповідно вентилі VD1 і VD4. В результаті цього струм в навантаженні протікає протягом двох напівперіодів в одному напрямку і має форму, зображену на рис.3.2.

Основні характеристики двопівперіодного випрямляча визначатимуться наступними виразами:

Середнє значення струму, що протікає через вентилі :

,

де Т – тривалість періоду змінної напруги;

I2 m ,U2m - відповідно амплітудне значення струму і напруги на вході випрямляча;

i2 - поточне значення вхідного струму;

– опір навантаження..

Рис.3.2..

Середнє значення струму навантаження Id визначається виразом:

Розклавши криву випрямленої напруги в тригонометричний ряд можна одержати вираз середнього значення напруги на навантаженні Ud і коефіцієнта пульсацій Кп:

де m- число пульсацій на періоді вхідної змінної напруги, яке залежить від схеми випрямляча:

для двопівперіодної схеми m = 2;

для трифазної схеми з середньою точкою m =3;

для трифазної мостової схеми m = 6.

Для даної схеми m = 2, тому середнє значення напруги на навантаженні рівне:

,

де - діюче значення вхідної напруги.

Амплітуда к-ої гармоніки випрямленої напруги визначається виразом:

Враховуючи, що період складає, то коефіцієнт пульсацій к-ой гармоніки визначатиметься виразом:

На практиці враховують, в основному, тільки першу гармоніку. Коефіцієнт пульсацій 1-ой гармоніки випрямленої напруги при m =2; 3; 6; відповідно матиме значення: Кп1 = 0,67; 0,25; 0,057.

Максимальне значення зворотної напруги, що прикладається до вентилів :

Потужність постійного струму :

Потужність навантаження:

 

Коефіцієнт корисної дії:

Фільтри. Для зменшення змінної складової напруги в навантаженні на виході випрямляча встановлюють згладжуючи фільтри. При цьому ефективність фільтру оцінюється по величині його коефіцієнта згладжування. Під коефіцієнтом згладжування фільтру по 1ой гармоніці прийнято рахувати відношення коефіцієнта пульсацій на вході фільтру К1п(1) до коефіцієнта пульсацій на його виході Кп(1):

 

,

де - коефіцієнт фільтрації, який показує, в скільки разів зменшується амплітуда основної гармоніки на виході фільтру в порівнянні з амплітудою основної гармоніки в разі відсутності фільтру. В результаті одержуємо:

Ємнісний фільтр (рис.3.3.) використовується, переважно, в малопотужних випрямлячах при струмах навантаження не перевищуючих 1.5–2.0 А. Розрахунок ємнісного фільтру ведеться з умови, що змінна складова струму вентиля рівна струму конденсатора, а постійна складова – струму навантаження.

Рис.3.3.

При цьому величина ємності конденсатора, що забезпечує дану умову, визначається виразом:

,

де Rн – опір навантаження;

Для двопівперіодної схеми відповідно одержуємо:

На рис.3.4. зображена схема індуктивного L-фильтра.

Рис.3.4.

Робота L- фільтра заснована на тому, що опір індуктивності постійному струму рівний нулю, а змінному - пропорційно значенню індуктивності і частоті змінної складової. Послідовно сполучені індуктивність фільтру і опір навантаження утворюють дільника напруги. Вся постійна складова випрямленої напруги падає на навантаженні, а велика частина змінної складової - на індуктивності, тому пульсації напруги на навантаженні значно знижуються. Необхідна величина індуктивності визначається відповідно до виразу:

 

Для схеми, зображеної на рис.2.3. mп = 2, тому значення L знаходиться з виразу:

Із зменшенням опору навантаження ефективність фільтру місткості зменшується. Тому при струмі навантаження понад 1,5-2.0 А (для зменшення змінної складової вихідної напруги випрямляча) використовуються складніші фільтри, наприклад, LC індуктивно-ємнісні фільтри (рис.3.5.).

 

Рис.3.5.

Розрахунок LC – фільтру виконують виходячи з умов безперервності струму в дроселі. Вказаний режим досягається в тому випадку, якщо виконується умова:

 

,

після чого визначається величина ємності з умови:

У П - подібному фільтрі, що використовується у випрямлячах малої потужності, перша ланка починається з ємності, а потім включається Г-подібний LC (рис.3.6.),

Рис.3.6.

або RC фільтр (рис.3.7.).

 

Рис.3.7.

Коефіцієнт фільтрація багатоланкового фільтру визначається добутком коефіцієнтів фільтрації окремих ланок:

де - коефіцієнт фільтрації З – фільтру;

- коефіцієнт фільтрації другої Г-подібної ланки.

При відомих значеннях коефіцієнтів пульсацій на вході і на виході фільтру спочатку розраховують коефіцієнт фільтрації всього фільтру. Потім розраховується величина першої ємності С1 виходячи з того, коефіцієнт пульсацій на вході другої ланки повинен орієнтовно знаходитися в межах: . Після цього розраховують величину L дроселя або активний опір Rф другої ланки. Причому L визначають з умови безперервності струму в дроселі, а величину Rф вибирають з умови:

У багатоланкових фільтрах питання про вибір числа ланок треба вирішувати з економічної точки зору, щоб вартість фільтру була якнайменшою. Виходячи з цього, при Кф>50 доцільно застосовувати 2-ланкові фільтри, а при Кф>220 – три ланкові фільтри.

 

Тема 4. Біполярні транзистори

Біполярний транзистор - це напівпровідниковий прилад, що складається з трьох областей, в яких тип провідності чергується, призначений для посилення потужності.

Термін "біполярний" характеризує наявність в транзисторі двох типів носіїв зарядів: дірок і електронів. Транзистор містить три зони. Середню область називають базою, крайні - емітером і колектором. База є електродом, за допомогою якого можна регулювати струм через транзистор і, управляючи потужністю зовнішнього джерела напруги, усилювати електричні сигнали. Існує термінологія, відповідно до якої емітером називають область транзистора, що служить для інжекції носіїв заряду в базу. Колектором називається область, призначена для екстракції носіїв заряду з бази, а базою є область, в яку інжектуются емітером неосновні для цієї області носії заряду. Залежно від чергування провідності в областях (n і р) розрізняють транзистори р-п-р і п-р-п типів. Принцип роботи цих двох типів транзисторів аналогічний.

Якщо напругу в ланцюзі емітера змінювати в часі, то по цьому ж закону змінюватимуться всі струми транзистора, а отже, і напруга на опорі в ланцюзі колектора. Потужність вихідного сигналу може у багато разів перевищувати потужність вхідного.

Для величин, що відносяться до бази, емітера і колектора, застосовують як індекси букви «б», «е» і «к». Струми в ланцюгах бази, емітера і колектора позначають відповідно i б, i е, iк. Напруги між електродами позначають подвійними індексами: uбе, uкб, uке.

Для оцінки роботи транзистора в тій або іншій схемі використовуються, так звані, характеристичні параметри, що відображають залежність зміни струмів і напруг на вході і виході схеми. До основних характеристичних параметрів транзистора відносяться:

вхідний опір:

;

вихідний опір:

коефіцієнт посилення по струму:

коефіцієнт посилення по напрузі:

коефіцієнт посилення по потужності:

Значення характеристичних параметрів залежать від схеми включення транзистора. Існує три схеми включення транзисторів: із спільною базою (СБ), із спільним емітером (СЕ) і із спільним колектором (СК).

Для вказаних схем включення транзисторів характеристичні параметри в значній мірі відрізняються.

Схеми „ СБ”, представлені на рис.4.1. для р-n-p (рис.4.1, а) і n-p-n (рис.4.1, б) забезпечують велике підсилення напруги і потужності, але мають коефіцієнт підсилення струму менший за одиницю. Вхідний опір Rвх в таких схемах дуже малий, а вихідний Rвих - великий.

а) б)

Рис.4.1.

У даних схемах:

,

де - коефіцієнт передачі струму емітера;

- відповідно струм колектора і струм емітера; Схеми „ СЕ” (рис.4.2, а,б) забезпечують велике посилення струму, напруги і потужності.

а) б)

Рис.4.2.

При цьому Rвх відносно невеликий і залежить від опору навантаження, а Rвих достатньо великий.

,

де - динамічний коефіцієнт передачі струму бази.

 

Схеми „ СК” (рис.4.3, а,б) забезпечують посилення струму і потужності, але коефіцієнт посилення напруги в таких схемах менший за одиницю.

а) б)

Рис.4.3.

Вхідний опір в таких схемах дуже великий, а вихідний опір Rвих малий.

.

Для аналізу електричних кіл, які містять транзистори, використовуються різні еквівалентні схеми. Найпоширенішою є еквівалентна схема біполярного транзистора в h – параметрах, яка відображає залежність вихідного струму і вхідної напруги від його вхідного струму і вихідної напруги . Дана залежність визначається системою рівнянь:

Дана система рівнянь може бути конкретизована залежно від схеми включення. Так для n-p-n транзистора, включеного по схемі „ СЕ”, одержуємо:

Коефіцієнти, представлені в даному рівнянні визначаються експериментально за допомогою дослідів короткого замикання на виході і зворотного холостого ходу на вході транзистора. При короткому замиканні одержуємо:

вхідний опір h11 э

,

значення якого знаходиться в межах від сотень Ом до декількох кОм,

і коефіцієнт посилення струму h21 Е:

,

величина якого знаходиться в межах від декількох десятків до декількох сотень Ом.

 

При зворотному холостому ходу коефіцієнт зворотного зв'язку:

а вихідна провідність h22 Е:

рівна звичайно десятим і навіть сотим часткам мілісименса.

Для кожного транзистора можуть бути одержані сімейства статичних вихідних і вхідних характеристик.

Вихідні характеристики транзисторапри показані на рис.4.4, а.

Вхідні характеристики транзистора, включеного по схемі „СЕ” (рис. 4.4, б) є характеристиками діода в прямому напрямі. При збільшенні Uкэ ці характеристики зміщуються управо. Для наближеного обчислення коефіцієнта посилення по струму β для деякої точці М характеристики, необхідно в околиці цієї точки виділити ще дві точки (наприклад, С і D), для яких відомі значення колекторного і базового струмів. Тоді величина β визначається як:

 

а) б)

Рис.4.4.

Так само визначається наближене значення вхідного опору транзистора Rвх по його вхідних характеристиках. Вибравши в околиці точки N, в якій визначається величина Rвх, деякі крапки (наприклад, А і В), для яких відомі значення напруги Uвх і струму Iб, одержуємо:

 

Тема 5. Польові транзистори

Польовий транзистор — напівпровідниковий прилад, підсилювальні властивості якого, обумовлені потоком основних носіїв, що протікає через провідний канал, і керованим електричним полем.

Польовий транзистор на відміну від біполярного іноді називають уніполярним, оскільки його робота заснована на використанні тільки основних носіїв заряду — або електронів, або дірок. Тому в польових транзисторах відсутні процеси зміни (накопичення і розсмоктування) об'ємного заряду неосновних носіїв, що роблять помітний вплив на швидкодію біполярних транзисторів. Основним способом руху носіїв заряду, що створюють струм польового транзистора, є їх дрейф в електричному полі. Провідний простір, в якому створюється робочий струм польового транзистора, називають каналом..

Польовий транзистор — напівпровідниковий підсилювальний прилад, яким управляє не струм (як біполярним транзистором), а напруга (електричне поле, звідси і назва — польовий), що здійснює зміну площі поперечного перетину провідного каналу, в результаті змінюється вихідний струм транзистора. Управління ж електричним полем припускає відсутність статичного вхідного струму, що дозволяє зменшити потужність, потрібну для управління транзистором.

Умовні позначення польових транзисторів наведені на рис.1.

Металевий електрод, що створює ефект поля, називають затвором (3), два інші електроди: витоком (И) і стоком (С). Витік і стік у принципі обрати мі. Витоком служить той з них, з якого при відповідній полярності напруги між витоком і стоком в канал поступають основні носії заряду, а стоком — той, через який ці носії йдуть з каналу. Залежно від того, який з висновків є загальним для входу і виходу, розрізняють три схеми включення польового транзистора: із спільним витоком (ОИ), із спільним затвором (ОЗ) і спільним стоком (ОС). Найбільше розповсюдження на практиці знайшла схема з ОИ.

Принцип роботи польового транзистора. У польовому транзисторі
з об'ємним каналом площа поперечного перетину каналу міняється за рахунок зміни площі збідненого об’єму назад включеного р-n-переходу. На.
При її аналізі всі напруги розглядатимемо з урахуванням їх знаків.

Для польових транзисторів вхідна характеристика (залежність від и при фіксованому значенні Uси) не має практичного застосування і при розрахунках використовують тільки передавальні і вихідні ВАХ. На рис. 5.1. приведені вихідні і передавальні характеристики польового транзистора з р-n переходом, що управляє, для схеми включення з ОИ. Ці характеристики, подібно до характеристик біполярного транзистора, мають нелінійний характер, а, отже, польовий транзистор, як і біполярний, є керованим нелінійним елементом ланцюга. Проте при порівнянні їх вихідних характеристик очевидні істотні відмінності.

Рис. 5.1.. Статичні вольт-амперні характеристики польових транзисторів з р-n-переходом, що управляє (схема ОИ):

а — вихідні; б — передавальні

 

На початковій ділянці зміни вихідної напруги польового транзистора крутизна його ВАХ із зміною вхідного сигналу не залишається постійною, як у разі біполярного транзистора. Як видно з рис. 5.1,а із зменшенням Uзи крутизна ВАХ зменшується, а отже, зростає вихідний опір транзистора. Це указує на залежність вихідного опору польового транзистора від напруги, що управляє, на цій ділянці ВАХ.

Зміна вихідного струму витоку польового транзистора при зміні Uси відбувається до певного значення вихідної напруги, рівного напрузі насичення Uсинас (проекція на вісь абсцис точки перетину штрихової кривої ОА з відповідною ВАХ транзистора). Ця напруга рівне Uсинас = Uзи — Uзиотс, де Uзиотс — напруга, що управляє, при якому Iс = 0 (режим відсічення), а Uзи —напруга що управляє, відповідна такою, що розглядається ВАХ транзистора.

При подальшому зростанні вихідної напруги струм Iс залишається незмінним аж до пробивної напруги Uси проб.

Фізику процесів, що відбуваються при цьому, в польовому транзисторі можна пояснити таким чином.

Як вже наголошувалося, при вхідній напрузі Uзи =Uзиотс відповідному зворотній напрузі на p-n-переході (затвор — витік), при якому струмопровідний канал транзистора буде повністю перекритий, вихідний струм Iс транзистора буде рівний нулю (див. рис. 5.1,6).

З порівняння приведених на рис. 5.1 ВАХ видно, що полярності керуючого і вихідного напруг польового транзистора з p-n-переходом, що управляє, не співпадають.

МДП транзистори.

Реальна структура МДП-транзистора з каналом n-типу має наступний вигляд. Металевий затвор ізольований від напівпровідникової підкладки об’ємом діелектрика (звідси еквівалентна назва МДП-транзистора — польовий транзистор з ізольованим затвором). Хай напруга на затворі відсутня. Якщо між стоком н витоком підвести напругу вказаної полярності, то при нульовому потенціалі на затворі на шляху від витоку до стоку опиняться, два стрічно включені р-n-переходи. Тому струмопровідний перетин каналу володітиме великим опором, а вихідний струм стоку виявиться нікчемно малий (приблизно рівний зворотному струму р-п- переходів). Якщо подати на затвор негативну напругу, то поверхневий прошарок підкладки р-типу, прилеглий до металізованої пластини затвора, збагатиться дірками і значення струму практично не зміниться. Якщо ж прикласти до затвора невелику позитивну напругу U зи і поступово її підвищувати, то дірки під дією поля, створюваного позитивною напругою затвора, йтимуть з поверхневого прошарку углиб підкладки, а електрони — притягуватися, утворюючи збагачений електронами поверхневий прошарок підкладки, що примикає до пластини затвора.

Кількість цих електронів значно менша, ніж в областях підкладки п+-типа, що примикають до витоку і стоку. Проте цієї кількості електронів по відношенню до основних носіїв заряду для р-області стає достатнім (у міру зростання позитивної напруги на затворі) для утворення прошарку протилежної провідності по відношенню до підкладки р-типу — інверсного прошарку (прошарок n-типу). Цей інверсний прошарок і є струмопровідним каналом n-типу, що замикає дві інші n+-области підкладки, що примикають до витоку і стоку. Такий канал називається індукованим, тобто наведеним полем затвора. Таким чином, індуковані канали відсутні в рівноважному стані і утворюються під дією зовнішньої напруги певної полярності і певного значення. Напруга на затворі, при якому виникає токопровідний канал, називається пороговою. Якщо вибрати підкладку n-типу, а області витоку і стоку зробити р-типа, то вийде МДП-транзистор з індукованим каналом.

Передавальні і вихідні ВАХ для МДП-транзистора при включенні з ОИ приведені на рис. 5.2.

 

Рис.5.2.

 

При цьому вихідні характеристики приведені тільки для індукованого каналу n-типу. Вихідні характеристики МДП-транзисторів з індукованим каналом р-типу будуть розташовані в III квадранті, симетрично приведеним на рис. 5.2,6. З перехідних характеристик на рис. 5.2,6, видно, що, по-перше, полярності вхідної і вихідної напруг завжди співпадають і, по-друге, збільшення Uзи веде до збільшення Iс.

1 Якщо концентрації основних носіїв заряду в- контактуємих напівпровідникових областях різко відрізняються (на два порядки і більш), то область з більшою концентрацією наголошується символом <+ >.

 

У МДП-транзисторах з вбудованим каналом у поверхні напівпровідника під затвором (при нульовій напрузі на затворі щодо витоку) існує інверсний шар — провідний (вбудований) канал. Цей канал практично реалізують у вигляді тонкого приповерхностного шару за допомогою іонного легування. МДП-транзистори з вбудованим каналом можуть працювати при обох полярностях напруги на затворі. Передавальні і вихідні ВАХ даного транзистора, включеного по схемі з ОИ, показані на рис. 5.3.

Рис. 5.3. Передавальні (а) і вихідні (б) ВАХ МДП-транзистора з вбудованим n-каналом

З аналізу цих характеристик видно, що за відсутності напруги, що управляє, коли Uзи =0, значення вихідного струму транзистора Iс відмінно від нуля і рівно деякому значенню, яке називають початковим струмом стоку..

При значеннях вихідного струму Iс < Iснач полярності вхідної і вихідної напруг протилежні, а при Iс > Iснач їх полярності співпадають. При будь-якому значенні напруги, що управляє, більшому його значення, відповідного режиму відсічення.

Основними параметрами, що характеризують польовий транзистор як нелінійний елемент, є:

коефіцієнт посилення по напрузі

при

крутизна (визначається по передавальній характеристиці)

при

диференціальний вихідний (внутрішнє Ri) опір

при

диференціальний опір ділянки затворстік

Цей опір враховує зворотний зв'язок між виходом і входом польового транзистора.

Вхідний опір польового транзистора дуже великий (декілька мегаОм), оскільки значення струму затвора Iз дуже мало.

Значення параметра Ri визначають при роботі транзистора в режимі насичення як котангенс кута нахилу вихідної характеристики. Оскільки для польових транзисторів режиму насичення відповідає полога частина вихідної характеристики, то в робочій області цей кут малий і, отже, внутрішній опір виявляється достатньо великим (сотні килоОм).

Крутизна s передавальної характеристики відображає ступінь впливу вхідної напруги на вихідний струм, тобто ефективність дії затвора, що управляє, і складає 1... 5 мА/В. Перші три параметри зв'язані співвідношенням.

Температурна залежність характеристик польових транзисторів. Раніше було відмічено, що підсилювальні властивості польових транзисторів (ПТ) пов'язані з процесом переміщення основних для напівпровідника носіїв заряду, тобто струм ПТ визначається концентрацією основних носіїв. Проте відомо, що концентрація основних носіїв в напівпровіднику майже не залежить від температури. Тому і властивості ПТ слабо змінюються із зміною температури.

Основними параметрами ПТ, залежними від температури, є: напруга відсічення і порогова напруга.

На рис. 5.4. приведені перехідні характеристики ПТ з р-n переходом, що управляє, і ізольованим затвором. З приведених характеристик виходить, що для будь-якого типу ПТ існує таке значення струму стоку, при якому його величина не залежить від температури.

Це пояснюється дією в цьому приладі двох протилежних механізмів. Так, для польового транзистора з p-n-переходом, що управляє, при підвищенні температури навколишнього середовища росте власний опір напівпровідникового матеріалу, що приводить як до безпосереднього зменшення струму стоку, так і до додаткового підзамикання р-n-переходу із-за наявності складової падіння напруги на каналі.

 

 

Вказані причини при збільшенні температури ведуть до зменшення струму стоку. Цей ефект особливо сильно виявляється при великих струмах стоку. Проте збільшення температури веде до зменшення товщини р-n-переходу, що розширює канал. Останнє викликає збільшення струму стоку, що особливо помітно при малих його значеннях. Тому при деяких значеннях струму стоку обидва чинники; компенсують один одного і величина струму стоку не залежить від зміни температури.

 

 

Рис. 5.4. Залежність передавальних характеристик польового транзистора від температури

 

 

Для МДП-транзистора із збільшенням температури також характерний зменшення струму стоку, що пояснюється зростанням власного опору напівпровідника. В той же час збільшення температури веде до збільшення числа пар електрон-дірка в каналі, т. е. до збільшення концентрації, носіїв заряду. Природно, це викликає зростання струму стоку, особливо при невеликих його власних значеннях. Отже, і в МДП-транзисторі існують дві протилежні тенденції, ступінь, прояви яких залежить від абсолютної величини струму стоку. Слідством цього є наявність на передавальній характеристиці приладу крапки, для якої струм стоку не залежить від зміни температури навколишнього середовища.

 

Тема 6. ПідсилювачІ електричних сигналів

Підсилювачами називаються пристрої, призначені для підсилення вхідного електричного сигналу по напрузі, струму або потужності за рахунок перетворення енергія джерела живлення в енергію вихідного сигналу. При цьому для підсилення електричного сигналу з мінімальними спотвореннями використовується режим роботи в класі А. Даний режим в схемі (рис.6.1.)

забезпечується за допомогою резисторів Rб1 і Rб2. За допомогою резистора Rк задається режим роботи колекторного ланцюга транзистора по постійному струму. Резистор Rе забезпечує негативний зворотний зв'язок по постійному струму і призначений для термостабілізації робочої точки транзистора. Конденсатор Се шунтує резистор Rе забезпечуючи високий коефіцієнт посилення по змінному струму. Конденсатори Свх і Свих служать для виділення змінної складової вхідного і вихідного сигналів.

На рис.6.1. наведена схема підсилювача на біполярному транзисторі, що включений за схемою з загальним емітером.

Рис.6.1.

 

Принцип роботи транзисторного підсилювача полягає у тому, що при невеликій зміні вхідної напруги, прикладеної між базою і емітером транзистора, струм бази зміниться на якесь значення . При цьому струм колектора змінюється на значно більше значення: Вольт-амперні характеристики, що пояснюють принцип підсилення за допомогою транзисторного підсилювача, представлені на рис.6.2.

Режим роботи підсилювача і клас посилення визначаються вибором робочої точки 0 на вхідній і вихідній динамічній характеристиках транзистора. Для отримання максимальної вихідної потужності на навантаженні динамічна характеристика навантаження вибирається так, щоб вона знаходилася поблизу лінії гранично допустимого режиму, але не перетинала її. У режимі посилення А робоча точка О вибирається приблизно посередині динамічної характеристики навантаження. Представлені графіки дозволяють визначати основні параметри підсилювального каскаду: Rвх, Rви х, K I, KU

Рис.6.2..

 

. Слід сказати, що будь-яка зміна вхідної напруги підсилювача приводить до пропорційної зміни вихідної напруги. Кількісно ця зміна визначається коефіцієнтом підсилення, рівного відношенню приростів вихідної і вхідної напруг:

 

Для схеми без зворотного зв'язку

Коефіцієнт підсилення каскаду, охопленого негативним зворотн\им зв'язком, визначається виразом:

,

де - коефіцієнт зворотного зв'язку.

В результаті одержуємо:

Вхідний опір каскаду, охопленого зворотним зв'язком:

Вихідний опір каскаду:

Тема 7. Основи мікроелектроніки і МІКРО СХЕМОТЕХНІКИ

<== предыдущая лекция | следующая лекция ==>
Стабилитроны | Тенденції розвитку мікроелектронних інтегральних схем
Поделиться с друзьями:


Дата добавления: 2014-01-07; Просмотров: 1284; Нарушение авторских прав?; Мы поможем в написании вашей работы!


Нам важно ваше мнение! Был ли полезен опубликованный материал? Да | Нет



studopedia.su - Студопедия (2013 - 2026) год. Все материалы представленные на сайте исключительно с целью ознакомления читателями и не преследуют коммерческих целей или нарушение авторских прав! Последнее добавление




Генерация страницы за: 0.016 сек.