Студопедия

КАТЕГОРИИ:


Архитектура-(3434)Астрономия-(809)Биология-(7483)Биотехнологии-(1457)Военное дело-(14632)Высокие технологии-(1363)География-(913)Геология-(1438)Государство-(451)Демография-(1065)Дом-(47672)Журналистика и СМИ-(912)Изобретательство-(14524)Иностранные языки-(4268)Информатика-(17799)Искусство-(1338)История-(13644)Компьютеры-(11121)Косметика-(55)Кулинария-(373)Культура-(8427)Лингвистика-(374)Литература-(1642)Маркетинг-(23702)Математика-(16968)Машиностроение-(1700)Медицина-(12668)Менеджмент-(24684)Механика-(15423)Науковедение-(506)Образование-(11852)Охрана труда-(3308)Педагогика-(5571)Полиграфия-(1312)Политика-(7869)Право-(5454)Приборостроение-(1369)Программирование-(2801)Производство-(97182)Промышленность-(8706)Психология-(18388)Религия-(3217)Связь-(10668)Сельское хозяйство-(299)Социология-(6455)Спорт-(42831)Строительство-(4793)Торговля-(5050)Транспорт-(2929)Туризм-(1568)Физика-(3942)Философия-(17015)Финансы-(26596)Химия-(22929)Экология-(12095)Экономика-(9961)Электроника-(8441)Электротехника-(4623)Энергетика-(12629)Юриспруденция-(1492)Ядерная техника-(1748)

Срок (ориентировочный) службы ламп накаливания




Номинальная мощ­ность, Вт     Отношение светового потока каждой лампы после 750 ч горения к начальному значению в зависимости от напряжения, %
125-135 (В) 215-225,220-230,230-240, 235-245 (В)
15; 25    
40-200    
300;500    
750;1000    

 

В осветительных установках производственных зданий приме­няются лампы типа КГ 220-1000, КГ 220-1500 и КГ 220-2000 для напряжения 220В, мощностью 1000, 1500 и 2000 Вт. Их световая отдача 22 лм/Вт, продолжительность горения 2 тыс. ч. Эти лампы отличаются большой стабильностью светового потока, который снижается к концу срока службы только на несколько процентов.

Лампы накаливания для общего освещения могут применять­ся во вспо-могательных и подсобных помещениях без постоянно­го пребывания людей и в некоторых производственных помеще­ниях с грубыми зрительными работами, не требующими высокой освещенности.

Лампы накаливания должны применяться для общего освеще­ния также в случаях, когда по тем или иным причинам невозможно или недопустимо использование газоразрядных ламп. К числу таких случаев относятся:

• осветительные установки, питаемые постоянным током или
переключаемые на него в аварийных случаях;

• установки, в которых могут иметь место хотя бы кратковре­менные понижения напряжения до уровня ниже 90% номи­нального;

• при специальных требованиях по ограничению радиопомех;

• помещения с условиями среды, для которых отсутствуют светильники с газоразрядными лампами (например, взрывоопасные, с высокой температурой воздуха и т.п.);

• установки местного освещения;

• аварийное освещение помещений, рабочее освещение которых выполняется лампами ДРЛ (дуговые ртутные люминесцентные), ДРИ (дуговые ртутные с йодидами), ДНТ (дуговые натриевые трубчатые) во всех случаях или люминесцентными лампами в помещениях, где температура воздуха может быть ниже+10 °С.

ГОСТ 2239-79 «Лампы накаливания общего назначения» рас­пространяется на лампы накаливания, пред­назначенные для светильников внутреннего и наружного освеще­ния, а лампы на повышенное напряжение 225-235, 235-240В следует применять в осветительных приборах, устанавливаемых в трудно-доступных местах помещения: лестничных клетках, чер­даках, вентиляционных камерах и др.

Использовать лампы на повышенное напряжение в сетях со стабильным напряжением 220 В нецелесообразно из-за резкого снижения светового потока.

К лампам накаливания предъявляются высокие требования:

• лампы должны изготавливаться в климатическом исполнении ГОСТ 15543-70;

• лампы должны быть прочными в условиях эксплуатации ГОСТ 17516-72;

• требования безопасности должны соответствовать ГОСТ 12.2.007.13-75;

• для проверки соответствия ламп требованиям ГОСТ 2239-79
изготовитель проводит приемно-сдаточные, периодические и типовые испы-тания.

Газоразрядные и люминесцентные лампы

Различают газоразрядные лампы низкого давления - люми­несцентные и ртутно-кварцевые лампы высокого давления типа ДРЛ (дуговая ртутная люминес­центная).

Для освещения производственных и общественных помеще­ний, как правило, предусматриваются газоразрядные лампы.

Широкое распространение получили люминесцентные лампы, исполь-зуемые для создания особо благоприятных условий зри­тельной работы (при выполнении точных работ, в учебных по­мещениях и др.), в помещениях с недостаточным естественным освещением, в которых постоянно пребывают люди, а также при работах с различением цветных оттенков.

Принцип действия люминесцентных ламп основан на исполь­зовании фотолюминесцентных люминофоров, возбуждаемых ультрафиолетовым излу-чением электрического разряда в парах ртути при низком давлении (5 -10 Па). Невидимое ультрафиолето­вое излучение плазмы (ионизированных паров метал-ла) преобразу­ется с помощью люминофоров в излучение, ощущаемое глазом.

Существуют люминесцентные лампы с разрядом в инертных газах – без-ртутные лампы, которые имеют три важных преиму­щества: они нетоксичны, работоспособны при низких температу­рах и пригодны для люминофоров, возбуждающихся коротко­волновыми ультрафиолетовыми излучениями. Све-товая отдача и срок службы у них значительно ниже, что ограничивает приме­нение этих ламп.

Люминесцентные лампы по сравнению с лампами накалива­ния обладают рядом преимуществ:

• высокой световой отдачей (до 95 лм/Вт, что в 4-5 раз больше, чем у ламп накаливания);

• большим сроком службы (до 15000час);

• малой себестоимостью изготовления в связи с высокой степенью механизации, простотой конструкции, доступностью сы­рья и материалов;

• благоприятным спектром излучения, обеспечивающим качество цветопередачи;

• большой длиной трубки при низкой температуре ее поверхности, что позволяет размещать лампы близко к работающим и обеспечивать равномерное распределение освещенности в по­ле зрения.

Наряду с достоинствами люминесцентные лампы имеют сле­дующие недостатки:

• малая мощность (4-150) Вт, что недостаточно для освещения высоких помещений;

• большие размеры трубок;

• трудность перераспределения и концентрации их светового потока в пространстве;

• ненадежная работа при низких температурах окружающей среды;

• подключение к электрической сети только через пускорегулирующие аппараты (ПРА), причем напряжение на люминесцентных лампах при горении должно быть приблизительно вдвое ниже напряженности в сети;

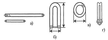
• снижение напряженности сети приводит к снижению светового потока и уменьшению ресурса работы лампы. Люминесцентные лампы предназначены для освещения в раз­личных областях применения. Конструктивно подразделяются на прямые, трубчатые, фигурные (U -образные) и кольцевые (рис. 4.7).

 

 


Рис.4.7. Люминесцентные лампы: а) прямые трубки; б) U – образные; в) кольцевые; г) компактные

Газоразрядные лампы высокого давления

Ртутные лампы высокого давления представляют собой труб­ку большей частью из кварцевого стекла, по концам которой впаяны активированные вольфрамовые электроды. Внутрь трубки после тщательного обезвоживания вводится строго дозированное количество ртути и спектрально чистый ар­гон при давлении 1,5-3 кПа. Аргон служит для облегчения зажи­гания разряда и защиты электродов от распыления в начальной стадии разгорания лампы, так как при комнатной температуре давление паров ртути очень низкое (около 1,5 Па). В отдельных типах ламп кварцевая разрядная трубка помещается в вакуумированную внешнюю колбу. Лампы включают в сеть с соответст­вующей пускорегулирующей аппаратурой. Общий вид и габа­ритные размеры некоторых ламп показаны на рис.4.8.

 

 


Рис 4.8. Общий вид и габаритные размеры некоторых ламп

Выбор источников света

Газоразрядные лампы должны применяться, как правило, для общего освещения: помещений с работами разрядов I-IV и VII, с недостаточным или отсутствующим естественным освещением, для общего освещения в системе комбинированного освещения, в общественных, административных и других зданиях, кроме вспомогательных помещений.

В указанных случаях допустимо использовать лампы накали­вания, если технически невозможно применение газоразрядных ламп.

Для местного освещения применение люминесцентных ламп желательно. Люминесцентные лампы неизбежно используются при повышенных требо-ваниях к цветопередаче независимо от разряда работы. Увеличение высоты и усложнение доступа явля­ются противопоказаниями для освещенности люминесцентными лампами. В неотапливаемых помещениях люминесцент-ные лам­пы не применяют.

Допускают применение в одном помещении ламп разных ти­пов: для общего и местного освещения, для рабочего и аварийно­го освещения.

 

Светильники

Создание в производственных помещениях высококачествен­ного и эконо-мичного освещения невозможно без применения ра­циональных светильников.

Электрический светильник представляет собой совокупность источника света и арматуры.

Наиболее важной функцией осветительной арматуры является перераспре-деление светового потока, которое повышает эконо­мичность осветительной установки. Для характеристики светиль­ника с точки зрения распределения световой энергии в простран­стве составляют кривую светораспределения - характеристику силы света в полярной системе координат (рис. 4.9).

Другим не менее важным назначением осветительной армату­ры является предохранение глаз работающих от воздействия чрезмерно больших яркостей источников света. Применяющиеся источники света имеют яркость колбы, в десятки и сотни раз пре­вышающую допустимую яркость в поле зрения.

Степень возможного ограничения слепящего действия источ­ника света определяется защитным углом светильника. Защитный угол - это угол между горизонталью и линией, соединяющей нить накала (поверхность лампы) с противоположным краем от­ражателя (рис. 4.10).

Осветительная арматура служит для предохранения источника света от загрязнения и механического повреждения. Она необхо­дима также для подвод-ки электрического питания и крепления ламп. Выбор тех или других светиль-ников по светораспределению зависит от характера выполняемых в помеще-нии работ, воз­можности запыления воздушной среды, коэффициентов отраже­ния окружающих поверхностей и др.

 
 

 

 

Рис. 4.9. График распределения силы Рис. 4.10. Защитный угол

света в пространстве: 1 – лампа светильника: а – светильник

накаливания; 2 – та же лампа с лампой накаливания; б – све-

установленная в светильнике типа тильник с люминесцентными

«Астра-23» лампами

Важной характеристикой светильника является его коэффициент полезного действия. Осветительная арматура поглощает часть све­тового потока, излучаемого источником света. Отношение фактиче­ского светового потока светильника к световому потоку помещен­ной в него лампы называется коэф-фициентом полезного действия.

По распределению светового потока в пространстве различа­ют светиль-ники прямого, преимущественно прямого, рассеянно­го, отраженного и преиму-щественно отраженного света, (рис. 4.11)

 
 

Рис 4.11. Методы освещения

 

По степени защиты от пыли, воды и взрывов в соответствии с правилами устройств электроустановок (ПУЭ) различают сле­дующие светильники:

• светильники открытые - лампа не отделена от внешней среды;

• защищенные - лампа отделена от внешней среды оболочкой, допускаю-щей свободный проход воздуха;

• закрытые - оболочка защищает от проникновения крупной пыли;

• пылезащищенные - оболочка не допускает проникновения внутрь све-тильника тонкой пыли;

• влагозащищенные - корпус и патрон противостоят воздействию влаги и обеспечивают сохранность изоляции вводных проводов;

• взрывозащищенные, которые делятся на взрывонепроницаемые (В) - оболочка светильника выдерживает полное давление взрыва, продукты взрыва должны выходить из светильника че­рез щели охлажденными; повышенной надежности против взрыва (Н) - исключается возникновение искры, электрической дуги или опасных температур на поверхности светильника.

Кроме того, необходимо учитывать целесообразное для рас­сматриваемого случая светораспределение.

Основные образцы светильников с лампами накаливания и основные типы светильников внутреннего освещения (см. рис. 4.12; 4.13) а также типы светильников внутреннего освещения с люминесцентными лампами (см. рис. 4.14).

Главное требование к светильникам любого назначения и ис­полнения - светильники должны быть рассчитаны так, чтобы при нормальной эксплуа-тации они не представляли угрозы имущест­ву, здоровью и жизни людей.

 

 

 

Рис. 4.12. Светильники с лампами накаливания для производственных

зданий: а - ЛПД2, «Астра-32»; б - УПД, Гс-М, ГсУ-М, СУ-М, «Астра-

1», «Астра-2», «Астра-12»; в - УПС, «Астра-2», «Астра-22», «Астра-23»;

г-УПМ-15; д-у-15; е-УП-24; ж - НСП07; з - ППД-500; и-ППР-500; к-ППД-

100, ППД-200; л - НСП03; м - НСП02, ППР-100, ППР-200; н - НСР01,

НСП09; о - НПП 01; п - артикул 135(ПСХ).



 

 

Рис. 4.13. Светильники с лампами накаливания для общественных зданий, получивших наибольшее распространение: а - НПБОО, ПЛ-11, арт. 38;

б-арт.198, ПЛ-11А; в – НП091; г – ПП- 07; д – НПП07; е – НПО19;НПО20);ж - ПУН-60М; з - ПУН-100М; и – НБО05; к-НС-2; л-НСП-14; м - арт.341; н - арт. 254; о - БУН-60М; п - ПО-02; р - ПО-21; с - ПКР-2 (арт. 119); т - СК-300; у - ПЛК-150; ф - ПКР-300

 

 
 

 

 


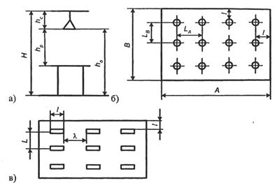
Размещение светильников

В плане и разрезе помещения размещение светильников опре­деляется следующими размерами (рис. 4.15): H - высотой поме­щения; h с - расстоянием светильников от перекрытия («свесом»); h п = H - h с - высотой светильника над полом; h р - расчетной вы­сотой; L - расстоянием между соседними светиль-никами или ря­дами люминесцентных светильников (если они расположены по длине и ширине помещения, то расстояние между ними обозна­чается La Lв); l - расстояние от крайних светильников (или ряда светильников) до стен.

Важное требование при выборе светильников - доступность их для обслу-живания. Рекомендуемая высота подвеса светильни­ков 2,5 м при установке на стойках вдоль ограждений технологи­ческих площадок, не более 3,5 м при установке на стенах и по­толках площадок верхних отметок.

Расстояние от крайних светильников до стен принимается в пределах 0,3 - 0,5 расстояния между соседними светильниками в зависимости от наличия вблизи стен рабочих мест. Светильники с «точечными» источниками света располагаются по вершинам квадратных, прямоугольных или треугольных полей.

В узких помещениях допустимо однорядное расположение.

При прямоугольных полях рекомендуется La / Lв ≤ 1,5, где La и Lв - расстояние по длине и ширине помещения. Причем увеличе­ние L в одном направлении следует компенсировать увеличением его в другом. Светильники с люминесцентными лампами в по­мещениях для работы рекомендуется устанавливать рядами, пре­имущественно параллельно длинной стороне помещения или стене с окнами.

Некоторые преимущества имеют непрерывные ряды или ряды с неболь-шими разрывами (светящимися линиями).

При выборе расстояния между соседними светильниками не­обходимо руководствоваться величиной λ = L / hp. Величина λ за­висит от типа кривых светораспределения светильников, λ = 0,6 ± 2,6. Например, для люминесцен-тных ламп с равномерным светораспределением λ = 2.

Средства индивидуальной защиты органов зрения

Для защиты глаз от механических повреждений, лучистого и те­плового воздействия применяют специальные очки, щитки, маски. Стекла очков лучше использовать небьющиеся из сталинита. Очки не должны ограничивать поле зрения, должны быть легкими, не раз­дражать кожу, хорошо прилегать к лицу и не покрываться влагой.

Для защиты глаз от лучистой энергии, ультрафиолетовых и инфракрасных лучей, яркого света применяют очки со специаль­ными светофильтрами типа «ТИС». При газосварке применяют защитные очки с желто-зелеными светофильтрами различной на­сыщенности в зависимости от яркости пламени горелки.

Для защиты глаз и лица при электросварке применяют щитки и маски. При подборе защитных очков для лиц с плохим зрением (бли­зорукость, дальнозоркость) и особенно для лиц, выполняющих особо точные работы, желательно защитные функции очков сочетать с кор­рекцией зрения и подбирать специальные (оптические) стекла.

 

Рис. 4.15. Схема размещения светильников в помещении: а - схема размещения светильников в разрезе помещения; б, в – схема размещения светильников в плане помещения для ламп накаливания и

люминесцентных ламп соответственно

Эксплуатация осветительных установок. Контроль освещения

Тщательный и регулярный уход за установками естественного и искусственного света имеет значение для создания рациональ­ных условий освещения, в частности, обеспечения требуемых ве­личин освещенности без дополнительных затрат электроэнергии.

В установках с люминесцентными лампами и лампами ДРЛ необходимо следить за исправностью схем включения (не долж­но быть видимых глазу миганий ламп), а также пускорегулирующих аппаратов, о неисправности кото-рых, например, можно су­дить по значительному шуму дросселей (необходимо их исправить или заменить).

Сроки чистки светильников и застекления в зависимости от запыленности помещения предусматриваются действующими нормами и должны произво-диться для стекол световых проемов (не реже двух раз в год для помещений с незначительным выделе­нием пыли) и не реже четырех раз в год для помеще-ний со значи­тельными выделениями пыли, для светильников - от четырех до двенадцати раз в год в зависимости от характера запыленности производ-ственного помещения.

Своевременно должна производиться замена перегоревших ламп, которая осуществляется двумя способами: индивидуаль­ным - заменяются лампы после выхода их из строя, и групповым - через определенный интервал одновременно заменяются и перего­ревшие и работающие лампы (ДРЛ через 7500 ч, люминес-центные 40 Вт - через 8000 ч, люминесцентные 65-80 Вт - через 6300 ч).

На крупных предприятиях (при установленной общей мощно­сти на освещение свыше 250 кВт) следует иметь специально вы­деленное лицо, ведающее эксплуатацией освещения (инженер или техник).

При оценке производственного освещения не реже одного раза в год после очередной чистки светильников и замены перегорев­ших ламп следует прове-рять уровень освещенности в контрольных точках. В настоящее время основным прибором для измерения ос­вещенности является объективный люкс-метр (Ю-116,Ю-117), ос­нованный на явлении фотоэлектрического эффекта.

Полученная фактическая освещенность должна быть больше или равна нормируемой освещенности, умноженной на коэффициент запаса. При несоб-людении этого соотношения осветитель­ная установка непригодна для дальней-шей эксплуатации и требу­ет реконструкции или капитального ремонта.

 

 




Поделиться с друзьями:


Дата добавления: 2014-01-07; Просмотров: 2961; Нарушение авторских прав?; Мы поможем в написании вашей работы!


Нам важно ваше мнение! Был ли полезен опубликованный материал? Да | Нет



studopedia.su - Студопедия (2013 - 2025) год. Все материалы представленные на сайте исключительно с целью ознакомления читателями и не преследуют коммерческих целей или нарушение авторских прав! Последнее добавление




Генерация страницы за: 0.014 сек.