Студопедия

КАТЕГОРИИ:


Архитектура-(3434)Астрономия-(809)Биология-(7483)Биотехнологии-(1457)Военное дело-(14632)Высокие технологии-(1363)География-(913)Геология-(1438)Государство-(451)Демография-(1065)Дом-(47672)Журналистика и СМИ-(912)Изобретательство-(14524)Иностранные языки-(4268)Информатика-(17799)Искусство-(1338)История-(13644)Компьютеры-(11121)Косметика-(55)Кулинария-(373)Культура-(8427)Лингвистика-(374)Литература-(1642)Маркетинг-(23702)Математика-(16968)Машиностроение-(1700)Медицина-(12668)Менеджмент-(24684)Механика-(15423)Науковедение-(506)Образование-(11852)Охрана труда-(3308)Педагогика-(5571)Полиграфия-(1312)Политика-(7869)Право-(5454)Приборостроение-(1369)Программирование-(2801)Производство-(97182)Промышленность-(8706)Психология-(18388)Религия-(3217)Связь-(10668)Сельское хозяйство-(299)Социология-(6455)Спорт-(42831)Строительство-(4793)Торговля-(5050)Транспорт-(2929)Туризм-(1568)Физика-(3942)Философия-(17015)Финансы-(26596)Химия-(22929)Экология-(12095)Экономика-(9961)Электроника-(8441)Электротехника-(4623)Энергетика-(12629)Юриспруденция-(1492)Ядерная техника-(1748)

Реверсивный счетчик

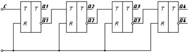
Двоичный вычитающий счетчик.

В отличие от суммирующего на вход следующего триггера подается сигнал не с прямого выхода, а с инверсного.

Рис. Двоичный вычитающий счетчик.

 

 

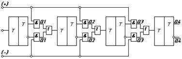
Иногда требуется, чтобы двоичный счетчик работал в 2 направлениях, т.е. и суммировал поступающие импульсы, и вычитал их из содержимого счетчика. Для этого используются реверсивные счетчики.

Рис. Реверсивный счетчик.

Достоинства такого счетчика: простота структуры, легкость наращивания разрядов счетчика.

Недостатки: малое быстродействие, т.к. время задержки t3=2*(п-1)* t3лэ + n*t3тр

Для повышения быстродействия используют счетчики с ускорением переноса.

<== предыдущая лекция | следующая лекция ==>
Двоичный суммирующий счетчик | Счетчики с произвольным коэффициентом счета (делители)
Поделиться с друзьями:


Дата добавления: 2014-01-07; Просмотров: 337; Нарушение авторских прав?; Мы поможем в написании вашей работы!


Нам важно ваше мнение! Был ли полезен опубликованный материал? Да | Нет



studopedia.su - Студопедия (2013 - 2026) год. Все материалы представленные на сайте исключительно с целью ознакомления читателями и не преследуют коммерческих целей или нарушение авторских прав! Последнее добавление




Генерация страницы за: 0.009 сек.