Студопедия

КАТЕГОРИИ:


Архитектура-(3434)Астрономия-(809)Биология-(7483)Биотехнологии-(1457)Военное дело-(14632)Высокие технологии-(1363)География-(913)Геология-(1438)Государство-(451)Демография-(1065)Дом-(47672)Журналистика и СМИ-(912)Изобретательство-(14524)Иностранные языки-(4268)Информатика-(17799)Искусство-(1338)История-(13644)Компьютеры-(11121)Косметика-(55)Кулинария-(373)Культура-(8427)Лингвистика-(374)Литература-(1642)Маркетинг-(23702)Математика-(16968)Машиностроение-(1700)Медицина-(12668)Менеджмент-(24684)Механика-(15423)Науковедение-(506)Образование-(11852)Охрана труда-(3308)Педагогика-(5571)Полиграфия-(1312)Политика-(7869)Право-(5454)Приборостроение-(1369)Программирование-(2801)Производство-(97182)Промышленность-(8706)Психология-(18388)Религия-(3217)Связь-(10668)Сельское хозяйство-(299)Социология-(6455)Спорт-(42831)Строительство-(4793)Торговля-(5050)Транспорт-(2929)Туризм-(1568)Физика-(3942)Философия-(17015)Финансы-(26596)Химия-(22929)Экология-(12095)Экономика-(9961)Электроника-(8441)Электротехника-(4623)Энергетика-(12629)Юриспруденция-(1492)Ядерная техника-(1748)

Широкосмугові підсилювачі

(імпульсні підсилювачі)

Каскади, які підсилюють сигнали з дуже широкою смугою частот називаються каскадами широкосмугового підсилення коливань складної форми або короткочасних відео імпульсів спеціальної форми.

Імпульсні підсилювачі частіше всього оперують імпульсами прямокутної форми.

Коли напруга стрибком досягає амплітудного значення , зберігаючись впродовж тривалості імпульсу незмінним по рівню (вершина імпульса), а потім стрибком падає до нульового значення. Тривалість лежить в межах від долей мікросекунд до одиниць мілісекунд, а частота слідування - від одиниць до сотень мільйонів герц. Щоб не було спотворень імпульсу (фронтів і вершин імпульсу) ширина пропуску в ідеалі повинна бути від 0 до . Практично реалізувати такий підсилювач неможливо. Тому за основу лінійного імпульсного підсилювача використовують операційні або диференційні підсилювачі.

Для розширення смуги пропуску з збереженням коефіцієнта підсилення використовується ВЧ і НЧ корекція.

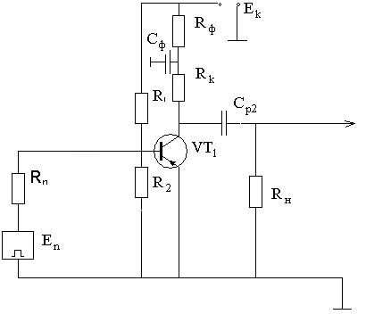
Приклад підсилювача з ВЧ корекцією:

 

 

Зовнішнім навантаженням являється вхідний ланцюг послідовного каскаду (). ВЧ корекція здійснюється за рахунок ввімкнення в колекторний ланцюг транзистора послідовно з резистором невеликої індуктивності , яка створюється разом з ємністю паралельний коливальний контур. = одиниці-сотні мікрогенрі.

Фізична сутність ВЧ корекції слідуюча:

затримує процес зміни в часі. Тому в моменти швидких змін вхідного сигналу (фронти імпульсів) ємність заряджається або розряджається струмами більшої величини, ніж при відсутності котушки . Дякуючи цьому напруга на змінюється різкіше, а звідси слідує зменшення довжини фронтів імпульсів. Це в свою чергу значить розширення смуги пропускання в області ВЧ.

Якщо зріз вершини імпульсів недопустимо великий, то з’являється необхідність розширення смуги пропуску імпульсного підсилювача.

Приклад підсилювача з НЧ корекцією.

 

 

 

В якості коректуючої ланки використовується RC-фільтр ввімкнений послідовно з .

При потраплянні на вхід підсилювача імпульсу позитивної полярності і при проходженні плоскої частини вершини імпульсу транзистор закривається, транзистора росте, конденсатор заряджається, збільшується потенціал правої обкладки , а звідси і потенціал колектора теж збільшується. Дія імпульсу від’ємної полярності зменшує стабільність опору транзистора, викликаючи повільне розрядження . Зменшується потенціал обкладки і потенціал колектора . В обох випадках величина зрізу вершини імпульсу зменшується.

Процес корекції можна пояснити, якщо представити імпульс в виді частотного спектру. На ВЧ і СЧ опір , шунт. невелике, тому величина відп. . Із зменшенням частоти збільшується, що приводить до збільшення спільного колекторного навантаження, яка на =0 рівна +. Дякуючи цьому на НЧ підсилення не зменшується.

Оптимальна корекція вершини прямокутного імпульсу отримаємо при виконанні рівності:

 

<== предыдущая лекция | следующая лекция ==>
Вихідні каскади на складових транзисторах | Вибіркові підсилювачі
Поделиться с друзьями:


Дата добавления: 2014-01-07; Просмотров: 3229; Нарушение авторских прав?; Мы поможем в написании вашей работы!


Нам важно ваше мнение! Был ли полезен опубликованный материал? Да | Нет



studopedia.su - Студопедия (2013 - 2026) год. Все материалы представленные на сайте исключительно с целью ознакомления читателями и не преследуют коммерческих целей или нарушение авторских прав! Последнее добавление




Генерация страницы за: 0.011 сек.