Студопедия

КАТЕГОРИИ:


Архитектура-(3434)Астрономия-(809)Биология-(7483)Биотехнологии-(1457)Военное дело-(14632)Высокие технологии-(1363)География-(913)Геология-(1438)Государство-(451)Демография-(1065)Дом-(47672)Журналистика и СМИ-(912)Изобретательство-(14524)Иностранные языки-(4268)Информатика-(17799)Искусство-(1338)История-(13644)Компьютеры-(11121)Косметика-(55)Кулинария-(373)Культура-(8427)Лингвистика-(374)Литература-(1642)Маркетинг-(23702)Математика-(16968)Машиностроение-(1700)Медицина-(12668)Менеджмент-(24684)Механика-(15423)Науковедение-(506)Образование-(11852)Охрана труда-(3308)Педагогика-(5571)Полиграфия-(1312)Политика-(7869)Право-(5454)Приборостроение-(1369)Программирование-(2801)Производство-(97182)Промышленность-(8706)Психология-(18388)Религия-(3217)Связь-(10668)Сельское хозяйство-(299)Социология-(6455)Спорт-(42831)Строительство-(4793)Торговля-(5050)Транспорт-(2929)Туризм-(1568)Физика-(3942)Философия-(17015)Финансы-(26596)Химия-(22929)Экология-(12095)Экономика-(9961)Электроника-(8441)Электротехника-(4623)Энергетика-(12629)Юриспруденция-(1492)Ядерная техника-(1748)

Визначення




Механічні властивості та способи їх

 

Методи визначення механічних властивостей металів розподіляють на:

- статичні, коли навантаження зростає поволі і плавно (випробування на розтягування, стиснення, вигин, кручення, твердість);

- динамічні, коли навантаження зростає з великою швидкістю (випробування на ударний вигин);

- циклічні, коли навантаження багато разів змінюється за величиною і напрямом (випробування на утомленість).

1.2.2.1 Випробування на розтягування

 

При випробуванні на розтягування визначають межу міцності (sв), межу текучості (sт), відносне подовження (d) і відносне звуження (y). Випробування проводять на розривних машинах з використанням стандартних зразків з площею поперечного перетину Fo і робочою (розрахунковою) довжиною lo. У результаті проведення випробувань одержують діаграму розтягування (рис. 1). На осі абсцис вказується значення деформації, на осі ординат – значення навантаження до зразка.

Межа міцності (sв) – це максимальне навантаження, яке витримує матеріал без руйнування, віднесене до початкової площі поперечного перетину зразка (Pmax/F0).

 

Рисунок 1 – Діаграма розтягування

 

Необхідно відзначити, що при розтягуванні зразок подовжується, а його поперечний перетин безперервно зменшується. Дійсна напруга визначається відношенням діючого в певний момент навантаження до площині, яку зразок має у цей момент. Істинні напруження в повсякденній практиці не визначають, а користуються умовними напруженнями, вважаючи, що поперечний перетин Fо зразка залишається незмінним.

Межа текучості (sт) – це навантаження, при якому відбувається пластична деформація, віднесена до початкової площі поперечного перетину зразка (Рт / F0). Проте при випробуваннях на розтягування у більшості сплавів площинки текучості на діаграмах немає. Тому визначається умовна межа текучості (s0,2) - напруження, якій відповідає пластична деформація 0,2%. Вибране значення 0,2% достатньо точно характеризує перехід від пружних деформацій до пластичних.

До характеристик матеріалу відносять також межу пружності (sпр), при якій пластична деформація досягає заданого значення. Звичайно використовують значення залишкової деформації 0,005; 0,02; 0,05%. Таким чином, s0,05 = Рпр / F0пр – навантаження, при якій залишкове подовження складає 0,05%).

Межа пропорційності sпц = Рпц / F0пц – максимальне навантаження, при дії якої ще виконується закон Гука).

Пластичність характеризується відносним подовженням (d) і відносним звуженням (y):

d = [(lk - lo)/lo]•100%; y = [ (Fo – Fk)/Fo]•100%,

де lk - кінцева довжина зразка; lo і F0 - початкові довжина і площа поперечного перетину зразка; Fk - площа поперечного перетину в місці розриву.

Для мало пластичних матеріалів випробування на розтягування викликають утруднення, оскільки незначні перекоси при установці зразка вносять істотну погрішність у визначення руйнуючого навантаження. Такі матеріали, як правило, піддають випробуванню на вигин.

1.2.2.2 Випробування на твердість

Твердість – здатність матеріалу чинити опір проникненню в нього іншого твердішого тіла – індентора. Твердість матеріалу визначають методами Брінелля, Роквелла, Віккерса, Шора (рис.2).

Визначення твердості за Брінеллем проводиться шляхом вдавлювання в метал сталевої кульки. При цьому на поверхні металу утворюється сферичний відбиток, діаметр якого залежить від твердості металу. Діаметр кульки (Д) і навантаження (Р) вибирають залежно від металу, який досліджують. При випробуванні сталі і чавунів вибирають Д = 10 мм і Р = 30кН, при випробуванні міді і її сплавів - Д = 10 мм і Р = 10 КН, а при випробуванні дуже м'яких металів (алюмінію, бабіту і ін.) - Д = 10 мм і Р = 2,5 кН.

 

 

а б

Рисунок 2 – Схеми визначення твердості за Брінеллем (а),

Роквеллом (б) і Віккерсом (в)

 

Твердість металу за Брінеллем вказується буквами НВ і числом. Для переведення значення твердості в системі СІ користуються коефіцієнтом К=9,8 106, на який умножають значення твердості за Брінеллем.

Метод визначення твердості за Брінеллем не рекомендується застосовувати для сталей з твердістю більш, ніж НВ450 і кольорових металів з твердістю більше 200НВ.

Для різних матеріалів встановлений кореляційний зв'язок між межею міцності (МПа) і числом твердості НВ: sв» 3,4НВ - для гарячекатаних вуглецевих сталей; sв » 4,5НВ - для мідних сплавів, sв» 3,5НВ - для алюмінієвих сплавів.

Визначення твердості методом Роквелла здійснюють шляхом вдавлювання в метал алмазного конуса або сталевої кульки. Прилад Роквелла має три шкали – А,В,С. Алмазний конус застосовують для випробування твердих матеріалів (шкали А і С), а кулька – для випробування м'яких матеріалів (шкала В). Залежно від шкали твердість позначається буквами HRB, HRC, HRA і виражається в спеціальних одиницях.

При вимірюванні твердості за методом Віккерса здійснюють вдавлювання в поверхню металу (шліфовану або поліровану) чотиригранної алмазної піраміди. Цей метод застосовують для визначення твердості деталей малої товщини і тонких поверхневих шарів, які мають високу твердість (наприклад, після азотування). Твердість за Віккерсом позначають буквами HV. Переклад значення твердості HV в системі СІ здійснюється аналогічно перекладу значення твердості НВ.

При вимірюванні твердості за методом Шора кулька з індентором падає на зразок, перпендикулярно його поверхні, а твердість визначається за висотою відскоку кульки і позначається HS.

Твердість металу в малих об'ємах оцінюють шляхом визначення мікротвердості. Прилад для вимірювання – це механізм для вдавлювання індентора (алмазної піраміди) і мікроскоп металографії. Мікротвердість оцінюють за величиною діагоналі відбитку на зразку, який повинен бути підготовлений як мікрошліф. Метод застосовують для визначення мікротвердості тонких зміцнених поверхневих шарів після хіміко-термічної обробки (наприклад, борірованих), окремих структурних складових і т.п.

 

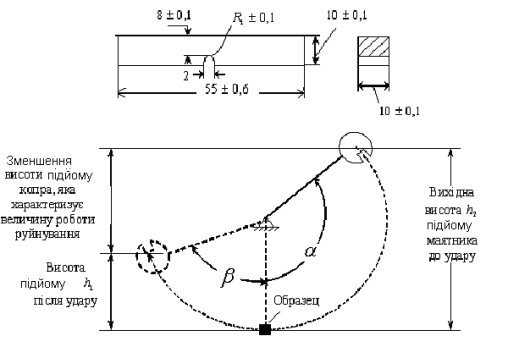
1.2.2.3 Випробування на ударну в'язкість

 

Ударна в'язкість характеризує здатність матеріалу чинити опір динамічним навантаженням і схильності до крихкого руйнування, що виявляється при цьому. Для випробування на удар виготовляють спеціальні зразки з надрізом, які потім руйнують на маятниковому копрі (рис.3). За шкалою маятникового копра визначають роботу, витрачену на руйнування, і розраховують основну характеристику, одержувану в результаті цих випробувань – ударну в'язкість. Вона визначається відношенням роботи руйнування зразка до площі його поперечного перетину і вимірюється в мегаджоулях на квадратний метр (МДж/м2).

Для позначення ударної в'язкості застосовують букви КС і додають букву, яка указує на вигляд надрізу на зразку: U, V, T. Запис KCU означає ударну в'язкість зразка з U-подібним надрізом, KCV - з V-подібним надрізом, а KCT - з тріщиною, створеною в основі надрізу. Робота руйнування зразка при проведенні ударних випробувань містить дві складові: роботу зародження тріщини (Аз) і роботу розповсюдження тріщини (Ар).

Визначення ударної в'язкості особливо важливе для металів, які працюють при низьких температурах і виявляють схильність до холодноламкості, тобто до зниження ударної в'язкості при пониженні температури експлуатації.

При проведенні ударних випробувань зразків з надрізом при низьких температурах визначають поріг холодноламкості, який характеризує вплив зниження температури на схильність матеріалу до крихкого руйнування. При переході від в'язкого до крихкого руйнування спостерігається різке зниження ударної в'язкості в інтервалі температур, який має назву температурний поріг холодноламкості. При цьому змінюється будова зламу від волоконного матового (в'язке руйнування) до кристалічного блискучого (крихке руйнування). Поріг холодноламкості позначають інтервалом температур (tв.– tхр.) або однією температурою t50, при якій в зламі зразка спостерігається 50% волоконної складової або ж величина ударної в'язкості знижується в два рази.

 

Рисунок 3 – Схема маятникового копра та ударного зразка

 

Про придатність матеріалу до роботи при заданій температурі судять по температурному запасу в'язкості, який визначається по різниці між температурою експлуатації і перехідною температурою холодноламкості. Чим більше ця різниця, тим надійніший матеріал.

 

1.2.2.4 Випробування на тріщиностійкість

 

Опір матеріалу розповсюдженню тріщин або його тріщиностійкість характеризується коефіцієнтом інтенсивності напружень у вершині тріщини у момент руйнування К. Значення К визначають експериментально на зразках з надрізом, на дні якого ініційована втомна тріщина. Для розрахунку К при навантаженні зразка фіксують зусилля у момент підростання тріщини на деяку величину і переходу до її нестабільного розповсюдження.

Величина К характеризує опір розвитку в'язкої тріщини, і при його збільшенні підвищується опір матеріалу руйнуванню, тобто його надійність.

Коефіцієнт інтенсивності напружень К доповнює параметри s0,2 і модуль Юнга Е при розрахунках на міцність деталей, виготовлених з високоміцних сталей з sв > 1500 МПа, титанових (sв > 800 МПа) і алюмінієвих (sв > 450 МПа) сплавів. Він дозволяє визначити безпечний розмір тріщини при відомій напрузі або безпечну напругу при відомому розмірі дефекту.

 

1.2.2.5 Випробування на втому

 

Втома – процес поступового накопичення пошкоджень матеріалу під дією повторно-змінних напружень, які призводять до утворення тріщин і руйнувань. Втома металу викликається концентрацією напружень в окремих його об'ємах (у місцях скупчення неметалічних і газових включень, структурних дефектів). Властивість металу чинити опір втомі називається витривалістю.

Випробування на втому проводять на машинах для повторно-змінного згинання зразка, що обертається, закріпленого одним або обома кінцями, або на машинах для випробувань на розтягування-стиснення, або на повторно-змінне скручування. У результаті випробувань визначають межу витривалості, яка характеризує опір матеріалу втоми.

Межа витривалості – максимальне напруження, при дії якого не відбувається втомного руйнування після базової кількості циклів навантаження. За максимальне smax або мінімальне smin напруження циклу приймають найбільше або якнайменше за величиною напруження. Цикл характеризується коефіцієнтом асиметрії R = smin /smax. Якщо R=-1, то цикл називають симетричним, якщо smin і smaxе нерівні за величиною, то цикл вважається асиметричним. Межа витривалості позначається sR, де R – коефіцієнт асиметрії циклу.

Для визначення межі витривалості проводять випробування не менше десяти зразків. Кожен зразок випробовують тільки при одній напрузі до руйнування або при базовій кількості циклів. Базова кількість циклів має бути не нижчим 107 навантажень (для сталі) і 108 (для кольорових металів).

За наслідками випробувань окремих зразків будують криві утомленості в логарифмічних координатах. Із зменшенням smax довговічність зростає, і напруга, що не викликає руйнування при базовому числі циклів (горизонтальна ділянка на кривій утомленості), відповідає межі витривалості sR (рис.4).

Багато металів (звично кольорові та їх сплави) не мають горизонтальної ділянки на кривій утомленості, і в цьому випадку визначають обмежену межу витривалості, під якою розуміють найбільшу напругу, яку витримує метал протягом заданої кількості циклів навантаження.

Якщо утворення тріщин або повне руйнування відбувається при 5×104, то така утомленість називається малоцикловою і вона має велике значення для штампового інструменту, судин високого тиску, деталей літака тощо.

Для багатьох сталей відношення межі витривалості до межі міцності при розтягуванні приблизно дорівнює 0,5, але для високоміцних сталей це відношення зменшується, оскільки через зниження пластичності зменшується релаксація напруг у вершині тріщини, і швидшає її розвиток.

Важливою характеристикою конструкційної міцності є живучість при циклічному навантаженні, під якою розуміють тривалість експлуатації деталі від моменту зародження першої макроскопічної втомної тріщини розміром 0,5…1 мм до остаточного руйнування. Живучість має особливе значення для надійності експлуатації виробів, безаварійна робота яких підтримується шляхом раннього виявлення і запобігання подальшому розвитку втомних тріщин.

 

Рисунок 4 - Крива втоми

 




Поделиться с друзьями:


Дата добавления: 2014-01-07; Просмотров: 1555; Нарушение авторских прав?; Мы поможем в написании вашей работы!


Нам важно ваше мнение! Был ли полезен опубликованный материал? Да | Нет



studopedia.su - Студопедия (2013 - 2026) год. Все материалы представленные на сайте исключительно с целью ознакомления читателями и не преследуют коммерческих целей или нарушение авторских прав! Последнее добавление




Генерация страницы за: 0.008 сек.