Студопедия

КАТЕГОРИИ:


Архитектура-(3434)Астрономия-(809)Биология-(7483)Биотехнологии-(1457)Военное дело-(14632)Высокие технологии-(1363)География-(913)Геология-(1438)Государство-(451)Демография-(1065)Дом-(47672)Журналистика и СМИ-(912)Изобретательство-(14524)Иностранные языки-(4268)Информатика-(17799)Искусство-(1338)История-(13644)Компьютеры-(11121)Косметика-(55)Кулинария-(373)Культура-(8427)Лингвистика-(374)Литература-(1642)Маркетинг-(23702)Математика-(16968)Машиностроение-(1700)Медицина-(12668)Менеджмент-(24684)Механика-(15423)Науковедение-(506)Образование-(11852)Охрана труда-(3308)Педагогика-(5571)Полиграфия-(1312)Политика-(7869)Право-(5454)Приборостроение-(1369)Программирование-(2801)Производство-(97182)Промышленность-(8706)Психология-(18388)Религия-(3217)Связь-(10668)Сельское хозяйство-(299)Социология-(6455)Спорт-(42831)Строительство-(4793)Торговля-(5050)Транспорт-(2929)Туризм-(1568)Физика-(3942)Философия-(17015)Финансы-(26596)Химия-(22929)Экология-(12095)Экономика-(9961)Электроника-(8441)Электротехника-(4623)Энергетика-(12629)Юриспруденция-(1492)Ядерная техника-(1748)

Электрический поверхностный эффект




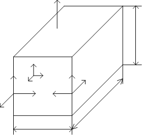
Рассмотрим проводник в виде шины (рис.18.8). Предположим, что 2a<<h, h<<l. По проводнику протекает ток I. В любом поперечном сечении характер распределения напряженности магнитного поля одинаков.

Требуется выяснить распределение напряженности электрического и магнитного полей по сечению шины.

Так как у шины имеется две границы, то могут возникать прямые и обратные волны. Поэтому решение дифференциальных уравнений второго порядка имеет вид:

 

(18.26)

 

 

Рис. 18.8. Электромагнитное поле в проводнике с током

Разместим начало системы координат посредине шины и сориентируем ее таким образом, чтобы векторы напряженностей электрического и магнитного полей имели составляющие только по одной координате.

Постоянные интегрирования определим из граничных условий:

- при x=-a H=H0;

- при x=a H=-H0.

Тогда из системы уравнений (18.26) следует:

 

 

Последовательной подстановкой получаем:

 

 

Следовательно,

(18.27)

Подставив эти значения в уравнения (18.26), получим

Учитывая, что на границе шины

получим

Окончательно мы имеем

(18.28)

 

Рассмотрим, как изменяются соотношения E/E0 и H/H0 по сечению шины. Так как коэффициенты затухания и фазы для проводящей среды равны, то

 

Тогда

, (18.29)

 

Так как величина a является числом, то характер зависимостей E/E0 и H/H0 определяется характеристиками материала шины и частотой. Эти зависимости представлены на рис. 18.9.

Так как ch p·0≠0, то напряженность электрического поля не уменьшается до нуля. В то же время sh p·0=0, поэтому напряженность магнитного поля в середине шины (при x=0) равна нулю.

2ka=0

           
     
 

 


Рис. 18.9. Зависимости E/E0 и H/H0 от толщины шины

При ω=0 (постоянный ток) величина напряженности электрического поля определяется вектором плотности тока и не зависит от положения рассматриваемой области. Аналогичная картина наблюдается при частотах, близких к нулю. В этом случае говорят о квазистатическом распределении поля.

При повышении частоты картина распределения плотности тока, а, следовательно, и напряженности электрического поля меняется. Большее значение напряженностей наблюдается по края пластины и спадает во внутренней части. Возникает поверхностный эффект.

В другом случае (при ω→∞) ток будет протекать только по поверхности шины.




Поделиться с друзьями:


Дата добавления: 2014-01-07; Просмотров: 338; Нарушение авторских прав?; Мы поможем в написании вашей работы!


Нам важно ваше мнение! Был ли полезен опубликованный материал? Да | Нет



studopedia.su - Студопедия (2013 - 2026) год. Все материалы представленные на сайте исключительно с целью ознакомления читателями и не преследуют коммерческих целей или нарушение авторских прав! Последнее добавление




Генерация страницы за: 0.007 сек.