Студопедия

КАТЕГОРИИ:


Архитектура-(3434)Астрономия-(809)Биология-(7483)Биотехнологии-(1457)Военное дело-(14632)Высокие технологии-(1363)География-(913)Геология-(1438)Государство-(451)Демография-(1065)Дом-(47672)Журналистика и СМИ-(912)Изобретательство-(14524)Иностранные языки-(4268)Информатика-(17799)Искусство-(1338)История-(13644)Компьютеры-(11121)Косметика-(55)Кулинария-(373)Культура-(8427)Лингвистика-(374)Литература-(1642)Маркетинг-(23702)Математика-(16968)Машиностроение-(1700)Медицина-(12668)Менеджмент-(24684)Механика-(15423)Науковедение-(506)Образование-(11852)Охрана труда-(3308)Педагогика-(5571)Полиграфия-(1312)Политика-(7869)Право-(5454)Приборостроение-(1369)Программирование-(2801)Производство-(97182)Промышленность-(8706)Психология-(18388)Религия-(3217)Связь-(10668)Сельское хозяйство-(299)Социология-(6455)Спорт-(42831)Строительство-(4793)Торговля-(5050)Транспорт-(2929)Туризм-(1568)Физика-(3942)Философия-(17015)Финансы-(26596)Химия-(22929)Экология-(12095)Экономика-(9961)Электроника-(8441)Электротехника-(4623)Энергетика-(12629)Юриспруденция-(1492)Ядерная техника-(1748)

Учебные вопросы. Нормативные правовые акты




Вводная часть

VI. Текст лекции

Нормативные правовые акты

Дополнительная

1. Беляев А. В., Вагин А. В., Жуков И. В. Пожарная безопасность в строительстве: Методические рекомендации по проверке соответствия архитектурно-строительных и инженерно-технических решений проектов зданий противопожарным требованиям строительных норм и правил / Под общ. ред. В.С. Артамонова. – СПб.: Санкт-Петербургский университет ГПС МЧС России, 2009. – 31 с.

2. А.В. Вагин, И.В. Жуков, В.П. Крейтор, А.В. Мироньчев Пожарная безопасность в строительстве: Учебное пособие / Под общ. ред. В.С. Артамонова. – СПб.: Санкт-Петербургский университет ГПС МЧС России, 2010. – 148 с.

1. Федеральный закон РФ от 22 июля 2008 года № 123-ФЗ «Технический регламент о требованиях пожарной безопасности» (с изменениями и дополнениями).

2. Приказ МЧС России от 28 июня 2012 года № 375 «Об утверждении административного регламента Министерства РФ по делам гражданской обороны, чрезвычайным ситуациям и ликвидации последствий стихийных бедствий исполнения государственной функции по надзору за выполнением требований пожарной безопасности».

3. Постановление Правительства РФ от 25 апреля 2012 года № 390 «О противопожарном режиме».

4. СП 7.13130.2009 Отопление, вентиляция и кондиционирование. Противопожарные требования.

5. СП 12.13130.2009 Определение категорий помещений, зданий и наружных установок по взрывопожарной и пожарной опасности (с изменениями и дополнениями).

6. Обзор законодательства в области обеспечения пожарной безопасности за 3 квартал 2012 года.

7. Доклад министра МЧС России «О долгосрочных перспективах развития системы МЧС России (МЧС -2030)».

Во вводной части занятия (5 минут) преподаватель принимает доклад у дежурного по учебной группе о готовности группы к занятиям. Проверяет наличие обучающихся, делает соответствующие отметки в учебном журнале группы и строевой записке. Объявляет тему, учебные цели, вопросы, рассматриваемые на занятии и литературу. Доводит расчет учебного времени на отработку учебных вопросов.

В ходе занятия(80 минут) преподаватель доводит новый учебный материал, контролирует работу обучающихся. Создает условия для развития творческого мышления и самостоятельности обучающихся. При необходимости своевременно разъясняет отдельные положения, вызывающие затруднения и вопросы.

Заключительная часть

В заключительной части занятия(5 минут) в целях проверки качества усвоения обучающимися учебного материала преподаватель может провести выборочную проверку конспектов, подводит итоги всего занятия. Выдается задание на подготовку к следующему семинарскому занятию. Подается команда к завершению занятия.


Вопрос 1. Назначение, устройство и классификация систем отопления.

Отопление – это искусственный обогрев помещений с целью возмещения в них тепловых потерь и поддержания температуры воздуха, отвечающей условиям теплового комфорта для людей или требованиям технологического процесса.

Отопление – поддержание в закрытых помещениях нормируемой температуры со средней необеспеченностью 50 ч/г. [приложение А СНиП 41-01-2003]

Комплекс технических устройств, обеспечивающих заданный тепловой режим, называется системой отопления. Основными элементами отопительных систем являются генератор теплоты, теплопровод и нагревательные приборы.

Системы отопления классифицируются по ряду признаков.

В зависимости от места размещения генератора теплоты относительно отапливаемого помещения различают системы местного и центрального отопления.

По виду теплоносителя различают системы водяного, парового, и воздушного отопления.

 

Центральными системами отопления называются системы, в которых генератор теплоты размещен в отдельном помещении, а в отапливаемых расположены только нагревательные приборы, соединенные между собой разветвленной системой теплопроводов.

Центральная система одним или несколькими генераторами теплоты (котлом или группой котлов) может отапливать одно здание с большим числом помещений, несколько зданий, район города или город в целом.

Центральные системы отопления классифицируются по виду и параметрам теплоносителя, способу его перемещения, схеме прокладки магистральных трубопроводов, преобладающему виду теплоотдачи нагревательных приборов (конвективные, лучистые, конвективно-лучистые нагревательные приборы).

Водяные системы отопления наиболее широко распространены в жилых, общественных и производственных зданиях, так как обладают преимуществами перед другими системами отопления: простотой централизованного регулирования теплоотдачи нагревательных приборов, возможностью поддержания на поверхности нагревательных приборов умеренных температур, исключающих процессы термического разложения органических пылей, бесшумностью работы и простой эксплуатации.

Однако системы водяного отопления имеют и ряд недостатков: ограниченность радиуса действия из-за больших потерь давления и высоты систем, повышенная опасность замерзания и др.

Водяные системы в зависимости от способа перемещения и параметров теплоносителя подразделяются на системы с естественной и механической циркуляцией теплоносителя.

В системах с естественной циркуляцией движение воды происходит под действием гидростатического давления, обусловленного разностью плотностей горячей воды на входе в систему и холодной воды на выходе из нее. В данных системах отопления водяной контур сообщается с атмосферой, поэтому температура горячей воды не может превышать 100°С.

В системах отопления с искусственной (насосной) циркуляцией побудителем движения теплоносителя является насос или водоструйный элеватор. Эти системы не сообщаются с атмосферой (давление выше атмосферного), могут иметь температуру горячей воды до 150°С.

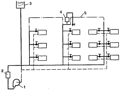
Конструктивное исполнение системы водяного отопления.

Рис. 6. Система водяного отопления с насосной циркуляцией теплоносителя:

1 – насос; 2 – котел; 3 – расширительный бак; 4 – воздухосборник; 5 – воздушная линия

 

Отопительные водяные системы при этом принципиально одинаковы. Отопительную систему монтируют с таким расчетом, чтобы возвратная вода поступала к отопительному аппарату снизу по трубам, имеющим уклон в сторону аппарата.

Системы парового отопления в зависимости от параметров теплоносителя разделяют на системы высокого и низкого давления, а так же вакуумные.

Системы парового отопления в зависимости от абсолютного давления пара делятся на вакуум- паровые - при абсолютном давлении пара менее 0,1 МПа; низкого давления - при давлении пара 0,1-0,12 МПа; повышенного давления - при давлении пара 0,12-0,17 МПа; высокого давления - при абсолютном давлении пара 0,17 – 0,27 МПа.

Паровые системы отопления высокого и низкого давления целесообразно применять в производственных зданиях и сооружениях, где используется пар для технологических нужд. Вакуумные системы применяются крайне редко.

В системах парового отопления теплоносителем является водяной пар. Передача теплоты от теплоносителя к нагревательным приборам происходит за счет его конденсации. Поверхности нагревательных приборов при паровом отоплении имеют температуру 100-130 °С.

Паровое отопление нельзя применять жилых домах, детских учреждениях, школах, санаториях, больницах и т.п.

Системы парового и водяного отопления разделяются по способу прокладки разводящих магистралей на системы с верхней и с нижней прокладкой магистралей.

Конструктивное исполнение системы парового отопления.

 

Рис. 8. Система парового отопления низкого давления:

1 – паровой котел; 2 – паросборник; 3 – паропровод; 4 – нагревательный прибор; 5 – конденсатопровод; 6 – бак для сбора конденсата; 7 - насос

Воздушное отопление применяется в зданиях различного назначения совместно с системами приточной вентиляции. Теплоносителем является наружный воздух, очищенный от пыли и нагретый в калориферах до температуры 30-45 °С. Подача воздуха в отапливаемые помещения осуществляется вентиляторами по воздуховодам.

В производственных помещениях может устраиваться бесканальное воздушное отопление, когда калорифер для нагревания воздуха располагается непосредственно в отапливаемом помещении.

Системы воздушного отопления классифицируются по месту размещения генератора теплоты, виду подачи воздуха в отапливаемые помещения, схеме и конструктивным особенностям.

В зависимости от места размещения генератора теплоты (калорифера) различают центральные и местные системы воздушного отопления.

 

По виду подачи нагретого воздуха в помещения системы воздушного отопления классифицируют на прямоточные, с частичной или полной рециркуляцией. В прямоточных системах воздух забирается снаружи здания, очищается от пыли, проходит термовлажностную обработку и вентилятором подается в помещение. При частичной рециркуляции к наружному воздуху подмешивается воздух, удаляемый из помещения. При полной рециркуляции нагревается только воздух помещения.

По схеме и конструктивным особенностям системы воздушного отопления подразделяются на отдельные и общие. Отдельные обслуживают отдельную зону или одно помещение. Общие системы применяются при отоплении нескольких помещений. Общие системы воздушного отопления более пожароопасны.

В сельской местности, рабочих поселках и поселках городского типа при отсутствии централизованного теплоснабжения кроме отопительных печей находят применение бытовые отопительные аппараты заводского изготовления на твердом, жидком или газообразном топливе.

Для отопления животноводческих помещений, птицефабрик, теплиц и других объектов сельскохозяйственного производства используются теплогенерирующие установки (теплогенераторы, воздухонагреватели, паро-водогрейные котлы и др.).Промышленность выпускает электрические и огневые установки. Огневые теплогенерирующие установки работают на твердом, жидком или газообразном топливе.

 

Местными системами отопления называются устройства, у которых генератор и нагревательный прибор конструктивно объединены и расположены в отапливаемом месте. В местных отопительных системах теплопроводы обычно отсутствуют. К ним относятся печное, а так же газовое и электрическое отопление (при размещении газовых отопительных аппаратов и электронагревательных приборов непосредственно в обогревательных помещениях).

Радиус действия местных систем ограничивается одним или несколькими смежными помещениями небольших размеров. Для помещений больших размеров иногда предусматривается несколько отопительных систем.

В настоящее время всё еще широко применяется печное отопление зданий и отдельных помещений, особенно в небольших городах и сельской местности. Использование различных видов местного топлива, малый расход металла на устройство печей, автономность отдельного здания или отдельного помещения являются преимуществами печного отопления. Однако этот вид отопления имеет и существенные недостатки, основными из которых являются повышенная опасность возникновение пожаров, суточные колебания температуры воздуха в помещении, загрязнение помещений топливом, опасность отравления окисью углерода или другими газами при неправильном выборе или эксплуатации печи.

 

 




Поделиться с друзьями:


Дата добавления: 2014-01-07; Просмотров: 355; Нарушение авторских прав?; Мы поможем в написании вашей работы!


Нам важно ваше мнение! Был ли полезен опубликованный материал? Да | Нет



studopedia.su - Студопедия (2013 - 2026) год. Все материалы представленные на сайте исключительно с целью ознакомления читателями и не преследуют коммерческих целей или нарушение авторских прав! Последнее добавление




Генерация страницы за: 0.008 сек.