Студопедия

КАТЕГОРИИ:


Архитектура-(3434)Астрономия-(809)Биология-(7483)Биотехнологии-(1457)Военное дело-(14632)Высокие технологии-(1363)География-(913)Геология-(1438)Государство-(451)Демография-(1065)Дом-(47672)Журналистика и СМИ-(912)Изобретательство-(14524)Иностранные языки-(4268)Информатика-(17799)Искусство-(1338)История-(13644)Компьютеры-(11121)Косметика-(55)Кулинария-(373)Культура-(8427)Лингвистика-(374)Литература-(1642)Маркетинг-(23702)Математика-(16968)Машиностроение-(1700)Медицина-(12668)Менеджмент-(24684)Механика-(15423)Науковедение-(506)Образование-(11852)Охрана труда-(3308)Педагогика-(5571)Полиграфия-(1312)Политика-(7869)Право-(5454)Приборостроение-(1369)Программирование-(2801)Производство-(97182)Промышленность-(8706)Психология-(18388)Религия-(3217)Связь-(10668)Сельское хозяйство-(299)Социология-(6455)Спорт-(42831)Строительство-(4793)Торговля-(5050)Транспорт-(2929)Туризм-(1568)Физика-(3942)Философия-(17015)Финансы-(26596)Химия-(22929)Экология-(12095)Экономика-(9961)Электроника-(8441)Электротехника-(4623)Энергетика-(12629)Юриспруденция-(1492)Ядерная техника-(1748)

Расчет режима простейших цепей (метод сворачивания или свертки)

Простейшие цепи – это цепи с одним источником энергии и не очень сложной структурой, включающей либо последовательно, либо параллельно соединенные пассивные элементы.

Примерный порядок расчета.

1. Выбирают положительное направление токов ветвей и нумеруют все узлы схемы.

2. Начиная с самого удаленного от источника участка цепи, находят эквивалентные сопротивления участков с последовательным или параллельным соединением элементов. Процесс продолжают до тех пор, пока не получится одноконтурная схема.

3. В полученной схеме находят либо неизвестный ток Iвх, либо неизвестное напряжение Uвх в зависимости от источника схемы.

4. Двигаясь в обратной последовательности, рассчитывают неизвестные токи и напряжения, используя закон Ома и первый закон Кирхгофа.

5. Проверку правильности расчета режима цепи проводят по балансу мощностей или законам Кирхгофа.

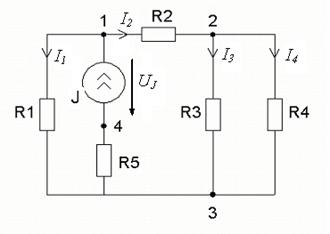
Пример: Дано: , или . Найти: .

Рис. 2.2.1

.

Рис. 2.2.2

.

Рис. 2.2.3

 

.

Рис. 2.2.4

 

.

Рис. 2.2.5

 

Неизвестное напряжение находят по закону Ома: .

Возвращаются к схеме рис. 2.2.4 и определяют неизвестные напряжения по закону Ома: и .

Переходят к схеме рис. 2.2.3 и вычисляют неизвестные токи: , .

По схеме рис. 2.2.2 определяют ,

По схеме рис. 2.2.1 находим: , .

Проверка по балансу мощностей: , .

<== предыдущая лекция | следующая лекция ==>
Примерный порядок расчета. Метод уравнений Кирхгофа | Метод узловых потенциалов. Закон Ома для участка цепи, содержащего источники ЭДС
Поделиться с друзьями:


Дата добавления: 2014-01-07; Просмотров: 337; Нарушение авторских прав?; Мы поможем в написании вашей работы!


Нам важно ваше мнение! Был ли полезен опубликованный материал? Да | Нет



studopedia.su - Студопедия (2013 - 2026) год. Все материалы представленные на сайте исключительно с целью ознакомления читателями и не преследуют коммерческих целей или нарушение авторских прав! Последнее добавление




Генерация страницы за: 0.012 сек.