Студопедия

КАТЕГОРИИ:


Архитектура-(3434)Астрономия-(809)Биология-(7483)Биотехнологии-(1457)Военное дело-(14632)Высокие технологии-(1363)География-(913)Геология-(1438)Государство-(451)Демография-(1065)Дом-(47672)Журналистика и СМИ-(912)Изобретательство-(14524)Иностранные языки-(4268)Информатика-(17799)Искусство-(1338)История-(13644)Компьютеры-(11121)Косметика-(55)Кулинария-(373)Культура-(8427)Лингвистика-(374)Литература-(1642)Маркетинг-(23702)Математика-(16968)Машиностроение-(1700)Медицина-(12668)Менеджмент-(24684)Механика-(15423)Науковедение-(506)Образование-(11852)Охрана труда-(3308)Педагогика-(5571)Полиграфия-(1312)Политика-(7869)Право-(5454)Приборостроение-(1369)Программирование-(2801)Производство-(97182)Промышленность-(8706)Психология-(18388)Религия-(3217)Связь-(10668)Сельское хозяйство-(299)Социология-(6455)Спорт-(42831)Строительство-(4793)Торговля-(5050)Транспорт-(2929)Туризм-(1568)Физика-(3942)Философия-(17015)Финансы-(26596)Химия-(22929)Экология-(12095)Экономика-(9961)Электроника-(8441)Электротехника-(4623)Энергетика-(12629)Юриспруденция-(1492)Ядерная техника-(1748)

Ведущих колес




Назначение, устройство и работа карданной передачи и приводов

Учебный вопрос № 1.

Введение

Занятие № 4.6. Карданные передачи и ведущие мосты

Преподаватель автошколы

_______________________________________________________________________________

 

Учебные вопросы (СЛАЙД № 2)

 

  1. Назначение, устройство и работа карданной передачи и приводов ведущих мостов.
  2. Назначение, устройство и работа ведущего моста.
  3. Главная передача, дифференциал.
  4. Характерные неисправности, их признаки, причины и способы устранения.

Время: 2 часа.

Место проведения: аудитория.

Вид занятия: лекция.

Методические указания.

Обосновывать обучаемым важность рассматриваемого учебного вопроса. Основные положения давать под запись в конспект.

Приводить конкретные примеры из опыта эксплуатации автомобилей.

Обратить внимание на правильность ведения конспектов.

Учебный материал излагать с использованием кадров в Microsoft PowerPoint, схем и плакатов.

Поддерживать связь с аудиторией.

Контроль качества усвоения учебного материал производить кратким опросом по изложенному материалу.

Подводить итог рассмотренного вопроса и приступать к изложению следующего учебного вопроса.

Сделать выводы по материалу занятия, подвести итог занятия, ответить на вопросы обучаемых. Дать задание на самостоятельную работу.

 

 

 

Скоростной режим движения автомобиля во многом зависит от технического состояния карданной передачи и ведущих мостов. Правильный выбор скоростного режима - залог экономии топлива. Коробка передач вместе с двигателем, а также раздаточной коробкой крепятся к раме через резиновые подушки, а ведущие мосты соединяются с рамой через рессоры. При изменении нагрузки или при движении по неровным дорогам расстояние и углы между указанными агрегатами изменяются. В этих условиях карданная передача позволяет бесперебойно передавать крутящий момент.

Механизмы ведущих мостов увеличивают крутящий момент и передают его на полуоси под прямым углом, а устройство межколесного дифференциала позволяет колесам одного моста катиться с различными скоростями при движении на поворотах или по неровной дороге.

 

Соединение последовательно расположенных ведущего и ведомого валов одного механизма и тем более нескольких агрегатов, находящихся на удалении друг от друга и изменяющих взаимное расположение в процессе передачи крутящего момента, представляет существенные трудности, обусловленные необходимостью обеспечения строгой соосности вращения упомянутых деталей. Несоосно и жестко соединенные валы при передаче крутящего момента испытывают значительные радиальные, осевые и инерционные нагрузки, которые передаются на их опоры, детали крепления и приводят к преждевременному разрушению этих узлов и деталей.

Коробка передач (вместе с двигателем) и раздаточная коробка размещаются на определенном расстоянии друг от друга и имеют полужесткое крепление к раме автомобиля, а главные передачи находятся еще на большем удалении от них и, кроме того, оснащаются упругой связью с рамой машины, т. е. главная передача в большей степени может изменять свое положение как относительно рамы, так и относительно названных агрегатов.

Таким образом, валы, которые должны быть соединены между собой для передачи вращения (крутящего момента) от одного упомянутого выше агрегата к другому, изначально в процессе движения автомобиля обладают несоосностью и непостоянством взаимного расположения. Следовательно, для силовой связи коробки передач с раздаточной коробкой и главной передачей валы в обычном исполнении не пригодны.

С учетом сказанного выше в трансмиссии машины применяется специальный узел, позволяющий при передаче значительных по величине крутящих моментов компенсировать несоосность ведомого и ведущего валов соединяемых агрегатов, а также изменяющуюся разность расстояний между ними. Этот узел называется карданной передачей.

1.1. Карданная передача.

Карданная передача служит для передачи крутящего момента от ведомого вала коробки передач или раздаточной коробки к ведущему валу главной передачи.

Её применение связано с тем, что изменяется взаимное положение осей валов трансмиссии, и они не лежат на одной прямой. (СЛАЙД № 4)

У трехосных автомобилей КамАЗ-4310 и Урал-4320 карданная передача состоит из основного карданного вала (между коробкой передач и раздаточной коробкой), вала привода среднего моста, вала привода заднего моста и вала привода переднего моста.

Коробка передач или раздаточная коробка на автомобиле, установлена выше ведущего моста, в результате чего ось карданного вала, передающего крутящий момент, расположена под некоторым углом к горизонтали. Коробка передач соединена с рамой неподвижно, а ведущий мост подвешен к ней при помощи рессор. Когда при прогибе рессор изменяется положение моста относительно рамы, изменяется угол наклона карданного вала.

Карданная передача автомобиля КАМАЗ-4310 (рис. 1) состоит из основного карданного вала 2, вала привода среднего моста 4, вала привода заднего моста 6 и вала привода переднего моста 8.

 

 

Рис. 1. Карданная передача автомобиля (6´6): (СЛАЙД № 5)

1 – коробка передач; 2 - основной карданный вал; 3 – коробка раздаточная; 4 - карданный вал привода среднего моста; 5 – средний мост; 6 - карданный вал привода заднего моста; 7 – задний мост; 8 - карданный вал привода переднего моста; 9 – передний мост.

Валы карданной передачи изготовлены из тонкостенных стальных труб. На концах к трубе приварены вилки карданных шарниров либо вилка и шлицевая втулка. Благодаря наличию скользящей втулки карданный вал может удлиняться и укорачиваться. Для уменьшения вибрации желательно, чтобы длина карданного вала была небольшой, для этого на автомобилях применяют промежуточный карданный вал, который одним концом присоединен к ведущему валу коробки передач, а другим - к основному карданному валу.

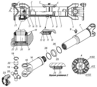
Вал карданной передачи состоит из карданных шарниров и карданных валов (рис. 2).

 

 

 

Рис. 2. Устройство карданной передачи: (СЛАЙД № 6)

1 – крестовина; 2 – вилка-фланец; 3 – скользящая вилка; 4 – стальные разрезные кольца; 5 – обойма; 6 – войлочное кольцо; 7 – резиновое кольцо; 8 – шлицевая втулка; 9 – заглушка; 10 – балансировочные пластины; 11 – труба карданного вала; 12 – вилка карданного шарнира; 13– метки; 14 – крышка подшипника; 15 – стопорная пластина; 16 – игольчатый подшипник.

 

Карданный вал привода среднего моста (рис. 3) состоит из трубы с телескопическим шлицевым соединением и двух карданных шарниров неравных угловых скоростей.

 

Рис. 3. Карданный вал привода среднего моста: (СЛАЙД № 7)

1 - гайка самоконтрящаяся М14×1,5; 2,6 - пластина балансировочная; 3 - проволока; 4 - петля; 5 - вилка приварная; 7; - труба (вал); 8 - заглушка; 9,17 - пресс-масленки; 10 - скребок; 11 - кольцо уплотнительное; 12, 26 - шайбы; 13 - обойма; 14 - труба телескопического уплотнения; 15 - втулка шлицевая; 16 - вилка скользящая; 18 - уплотнение; 19 - кольцо стопорное; 20 - крестовина; 21 - подкладка полиамидная; 22 - подшипник; 23 - вилка-фланец; 24 - болт М14×1,5 (1/14220/31); 25 - кольцо уплотнительное

 

Карданный шарнир неравных угловых скоростей - шарнир, характеризующийся периодическим неравенством угловых скоростей ведомого вала относительно ведущего, зависящим от угла в шарнире. Каждый шарнир включает две вилки и крестовину с подшипниками и деталями крепления.

Одна из вилок имеет фланец и крепится к фланцу вала агрегата трансмиссии, а другая связана с трубой карданного вала. Причем, вилка шарнира, связанного с главной передачей, соединена с трубой карданного вала и шлицевой втулкой жестко (приварены), а вилка шарнира, связанного с коробкой передач или раздаточной коробкой, выполнена заодно с шлицевым валом и соединена со шлицевой втулкой вала. В проушинах вилок расточены в линию два отверстия под подшипники крестовины. Вилка-фланец 23 на торцевой поверхности имеет шлицы, взаимно пересекающиеся под углом 70°, которые передают крутящий момент, разгружая тем самым болты крепления фланцев. Данное соединение выполнено по международному стандарту ISO-12667.

Вилки 16 и 23 шарнирно соединяются между собой крестовиной 20, установленной в проушинах вилок на игольчатых подшипниках 22. Подшипники 22, состоящие из стаканов и иголок, надеты на шлифованные шипы крестовины 20 и закреплены в проушинах вилок стопорными кольцами 19. Стопорные кольца 19 позволяют также регулировать осевой зазор вдоль шипов крестовины в пределах 0,01-0,05 мм. Для регулировки предусмотрен набор стопорных колец различной толщины.

Крестовина 20 имеет полости, соединенные сверлениями, которые при сборке заполняются смазкой № 158, кроме того, смазка закладывается в подшипники крестовин в количестве 9-11 г. В эксплуатации смазка может пополняться через пресс-масленку 17. Полость подшипника защищена уплотнением 18.

Подшипник 22 крестовины, его обозначение 804707АС10, усиленный, не взаимозаменяем со старым подшипником (804707К8С10). Он имеет компактное встроенное уплотнение, на донышке подшипника установлена пластмассовая полиамидная шайба 21, которая воспринимает осевые силы от шипа крестовины и вследствие малого коэффициента трения с металлом уменьшает износ торцов шипов крестовины.

Крутящий момент передается с ведущей вилки, связанной с валом агрегата через два подшипника, на крестовину и далее - через другую пару подшипников на ведомую вилку, через шлицевое соединение на трубу вала и далее, через второй шарнир на фланец вала другого агрегата. Наличие шлицевого соединения позволяет изменять длину вала при работе, что необходимо для компенсации изменения расстояния между агрегатами при их взаимном перемещении. Главная особенность работы шарниров карданного вала заключается в циклическом изменении угловой скорости в каждом шарнире. При равномерном вращении ведущей вилки ведомая вилка вращается неравномерно, за один оборот она дважды обгоняет и дважды отстает от ведущей вилки.

Для устранения этого недостатка карданный вал имеет два шарнира, работающих в противофазе. Если в первом шарнире происходит изменение угловой скорости, то второй шарнир компенсирует это изменение. В результате ведомая вилка второго шарнира вращается с равномерной угловой скоростью. При этом ведущая и ведомая вилки шарниров устанавливаются в одной плоскости. Вал 7 изготовлен из свертной трубы, сваренной из холоднокатаной ленты толщиной 4 мм. С одной стороны к трубе приварена глухая вилка 5, изготовленная из стали 45 и термически обработанная на твердость НВ 229-269. С другой стороны к трубе приварена шлицевая втулка 15, изготовленная из стали 40Х и также термически обработанная. Во втулке имеются 28 эвольвентных шлиц. Шлицевая втулка по внутренним шлицам и наружному диаметру покрыта полиамидным покрытием (полиамид 11) с толщиной слоя 0,2-0,3 мм. Полиамидное покрытие износостойкое и имеет малый коэффициент трения по стали, поэтому при осевых перемещениях в шлицевом соединении сила трения значительно меньше, чем в традиционных конструкциях, таким образом, менее нагружены осевыми силами соединяемые агрегаты: коробка передач, ведущие мосты, раздаточная коробка.

В шлицевую втулку 15 установлена скользящая вилка 16, образуя с втулкой телескопическое шлицевое соединение. Скользящая вилка 16 состоит из шлицевого вала, выполненного заодно с вилкой. Скользящая вилка изготовлена из стали 40Х.

Шлицевое соединение смазывается смазкой Литол-24, которая закладывается перед сборкой. Для пополнения смазки в процессе эксплуатации в шлицевую втулку ввернута пресс-масленка 9. Смазка во внутренней полости шлицевой втулки удерживается с одной стороны заглушкой 8, завальцованной в торец шлицевой втулки 15, а с другой стороны - телескопическим уплотнением.

Телескопическое уплотнение (см. рис. 3) состоит из трубы 14, приваренной к скользящей вилке, в развальцованной части которой находятся: кольцо уплотнительное войлочное 11, скребок 10, две шайбы 12 и обойма 13. После сборки обойма раскернивается в четырех противоположных местах.

На трубах приварены петли 4, которые служат для соединения карданного вала при транспортировке проволокой 3 диаметром 3-4 мм.

Карданные валы после сборки динамически балансируют при частоте вращения 2000 мин-1. Балансировка осуществляется приваркой пластин балансировочных 2 и 6.

Для отметки взаимного расположения сбалансированного комплекта на трубах карданного вала выбиты стрелки, которые обязательно нужно совмещать при повторных сборках.

При установке карданных валов на автомобиль болты крепления 24 и самоконтрящиеся гайки 1 затянуть моментом 186-206 Н·м (19-21 кгс·м).

Карданный вал привода заднего моста (рис. 4) по устройству аналогичен карданному валу привода среднего моста, отличается от него меньшей размерностью деталей. При установке карданных валов на автомобиль болты крепления 3 и самоконтрящиеся гайки 2 закрутить моментом 117,5-132,5 н·м (12-13,5 кгс·м).

Основной карданный вал (рис. 5) полноприводных автомобилей КАМАЗ-4350 и КАМАЗ-5350 соединяет фланцы коробки передач и первичного вала раздаточной коробки. На автомобилях КАМАЗ-4350 и КАМАЗ - 5350 применяется укороченный основной карданный вал с изменяемой длиной. Его конструктивная особенность в том, что шлицы увеличены в радиальном размере до величины, превышающей размеры крестовины, в результате чего крестовины сближены до минимального размера.

 

 

Рис. 4. Карданный вал привода заднего моста: (СЛАЙД № 8)

1 - карданный вал в сборе; 2 - гайка самоконтрящаяся М 12×1,25; 3 - болт М 12×1,25

Крестовины карданного вала в сборе с подшипниками, уплотнением 7 и стопорными кольцами 9 унифицированы с крестовинами карданного вала 53205-2201011-10, вместо масленок установлены резьбовые пробки.

Вилка скользящая 2 на наружном диаметре имеет шлицы, на которых установлена обойма 1, имеющая внутренние шлицы. Шлицевое соединение позволяет перемещаться фланцам друг относительно друга на 30 мм, максимально допустимый угол в шарнире 10°.

 

Рис. 5. Карданный вал основной: (СЛАЙД № 9)

1 - обойма карданного вала; 2 - вилка скользящая; 3 - кольцо; 4 - болт М14×1,5; 5 - шайба стопорная; 6 - вилка фланцев; 7 - уплотнение подшипника; 8 - подшипник (804707АС10); 9 - кольцо стопорное; 10 - кольцо стопорное; 11 - кольцо уплотнительное; 12 - шайба защитная; 13 – заглушка

 

На вилку скользящую напрессовано кольцо 3, являющееся рабочей поверхностью уплотнения. Уплотнение состоит из резинового кольца 11 и двух шайб 12, закрепленных стопорным кольцом 10. Полость шлицевого соединения изолирована от внешней среды двумя заглушками 13 в виде шайб, которые приварены по местам соединения. Во фланцах выполнены четыре резьбовых отверстия М14´1,5 для соединения с фланцами коробки передач и раздаточной коробки. Болты 4 с шайбами устанавливаются со стороны коробки и раздаточной коробки и затягиваются моментом 186-206 Н×м.

Карданные шарниры состоят из: крестовины, двух вилок, игольчатых подшипников (рис. 6).

 

Рис. 6. Состав карданных шарниров: (СЛАЙД № 10)

1 – крестовина; 2 - две вилки; 3 - игольчатые подшипники

 

Шипы крестовины входят в отверстия вилок. Между шипами и стенками отверстий установлены игольчатые подшипники.

Подшипник состоит из: стального стакана, набора тонких игл (роликов).

Чтобы из подшипников не вытекала смазка, устанавливают сальники. Подшипники закреплены в отверстиях вилки при помощи крышек с винтами или замочными кольцами.

Карданный шарнир позволяет передавать крутящий момент под углом (рис. 11, 12).

 

 

Рис. 7. Карданные шарниры: (СЛАЙДЫ № 11, 12)

 

Однако рассматриваемый шарнир обладает той особенностью, что при равномерном вращении одной из вилок вторая вилка вращается неравномерно, поэтому такой шарнир называется шарниром неравных угловых скоростей. Для устранения этого недостатка карданный вал имеет второй шарнир, у которого при неравномерном вращении одной из вилок вторая вилка вращается равномерно. Для передачи равномерного вращения через карданный вал должно соблюдаться следующее условие: вилка, приваренная к трубе, и скользящая вилка должны быть в одной плоскости, при этом метки на шлицевой втулке и скользящей вилке должны совпадать.

 




Поделиться с друзьями:


Дата добавления: 2014-01-07; Просмотров: 1775; Нарушение авторских прав?; Мы поможем в написании вашей работы!


Нам важно ваше мнение! Был ли полезен опубликованный материал? Да | Нет



studopedia.su - Студопедия (2013 - 2026) год. Все материалы представленные на сайте исключительно с целью ознакомления читателями и не преследуют коммерческих целей или нарушение авторских прав! Последнее добавление




Генерация страницы за: 0.01 сек.