Студопедия

КАТЕГОРИИ:


Архитектура-(3434)Астрономия-(809)Биология-(7483)Биотехнологии-(1457)Военное дело-(14632)Высокие технологии-(1363)География-(913)Геология-(1438)Государство-(451)Демография-(1065)Дом-(47672)Журналистика и СМИ-(912)Изобретательство-(14524)Иностранные языки-(4268)Информатика-(17799)Искусство-(1338)История-(13644)Компьютеры-(11121)Косметика-(55)Кулинария-(373)Культура-(8427)Лингвистика-(374)Литература-(1642)Маркетинг-(23702)Математика-(16968)Машиностроение-(1700)Медицина-(12668)Менеджмент-(24684)Механика-(15423)Науковедение-(506)Образование-(11852)Охрана труда-(3308)Педагогика-(5571)Полиграфия-(1312)Политика-(7869)Право-(5454)Приборостроение-(1369)Программирование-(2801)Производство-(97182)Промышленность-(8706)Психология-(18388)Религия-(3217)Связь-(10668)Сельское хозяйство-(299)Социология-(6455)Спорт-(42831)Строительство-(4793)Торговля-(5050)Транспорт-(2929)Туризм-(1568)Физика-(3942)Философия-(17015)Финансы-(26596)Химия-(22929)Экология-(12095)Экономика-(9961)Электроника-(8441)Электротехника-(4623)Энергетика-(12629)Юриспруденция-(1492)Ядерная техника-(1748)

Гравитационные смесители

ЛЕКЦИЯ 15) МАШИНЫ ДЛЯ ПРИГОТОВЛЕНИЯ БЕТОННЫХ СМЕСЕЙ И РАСТВОРА

 

Рис. 15.1 - Определение удобоукладываемости бетонной смеси по осадке конуса: 1 — первоначальный конус, 2 — конус после осадки; 3 — осадка конуса

 

Рис. 15.2 - Схема определения жесткости бетонной смеси:

а — прибор в исходном состоянии; б—после окончания вибрирования;

 

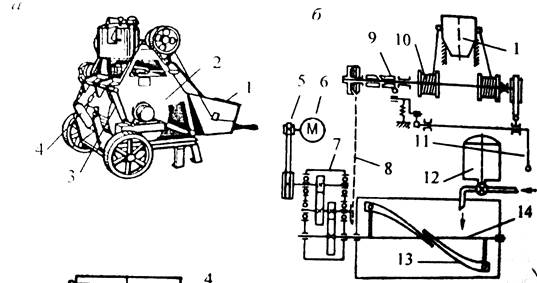
Рис.15.3 – Передвижной гравитационный смеситель

 

Рис.15.4 – Смеситель принудительного действия.

Рис. 15.5 – Турбулентный смеситель. Рис.15.6 – Смеситель непрерывного действия.

в
б

а

Рис.15.7 - Роторный бетоносмеситель: а – принципиальная схема, б – кинематическая схема, в – внешний вид (без загрузочного оборудования).

 

<== предыдущая лекция | следующая лекция ==>
Безкопровое погружение. Вибропогружатели и вибромолоты Рис. 11. 8 – схемы вибропогружателей: а – низкочастотный | 
Поделиться с друзьями:


Дата добавления: 2014-01-07; Просмотров: 637; Нарушение авторских прав?; Мы поможем в написании вашей работы!


Нам важно ваше мнение! Был ли полезен опубликованный материал? Да | Нет



studopedia.su - Студопедия (2013 - 2026) год. Все материалы представленные на сайте исключительно с целью ознакомления читателями и не преследуют коммерческих целей или нарушение авторских прав! Последнее добавление




Генерация страницы за: 0.011 сек.