Студопедия

КАТЕГОРИИ:


Архитектура-(3434)Астрономия-(809)Биология-(7483)Биотехнологии-(1457)Военное дело-(14632)Высокие технологии-(1363)География-(913)Геология-(1438)Государство-(451)Демография-(1065)Дом-(47672)Журналистика и СМИ-(912)Изобретательство-(14524)Иностранные языки-(4268)Информатика-(17799)Искусство-(1338)История-(13644)Компьютеры-(11121)Косметика-(55)Кулинария-(373)Культура-(8427)Лингвистика-(374)Литература-(1642)Маркетинг-(23702)Математика-(16968)Машиностроение-(1700)Медицина-(12668)Менеджмент-(24684)Механика-(15423)Науковедение-(506)Образование-(11852)Охрана труда-(3308)Педагогика-(5571)Полиграфия-(1312)Политика-(7869)Право-(5454)Приборостроение-(1369)Программирование-(2801)Производство-(97182)Промышленность-(8706)Психология-(18388)Религия-(3217)Связь-(10668)Сельское хозяйство-(299)Социология-(6455)Спорт-(42831)Строительство-(4793)Торговля-(5050)Транспорт-(2929)Туризм-(1568)Физика-(3942)Философия-(17015)Финансы-(26596)Химия-(22929)Экология-(12095)Экономика-(9961)Электроника-(8441)Электротехника-(4623)Энергетика-(12629)Юриспруденция-(1492)Ядерная техника-(1748)

Характеристика тепловых процессов

Типовая схема автоматизации

Информационная схема объекта.

Общая характеристика процессов перемешивания в жидких средах.

Лекция №8 Автоматизация процесса перемешивания

Вопросы, рассматриваемые в лекции:

 

Перемешивание - гидромеханический процесс взаимного перемещения частиц в жидкой среде с целью их равномерного распределения во всем объеме под действием импульса, передаваемого среде мешалкой, струей жидкости или газа.

Цели перемешивания:

¨ Создание суспензий - обеспечение равномерного распределения твердых частиц в объеме жидкости;

¨ Образование эмульсий, аэрация - равномерное распределение и дробление до заданных размеров частиц жидкости в жидкости или газа в жидкости;

¨ Интенсификация нагревания или охлаждения орабатываемых масс;

¨ Интенсификация массообмена в перемешиваемой системе (растворение, выщелачивание).

 

 

Рисунок 1 - Основные схемы перемешивания

 

Механическое - перемешивание мешалками, вращающимися в аппарате с перемешиваемой средой.

Барботажное- перемешивание путем пропускания через жидкую среду потока воздуха или газа, раздробленного на мелкие пузырьки, которые, поднимаясь в слое жидкости под действием Архимедовой силы, интенсивно перемешивают жидкость.

Циркуляционное перемешивание- перемешивание, осуществляемое путем создания многократных циркуляционных потоков в аппарате с помощью насоса.

Объект управления - емкость с мешалкой, аппарат непрерывного действия, в котором смешиваются две жидкости А (с концентрацией целевого компонента Са) и Б (с концентрацией целевого компонента Сб) для получения гомогенизированного раствора с заданной концентрацией целевого компонента Ссм.

 

 

Рисунок 2 - Схема объекта управления

 

Показатель эффективности процесса - концентрация целевого компонента в гомогенизированном растворе (смеси) - Ссм.

Цель управления процессом - обеспечение заданной концентрации смеси при эффективном и интенсивном перемешивании.

Эффективность перемешивания обеспечивается выбором параметров аппарата, перемешивающего устройства, числа оборотов мешалки, обеспечивающих равномерность концентрации смеси в аппарате с заданной интенсивностью(т.е. за заданное время).

Однако в реальных условиях технологические объекты подвержены действию внешних и внутренних возмущений, которые приводят к отклонению технологических режимов работы от расчетных.

Задача разработки системы автоматизации обеспечить в условиях действия внешних и внутренних возмущений в процессе эффективное и интенсивное его функционирование с требуемыми характеристиками качества.

 

Материальный баланс по целевому компоненту.

Уравнение динамики:

. (1)

Уравнение статики при :

. (2)

 

На основании (1) и (2) можно принять:

. (3)

Материальный баланс по всему веществу.

Уравнение динамики:

. (4)

Уравнение статики при :

. (5)

На основании (4) и (5) можно принять:

 

. (6)

 

 

Рисунок 3 - Информационная схема объекта

 

· Управляемые переменные - Ссм и hсм.

· Возможные контролируемые возмущения: ,

причем задано, что .

· Возможные управляющие воздействия:.

· Однако, в данном случае, Gсм определяется последующим технологическим процессом и поэтому не может использоваться в качестве регулирующего воздействия.

Анализ статической характеристики объекта.

Уравнение статики на основе материального баланса по целевому компоненту:

. (7)

Из уравнения (7) выразим в явном виде:

 

. (8)

Анализ выражения (8) показывает, что:

· Статическая характеристика линейна по каналам: ;

· Статическая характеристика нелинейна по каналам .

 

 

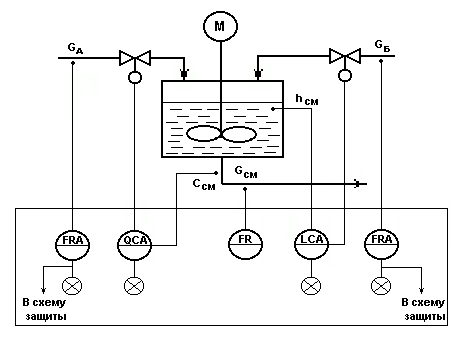
Рисунок 4 - Типовая схема автоматизации процесса перемешивания

 

Типовое решение автоматизации.

1. Регулирование.

· Регулирование концентрации С см по подаче реагента GА - как показателя эффективности процесса перемешивания с целью получения гомогенизированного раствора.

· Регулирование уровня в аппарате hсм по подаче реагента GБ - для обеспечения материального баланса по жидкой фазе.

2. Контроль.

· расходы - G А, G Б, G см ;

· концентрация - С см;

· уровень - hсм.

3. Сигнализация.

· существенные отклонения С см и h см от задания;

· резкое падение расходов исходных реагентов GА¯ или GБ¯, при этом формируется сигнал «В схему защиты».

4. Система защиты.

По сигналу «В схему защиты» - отключаются магистрали подачи исходных реагентов GА, GБ и отбора смеси Gсм.

 

 

Лекция №9 Типовая схема процесса перемещения жидкости. Общая

Вопросы, рассматриваемые в лекции:

1. Математическое описание статики объекта.

2. Информационная схема объекта управления.

3. Основные законы тепловых процессов

 

Объект управления трубопровод

Показатель эффективности процесса - расход Q.

Цель управления процессом Q=Qзд.

 

Анализ типовой схемы как объекта управления:

 

Рисунок 1 - Схема трубопровода как объекта управления

для типовой схемы процесса перемещения жидкости

 

Математическое описание статики объекта.

1. Материальный баланс для трубопровода (рис.1) на основании условия неразрывности струи:

S a *v a = S b *v b. (1)

Из (1) получим:

v a = S b *v b/ Sa. (1б)

Обозначим S b / S a = m. (1в)

2. Энергетический баланс - уравнение Бернулли:

. (2)

Где потери давления на сообщение потоку скорости:

,

потери давления на преодоление трения потока о стенки трубопровода:

,

где l = f(Re,l) - коэффициент трения.

Полное сопротивление:

.

Рисунок 2 - Информационная схема объекта управления

 

· Хро - возможное регулирующее воздействие;

· Рa, ha, Pb, hb - возможные контролируемые возмущающие воздействия;

· Z - возможные неконтролируемые возмущающие воздействия.

 

Общая характеристика тепловых процессов

· Уравнение Клапейрона-Клаузиуса ,

где Р - давление;

r - молярная теплота фазового перехода;

Т - температура фазового перехода (испарения, плавления, возгонки);

∆V - изменение объема 1 моля вещества при переходе его из одной фазы в другую.

Связь основных параметров теплоносителей в газовой фазе.

· Закон Бойля:

P*V=const; при T=const.

· Закон Гей-Люссака:

,

или при Р=const:

,

можно также получить:

при Р=const,

или при V=const.

· Закон Авогадро: в одинаковых объемах газа при одинаковых температуре и давлении содержится одно и то же количество молекул.

· 1г-мол. любого вещества в газообразном состоянии занимает 22,4л.;

· 1кг-мол. → 22,4 м3 и содержит 6,03*1023 молекул.

Уравнение Менделеева – Клапейрона.

для 1 г-моля газа: P*V=R*T,

для n г-молей газа: P*V = n*R*T.

 

Если количество газа выражается в граммах:

,

откуда: ,

или .

Тепловая нагрузка аппарата.

Тепло, отдаваемое более нагретым теплоносителем Q1, затрачивается на нагрев более холодного теплоносителя Q2 и на потери в окружающую среду Qпот.:

Q1= Q2+ Qпот..

Так как Qпот= 2-3%, то им можно пренебречь и считать:

Q1 = Q2 = Q,

где Q – тепловая нагрузка аппарата.

Уравнение теплового баланса аппарата.

Q = G1*(I1Н-I1К) = G2*(I2К-I2Н),

где G1 и G2 - массовые расходы теплоносителей, кг/с;

I и I - начальные энтальпии теплоносителей, дж/кг;

I и I и - конечные энтальпии теплоносителей, дж/кг.

Энтальпии теплоносителей:

Ii=ci*qi.

Тепловой баланс аппарата при использовании теплоносителей, не изменяющих агрегатного состояния:

Q = G11*(q-q) = G22*(q-q),

где с1 и с2 - средние удельные теплоемкости.

Основное уравнение теплопередачи.

Q = K*F*Dtср*t, (1)

где

F - поверхность теплообмена;

Dtср - средний температурный напор;

t - время теплообмена;

К - коэффициент теплопередачи:

 

. (2)

 

Выражения для определения коэффициента К в зависимости от способа передачи тепла.

· При передаче тепла теплопроводностью К - это коэффициент теплопроводности l, определяемый на основе закона Фурье:

 

(3)

· При конвективном теплообмене К - это коэффициент теплоотдачи a, определяемый на основе закона Ньютона:

, (4)

· При передаче тепла путем излучения К - коэффициент взаимного излучения с1-2 излучающих тел:

K=с1-2 = eпр*K0*108 = , (5)

где

К0 - константа лучеиспускания;

eпр = e1 *e2 - приведенная степень черноты;

e1 и e2 - степени черноты излучающих тел.

 


<== предыдущая лекция | следующая лекция ==>
Лекция № 7 Общие подходы к автоматизации ХТП | Лекция № 10 Автоматизация кожухотрубных теплообменников
Поделиться с друзьями:


Дата добавления: 2014-01-07; Просмотров: 1205; Нарушение авторских прав?; Мы поможем в написании вашей работы!


Нам важно ваше мнение! Был ли полезен опубликованный материал? Да | Нет



studopedia.su - Студопедия (2013 - 2026) год. Все материалы представленные на сайте исключительно с целью ознакомления читателями и не преследуют коммерческих целей или нарушение авторских прав! Последнее добавление




Генерация страницы за: 0.011 сек.