Студопедия

КАТЕГОРИИ:


Архитектура-(3434)Астрономия-(809)Биология-(7483)Биотехнологии-(1457)Военное дело-(14632)Высокие технологии-(1363)География-(913)Геология-(1438)Государство-(451)Демография-(1065)Дом-(47672)Журналистика и СМИ-(912)Изобретательство-(14524)Иностранные языки-(4268)Информатика-(17799)Искусство-(1338)История-(13644)Компьютеры-(11121)Косметика-(55)Кулинария-(373)Культура-(8427)Лингвистика-(374)Литература-(1642)Маркетинг-(23702)Математика-(16968)Машиностроение-(1700)Медицина-(12668)Менеджмент-(24684)Механика-(15423)Науковедение-(506)Образование-(11852)Охрана труда-(3308)Педагогика-(5571)Полиграфия-(1312)Политика-(7869)Право-(5454)Приборостроение-(1369)Программирование-(2801)Производство-(97182)Промышленность-(8706)Психология-(18388)Религия-(3217)Связь-(10668)Сельское хозяйство-(299)Социология-(6455)Спорт-(42831)Строительство-(4793)Торговля-(5050)Транспорт-(2929)Туризм-(1568)Физика-(3942)Философия-(17015)Финансы-(26596)Химия-(22929)Экология-(12095)Экономика-(9961)Электроника-(8441)Электротехника-(4623)Энергетика-(12629)Юриспруденция-(1492)Ядерная техника-(1748)

Способы компенсации карданной погрешности

 

Аналитический способ. В бортовом вычислителе реализуется (1). Это представляет некоторые затруднения, так как необходимо знать истинное значение угла курса (не поддается непосредственному измерению), а так же угла крена самолета (с датчиков угла крена).

Аналитический способ реализуется следующим образом: с датчиков угловой скорости снимается сигнал о вертикальной составляющей угловой скорости полета . Тогда истинное значение угла курса получается по следующей формуле:

определяется по следующему алгоритму:

 

измеряется с помощью двух ДУСов, так как:

, - проекции абсолютной угловой скорости полета самолета на оси Yc и Zc соответственно (см. рис.3). Измеряются датчиками угловой скорости.

 

Данная система довольно – таки неудобна, поэтому используется следующий способ.

 

Геометрический (аппаратный) способ компенсации. Ось наружной рамки стабилизируется по вертикали места. Такой способ уменьшения кардановой погрешности применяется в курсовых гироагрегатах (ГА) курсовых систем.

Возможны 2 схемы компенсации.

Схема 1: компенсация только при угле крена (самолеты гражданской авиации);

Схема 2: компенсация как при угле крена, так и при угле тангажа (военные самолеты, истребители).

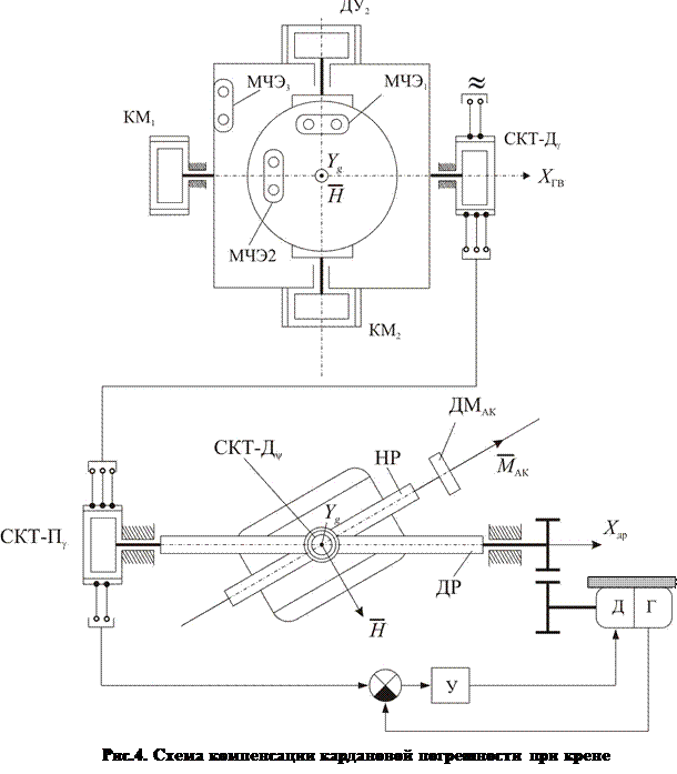
Схема компенсации кардановой погрешности при крене

При этом ГПК помещают в дополнительную раму, ось подвеса которой ориентирована по продольной оси самолета, а двигатель отработки этой рамы управляется сигналом с гировертикали.


       
   
 
 
CКТ-П


На рис.4 показан вид на систему ГВ – ГПК (вид на ГВ - сверху - вертикаль места направлена перпендикулярно плоскости рисунка на нас, вид на ГПК – со стороны местной вертикали).

Независимо от крена самолета ось наружной рамки ГПК должна все время оставаться параллельной вертикали места. Для стабилизации OYНР (оси наружной рамы) по вертикали места служит следящая система, имеющая главную (жесткую) обратную связь и скоростную обратную связь (посредством использования тахогенератора – ее может и не быть). Данная следящая система состоит из двух СКТ, причем СКТ – датчик (СКТ - Дg) установлен на оси наружной рамки ГВ, а СКТ – приемник (СКТ - Пg)– на оси подвеса дополнительной рамы, в которую устанавливается ГПК.

Сигнал с СКТ – приемника идет на вход суммирующего устройства, далее на усилитель и на обмотки управления двигателя (в качестве двигателя используется привод стабильной скорости), который через редуктор разворачивает соответствующим образом дополнительную рамку так, чтобы ось наружной рамки оставалась вертикальной.

Сигнал тахометрической связи обеспечивает качественную динамику отработки данной следящей системы (устранение колебаний).

Изобразим взаимное положение роторов и статоров СКТ при (рис.5) и при (рис.6): взаимное положение характеризуется расположением рисок.

 
 

 
 
В первый момент времени после возникновения угла взаимное положение рисок на роторе и статоре СКТ показано на рис.6 (дополнительная рамка совместно с поворачивается вместе самолетом). Однако спустя некоторое, весьма малое время, положение будет аналогично изображенному на рис.7, то есть рассогласование в положениях ротора и статора будет

достаточно мало (выходное напряжение с СКТ близко к нулю).

При наличии угла тангажа ГПК устанавливается в еще одну дополнительную раму.

Следующий тип методической погрешности – виражная погрешность ГПК.

<== предыдущая лекция | следующая лекция ==>
Погрешности ГПК и способы их уменьшения | Виражная погрешность
Поделиться с друзьями:


Дата добавления: 2014-01-15; Просмотров: 728; Нарушение авторских прав?; Мы поможем в написании вашей работы!


Нам важно ваше мнение! Был ли полезен опубликованный материал? Да | Нет



studopedia.su - Студопедия (2013 - 2026) год. Все материалы представленные на сайте исключительно с целью ознакомления читателями и не преследуют коммерческих целей или нарушение авторских прав! Последнее добавление




Генерация страницы за: 0.013 сек.