Студопедия

КАТЕГОРИИ:


Архитектура-(3434)Астрономия-(809)Биология-(7483)Биотехнологии-(1457)Военное дело-(14632)Высокие технологии-(1363)География-(913)Геология-(1438)Государство-(451)Демография-(1065)Дом-(47672)Журналистика и СМИ-(912)Изобретательство-(14524)Иностранные языки-(4268)Информатика-(17799)Искусство-(1338)История-(13644)Компьютеры-(11121)Косметика-(55)Кулинария-(373)Культура-(8427)Лингвистика-(374)Литература-(1642)Маркетинг-(23702)Математика-(16968)Машиностроение-(1700)Медицина-(12668)Менеджмент-(24684)Механика-(15423)Науковедение-(506)Образование-(11852)Охрана труда-(3308)Педагогика-(5571)Полиграфия-(1312)Политика-(7869)Право-(5454)Приборостроение-(1369)Программирование-(2801)Производство-(97182)Промышленность-(8706)Психология-(18388)Религия-(3217)Связь-(10668)Сельское хозяйство-(299)Социология-(6455)Спорт-(42831)Строительство-(4793)Торговля-(5050)Транспорт-(2929)Туризм-(1568)Физика-(3942)Философия-(17015)Финансы-(26596)Химия-(22929)Экология-(12095)Экономика-(9961)Электроника-(8441)Электротехника-(4623)Энергетика-(12629)Юриспруденция-(1492)Ядерная техника-(1748)

УЭ 6.8-7. Измерение импульсных параметров транзисторов




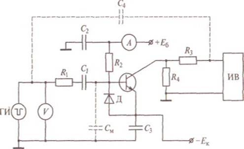
На рисунке 7.8 изображена схема для измерения времени рассасыва­ния быстродействующих транзисторов. Испытуемый транзистор на­сыщен постоянным базовым током. Насыщающий ток Iб1 обеспечива­ется генератором тока, образованным источником 2% и резистором R2. Генератор импульсов тока (ГИ) вырабатывает импульсы напря­жения прямоугольной формы длительностью tи. Амплитуда импуль­сного напряжения должна быть, по крайней мере, в 10 раз больше максимально возможного значения Uб нас транзистора. В этих усло­виях рассасывающий ток определяется из соотношения

Iб2 = ,

где U — амплитудное значение импульса, измеряемое вольтмет­ром V; R1 сопротивление.

Значение тока Iб контролируется амперметром постоянного тока А.

Для обеспечения минимальной погрешности измерения, как правило, берутIб1 =Iб2. Вспомогательный диод Д предназначен для защиты от пробоя эмиттерного перехода транзистора после окончания процесса рассасывания. В течение всего измеряемого отрезка времени вспомогательный диод заперт. Поэтому нет осо­бых требований к его времени восстановления. Однако диод несколько искажает форму импульса тока базы из-за зарядной емкости, шунтирующей входные зажимы транзистора.

Для быстродействующих транзисторов вспомогательный диод можно не ставить. В тех случаях, когда вспомогательный диод не­обходим, диод выбирают с минимальной емкостью при запирающем напряжении порядка 1 В. Емкость диода, как и паразитная емкость монтажа от зажима базы на «землю», снижает качество генератора импульсного тока.

Рисунок 6.53 Схема для измерения времени рассасывания быстродейству­ющих транзисторов

Величины емкостей диода и монтажа должны выбираться с учетом следующего соотношения:

Сд + См<0,1

где Сд — емкость диода; См — емкость монтажа; tp время расса­сывания накопленного на базе заряда.

Измеритель времени (ИВ) с входным сопротивлением R Bx =

= 50 Ом подключен к коллектору транзистора через резистор R3. Соединение безындуктивных резисторов R3, R4 и входного сопро­тивления измерителя времени RBX формирует сопротивление кол­лекторной нагрузки RH, которая имеет следующий вид:

Rн = .

Блокировочная емкость С3 выбирается из условия

C3≥100,

где 1К — ток коллектора в режиме насыщения; tи — длительность импульса переключения; Ек напряжение коллекторного источ­ника питания.

Величины проходной емкости С1 и блокировочной емкости С2 должны выбираться с условием

С.

При определении tp, когда в качестве измерителя времени при­меняется осциллограф, необходимо на экране фиксировать мо­мент появления запирающего импульса. Для более точной фикса­ции момента появления переключающего импульса лучше пользо­ваться двухлучевым осциллографом.

Ориентировочная суммарная погрешность измерения времени переключения транзистора рассмотренного схемного решения составляет ±10... 30 %.




Поделиться с друзьями:


Дата добавления: 2014-01-20; Просмотров: 1073; Нарушение авторских прав?; Мы поможем в написании вашей работы!


Нам важно ваше мнение! Был ли полезен опубликованный материал? Да | Нет



studopedia.su - Студопедия (2013 - 2025) год. Все материалы представленные на сайте исключительно с целью ознакомления читателями и не преследуют коммерческих целей или нарушение авторских прав! Последнее добавление




Генерация страницы за: 0.01 сек.