Студопедия

КАТЕГОРИИ:


Архитектура-(3434)Астрономия-(809)Биология-(7483)Биотехнологии-(1457)Военное дело-(14632)Высокие технологии-(1363)География-(913)Геология-(1438)Государство-(451)Демография-(1065)Дом-(47672)Журналистика и СМИ-(912)Изобретательство-(14524)Иностранные языки-(4268)Информатика-(17799)Искусство-(1338)История-(13644)Компьютеры-(11121)Косметика-(55)Кулинария-(373)Культура-(8427)Лингвистика-(374)Литература-(1642)Маркетинг-(23702)Математика-(16968)Машиностроение-(1700)Медицина-(12668)Менеджмент-(24684)Механика-(15423)Науковедение-(506)Образование-(11852)Охрана труда-(3308)Педагогика-(5571)Полиграфия-(1312)Политика-(7869)Право-(5454)Приборостроение-(1369)Программирование-(2801)Производство-(97182)Промышленность-(8706)Психология-(18388)Религия-(3217)Связь-(10668)Сельское хозяйство-(299)Социология-(6455)Спорт-(42831)Строительство-(4793)Торговля-(5050)Транспорт-(2929)Туризм-(1568)Физика-(3942)Философия-(17015)Финансы-(26596)Химия-(22929)Экология-(12095)Экономика-(9961)Электроника-(8441)Электротехника-(4623)Энергетика-(12629)Юриспруденция-(1492)Ядерная техника-(1748)

Вокруг горизонтали

Метод вращения

Сущность метода вращения (другое общепринятое название – метод совмещения) заключается в том, что наклонная плоскость вместе с изображенной на ней фигурой вращается вокруг одной из своих горизонталей до положения, параллельного плоскости плана, т.е. наклонную плоскость совмещают с горизонтальной плоскостью, расположенной на уровне горизонтальной оси вращения. После такого совмещения плоская фигура проецируется на плоскость плана П0 в натуральную величину.

Лекция 6. «ПОСТРОЕНИЕ ПРОЕКЦИЙ ТЕЛ С ВЫРЕЗОМ»

Любую деталь можно рассматривать как совокупность определенных геометрических поверхностей, пересеченных плоскостями с вырезанными или высверленными элементами. Умение строить проекции поверхностей (тел) с вырезом в дальнейшем дает возможность грамотно выполнять чертежи по проекционному и машиностроительному черчению. Принцип решения задач на тела с вырезами совпадает с методикой решения задач на пересечение их плоскостью. Построения линий пересечений производится по аналогичной методике. Заключительный этап решения задач на тела с вырезом включает в себя обводку построенных линий с учетом выреза. Рассмотрим на примере нескольких задач теорию построения тел с вырезом.

На рис. 6.1 и рис. 6.2 приведены примеры четырехугольной и шестиугольной призм с вырезами.

Рис. 6.1 Рис. 6.2

Задача 1. Построить комплексный чертеж треугольной пирамиды, вырезанной двумя плоскостями(рис. 6.3).

 

 

Рис. 6.3

 

 

Рис. 6.4

 

В первую очередь необходимо построить комплексный чертеж пирамиды на плоскостях П1, П3 (рис. 6.4), затем провести геометрический анализ расположения секущих плоскостей. Данная задача включает в себя горизонтальную плоскость, параллельную основанию пирамиды и наклонную, пересекающую боковые грани. ∑ (∑2) –фронтально - проецирующая плоскость, она проецируется дважды в фигуру не натуральной величины.

Г (Г2) -горизонтальная плоскость уровня, на горизонтальной проекции в натуральную величину, а на фронтальной и профильной плоскостях в отрезки прямых.

1этап. Строим фронтальную проекцию выреза на пирамиде.

· Проекция выреза изобразится отрезками прямых 12- 22 (32)- 42(52) и 42(52)- 62(72)-82.

Определим видимость геометрических элементов пирамиды с помощью конкурирующих точек.

2этап. Строим горизонтальную проекцию выреза.

· По вертикальным линиям связи перенесем точки 1(12)и 8(82) на проекцию ребра S1А1.

Горизонтальные проекции 41, 51 точек 4 и 5 находим через вспомогательные прямые. Точки 2,3 и 6,7,принадлежат профильно - проецирующим ребрам пирамиды (SВ, SD),поэтому перенесем точки по горизонтальной линии связи на соответствующие проекции ребер S3В3, S3D3 (рис. 6.5). Получим проекции 23,33 и 63,73точек 2,3,6 и 7, а затем по глубине перенесём точки на проекции

ребер S1В1, S1D1 .

Рис. 6.5


3 Этап. Переносим полученные точки на профильную проекцию, используя правило построения недостающей проекции точки по двум заданным.

(рис. 6.5).

 

4 Этап. Соединяем точки с учетом видимости.

5 Этап. Обводим чертеж, убираем вырезанную часть пирамиды.

 

Заметим:

На фронтальной плоскости проекций плоскость уровня Г (Г2) параллельна основанию пирамиды, на горизонтальной плоскости проекций она проецируется в натуральную величину и линии ее контура параллельны основанию пирамиды.

 

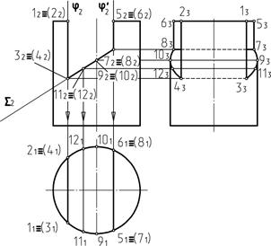
Задача 2. Построить комплексный чертеж цилиндра, вырезанного тремя плоскостями (рис. 6.6).

 

 

 

Рис. 6.6

 

1 Этап. Строим комплексный чертеж цилиндра. Производим анализ линий, которые необходимо построить.

 

Рис. 6.7

2 Этап. Заданные плоскости пересекают цилиндр по части эллипса и образующим. Для построения этих линий берем на плоскости П2 опорные точки, затем промежуточные. Используя геометрическое свойство цилиндра «собирать» все точки на вырожденную проекцию (на плоскости П1 в данном примере), строим проекции всех выбранных точек на плоскости П2.

 

 

Рис. 6.8

3 Этап. Переносим полученные точки на профильную проекцию, используя правило построения недостающей проекции точки по двум заданным (рис. 6.9).

 

 

Рис. 6.9

 

 

4 Этап. Соединяем точки с учетом видимости.

5 Этап. Обводим чертеж, убираем вырезанную часть цилиндра.

 

Задача 3. Построить комплексный чертеж конуса, вырезанного тремя плоскостями (рис. 6.10).

 

 

Рис 6.10

 

1 этап. Строим фронтальную проекцию выреза на конусе.

2 этап. Строим горизонтальную проекцию выреза.

3этап. Переносим полученные точки на профильную проекцию, используя правило построения недостающей проекции точки по двум заданным.

Рис. 6.11

4 Этап. Соединяем точки с учетом видимости.

5 Этап. Обводим чертеж, убираем вырезанную часть конуса.

 

Задача 4. Построить комплексный чертеж сферы, вырезанной тремя плоскостями (рис. 6.12)

 

 

Рис. 6.12

 

Технология решения данной задачи аналогично выше рассмотренным. Необходимо помнить, что сфера при пересечении плоскостью дает только линии окружности.

 

Лекция7. «ВЗАИМНОЕ ПЕРЕСЕЧЕНИЕ ПОВЕРХНОСТЕЙ»

 

Форму большинства машиностроительных деталей образуют взаимно пересекающиеся поверхности. Линией пересечения двух поверхностей является множество точек, общих для данных поверхностей. В общем виде линия пересечения поверхностей представляет собой пространственную кривую. Эта кривая может распадаться на две и более частей. В частном случае линия пересечения поверхностей может быть плоской кривой.

<== предыдущая лекция | следующая лекция ==>
Метод перемены плоскостей проекций | Основные теоретические положения
Поделиться с друзьями:


Дата добавления: 2014-01-20; Просмотров: 2345; Нарушение авторских прав?; Мы поможем в написании вашей работы!


Нам важно ваше мнение! Был ли полезен опубликованный материал? Да | Нет



studopedia.su - Студопедия (2013 - 2026) год. Все материалы представленные на сайте исключительно с целью ознакомления читателями и не преследуют коммерческих целей или нарушение авторских прав! Последнее добавление




Генерация страницы за: 0.011 сек.