Студопедия

КАТЕГОРИИ:


Архитектура-(3434)Астрономия-(809)Биология-(7483)Биотехнологии-(1457)Военное дело-(14632)Высокие технологии-(1363)География-(913)Геология-(1438)Государство-(451)Демография-(1065)Дом-(47672)Журналистика и СМИ-(912)Изобретательство-(14524)Иностранные языки-(4268)Информатика-(17799)Искусство-(1338)История-(13644)Компьютеры-(11121)Косметика-(55)Кулинария-(373)Культура-(8427)Лингвистика-(374)Литература-(1642)Маркетинг-(23702)Математика-(16968)Машиностроение-(1700)Медицина-(12668)Менеджмент-(24684)Механика-(15423)Науковедение-(506)Образование-(11852)Охрана труда-(3308)Педагогика-(5571)Полиграфия-(1312)Политика-(7869)Право-(5454)Приборостроение-(1369)Программирование-(2801)Производство-(97182)Промышленность-(8706)Психология-(18388)Религия-(3217)Связь-(10668)Сельское хозяйство-(299)Социология-(6455)Спорт-(42831)Строительство-(4793)Торговля-(5050)Транспорт-(2929)Туризм-(1568)Физика-(3942)Философия-(17015)Финансы-(26596)Химия-(22929)Экология-(12095)Экономика-(9961)Электроника-(8441)Электротехника-(4623)Энергетика-(12629)Юриспруденция-(1492)Ядерная техника-(1748)

Асинхронные тахогенераторы




Асинхронные тахогенераторы делят на:

- точные (применяются в схемах дифференцирования и интегрирования)

- менее точные (используются как обратная связь по скорости в следящих системах)

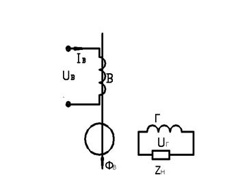
По своему устройству это бесконтактные электрические машины, они более надежны, чем тахогенераторы постоянного тока. По конструкции не отличаются от исполнительных асин-

Рисунок 2.4.1. хронных двигателей с полым немагнит

- ным ротором.

На статоре расположены две обмотки, одна обмотка (В) подключена к сети и называется обмоткой возбуждения. С другой обмотки (Г) снимается выходное напряжение тахогенератора (рис. 2.4.1).

Принцип действия: ток обмотки возбуждения создает пульсирующий магнитный поток ФВ, он пронизывает полый ротор, наводит ЭДС трансформации. Контуры токов ротора от ЭДС трансформации располагаются в плоскостях перпендикулярных потоку возбуждения.

При вращении ротора его волокна огибают ФВ и в них наводится ЭДС вращения. Под действием ЭДС вращения возникает поток ФГ, который сцеплен с генераторной обмоткой и наводит в ней ЕГ. Если замкнуть цепь на ZH тогда потечет ток.

При неподвижном роторе n = 0. Существуют потоки по продольной оси и по поперечной оси, следовательно, UГ должно быть равным нулю.

Но на самом деле нулевое напряжение, ЭДС и UГ появляются из-за:

1. Сдвиг обмоток не точно на 90° в пространстве.

2. Наличие короткозамкнутых витков или контуров приводит к отклонению потока ФТР от оси обмотки.

3. Ротор неодинаковой толщины.

4. Неравномерность воздушного зазора.

Во всех этих случаях поток отклоняется от своего нормального положения и сцепляется с генераторной обмоткой, вследствие чего появляется нулевая ЭДС (U0).

Зависимость Uг =f(n) изображена на рис. 2.4.2

 

Рисунок 2.4.2.

 

(1) - идеальная характеристика.

(2) - реальная характеристика.

Отклонение DU называют амплитудной погрешностью тахогенератора.

 

Методы борьбы с нулевой ЭДС:

1. Качественное изготовление тахогенератора.

2. На практике одну обмотку располагают на наружном статоре, вторую – на внутреннем.

 

Рисунок 2.4.3.

 

Внутренний статор поворачивают при сборке относительно наружного и закрепляют в таком положении, когда U0 = 0 или минимально.

3. Применяют мостиковую обмотку, выполненную по схеме:

Подбором величины емкости и активного сопротивления добиваются DU = min.

 

 

Рисунок 2.4.4.

 

4. Включают специальную компенсационную обмотку, ЭДС обмотки К направлена навстречу U0 и компенсирует его. Но электрическая связь между обмотками Г и В не всегда допускается, поэтому применение этого способа ограничено.

 

Рисунок 2.4.5.

 

 

По правилу правой руки можно определить направление ЭДС ER.

Под действием ЭДС в роторе протекает ток IR, он создает поток ФRq перпендикулярный ФВ и направлен по поперечной оси (по правилу буравчика). Рисунок 2.4.6.

 

 

Рисунок 2.4.6.

 

Правило буравчика: если поступательное движение правого винта совпадает с направлением тока в проводнике, то вращательное движение совпадает с направлением магнитных силовых линий.

Поток ФRq сцепляется с генераторной обмоткой и наводит в ней ЭДС равносильную частоте вращения.

Математически - это можно записать следующим образом:

 

,

 

где ZR» rR – полное сопротивление ротора практически равно активному сопротивлению.

 

 

Мгновенное значение:

На самом деле ZR ¹ rR, а имеет реактивную составляющую и за счет потока по поперечной оси несколько уменьшается.

Выходное напряжение тахогенератора не будет строго линейной функцией.

 

где

 

- комплексный коэффициент, не зависящий от частоты вращения.

 

 

– полное сопротивление обмотки возбуждения;

– активное сопротивление ротора, приведенное к обмотке возбуждения.

Чтобы получить линейную зависимость, надо уменьшить .

1) Уменьшить скорость n, можно увеличить частоту f.

Например:

Пусть f = 50 Гц;

Обычно 2р = 2; nС = 3000; n = 0…2400, ; ; n2 = 0,64;

Если f = 500 Гц; nC = 30000; n = 0,08; n2 = 0,0064;

2) Уменьшить можно одним из следующих способов:

если увеличивается, уменьшается – это не желательно, уменьшается, следовательно уменьшается крутизна характеристики, чувст вительность тахогенератора снижается.

Уменьшим ZSB – полное сопротивление обмотки возбуждения тахогенератора.

 

уменьшается

уменьшается

 

3) Увеличить ZH. Этим способом пользуются. Всегда надо стремиться иметь большее ZH. (смотри (*)).

 

4) Увеличить rRB (приведенное активное сопротивление ротора). Хороший способ. Применяют материал ротора – сплавы: манганин, неизильбер, марганцевая бронза.

Погрешность по фазе – непостоянство фазы UВЫХ, связанное с индуктивным сопротивлением обмоток и ротора.

Погрешности по амплитуде и по фазе могут быть скомпенсированы подбором нагрузки.

Рисунок 2.4.7.

 

Амплитудную погрешность устраняют подбором активно-емкостной нагрузки.

Фазовую погрешность можно устранить подбором активно-индуктивной нагрузки.

Одновременно устранить амплитудную и фазовою погрешность нельзя

Погрешности зависят от частоты вращения, температуры t°С и частоты f.

Погрешности тахогенератора составляют 0,01…0,1%.

 

Положительные качества асинхронного тахогенератора:

1. Малый момент инерции ротора.

2. Сравнительно высокая стабильность характеристик.

3. Надежность в работе.

4. Отсутствие скользящих контактов.

 

Недостатки асинхронного тахогенератора:




Поделиться с друзьями:


Дата добавления: 2014-01-13; Просмотров: 1057; Нарушение авторских прав?; Мы поможем в написании вашей работы!


Нам важно ваше мнение! Был ли полезен опубликованный материал? Да | Нет



studopedia.su - Студопедия (2013 - 2025) год. Все материалы представленные на сайте исключительно с целью ознакомления читателями и не преследуют коммерческих целей или нарушение авторских прав! Последнее добавление




Генерация страницы за: 0.008 сек.