Студопедия

КАТЕГОРИИ:


Архитектура-(3434)Астрономия-(809)Биология-(7483)Биотехнологии-(1457)Военное дело-(14632)Высокие технологии-(1363)География-(913)Геология-(1438)Государство-(451)Демография-(1065)Дом-(47672)Журналистика и СМИ-(912)Изобретательство-(14524)Иностранные языки-(4268)Информатика-(17799)Искусство-(1338)История-(13644)Компьютеры-(11121)Косметика-(55)Кулинария-(373)Культура-(8427)Лингвистика-(374)Литература-(1642)Маркетинг-(23702)Математика-(16968)Машиностроение-(1700)Медицина-(12668)Менеджмент-(24684)Механика-(15423)Науковедение-(506)Образование-(11852)Охрана труда-(3308)Педагогика-(5571)Полиграфия-(1312)Политика-(7869)Право-(5454)Приборостроение-(1369)Программирование-(2801)Производство-(97182)Промышленность-(8706)Психология-(18388)Религия-(3217)Связь-(10668)Сельское хозяйство-(299)Социология-(6455)Спорт-(42831)Строительство-(4793)Торговля-(5050)Транспорт-(2929)Туризм-(1568)Физика-(3942)Философия-(17015)Финансы-(26596)Химия-(22929)Экология-(12095)Экономика-(9961)Электроника-(8441)Электротехника-(4623)Энергетика-(12629)Юриспруденция-(1492)Ядерная техника-(1748)

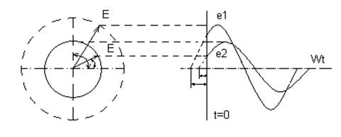
Векторная диаграмма

Графическое изобретение синусоидальных величин.

 

Синусоидальные величины можно графически изображать вращающимися векторами.

 

Где и - начальная фаза (т.е. при t=0).

Длина вектора в масштабе выражает амплитуду синусоиды; угол, образованный вектором с положительным направлением оси абсцисс, в начальный момент равен начальной фазе; скорость вращения вектора равна угловой частоте. Мгновенные значения синусоидальной величины выражаются вектора на ось ординат.

Совокупность нескольких векторов, изображающих синусоидальные величины одинаковой частоты в начальный момент времени называется векторной диаграммой.

При сравнении синусоидально изменяющихся величин начало отсчета времени можно выбрать произвольно, т.е. один из векторов можно направит произвольно, остальные векторы нужно располагать по отношению к первому под углами, равными соответствующим углам сдвига фаз, причем положительные углы откладываются в направлении, обратном движению часовой стрелки.

 

<== предыдущая лекция | следующая лекция ==>
Получение переменного синусоидального тока | Действующее значение переменного тока
Поделиться с друзьями:


Дата добавления: 2014-01-14; Просмотров: 547; Нарушение авторских прав?; Мы поможем в написании вашей работы!


Нам важно ваше мнение! Был ли полезен опубликованный материал? Да | Нет



studopedia.su - Студопедия (2013 - 2026) год. Все материалы представленные на сайте исключительно с целью ознакомления читателями и не преследуют коммерческих целей или нарушение авторских прав! Последнее добавление




Генерация страницы за: 0.012 сек.