Студопедия

КАТЕГОРИИ:


Архитектура-(3434)Астрономия-(809)Биология-(7483)Биотехнологии-(1457)Военное дело-(14632)Высокие технологии-(1363)География-(913)Геология-(1438)Государство-(451)Демография-(1065)Дом-(47672)Журналистика и СМИ-(912)Изобретательство-(14524)Иностранные языки-(4268)Информатика-(17799)Искусство-(1338)История-(13644)Компьютеры-(11121)Косметика-(55)Кулинария-(373)Культура-(8427)Лингвистика-(374)Литература-(1642)Маркетинг-(23702)Математика-(16968)Машиностроение-(1700)Медицина-(12668)Менеджмент-(24684)Механика-(15423)Науковедение-(506)Образование-(11852)Охрана труда-(3308)Педагогика-(5571)Полиграфия-(1312)Политика-(7869)Право-(5454)Приборостроение-(1369)Программирование-(2801)Производство-(97182)Промышленность-(8706)Психология-(18388)Религия-(3217)Связь-(10668)Сельское хозяйство-(299)Социология-(6455)Спорт-(42831)Строительство-(4793)Торговля-(5050)Транспорт-(2929)Туризм-(1568)Физика-(3942)Философия-(17015)Финансы-(26596)Химия-(22929)Экология-(12095)Экономика-(9961)Электроника-(8441)Электротехника-(4623)Энергетика-(12629)Юриспруденция-(1492)Ядерная техника-(1748)

Примеры исполнения электрических схем электростанций и подстанций




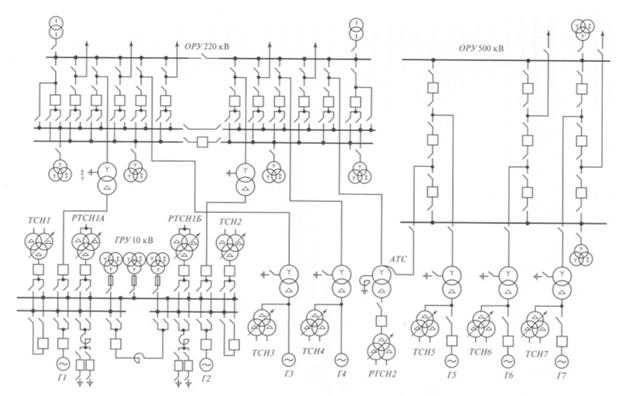
В качестве примера на рис. 4.24 представлена электрическая схема ТЭЦ-22 ОАО «Мосэнерго». Данная схема относится к схемам блочного типа. Причем для выдачи мощности со станции в основном используется схема «генератор — трансформатор — линия». Вся вырабатываемая мощность выдается на двух напряжениях 110 и 220 кВ, а нагрузка на генераторном напряжении полностью отсутствует. Турбогенераторы Г1 и Г2 типа ТВ-60-2 мощностью 60 МВт работают на отдельные линии элек­тропередачи напряжением 110 кВ; турбогенераторы ГЗ и Г4, Г5 и Г6 типа ТВФ-63-2УЗ мощностью 63 МВт работают по схеме объединенных энер­гоблоков с выдачей мощности каждого энергоблока по линии электропе­редачи напряжением 110 кВ. После блочных трансформаторов турбогенераторов Г2 и ГЗ через перемычку из двух выключателей получает питание резервный трансформатор собственных нужд РТСН1, анало­гично после блочных трансформаторов генераторов Г4 и Г5 подключа­ется и резервный трансформатор собственных нужд РТСН2. Резервный трансформатор собственных нужд РТСНЗ подключен в развилку из двух выключателей между линией объединенного энергоблока, генераторов ГЗ и Г4 и блочного трансформатора турбогенератора Г6. Турбогенераторы Г7 типа ТВФ-120 и Г8 типа ТЗФА-110 также работают по схеме объеди­ненного блока на линию электропередачи напряжением 220 кВ. Турбоге­нераторы Г9, Г10 и Г11 типа ТВВ-320-2УЗ мощностью 320 МВт работают по схеме «генератор — трансформатор — линия» и выдают мощность на напряжении 220 кВ на подстанции энергосистемы.

На ТЭЦ-22 установлен асинхронизированный турбогенератор Г8 мощ­ностью 110 МВт, который служит для компенсации реактивной мощности на шинах ТЭЦ. Проблема глубокого потребления реактивной мощности синхронными генераторами ТЭС может быть решена путем установки синхронных генераторов, имеющих так называемое продольно-попереч­ное возбуждение. Такие генераторы имеют две обмотки возбуждения на роторе, магнитные оси которых перпендикулярны. Синхронные машины такого исполнения называют асинхронизированными, так как ротор такой двухполюсной машины может вращаться с частотой отличной от 3000 об/мин при частоте сети 50 Гц, если в обмотки возбуждения подать ток частоты скольжения. При работе асинхронизированных машин в режиме синхронного компенсатора потребляемая реактивная мощность может быть увеличена вплоть до номинального значения за счет обрат­ной полярности напряжения возбуждения в одной из обмоток. При этом асинхронизированная машина удерживается в синхронизме за счет спе­циального регулирования тока возбуждения во второй обмотке.

На рис. 4.25 представлена электрическая схема ТЭЦ-26 ОАО «Мос­энерго». Данная схема относится к схемам смешанного типа. Два турбо­генератора Г1 и Г2 мощностью по 100 МВт присоединены к ГРУ 10 кВ.

 

Рис. 4.24. Электрическая схема ТЭЦ-22 ОАО «Мосэнерго»:

Г1!, Г2 — турбогенераторы ТВ-60-2; ГЗ, Г4, Г5, Г6 — турбогенераторы ТВФ-63-2УЗ; Г7— турбогенератор ТВФ-120-2УЗ; Г8 — асинхронизированный турбогенератор ТЗФА-110; Г9, Г10, Г11 — турбогенераторы ТВВ-320-2УЗ; РТСН1, РТСН2, РТСНЗ -резервные трансформаторы собственных нужд; ТСН— рабочие трансформаторы соб­ственных нужд.

 

 

Рис. 4.25. Электрическая схема ТЭЦ-26 ОАО «Мосэнерго»:

 

от которого получают питание местные потребители. ГРУ выполнено по схеме две системы шин, одна из которых секционирована и является рабочей, а другая система шин — резервной. Для ограничения токов КЗ используются секционный и линейные токоограничивающие реакторы, к сборкам последних подключена кабельная сеть местной нагрузки.

ГРУ двумя трансформаторами связано с ОРУ 220 кВ, которое выпол­нено по схеме две системы сборных шин с обходной системой шин. Одна система сборных шин секционирована выключателем, другая — двумя разъединителями. Обходная система шин разделена на две части разъеди­нителем. В ОРУ 220 кВ установлены два выключателя с совмещенными функциями ШСВ и ОВ. Кроме того к ОРУ 220 кВ через блочные транс­форматоры подключены два генератора (ГЗ и Г4) мощностью 320 МВт.

Для выдачи остальной части мощности ТЭЦ в энергетическую сис­тему три генератора (Г4, Г5 и Г6) мощностью 320 МВт через блочные трансформаторы подключены к ОРУ 500 кВ, выполненному по схеме 3/2 (полуторной). Связь между ОРУ 220 и 500 кВ осуществляется через авто­трансформатор, к обмотке низшего напряжения которого подключен резервный трансформатор с.н. Два других резервных трансформатора с.н. подключены к ГРУ 10 кВ.

На рис. 4.26 представлена электрическая схема Балаковской АЭС. На электростанции установлено четыре энергоблока с реакторами типа ВВЭР-1000 и турбогенераторами типа ТВВ-1000-4УЗ. Структурная схема энергоблока включает в себя: турбогенератор, генераторный выключатель нагрузки, два рабочих трансформатора с.н. и два блочных трансформа­тора мощностью 630 MBА каждый. Выдача мощности АЭС осущест­вляется на двух повышенных напряжениях 220 и 500 кВ.

ОРУ 500 кВ выполнено по схеме "4/3" (четыре выключателя на три присоединения) с чередованием присоединений. Блочные трансформаторы энергоблоков 1, 2 и 3 включены параллельно и подключены к ОРУ 500 кВ как одно присоединение. Для компенсации реактивной мощности уста­новлено два компенсирующих реактора, один из которых подключен к шинам первой секции, а второй к одной из отходящих ЛЭП.

ОРУ 220 кВ выполнено по схеме две системы сборных шин с обходной системой шин ОШ. Два блочных трансформатора турбогенератора Г1 подключаются к ОРУ 220 кВ как два самостоятельных присоединения.

Связь между ОРУ 500 кВ и ОРУ 220 кВ осуществляется посредством автотрансформатора.

На АЭС установлено две группы (по два трансформатора) резервных трансформаторов с.н. Одна из групп трансформаторов подключена к ОРУ 220 кВ как самостоятельное присоединение, а вторая — через отдельный выключатель к ячейке 220 кВ автотрансформатора связи.

 

 

Рис. 4.26. Электрическая схема Балаковской АЭС.

Контрольные вопросы.

1.Каково назначение распределительных устройств электроустановок?

2. Назовите основные требования, предъявляемые к распределительным устройствам электростанций различного типа — КЭС, ТЭЦ, АЭС, ГЭС.

3. Как согласно ПУЭ потребители электроэнергии подразделяются по степени надежно­сти электроснабжения?

4. Назовите основные критерии при принятии решения при выборе схем распредели­тельных устройств.

5. С какой целью производится секционирование сборных шин распределительных уст­ройств?

6. Какова роль обходной системы сборных шин распределительного устройства с обходным выключателем?

7. Поясните, каким образом осуществляется переключение присоединения с одной сис­темы сборных шин на другую в схемах распределительных устройств первой группы?

8. В чем заключается основное преимущество электрических схем распределительных устройств четвертой группы?

9. Каково назначение секционных и линейных реакторов?

10. Назовите особенности норм технологического проектирования, касающиеся схем распределительных устройств ТЭС, АЭС, ГЭС и ГАЭС, подстанций.

11. Назовите основные преимущества применения генераторных выключателей в блоч­ных схемах электростанций.

12.Перечислите общие требования к схемам электроснабжения собственных нужд ТЭЦ, КЭС, ГЭС и ГАЭС, подстанций.

13. Что включает в себя понятие «Агрегат бесперебойного питания» в системе собствен­ных нужд АЭС?

14. Какие уровни напряжения используются для электропитания потребителей собствен­ных нужд электростанций и подстанций?

Литература для самостоятельного изучения.

4.1. Церазов А.Л., Старшинов В.А., Васильева А.П. Электрическая часть тепловых электростанций. М.: Издательство МЭИ, 1995.

4.2. Электрическая часть станций и подстанций / А.А. Васильев, И.П. Крючков, Е.Ф. Наяшкова, М.Н. Околович. М: Энергоатомиздат, 1990.

4.3. Рожкова Л.Д., Козулин B.C. Электрооборудование станций и подстанций. М.: Энер-гоатомиздат, 1987.

4.4. Коммутационные узлы энергосистем / Ю.Н. Балаков, А.И. Васильчиков, В.М. Лав­рентьев и др. М.: Энергоатомиздат, 1997.

4.5. Балаков Ю.Н., Мисриханов М.Ш., Шунтов А.В. Проектирование схем электроус­тановок. М.: Издательство МЭИ, 2006.


Глава пятая




Поделиться с друзьями:


Дата добавления: 2014-10-15; Просмотров: 1077; Нарушение авторских прав?; Мы поможем в написании вашей работы!


Нам важно ваше мнение! Был ли полезен опубликованный материал? Да | Нет



studopedia.su - Студопедия (2013 - 2026) год. Все материалы представленные на сайте исключительно с целью ознакомления читателями и не преследуют коммерческих целей или нарушение авторских прав! Последнее добавление




Генерация страницы за: 0.011 сек.