Студопедия

КАТЕГОРИИ:


Архитектура-(3434)Астрономия-(809)Биология-(7483)Биотехнологии-(1457)Военное дело-(14632)Высокие технологии-(1363)География-(913)Геология-(1438)Государство-(451)Демография-(1065)Дом-(47672)Журналистика и СМИ-(912)Изобретательство-(14524)Иностранные языки-(4268)Информатика-(17799)Искусство-(1338)История-(13644)Компьютеры-(11121)Косметика-(55)Кулинария-(373)Культура-(8427)Лингвистика-(374)Литература-(1642)Маркетинг-(23702)Математика-(16968)Машиностроение-(1700)Медицина-(12668)Менеджмент-(24684)Механика-(15423)Науковедение-(506)Образование-(11852)Охрана труда-(3308)Педагогика-(5571)Полиграфия-(1312)Политика-(7869)Право-(5454)Приборостроение-(1369)Программирование-(2801)Производство-(97182)Промышленность-(8706)Психология-(18388)Религия-(3217)Связь-(10668)Сельское хозяйство-(299)Социология-(6455)Спорт-(42831)Строительство-(4793)Торговля-(5050)Транспорт-(2929)Туризм-(1568)Физика-(3942)Философия-(17015)Финансы-(26596)Химия-(22929)Экология-(12095)Экономика-(9961)Электроника-(8441)Электротехника-(4623)Энергетика-(12629)Юриспруденция-(1492)Ядерная техника-(1748)

Pipe couplings (state Standard 8955-75)




LOCK NUTS (STATE STANDARD 8961-75)

Pipe 20 State Standard 3262-75.

Table 4.12

Nominal bore, Dy, mm Thread G, inch External diameter, mm Internal diameter, mm Thickness of a wall pipe, s, mm L1, mm L2, mm   L, mm
Thin-walled Normal Thick-walled
  3/8 16.663 14.951   2.2 2.8 8.5    
  1/2 20.956 18.532 2.5 2.8 3.2      
  3/4 26.442 24.119 2.5 2.8 3.2 10.5    
    33.250 30.292 2.8 3.2   11.0    
    41.912 38.954 2.8 3.2   13.0    
    47.805 44.847   3.5   15.0    
    59.616 56.659   3.5 4.5 17.0    

The example of the conventional denotation of a steel non-galvanized pipe with the nominal bore 20 mm:

 

Pipe fittings are used for joining pipe different lengths and to provide changes of direction, branch connection at different angles or to effect a change in size. The fittings are made for screwed, flanged or welded connection.

A drawings and structural sizes of the pipe fittings is pointed below.

 

 

 

Figure 4.27 – Conventional drawings of lock nut

 

Table 4.13

Nominal bore, Dy, mm Thread G, inch External diameter, mm Internal diameter, mm H, mm D, mm S, mm Chamfer с, mm
  3/8 16.663 14.951   31,2    
  1/2 20.956 18.532   36,9   1,5
  3/4 26.442 24.119   41,6   1,5
    33.25 30.292   53,1    
    41.912 38.954   63,5    
    47.805 44.847   69,3    
    59.616 56.659   86,5    

The example of the conventional denotation of a lock-nut with the nominal bore 20 mm: Lock-nut 20 State Standard 8961-75.

 

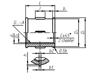
Figure 4.28 – Conventional drawings of pipe coupling

Table 4.14

Nominal bore, Dy, mm Thread G, inch L, mm l, mm D1, mm D2, mm B, mm b1, mm b2, mm h, mm Number of ribs   Chamfer с, mm
  3/8             3.5      
  1/2                   1,5
  3/4   10.5 32.5   2.5     2.5   1,5
        39.5   2.5 2.5 4.5 2.5    
              2.5        
                       
        68.5   3.5     3.5    

Note. Sizes of external and internal diameters are resulted in table 4.12.

The example of the conventional denotation of a pipe coupling with the nominal bore 20 mm: Pipe Coupling 20 State Standard 8955-75.




Поделиться с друзьями:


Дата добавления: 2014-10-15; Просмотров: 373; Нарушение авторских прав?; Мы поможем в написании вашей работы!


Нам важно ваше мнение! Был ли полезен опубликованный материал? Да | Нет



studopedia.su - Студопедия (2013 - 2026) год. Все материалы представленные на сайте исключительно с целью ознакомления читателями и не преследуют коммерческих целей или нарушение авторских прав! Последнее добавление




Генерация страницы за: 0.011 сек.