Студопедия

КАТЕГОРИИ:


Архитектура-(3434)Астрономия-(809)Биология-(7483)Биотехнологии-(1457)Военное дело-(14632)Высокие технологии-(1363)География-(913)Геология-(1438)Государство-(451)Демография-(1065)Дом-(47672)Журналистика и СМИ-(912)Изобретательство-(14524)Иностранные языки-(4268)Информатика-(17799)Искусство-(1338)История-(13644)Компьютеры-(11121)Косметика-(55)Кулинария-(373)Культура-(8427)Лингвистика-(374)Литература-(1642)Маркетинг-(23702)Математика-(16968)Машиностроение-(1700)Медицина-(12668)Менеджмент-(24684)Механика-(15423)Науковедение-(506)Образование-(11852)Охрана труда-(3308)Педагогика-(5571)Полиграфия-(1312)Политика-(7869)Право-(5454)Приборостроение-(1369)Программирование-(2801)Производство-(97182)Промышленность-(8706)Психология-(18388)Религия-(3217)Связь-(10668)Сельское хозяйство-(299)Социология-(6455)Спорт-(42831)Строительство-(4793)Торговля-(5050)Транспорт-(2929)Туризм-(1568)Физика-(3942)Философия-(17015)Финансы-(26596)Химия-(22929)Экология-(12095)Экономика-(9961)Электроника-(8441)Электротехника-(4623)Энергетика-(12629)Юриспруденция-(1492)Ядерная техника-(1748)

Мета роботи. Питання для самоконтролю




Лабораторна робота № 6

Питання для самоконтролю.

Порядок виконання роботи

1. Вивчити конструкцію, принцип роботи і регулювання вузлів і агрегатів бетонозмішувачів.

2. Вивчити будову і роботу механічної і гідравлічної систем управління бетонозмішувачів.

3. Вивчити особливості експлуатації бетонозмішувачів.

4. Вивчити можливі несправності бетонозмішувачів і способи їх усунення.

Рис. 1.3. Залежність коефіцієнта тертя від вологості ґрунту: 1 – легкий суглинок; 2 – важкий суглинок; 3 – глина середня.
8. Зміст звіту.

8.1. Навести схеми бетонозмішувачів гравітаційної та примусової дії, дати характеристику їх технологічних процесів та відмітити особливості, конструкцій та області використання.

8.2. Відмітити особливості конструкції та технологічного процесу бетонозмішувачів безперервної дії.

8.3. Зробити висновок за результатами роботи.

9.1. За якими ознаками класифікують бетонозмішувачів гравітаційної та примусової дії?

9.2. В чому різниця технологічних процесів бетонозмішувачів гравітаційної та примусової дії?

9.3. Для якого виду бетонних сумішей призначені бетонозмішувачі гравітаційної та примусової дії?

9.4. Загальні складові вузли і агрегати бетонозмішувачів гравітаційної та примусової дії?

9.5. Підготовка до роботи та основні технологічні регулювання бетонозмішувачів гравітаційної та примусової дії.

 

Віброущільнювачі бетонів, конструкції та

технологічний процес

1. Вивчити технічні характеристики бетоноущільнювачів вібраційної дії

2. Вивчити будову, роботу і регулювання бетоноущільнювачів.

3. Ознайомитися з можливими несправностями механізмів бетонощільнювачів і способами їх усунення.

4. Ознайомитися з правилами техніки безпеки під час експлуатації і при технічному обслуговуванні бетоноущільнювачів.

2. Тривалість заняття – 4 академічні години.

3. Обладнання робочого місця: вузли і макети бетоноущільнювачів; навчальні плакати з вивчення конструкцій механізмів бетоноущільнювачів; технічні засоби навчання; методичні вказівки по виконанню лабораторної роботи, література.

4. Місце проведення заняття:лабораторія №2 кафедри с.-г. машин, парк навчальних машин факультету механіки та енергетики.

5. Загальні відомості

При формуванні залізобетонних виробів і конструкцій застосовують різні способи ущільнення бетонної суміші:

- пресува­ння - дія на бетонну суміш значного тиску;

- центрифугування - дія на бетонну суміш відцентрової сили при виробництві трубчатих виробів;

- вакуумування - відсмоктування з бетонної суміші надмірної води і повітря;

- вібрація - дія на бетонну суміш коливальних рухів.

Найбільшого розповсюдження отримало вібраційне ущільнення бетонної суміші, яке відбувається внаслідок зовнішнього руйнування її початкової структури, що супроводжується зменшенням в’язкості й підвищенням плинності.

За впливом на ущільнювальну бетонну суміш віброущільнювальні машини поділяються на машини:

- поверхневого ущільнення, які встановлюються на укладену бетонну суміш і передають їй коливання через робочу площадку (плиту);

- глибинного (внутрішнього) ущільнення, які заглиблюються робочою частиною в бетонну суміш і передають їй коливання через корпус;

- зовнішнього (об’ємного) ущільнення, які закріплюються ззовні до опалубки болтами, або іншими пристроями і передають коливання через опалубку;

- віброплощадки, які є стаціонарним формувальним обладнанням і використовуються на заводах та полігонах для виготовлення складальних залізобетонних виробів.

Глибинне ущільнення рухомих бетонних сумішей з осадкою конуса понад 5 см виконують глибинними віброзбуджувачами. У виробництві збірного залізобетону їх найчастіше застосовують при стендовому формуванні великих елементів конструкцій – ферм перекриття, мостів, балок.

Основним виконавчим елементом віброущільнювачів є віброзбудник, основні типи та принципові схеми яких наведені в табл..

 

Таблиця

Типи віброзбудників та їх принципові схеми

Схема Коротка характеристика
Типи віброзбудників
двохвальний дебалансний – для генерування прямолінійних направлених коливань
Двохвальний, дебаласи якого обертаються протифазно в одному напрямку – для генерування кутових коливань
одновальний дебалансний, вісь якого розташована в центрі мас – для генерування кругових коливань
одновальний дебалансний, зі зміщенням осі відносно центру мас – для генерування еліптичних коливань
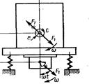
Принципові схеми віброзбудників
а) – дебалансний; б) – поводковий;
в) – планетарний із зовнішньою обкаткою бігунка; г) - планетарний із внутрішньою обкаткою бігунка;

 

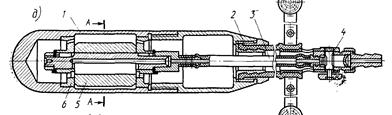
Глибинні віброзбудники (рис. 5.1) являють собою труби з вмонтованими збудниками колових коливань.

- з винесеним елект-родвигуном і гнуч-ким валом
- із вбудованим електродвигуном
- наконечник пнев-матичного планетар-ного із зовнішньою обкаткою
- наконечник пневма-тичного планетарно-го із внутрішньою обкаткою обкаткою
- пневматичний з ротаційним двигуном

Рис. 5.1. Конструкції глибинних віброущільнювачів

 

За способом збудження коливань глибинні віброзбудники поділяють на дебалансні й планетарні, зовнішньою і внутрішньою обкаткою. Глибинний віброзбуджувач складається з вмонтованого на підставці 5 електродвигуна 2 із вимикачем 1, який з’єднаний за допомогою муфти 3 і гнучкого вала 4 з вібронаконечником 6, корпусу 7, бігової дорожки 8 і дебалансу 9.

За характером виконуваної роботи глибинні віброзбуджувачі поділяються на ручні й підвісні. Ручні мають невелику масу (до 25 кг), високу ефективність і задовольняють вимогам електробезпеки та санітарним нормам щодо рівня вібрації, яка передається на руки робітника. Підвісні часто компонують у вигляді пакетів від 3 до 15 віброзбуджувачів, які підвішені на рамі 10 (рис. 5.2).

Рис. 5.2. Підвісні віброзбуджувачі

Такі пакети переміщують монтажними кранами або спеціальними самохідними машинами. Підвісний віброзбуджувач виготовляють з виносним електродвигуном, з’єднаним з робочим вібронаконечником міцним валом. Гнучкі вали застосовують для ущільнення бетонної суміші в невеликих масивах монолітних густоармованих бетонних конструкцій.

При виготовлені збірного залізобетону для формування багатопорожнистих плит перекриттів, вентиляційних блоків та інших порожнистих виробів застосовують машини з активними порожниноутворювачами (рис. 5.3), які належать до глибинних ущільнювачів і складаються з каретки 12 механізму переміщення і вібронаконечників 6 з приводом у вигляді електродвигуна 2 і передачі 11.

 

Рис. 5.3. Активний порожниноутворювач

 

Найкраща якість ущільнення бетонної суміші досягається при об'ємному ущільненні, яке здійснюють на вібромайданчиках, забезпечуючи коливання всього об’єму суміші в формі. Вібромайданчики – це машини об'ємного формування, у яких форма з бетонною сумішшю розташована на одному загальному столі або на групі столів, яким вібраційний привод передає періодичний рух.

 

Рис. 5.4. Схема вібромайданчика

 

 

За конструкцією вібромайданчики поділяються з вертикальним спрямуванням гармонійних коливань і з горизонтальним спрямуванням коливань.

Застосовують вібромайданчики для формування товстостінних і тонкостінних виробів з бетонних сумішей (рис. 5.5.).

Вібромайданчики з вертикальним спрямуванням гармонійних коливань застосовують для формування виробів з бетонних сумішей малої рухомості, жорсткістю до 120 с. Недоліком є висока енергоємність (5-7 кВт на 1 т виробів)

Вібромайданчики з горизонтальним спрямуванням гармонійних коливань застосовують для формування виробів з бетонних сумішей середньої рухомості, жорсткістю до 60 с.

Рис. 5.5. Вібромайданчики:

а, б – відповідно з вертикально і горизонтально спрямованими коливаннями; в – шок-майданчик; г – з просторовими коливаннями; д – віброударні; е – імпульсні; 1 – віброзбудник; 2 – механізм кріплення форми; 3 – форма; 4 – пружна опора;5 – обмежувач; 6 – рама; 7 – кулачок; 8 – пульсатор;

9 – еластичний конвеєр; 10 – кривошипно-шатунний механізм.

Робота шок-майданчика (рис. 5.5, в) ґрунтується на тому, що форма 3 з бетонною сумішшю піднімається за допомогою кулачкового механізму 7 на 10-15 мм і згодом вільно падає на масивний фундамент. При ударі в бетонній суміші утворюється хвиля, спрямована догори, яка витискає із суміші повітря та надлишкову воду. Переваги шок-майданчиків: проста конструкція, можливість формування виробів із суміші жорсткістю до 250 с, висока якість і рівномірність ущільнення. Серед недоліків: підвищений шум, вібрація, потреба в масивному фундаменті для їх віброізоляції.

У майданчику з просторовим рухом робочих механізмів просторові коливання досягаються за рахунок зміщення осі віброзбуджувача 1 відносно центру маси машини (рис. 5.5. г). Ці машини призначені для формування виробів із рухомих бетонних сумішей.

Віброударні майданчики з вертикально спрямованими коливаннями (рис. 5.5, д) дають змогу підвищити ефективність ущільнення бетонної суміші. Це досягається за рахунок співударяння робочого органу – форми 3 з обмежувачів 5. При цьому інерційні сили, які діють на частинки бетонної суміші під час удару форми обмежувачі 5 спрямовані вниз, що виключає відривання суміші від піддона.

До ударно-вібраційних майданчиків належать також імпульсні установки (рис. 5.5, е). У процесі роботи імпульси передаються безпосередньо ущільнювальній бетонній суміші, за рахунок чого вона і ущільнюється. Недоліки установок: нерівномірність ущільнення при формуванні довгих виробів, рама часто виходить з ладу, сильна вібрація робочих місць.

Для поверхневого ущільнення використовують віброплити й віброрейки, в яких поверхневий вібраційний вплив поєднується із статичним тиском. Принципові схеми віброущільнювачів поверхневої дії наведені на рис. 5.6.

Віброущільнювачі поверхневого ущільнення застосовують для ущільнення масивів бетонної суміші завдовжки понад 200 мм. Особливо часто їх використовують для спорудження залізобетонних покриттів, наприклад, у промисловому й міському будівництві.

бетонозмішувачів гравітаційної та примусової дії

6. Опис установки і методики експерименту

Вивчення конструкцій бетоноущільнювачв проводиться на їх натурних зразках безпосередньо на робочому місці. Призначення та будову основних та змінних робочих органів вивчають біля стенда з робочими органами, з допомогою плакатного матеріалу та демонстрацією відеофільмів.




Поделиться с друзьями:


Дата добавления: 2014-10-15; Просмотров: 479; Нарушение авторских прав?; Мы поможем в написании вашей работы!


Нам важно ваше мнение! Был ли полезен опубликованный материал? Да | Нет



studopedia.su - Студопедия (2013 - 2026) год. Все материалы представленные на сайте исключительно с целью ознакомления читателями и не преследуют коммерческих целей или нарушение авторских прав! Последнее добавление




Генерация страницы за: 0.008 сек.