Студопедия

КАТЕГОРИИ:


Архитектура-(3434)Астрономия-(809)Биология-(7483)Биотехнологии-(1457)Военное дело-(14632)Высокие технологии-(1363)География-(913)Геология-(1438)Государство-(451)Демография-(1065)Дом-(47672)Журналистика и СМИ-(912)Изобретательство-(14524)Иностранные языки-(4268)Информатика-(17799)Искусство-(1338)История-(13644)Компьютеры-(11121)Косметика-(55)Кулинария-(373)Культура-(8427)Лингвистика-(374)Литература-(1642)Маркетинг-(23702)Математика-(16968)Машиностроение-(1700)Медицина-(12668)Менеджмент-(24684)Механика-(15423)Науковедение-(506)Образование-(11852)Охрана труда-(3308)Педагогика-(5571)Полиграфия-(1312)Политика-(7869)Право-(5454)Приборостроение-(1369)Программирование-(2801)Производство-(97182)Промышленность-(8706)Психология-(18388)Религия-(3217)Связь-(10668)Сельское хозяйство-(299)Социология-(6455)Спорт-(42831)Строительство-(4793)Торговля-(5050)Транспорт-(2929)Туризм-(1568)Физика-(3942)Философия-(17015)Финансы-(26596)Химия-(22929)Экология-(12095)Экономика-(9961)Электроника-(8441)Электротехника-(4623)Энергетика-(12629)Юриспруденция-(1492)Ядерная техника-(1748)

Расположение сечений




Построение сечений.

Сечением называется изображение фигуры, получающейся при мысленном рассечении предмета одной плоскостью. На сечении показывается только то, что лежит в секущей плоскости.

Сечения

 

 

На рис.4.1 изображен вал, имеющий две лыски (плоские срезы с двух сторон) и шпоночный паз (прямоугольное углубление с полукруглыми концами, предназначенное для шпонки).

Чтобы сделать чертеж более ясным, строят сечения. Для этого мысленно рассекают вал двумя секущими плоскостями А и Б, перпендикулярными оси вала. Плоскость А проходит поперек лыски и показывает форму детали в этом месте.

Плоскость Б, рассекающая вал поперек шпоночного паза, выявляет его глубину и ширину.

 

 

Рис. 4.1

 

Мысленно удалив отсеченные части вала, оставшуюся часть его рассматривают по направлению, указанному стрелками.

Изображают на чертеже только то, что находится в секущих плоскостях. Это и будут сечения. На фигуры сечения наносят штриховку (рис.4.2.)

 

Рис.4.2

 

 

В зависимости от расположения сечения подразделяются на вынесенные и наложенные.

Вынесенными сечениями называются такие, которые располагаются вне контуров изображений, приведенных на чертеже (рис. 4.2) (выносятся на любое свободное место чертежа).

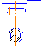
Наложенные сечения вычерчиваются сплошными тонкими линиями и располагаются в том месте, где проходила секущая плоскость, и непосредственно на самом виде, т.е. накладываются на изображение (рис.4.3).

 

 

Рис. 4.3

Вынесенным сечениям следует отдавать предпочтение перед наложенными, так как наложенные затемняют виды чертежа и неудобны для нанесения размеров.

Вынесенное сечение можно располагать, в зависимости от обстоятельств, на любом месте поля чертежа. Оно может быть помещено непосредственно на продолжении линии сечения в проекционной связи (рис.4.4), с нарушением проекционной связи (рис.4.6), а также в разрыве между частями одного и того же вида (рис.4.5).

 

 

    Рис.4.4       Рис.4.5 Рис.4.6



Поделиться с друзьями:


Дата добавления: 2014-11-06; Просмотров: 586; Нарушение авторских прав?; Мы поможем в написании вашей работы!


Нам важно ваше мнение! Был ли полезен опубликованный материал? Да | Нет



studopedia.su - Студопедия (2013 - 2026) год. Все материалы представленные на сайте исключительно с целью ознакомления читателями и не преследуют коммерческих целей или нарушение авторских прав! Последнее добавление




Генерация страницы за: 0.012 сек.