Студопедия

КАТЕГОРИИ:


Архитектура-(3434)Астрономия-(809)Биология-(7483)Биотехнологии-(1457)Военное дело-(14632)Высокие технологии-(1363)География-(913)Геология-(1438)Государство-(451)Демография-(1065)Дом-(47672)Журналистика и СМИ-(912)Изобретательство-(14524)Иностранные языки-(4268)Информатика-(17799)Искусство-(1338)История-(13644)Компьютеры-(11121)Косметика-(55)Кулинария-(373)Культура-(8427)Лингвистика-(374)Литература-(1642)Маркетинг-(23702)Математика-(16968)Машиностроение-(1700)Медицина-(12668)Менеджмент-(24684)Механика-(15423)Науковедение-(506)Образование-(11852)Охрана труда-(3308)Педагогика-(5571)Полиграфия-(1312)Политика-(7869)Право-(5454)Приборостроение-(1369)Программирование-(2801)Производство-(97182)Промышленность-(8706)Психология-(18388)Религия-(3217)Связь-(10668)Сельское хозяйство-(299)Социология-(6455)Спорт-(42831)Строительство-(4793)Торговля-(5050)Транспорт-(2929)Туризм-(1568)Физика-(3942)Философия-(17015)Финансы-(26596)Химия-(22929)Экология-(12095)Экономика-(9961)Электроника-(8441)Электротехника-(4623)Энергетика-(12629)Юриспруденция-(1492)Ядерная техника-(1748)

Возможные неисправности и методы их устранения




Плата питания блока управления

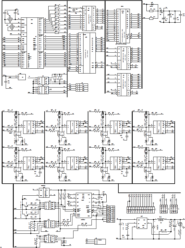
Описание и работа составных частей

 

Микроконтроллер системы сбора

 

Микроконтроллер системы сбора МСС-202-02 предназначен для обмена данными между компьютером и цифровой сетью.

Схема вычислительной части микроконтроллера включает в себя микропроцессор DD1, ПЗУ DD3, ОЗУ DD4, мультиплексоры DD6, DD7.

Схема связи с внешними устройствами включает в себя восемь одинаковых каналов связи с линиями RS485, один канал связи с линией RS232 и импульсный стабилизатор питания.

Канал связи с линией RS485 включает в себя микросхему согласования уровней сигналов DD8-DD15 и состоящую из резисторов, диодов и супрессоров схему согласования и защиты. Перемычки J4 – J11 предназначены для подключения к линии согласующего резистора и при работе должны быть замкнуты.

Канал связи с RS232 включает в себя гальваническую развязку питания (преобразователь DA2), гальваническую развязку сигналов (оптроны DA4, DA5, DA7) и микросхему питания и согласования уровней DD16.

Импульсный стабилизатор напряжения +5 В выполнен на микросхеме DA6.

Микропроцессор работает под управлением программы, находящейся в ПЗУ. При получении команд от компьютера по каналу связи RS232 он в соответствии с этими командами производит обмен данными с цифровыми устройствами, подключенными к каналам RS485, обрабатывает полученные данные и передаёт результат по каналу RS232 в компьютер.

 

 

Плата питания блока управления БПБУ-230-02 (далее в тексте плата питания) служит для выпрямления напряжения переменного тока.

Диодный мост VD1 c конденсатором С1 формируют напряжение для питания микроконтроллера. Диодный мост VD2 c конденсатором C2 формируют напряжение для питания цифровой сети. Если этого напряжения недостаточно, следует разомкнуть перемычку J1 и замкнуть перемычку J2. При этом для питания цифровой сети будет использоваться сумма обоих напряжений. Для защиты от коротких замыканий установлены предохранители FU1 и FU2.

 

 

Вид неисправности Причина Метод устранения
Не светятся оба светодиода на лицевой панели Нет напряжения питания Подать напряжение питания
Сгорел предохранитель Заменить предохранитель
Неисправен трансформатор Заменить БУ
Не светится светодиод «+30В»   Обрыв проводов светодиода Восстановить монтаж
Неисправна плата питания Заменить плату питания
Не светится светодиод «+5В», связь работает нормально Обрыв проводов светодиода Восстановить монтаж
Не светится светодиод «+5В», нет связи с компьютером Неисправна плата микроконтроллера Заменить плату микроконтроллера
Нет связи с компьютером Обрыв или несоответствие кабеля связи Проверить марку и целостность кабеля связи
Неправильно выбран COM-порт компьютера Подключить кабель связи к рабочему COM - порту
Неисправна плата микроконтроллера Заменить плату микроконтроллера
Не работает одна из линий цифровой сети Обрыв или замыкание линии Проверить подключение и состояние линии
Нет перемычки на плате Убедиться в наличии всех перемычек на плате
Неисправна плата микроконтроллера Заменить плату микроконтроллера
Нет телефонной связи буровой с микро-АТС Обрыв соединительных проводов Проверить подключение и состояние телефонных кабелей

 

 


 

 

 

 
 

 




Поделиться с друзьями:


Дата добавления: 2014-11-25; Просмотров: 744; Нарушение авторских прав?; Мы поможем в написании вашей работы!


Нам важно ваше мнение! Был ли полезен опубликованный материал? Да | Нет



studopedia.su - Студопедия (2013 - 2026) год. Все материалы представленные на сайте исключительно с целью ознакомления читателями и не преследуют коммерческих целей или нарушение авторских прав! Последнее добавление




Генерация страницы за: 0.011 сек.