Студопедия

КАТЕГОРИИ:


Архитектура-(3434)Астрономия-(809)Биология-(7483)Биотехнологии-(1457)Военное дело-(14632)Высокие технологии-(1363)География-(913)Геология-(1438)Государство-(451)Демография-(1065)Дом-(47672)Журналистика и СМИ-(912)Изобретательство-(14524)Иностранные языки-(4268)Информатика-(17799)Искусство-(1338)История-(13644)Компьютеры-(11121)Косметика-(55)Кулинария-(373)Культура-(8427)Лингвистика-(374)Литература-(1642)Маркетинг-(23702)Математика-(16968)Машиностроение-(1700)Медицина-(12668)Менеджмент-(24684)Механика-(15423)Науковедение-(506)Образование-(11852)Охрана труда-(3308)Педагогика-(5571)Полиграфия-(1312)Политика-(7869)Право-(5454)Приборостроение-(1369)Программирование-(2801)Производство-(97182)Промышленность-(8706)Психология-(18388)Религия-(3217)Связь-(10668)Сельское хозяйство-(299)Социология-(6455)Спорт-(42831)Строительство-(4793)Торговля-(5050)Транспорт-(2929)Туризм-(1568)Физика-(3942)Философия-(17015)Финансы-(26596)Химия-(22929)Экология-(12095)Экономика-(9961)Электроника-(8441)Электротехника-(4623)Энергетика-(12629)Юриспруденция-(1492)Ядерная техника-(1748)

С симметричной арматурой




ПРЯМОУГОЛЬНЫЕ СЕЧЕНИЯ

ПРИМЕРЫ РАСЧЕТА

 

Пример 24. Дано: колонна рамного каркаса с се­чением размерами b = 400 мм, h = 500 мм; а = a’ = 40 мм; бетон тяжелый класса В25 (Eb = 2,7 · 104 МПа); арматура класса A-III (Rs = Rsc = 365 МПа; Еs = 2 · 105 МПа); площадь ее сечения Аs = = 1232 мм2 (2 Æ 28); продоль­ные силы и изгибающие моменты: от постоянных и длительных нагрузок Nl = 650 кН, Мl = 140 кН·м; от ветровой нагрузки Nsh = 50 кН, Мsh = 73 кН·м; расчетная длина колонны l 0 = 6 м.

Требуется проверить прочность сечения колонны.

Расчет. h 0 = 500 – 40 = 460 мм. Поскольку имеют место усилия от нагрузки непродолжитель­ного действия (ветровой), согласно п. 3.1 устано­вим необходимость расчета по случаю „а".

Усилия от всех нагрузок равны:

N = 650 + 50 = 700 кН; М = 140 + 73 = 213 кН·м.

 

Определим моменты внешних сил относительно растянутой арматуры М I и М II, подсчитанные соот­ветственно с учетом и без учета нагрузки непродол­жительного действия (ветровой):

кН·м;

кН·м.

 

Так как 0,82 M II = 0,82·360 = 295 кН·м > М I = 276,5 кН·м, производим расчет только по случаю „б" (см. п. 3.1), т. е. на действие всех нагрузок, принимая Rb = 16 МПа (при g b 2 = 1,1).

Таккак l 0/ h = 6/0,5 = 12 > 10, расчет произво­дим с учетом прогиба колонны согласно п. 3.54, вычислялось по формуле (93).

Для этого определим:

 

 

[здесь b = 1,0 для тяжелого бетона (см. табл. 16)];

 

 

следовательно, случайный эксцентриситет не учи­тываем.

Так как

принимаем

 

 

Коэффициент h определим по формуле (91):

 

 

Значение е равно:

 

 

Определим высоту сжатой зоны х по формуле (107):

мм.

xR = 0,55 (см. табл. 18).

 

Так как х = 109,4 мм < xRh 0 = 0,55 · 460 = 253 мм, прочность сечения проверимиз условия (108):

 

т. е. прочность сечения обеспечена.

Пример 25. Дано: сечение элемента размерами b = 400 мм, h = 500 мм; a = a' = 40 мм; бетон тя­желый класса В25 (Eb = 2,7 · 104 МПа); арматура симметричная класса A-III (Rs = Rsc = 365 МПа; Es = 2 · 105 МПа); продольные силы и изгибающие моменты: от постоянных и длительных нагрузок Nl = 600 кН, Ml = 170 кН·м; от ветровой нагрузки Nsh = 200 кН, Мsh = 110 кН·м; расчетная длина l 0 = 8 м.

Требуется определить площадь сечения арматуры.

Расчет. h 0 = 500 – 40 = 460 мм. Поскольку имеется усилие от ветровой нагрузки, проверим условие (1). Для этого вычислим:

 

кН·м;

 

кН·м;

 

кН;

 

кН·м.

 

Так как 0,82 M II = 0,82 · 448 = 368 кН·м > M I = 296 кН·м, расчет производим только по слу­чаю „б", т. е. на действие всех нагрузок, принимая Rb = 16 МПа (при g b 2 = 1,1).

Так как l 0/ h = 8000/500 = 16 > 10, расчет произ­водим с учетом прогиба элемента согласно п. 3.54, вычисляя Ncr по формуле (93).

Для этого определим:

 

[ b = 1,0, см. табл. 16];

 

(см. п. 3.50).

 

Так как е 0/ h = 350/500 = 0,7 > d e,min = 0,5 – 0,01 – 0,01 Rb, принимаем d e = = 0,7.

В первом приближении принимаем m = 0,01, = 7,4,

тогда

 

 

Коэффициент h равен:

 

 

Значение е с учетом прогиба элемента равно:

мм.

 

Необходимое армирование определим согласно п. 3.62.

Вычислим значения:

 

 

 

 

Из табл. 18 находим xR = 0,55.

Так как a n < xR, значение Аs = определим по формуле (112):

 

 

откуда

 

 

Поскольку полученное армирование существенно превышает армирование, принятое при определении Ncr (m = 0,01), значение Аs = 1413 мм2 определено с „запасом", и его можно несколько уменьшить, уточнив значение m.

Принимаем m = (0,01 + 0,014)/2 = 0,012и анало­гично вычислим значение Аs = :

 

 

мм;

 

мм2.

Окончательно принимаем As = = 1362 мм2(2 Æ 25 + 1 Æ 22).

Пример 26. По данным примера 25 требуется оп­ределить площадь арматуры, используя графики прил. 3.

Расчет. В соответствии с примером 25: N = 800 кН; М = 280 кН·м; = 16; = 0,66.

Определим значения a n и a m:

 

 

 

По графику б прил. 3 при a n = 0,272, a m = 0,207 и l = 15 находим a s = 0,16.

По графику в прил. 3 при a n = 0,272, a m = 0,207 и l = 20 находим a s = 0,2.

Значение a s, соответствующее l = 16, определим линейной интерполяцией:

 

 

Отсюда площадь сечения арматуры равна:

 

мм2.

 

Принимаем Аs = = 1362 мм2 (2 Æ 25 + 1 Æ 22).

Пример 27. Дано: колонна многоэтажного рам­ного каркаса с сечением размерами b = 400 мм, h = 500 мм; a = а’ = 40 мм; бетон тяжелый класса В25 (Eb = 2,7 · 104 МПа); арматура симметричная класса А-III (Rs = Rsc = 365 МПа; Еs = 2 · 105 МПа); продольные силы и изгибающие моменты в опорном сечении колонны: от постоянных и длительных нагрузокна перекрытиях Nl = 2200 кН, Ml = 259 кН·м; от ветровых нагрузок Nsh = 0, Msh = 53,4 кН·м; кратковременные нагрузки на пере­крытиях отсутствуют; расчетная длина колонны l 0 = 6 м.

Требуется определить площадь сечения арматуры.

Расчет. h 0 = h – а = 500 – 40 = 460 мм. Поскольку имеется усилие от ветровой нагрузки, проверим условие (1). Для этого вычислим:

 

кН·м;

кН;

 

кН·м;

 

кН·м.

 

Таккак 0,82 M II = 0,82 · 784,4 = 643 кН·м < M I = 721 кН·м, условие (1) не выполняется и расчет производим дважды: по случаю „а" — на действие длительных и постоянных нагрузок при Rb = 13 МПа (т. е. при g b 2 = 0,9) и по случаю „б" — на действие всех нагрузок при Rb = 16 МПа (т. е. при g b 2 = 1,1). Расчет производится для опор­ного сечения.

Расчет по случаю „а". Так как l 0/ h = 6000/500 = 12 > 4, согласно п. 3.54, следует учи­тывать прогиб колонны. Однако, согласно п. 3.56, для колонн многоэтажных рам коэффициент hv,вводимый на момент Mv от нагрузок на перекры­тиях, принимается равным 1,0, а момент Мh = Msh от ветровых нагрузок в данном расчете не учитывается, поэтому расчетный момент равен М = Мv hv = 259 кН·м.

Расчетная продольная сила равна N = Nl = 2200 кН, отсюда = 118 мм > = 16,7 мм. Оставляем e 0 = 118 мм.

По формуле (111) определим е = e 0 + (h 0 – a’)/2 = 118 + (460 – 40)/2 = 328 мм.

Необходимое армирование определим согласно п. 3.62. Вычислим значения:

 

 

 

 

Из табл. 18 находим xR = 0,604.

Так как a n = 0,92 > xR = 0,604, значение Аs = определим по формуле (113). Для этого по формулам (114) и (109) вычислим значения a s и x:

 

 

 

 

Расчет по случаю „б". Согласно п. 3.54 определим коэффициент h, задаваясь армированием, полученным из расчета по случаю „а", т. е.:

 

 

[ b = 1,0, см. табл. 16];

 

мм.

 

Так как e 0/ h = = 0,293 > d e,min = 0,5 – 0,01 l 0/ h – 0,01 Rb = 0,5 0,01 · 12 – 0,01 · 16 = 0,22, принимаем d e = е 0/ h = 0,293;

 

По формуле (93) определим Ncr:

 

 

отсюда коэффициент h равен:

 

 

Согласно п. 3.56, коэффициент h = hh = 1,38 ум­ножается на момент от ветровых нагрузок Мsh = M, а коэффициент hv = 1,0, поэтому момент с учетом прогиба колонны равен:

 

кН·м.

 

Необходимое армирование определим согласно п. 3.62 аналогично расчету по случаю „а", принимая Rb = 16 МПа:

 

мм;

 

 

 

Из табл. 18 находим xR = 0,55.

Так как a n > xR, значение Аs = определим по формуле (113):

 

 

 

Отсюда

 

Окончательно принимаем As = = 1362 мм2 (2 Æ 25 + 1 Æ 22) >1304 мм2.

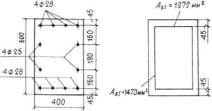
Пример 28. Дано: сечение элемента размерами b = 400 мм, h = 600 мм; бетон тяжелый класса В25 (Rb = 16 МПа при g b 2 = 1,1; Eb = 2,7 · 104 МПа); арматура класса A-III (Rs = Rsc = 365 МПа; Еs = 2 · 105 МПа) расположена в сече­нии, как показано на черт. 46; продольные силы и изгибающие моменты: от всех нагрузок N = 500 кН, М = 500 кН·м; от постоянных и длительных нагру­зок Nl = 350 кН, Ml = 350 кН·м; расчетная длина l 0 = 10 м.

Требуется проверить прочность сечения.

 

 




Поделиться с друзьями:


Дата добавления: 2014-11-16; Просмотров: 594; Нарушение авторских прав?; Мы поможем в написании вашей работы!


Нам важно ваше мнение! Был ли полезен опубликованный материал? Да | Нет



studopedia.su - Студопедия (2013 - 2026) год. Все материалы представленные на сайте исключительно с целью ознакомления читателями и не преследуют коммерческих целей или нарушение авторских прав! Последнее добавление




Генерация страницы за: 0.01 сек.