Студопедия

КАТЕГОРИИ:


Архитектура-(3434)Астрономия-(809)Биология-(7483)Биотехнологии-(1457)Военное дело-(14632)Высокие технологии-(1363)География-(913)Геология-(1438)Государство-(451)Демография-(1065)Дом-(47672)Журналистика и СМИ-(912)Изобретательство-(14524)Иностранные языки-(4268)Информатика-(17799)Искусство-(1338)История-(13644)Компьютеры-(11121)Косметика-(55)Кулинария-(373)Культура-(8427)Лингвистика-(374)Литература-(1642)Маркетинг-(23702)Математика-(16968)Машиностроение-(1700)Медицина-(12668)Менеджмент-(24684)Механика-(15423)Науковедение-(506)Образование-(11852)Охрана труда-(3308)Педагогика-(5571)Полиграфия-(1312)Политика-(7869)Право-(5454)Приборостроение-(1369)Программирование-(2801)Производство-(97182)Промышленность-(8706)Психология-(18388)Религия-(3217)Связь-(10668)Сельское хозяйство-(299)Социология-(6455)Спорт-(42831)Строительство-(4793)Торговля-(5050)Транспорт-(2929)Туризм-(1568)Физика-(3942)Философия-(17015)Финансы-(26596)Химия-(22929)Экология-(12095)Экономика-(9961)Электроника-(8441)Электротехника-(4623)Энергетика-(12629)Юриспруденция-(1492)Ядерная техника-(1748)

Расчет коротких консолей




Черт. 67. Армирование входящего угла, расположенного в растянутой зоне железобетонного элемента

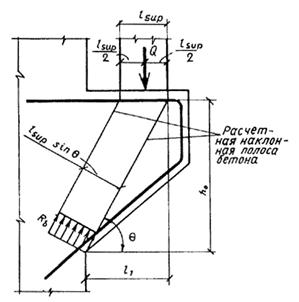
3.99 (3.34). Расчет коротких консолей колонн [ l 1 £ 0,9 h 0; (черт. 68)] на действие поперечной силы для обеспечения прочности по наклонной сжатой полосе между грузом и опорой должен производиться из условия

Q £0,8 Rb b lsup sin2 q (1 + 5 amw), (207)

в котором правая часть принимается не более 3,5 Rbt b ho и не менее 2,5 Rbt b ho.

В условии (207):

lsup ¾ длина площадки опирания нагрузки вдоль вылета консоли;

q — угол наклона расчетной сжатой полосы к горизонтали ;

коэффициент армирования хомутами, расположен­ными по высоте консоли;

здесь sw расстояние между хомутами, измеренное по нормали к ним.

При расчете учитываются хомуты горизонтальные и наклонные под углом не более 45° к горизонтали.

Напряжение сжатия в местах передачи нагрузки на консоль не должно превышать Rb,loc (см. п. 3.93).

Для коротких консолей, входящих в жесткий узел рамной конструкции с замоноличиванием стыка, значение lsup в выражении (207) принимается равным вылету консоли l1, если при этом выполняются условия М / Q ³ 0,3 м и lsup / l1 ³ 2/3 (где М и Q — соответственно момент, растягивающий верхнюю грань ригеля, и поперечная сила в нормальном сечении ригеля по краю консоли). В этом случае правая часть условия (207) принимается не более 5 Rthbho.

Черт. 68. Расчетная схема для короткой консоли при действии поперечной силы

При шарнирном опирании на короткую консоль сборной балки, идущей вдоль вылета консоли, при отсутствии специальных выступающих закладных деталей, фиксирующих площадку опирания (черт. 69), значение lsup в условии (207) принимается равным 2/3 длины фактической площадки опирания.

Поперечное армирование коротких консолей должно удовлетворять требованиям п. 5.77.

Черт. 69. Расчетная схема для короткой консоли при шарнирном опирании сборной балки, идущей вдоль вылета консоли

3.100. При шарнирном опирании балки на консоль колонны продольная арматура консоли проверяется из условия

, (208)

где l1, ho ¾ см. черт. 68.

При этом продольная арматура консоли должна быть доведена до свободного конца консоли и иметь надлежащую анкеровку (см. пп. 5.44 и 5.45).

При жестком соединении ригеля и колонны с замоноличиванием стыка и привариванием нижней арматуры ригеля к арматуре консоли через закладные детали продольная арматура консоли проверяется из условия

, (209)

где l1, ho — соответственно вылет и рабочая высота короткой консоли;

Ns — горизонтальное усилие, действующее на верх консоли от ригеля, равное:

(210)

и принимаемое не более 1,4 kf lw Rwf + 0,3 Q (где kf и lw — соответственно высота и длина углового шва приваривания закладных деталей ригеля и консоли; Rf ¾ расчетное сопротивление угловых швов срезу по металлу шва, определяемое согласно СНиП II-23-81, при электродах Э42 Rwf = 180 МПа; 0,3 — коэффициент трения стали по стали), а также не более Rsw аsw (где Rsw и аsw соответственно расчетное сопротивление и площадь сечения верхней арматуры ригеля).

В формулах (209) и (210):

M, Q — соответственно изгибающий момент и поперечная сила в нормальном сечении ригеля по краю консоли; если момент М растягивает нижнюю грань ригеля, значение М учитывается в формуле (210) со знаком "минус";

lsup фактическая длина площадки опирания нагрузки вдоль вылета консоли;

hob — рабочая высота ригеля.




Поделиться с друзьями:


Дата добавления: 2014-11-16; Просмотров: 2352; Нарушение авторских прав?; Мы поможем в написании вашей работы!


Нам важно ваше мнение! Был ли полезен опубликованный материал? Да | Нет



studopedia.su - Студопедия (2013 - 2026) год. Все материалы представленные на сайте исключительно с целью ознакомления читателями и не преследуют коммерческих целей или нарушение авторских прав! Последнее добавление




Генерация страницы за: 0.008 сек.