Студопедия

КАТЕГОРИИ:


Архитектура-(3434)Астрономия-(809)Биология-(7483)Биотехнологии-(1457)Военное дело-(14632)Высокие технологии-(1363)География-(913)Геология-(1438)Государство-(451)Демография-(1065)Дом-(47672)Журналистика и СМИ-(912)Изобретательство-(14524)Иностранные языки-(4268)Информатика-(17799)Искусство-(1338)История-(13644)Компьютеры-(11121)Косметика-(55)Кулинария-(373)Культура-(8427)Лингвистика-(374)Литература-(1642)Маркетинг-(23702)Математика-(16968)Машиностроение-(1700)Медицина-(12668)Менеджмент-(24684)Механика-(15423)Науковедение-(506)Образование-(11852)Охрана труда-(3308)Педагогика-(5571)Полиграфия-(1312)Политика-(7869)Право-(5454)Приборостроение-(1369)Программирование-(2801)Производство-(97182)Промышленность-(8706)Психология-(18388)Религия-(3217)Связь-(10668)Сельское хозяйство-(299)Социология-(6455)Спорт-(42831)Строительство-(4793)Торговля-(5050)Транспорт-(2929)Туризм-(1568)Физика-(3942)Философия-(17015)Финансы-(26596)Химия-(22929)Экология-(12095)Экономика-(9961)Электроника-(8441)Электротехника-(4623)Энергетика-(12629)Юриспруденция-(1492)Ядерная техника-(1748)

Приклади складання принципових схем




БЛОК ПIДГОТОВКИ ПОВIТРЯ

Стиснуте повітря подається до пневмосистеми від компресора, який створює потік стиснутого повітря i може розташовуватись безпосередньо біля автоматизованого обладнання або на значній відстані у іншому приміщенні (компресорній станції). По периметру виробничого приміщення розташовують пневмомережу (трубопровід) з штуцерами для пiд’єднання пневмосистем автоматизованого обладнання.

Від компресора у пневмомережу потрапляє вода, компресорне мастило в рідкому та пароподібному стані, тверді та газоподібні забруднення, які можуть викликати вихід з ладу елементів пневмосистеми.

Для усунення перелічених забруднень пневмосистема оснащується блоком підготовки повітря (рис.7).

Рис. 7. Блок підготовки повітря: 1- пневморозподілювач під’єднання пневмосистеми до пневмомережі; 2 - фiльтр з вологовiддiлювачем; 3 - запобіжний клапан; 4 - редукційний клапан (регулятор тиску, редуктор); 5 - манометр; 6 - ресивер; 7 - мастилорозпилювач; 8 - реле тиску.

 

 

 

У наведених нижче прикладах розглянемо всі випадки, за аналогією з якими можна скласти схему пневмосистеми до будь-якого варіанту.

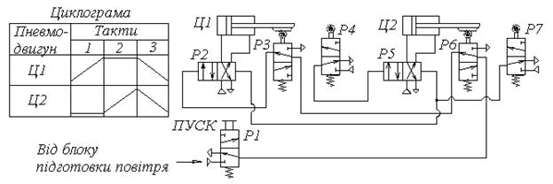
Рис. 8 Приклад побудови двотактової принципової схема роботи двох пневмоциліндрів

 

Приклад 1: Циклограма складається з двох тактів (рис.8, 9):

1 - одночасний прямий хід двох циліндрів Ц1 і Ц2;

2 - одночасний зворотний хід двох циліндрів Ц1 і Ц2.

Принципова схема відпрацьовується у наступній послідовності:

- початок циклу задається пусковим розподiлювачем Р1;

- розподілювачі Р3 і Р6 пропустять стиснуте повітря до розподілювачів Р2 і Р5 лише при дії на їх важелі штоків циліндрів у лівому (вихідному) положенні;

- прямий хід циліндрів Ц1 і Ц2 відбудеться під час переключення розподілювачів Р2 та Р5;

- розподілювачі Р4 і Р7 призначені для подачі сигналу (керуючого потоку стиснутого повітря) про завершення прямого ходу циліндра;

- розподілювач Р8 призначений для об’єднання (може бути замінений пневмоелементом, який здійснює логічну функцію “ I “) сигналів від Р4 і Р7 і подачі одночасного сигналу на розподілювачі Р2 і Р5 для здійснення зворотного ходу циліндрів;

- в момент повернення поршнів у вихідне положення цикл повторюється.

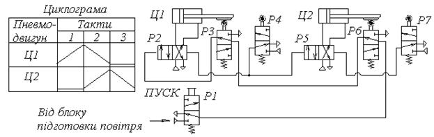
Рис. 9 Приклад побудови двотактової принципової схема роботи двох пневмоциліндрів з використанням логічного елемента “І”

 

Приклад 2: Циклограма складається з трьох тактів (рис.10):

1 - прямий хід циліндра Ц1;

2 - одночасний зворотний хід циліндра Ц1 і прямий хід циліндра Ц2;

3 - зворотний хід циліндра Ц2.

Рис. 10. Приклад побудови тритактової принципової схема роботи двох пневмоциліндрів

 

Принципова схема відпрацьовується у наступній послідовності:

- запуск циклу здійснюється пусковим розподілювачем Р1;

- розподілювачі Р3 і Р6 пропустять стиснуте повітря до розподілювача Р1 лише при дії на їх важелі штоків циліндрів у лівому (вихідному) положенні;

- прямий хід циліндра Ц1 відбудеться при переключені розподілювача Р2;

- розподілювач Р4 після завершення прямого ходу циліндром Ц1 пропустить стиснуте повітря до розподілювачів Р2 і Р5, які перемкнуться i здійсниться зворотний хід пневмоцилiндра Ц1 та прямий Ц2;

- розподілювач Р7 після завершення прямого ходу циліндра Ц2 пропустить повітря до розподілювача Р5, переключення якого забезпечить зворотний хід циліндра Ц2;

- цикл повторється.

 

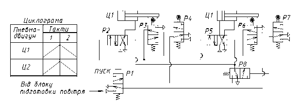
Приклад 3: Циклограма складається з трьох тактів (Рис.11):

І - прямий хід циліндра Ц1;

2 - вистій циліндра Ц1 у правому положенні та прямий хід циліндра Ц2;

3 - зворотний хід двох циліндрів Ц1 і Ц2.

 

Рис. 11. Приклад побудови тритактової принципової схема роботи двох пневмоциліндрів

 

Принципова схема відпрацьовується у наступній послідовності:

- запуск циклу здійснюється пусковим розподілювачем Р1;

- розподілювачі Р6 і Р3 пропустять стиснуте повітря до розподілювача Р2 лише при дії на їх важелі штоків циліндрів у лівому (вихідному) положенні;

- при переключені розподілювача Р2 відбудеться прямий хід циліндра Ц1;

- після завершення прямого ходу циліндра Ц1 розподілювач Р4 пропустить стиснуте повітря до розподілювача Р5;

- переключення розподілювача Р5 забезпечить прямий хід циліндра Ц2;

- після завершення прямого ходу циліндра Ц2 розподілювач Р7 пропустить стиснуте повітря до розподілювачів Р2 і Р5;

- після перемикання розподілювачів Р2 і Р5 здійсниться зворотний хід обох циліндрів;

- цикл повторяється.

 

8. Вибір варіанту контрольної роботи

Номерваріанту завдання на контрольну роботу видається викладачем і складається з номеру варіанту та номеру схеми циклограми роботи пневмоприводу. За першою групою цифр вибираються з табл. 1 типи пневмодвигунiв, схеми регулювання швидкості пневмоприводу (задається в дужках) та дані для їх розрахунку, за другою - циклограма роботи з табл. 2.

 

8.1. Порядок виконання контрольної роботи

1. Згідно варіанту завдання з табл. 1 вибирають типи пневмодвигунiв та вказані вихідні дані для розрахунку.

2. Здійснити розрахунок пневмодвигунiв та визначити діаметр умовного проходу (п.3).

3. Вивчити функцiональне призначення та умовне позначення:

- пневморозподiлювачiв (п.4);

- пневмоелементiв, які використовуються для регулювання швидкості руху поршня (п.5);

- елементів блоку підготовки повітря (п.6).

4. Вивчити принцип побудови принципових схем пневмосистем на наведених прикладах (п.7);

5. З табл. 2 згідно варіанту вибрати циклограму роботи пневмоприводу.

6. Скласти принципову схему роботи пневмосистеми (формат А3) у наступній послідовності:

- нанести умовне позначення чотирьох пневмодвигунiв (згідно варіанту);

- нанести схеми регулювання швидкості руху поршня пневмодвигунiв, згідно даних вказаних у дужках та наведених схем регулювання (див. п. 5);

- нанести пневморозподiлювачi керування пневмодвигунами (див. п.7);

- нанести пневморозподiлювачi важільного керування в кінцевих положеннях штоків пневмодвигунiв (див. п. 7);

- нанести пневморозподiлювачi одночасного спрацювання пневмодвигунiв;

- з’єднати пневмоелементи пневмолiнiями згідно циклограми;

- нанести блок підготовки повітря та з’єднати з входом пневмосистеми;

- нанести літерні позначення згідно наведених прикладів п. 7.

7. Крім принципової схеми пневмосистеми на форматі А3 представити циклограму.

8. Детально описати всі виконані розрахунки та роботу пневмосистеми для кожного такту циклограми.

 


 

Таблиця 1.

П н е в м о д в и г у н
В а р i а н т
  F=1100; L=300 (сх.а) F= 700; L=150 (сх.б) F= 300; L=100 F= 100; L=50    
  F=1000; L=200 (сх.а) F= 500; L=150 (сх.в) F= 250; L=100 F=800; L=50  
  F=800; L=300 (сх.а) F=400; L=250 (сх.б) F=200; L=200   F=500; L=20
  F=500; L=200 (сх.б) F=600; L=150 (сх.г) F=400; L=100 F=200; L=50  
  F=600; L=200 (сх.в)   F=600; L=50 F=400; L=40 F=200; L=30(сх.г)
  F=900; L=300 (сх.в) F=100; L=250 F=700; L=100 (сх.д) F=300; L=50  
  F=900; L=200 (сх.а) F=600; L=100   F=900; L=50(сх.г) F=100; L=30
  F=700; L=150 (сх.б) F=400; L=100 (сх.д) F=100; L=50 F=150; L=30
  F=300; L=250 (сх.в) F=300; L=50 (сх.г) F=400; L=40 F=50; L=30
  F=800; L=250 (сх.а) F=500; L=150 F=500; L=100 (сх.д) F=500; L=30

 

ПРИМIТКА: У дужках вказана схема способу регулювання швидкості руху поршня, яку необхідно використати при побудові принципової схеми пневмосистеми.

Наприклад: варіант - № 8 - згідно вимог до контрольної роботи необхідно скласти пневматичну принципову схему для пневмосистеми, яка складається з чотирьох пневмодвигунiв:

одного двохстороннього (F=700 H; L=150 мм);

двох з пружинним зворотом (F= 400 H; L= 100 мм; та F=100 H; L=50 мм);

однієї пневмокамери (F=150 H; L=30 мм).

Крім цього, для двостороннього та з пружинним зворотом пневмоцилiндрiв необхідно забезпечити регулювання швидкості руху поршня згідно вказаних схем, у даному випадку схеми б i д (див. п. 5).

 


 

 

Таблиця 1.

П н е в м о д в и г у н
В а р i а н т
  F=1000; L=100 F=1100; L=250 F=500; L=300 (сх.а) F=700; L=300 (сх.б)    
  F=300; L=200 F=750; L=250 (сх.б) F=400; L=20 F=100; L=35 (сх.г)  
  F=1500; L=150 F=900; L=300 (сх.а) F=1000; L=20 F=1500; L=30 (сх.д)  
  F=300; L=400(сх.в) F=850; L=200   F=1600; L=35 (сх.г) F=800;L=40
  F=400; L=180 (сх.а) F=2000; L=40 F=450; L=60 (сх.г) F=500; L=60  
  F=800; L=60 (сх.а) F=200; L=100 F=700; L=40 (сх.г) F=1600;L=50
  F=550; L=250(сх.б) F=900; L=15(сх.г) F=1200;L=30 F=1100;L=25
  F=600; L=400 F=350; L=150 (сх.в) F=650; L=200 F=400; L=40 (сх.д)  
  F=700; L=120 F=500; L=450 F=400; L=300 (сх.б)   F=1400;L=50 (сх.д)
    F=500; L=50 F=800; L=60 F=750; L=45 (сх.г) F=900;L=60 (сх.д)

 

 


 

Таблиця 2.


 

Таблиця 2.

 




Поделиться с друзьями:


Дата добавления: 2014-11-18; Просмотров: 1933; Нарушение авторских прав?; Мы поможем в написании вашей работы!


Нам важно ваше мнение! Был ли полезен опубликованный материал? Да | Нет



studopedia.su - Студопедия (2013 - 2026) год. Все материалы представленные на сайте исключительно с целью ознакомления читателями и не преследуют коммерческих целей или нарушение авторских прав! Последнее добавление




Генерация страницы за: 0.012 сек.