Студопедия

КАТЕГОРИИ:


Архитектура-(3434)Астрономия-(809)Биология-(7483)Биотехнологии-(1457)Военное дело-(14632)Высокие технологии-(1363)География-(913)Геология-(1438)Государство-(451)Демография-(1065)Дом-(47672)Журналистика и СМИ-(912)Изобретательство-(14524)Иностранные языки-(4268)Информатика-(17799)Искусство-(1338)История-(13644)Компьютеры-(11121)Косметика-(55)Кулинария-(373)Культура-(8427)Лингвистика-(374)Литература-(1642)Маркетинг-(23702)Математика-(16968)Машиностроение-(1700)Медицина-(12668)Менеджмент-(24684)Механика-(15423)Науковедение-(506)Образование-(11852)Охрана труда-(3308)Педагогика-(5571)Полиграфия-(1312)Политика-(7869)Право-(5454)Приборостроение-(1369)Программирование-(2801)Производство-(97182)Промышленность-(8706)Психология-(18388)Религия-(3217)Связь-(10668)Сельское хозяйство-(299)Социология-(6455)Спорт-(42831)Строительство-(4793)Торговля-(5050)Транспорт-(2929)Туризм-(1568)Физика-(3942)Философия-(17015)Финансы-(26596)Химия-(22929)Экология-(12095)Экономика-(9961)Электроника-(8441)Электротехника-(4623)Энергетика-(12629)Юриспруденция-(1492)Ядерная техника-(1748)

Вимірювання параметрів вібрацій




 

Під вібрацією розуміють механічні коливання об'єкта у певних межах. Параметрами вібрацій є амплітуда, швидкість та прискорення центру маси досліджуваного об'єкта. Коливання можуть мати характер:

- детермінованих процесів, тобто процесів, які підпорядковуються певному математичному законові і повторюються в часі;

- стохастичних процесів, тобто безладних процесів, які не опису­ються математично і визначаються випадковою послідовністю різних причин.

Ми зупинимося лише на визначенні параметрів детермінованих, а точніше синусоїдних процесів.

Для визначення параметрів вібрацій при синусоїдних коливаннях досліджуваного об'єкта можуть бути використані методи та засоби вимі­рювань параметрів лінійного руху. Однак повинні бути враховані особливості роботи цих засобів у динамічному режимі.

Вичерпною характеристикою динаміки роботи віброперетворювача є його диференціальне рівняння, яке для класичної інерціальної системи, що складається з інерційної маси m, закріпленої до пружини з питомим протидіючим моментом W при наявності заспокоювача з коефіцієнтом заспокоєння Р має вигляд:

 

, (4.5)

 

тут у - переміщення інерційної маси.

Для синусоїдного вхідного сигналу , на основі ди­ференціального рівняння можна визначити комплексний коефіцієнт перетворення, амплітудно-частотну та фазочастотну характеристики

(4.6)

 

звідки відносна амплітуда вібрацій

(4.7)

 

а відносна амплітуда вібраційного прискорення

(4.8)

 

де - частота коливань досліджуваного об’єкта; - коливна частота власних незгасаючих коливань інерційної маси; - ступінь заспокоєння.

Із наведених виразів для амплітудно-частотних характеристик, а також графіків рис. 4.4 випливає, що інерційна система для перетворення амплітуди вібрацій повинна мати власну частоту коливань, значно нижчу від частоти вібрації досліджуваного об'єкта.

 

Рисунок 4.4 - Амплітудно-частотні характеристики інерційної системи

 

Отже, інерційна маса буде коливатись відносно корпуса віброметра, закріпленого на досліджуваному об'єкті, а отже, і відносно досліджу­ваного об'єкта, з амплітудою, що дорівнює амплітуді коливань об'єкта дослідження, але з відставанням за фазою на 180°. Оскільки інформа­тивним параметром є амплітуда коливань інерційної маси, то фазовий зсув до уваги не приймається.

Зауважимо, що здебільшого для вимірювань амплітуди вібрацій, швидкості та прискорення використовують один і той же первинний перетворювач (інерціальну систему) з використанням для визначення окремих параметрів інтегрально-диференціального зв'язку між ними.

 

 

Рисунок 4.5 - Схема індукційного віброакселерометра

 

Прикладом такого віброакселерометра може служити індукційний віброакселерометр (рис. 4.5), принцип роботи якого наступний. На плоскій пружині 1 закріплена вимірювальна котушка 2, яка одночасно виконує роль інерційної маси. До корпуса віброперетворювача прикріплений постійний магніт, а сам перетворювач кріпиться до досліджуваного об'єкта. Якщо котушка буде коливатись за законом , в той час як коливання постійного магніту, як і досліджуваного об'єкта, описуються рівнянням . Отже, коливання вимірювальної котушки щодо магніту будуть здійснюватись за синусоїдним законом з амплітудою .

Внаслідок коливань вимірювальної котушки в полі постійного магніту в котушці буде наводитись ЕРС, пропорційна швидкості коливань

 

(4.9)  

Отже, вихідною величиною індукційного віброперетворювача є швидкість коливного руху досліджуваного об'єкта. Для одержання показів вихідного вимірювального приладу в одиницях вимірюваного прискорення використовують проміжну диференційну ланку, а для побудови віброметра - інтегрувальну ланку (рис. 4.5).

Для розширення частотного діапазону в сторону низьких частот та підвищення точності використовується зворотний зв'язок. Сигнал з виходу інтегратора подається на вхід компенсаційної котушки, механічно з'єднаної з вимірювальною котушкою. Компенсаційний струм, взаємодіючи з полем постійного магніту, створює компенсувальну силу, спрямовану назустріч силі інерції, зменшуючи амплітуду коливань інерційної маси при наближенні частоти коливань досліджуваного об'єкта до резонансної частоти інерціальної системи.

Розглянутий віброакселерометр призначений для роботи в частотному діапазоні 20...500 Гц, похибка не перевищує 1 %.

Найпростішим конструктивно є пружинний віброметр (акселерометр) з первинним перетворювачем у вигляді інерційної маси 1, закріпленої на кінці плоскої пружини 2 (рис. 4.6), по обидва боки від якої наклеєні тензорезистивні перетворювальні елементи, які сприймають деформацію пружини при її коливанні. Для віброметра забезпечують , тоді інерційна маса буде коливатись з амплітудою, що дорівнює амплітуді коливань досліджуваного об'єкта. Два робочі тензорезистори, один з яких сприймає деформацію розтягу, а інший деформацію стискування, увімкнені в схему подільником напруги (рис. 4.6,б) Вимірювальне коло живиться від джерела постійної напруги. Для виключення сталої складової у вихідній напрузі використовують роздільний конденсатор С. При деформаціях пружини з частотою вихідна напруга дорівнюватиме де - відносна зміна опору тензорезистора.

 

 

 

Рисунок 4.6 - До принципу дії тензорезистивного акселерометра

 

 

Власна частота коливань такого віброметра становить біля 10 Гц, похибка – 5%.

Для контролю параметрів динамічних процесів, переважно в області підвищених частот, широко застосовують п'єзоелектричні перетворювачі. Існує багато різновидів таких перетворювачів, які відрізняються один від одного видом використовуваної деформації п'єзоелемента, способом його кріплення до інерційної маси тощо.

Не зупиняючись на особливостях конструкції, принцип дії п'єзо­електричного акселерометра можна пояснити схемою, що зображена на рис. 4.7. При прискоре­ному русі закріпленого до досліджуваного об'єкта акселерометра (у даному випадку в напрямі його вертикальної осі) на п'єзоелемент 1 буде діяти сила

 

  (4.10)      
де m - маса інерційного елемента 2, - вимірюване прискорення досліджуваного об'єкта.
     

Під дією цієї сили п'єзоелемент деформується і в ньому виникають механічні напруження

 

, (4.11)  

(тут S - площа п'єзоелемента, на яку діє сила інерційного елемента). Це механічне напруження спричиняє появу на обкладинках п'єзоелемента електричного заряду де - п'єзомодуль, значення якого залежить від матеріалу п'єзоелемента та форми його зрізу. Еквівалентна електрична схема такого перетворювача наведена на рис. 4.7, б, де і еквівалентний опір та еквівалентна ємність перетворювача.

 

Рисунок 4.7 - П'єзоелектричний перетворювач акселерометра та його еквівалентна електрична схема

 

 

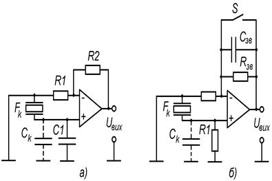
Мала потужність при великому внутрішньому опорі п'єзоелектричного перетворювача зумовлюють певні вимоги до вторинних перетворювачів, тобто - до вимірювальних підсилювачів, основною з яких є необхідність дуже високого вхідного опору підсилювача. Серед схем підсилювачів, які можуть бути використані, можна виділити два різновиди. Це - електрометричні з вхідним опором до 1014 Ом і так звані підсилювачі заряду. Сьогодні останні майже повністю витісняють електрометричні.

Підсилювачі заряду (рис. 4.8,б) - це підсилювачі сталої напруги з коефіцієнтом підсилення більше ніж 20000, в коло зворотного зв'язку яких увімкнені конденсатор та опір (опір служить для стабілізації вихідної напруги і разом з та параметрами п'єзоперетворювача визначає сталу часу ).

Ключ S в колі зворотного зв'язку служить для швидкого встанов­лення нульової початкової напруги на виході підсилювача. Замиканням ключа розряджається конденсатор , який при великих сталих часу кола зворотного зв'язку розряджався б дуже повільно. Чутливість більшості підсилювачів заряду лежить у межах 0,1... 10 мВ/10-9Кл.

Вихідні напруги при використанні наведених схем дорівнюють: для схеми рис. 4.8, а

 

 

(4.12)

 

 

для схеми рис. 4.8, б

 

 

(4.13)

 

 

Рисунок 4.8 - Вимірювальні кола п'єзоелектричних Акселерометрів    

Особливою сферою застосування п'єзоелектричних перетворювачів віброприскорень є досліджування імпульсних процесів, наприклад, при здійсненні випробувань вогнепальної зброї, проведенні експериментальних дослід­жень транспортних засобів. Через малі розміри та малу масу вони працюють практично без зворотної дії на досліджуваний об'єкт і тому придатні також для досліджень об'єктів малих геометричних розмірів (малих мас).

 




Поделиться с друзьями:


Дата добавления: 2014-11-18; Просмотров: 974; Нарушение авторских прав?; Мы поможем в написании вашей работы!


Нам важно ваше мнение! Был ли полезен опубликованный материал? Да | Нет



studopedia.su - Студопедия (2013 - 2026) год. Все материалы представленные на сайте исключительно с целью ознакомления читателями и не преследуют коммерческих целей или нарушение авторских прав! Последнее добавление




Генерация страницы за: 0.009 сек.