Студопедия

КАТЕГОРИИ:


Архитектура-(3434)Астрономия-(809)Биология-(7483)Биотехнологии-(1457)Военное дело-(14632)Высокие технологии-(1363)География-(913)Геология-(1438)Государство-(451)Демография-(1065)Дом-(47672)Журналистика и СМИ-(912)Изобретательство-(14524)Иностранные языки-(4268)Информатика-(17799)Искусство-(1338)История-(13644)Компьютеры-(11121)Косметика-(55)Кулинария-(373)Культура-(8427)Лингвистика-(374)Литература-(1642)Маркетинг-(23702)Математика-(16968)Машиностроение-(1700)Медицина-(12668)Менеджмент-(24684)Механика-(15423)Науковедение-(506)Образование-(11852)Охрана труда-(3308)Педагогика-(5571)Полиграфия-(1312)Политика-(7869)Право-(5454)Приборостроение-(1369)Программирование-(2801)Производство-(97182)Промышленность-(8706)Психология-(18388)Религия-(3217)Связь-(10668)Сельское хозяйство-(299)Социология-(6455)Спорт-(42831)Строительство-(4793)Торговля-(5050)Транспорт-(2929)Туризм-(1568)Физика-(3942)Философия-(17015)Финансы-(26596)Химия-(22929)Экология-(12095)Экономика-(9961)Электроника-(8441)Электротехника-(4623)Энергетика-(12629)Юриспруденция-(1492)Ядерная техника-(1748)

Логические основы ЭВМ




Лабораторная работа №2

ВАРИАНТ 1

1. По заданному логическому выражению составить логиче­скую схему и построить таблицу истинности

а) б)

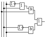
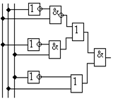
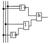
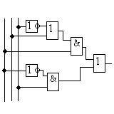
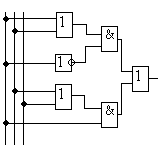
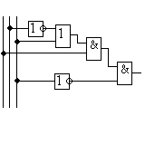
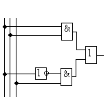
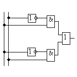
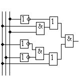
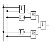
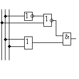
2. По заданной логической схеме составить логическое вы­ражение и заполнить для него таблицу истинности

а) б)

3. Упростить заданное логическое выражение

а) б)

 

ВАРИАНТ 2

1. По заданному логическому выражению составить логиче­скую схему и построить таблицу истинности

а) б)

2. По заданной логической схеме составить логическое выра­жение и заполнить для него таблицу истинности

а) б)

3. Упростить заданное логическое выражение:

ВАРИАНТ 3

1. По заданному логическому выражению составить логиче­скую схему и построить таблицу истинности

а) б)

2. По заданной логической схеме составить логическое выра­жение и заполнить для него таблицу истинности

а) б)

 

3. Упростить заданное логическое выражение:

 

 

ВАРИАНТ 4

1. По заданному логическому выражению составить логиче­скую схему и построить таблицу истинности

а) б)

2. По заданной логической схеме составить логическое выра­жение и заполнить для него таблицу истинности

а) б)

3. Упростить заданное логическое выражение:

 

ВАРИАНТ 5

1. По заданному логическому выражению составить логиче­скую схему и построить таблицу истинности

а) б)

2. По заданной логической схеме составить логическое выра­жение и заполнить для него таблицу истинности

а) б)

3. Упростить заданное логическое выражение:

 

ВАРИАНТ 6

1. По заданному логическому выражению составить логиче­скую схему и построить таблицу истинности

а) б)

2. По заданной логической схеме составить логическое выра­жение и заполнить для него таблицу истинности

а) б)

3. Упростить заданное логическое выражение:

 

ВАРИАНТ 7

1. По заданному логическому выражению составить логиче­скую схему и построить таблицу истинности

а) б)

2. По заданной логической схеме составить логическое выра­жение и заполнить для него таблицу истинности

а) б)

3. Упростить заданное логическое выражение:

 

ВАРИАНТ 8

1. По заданному логическому выражению составить логиче­скую схему и построить таблицу истинности

а) б)

2. По заданной логической схеме составить логическое выра­жение и заполнить для него таблицу истинности

а) б)

3. Упростить заданное логическое выражение:

ВАРИАНТ 9

1. По заданному логическому выражению составить логиче­скую схему и построить таблицу истинности

а) б)

2. По заданной логической схеме составить логическое выра­жение и заполнить для него таблицу истинности

а) б)

3. Упростить заданное логическое выражение:

 

ВАРИАНТ 10

1. По заданному логическому выражению составить логиче­скую схему и построить таблицу истинности

а) б)

2. По заданной логической схеме составить логическое выра­жение и заполнить для него таблицу истинности

а) б)

3. Упростить заданное логическое выражение:

ВАРИАНТ 11

1. По заданному логическому выражению составить логиче­скую схему и построить таблицу истинности

а) б)

2. По заданной логической схеме составить логическое выра­жение и заполнить для него таблицу истинности

а) б)

3. Упростить заданное логическое выражение:

 

ВАРИАНТ 12

1. По заданному логическому выражению составить логиче­скую схему и построить таблицу истинности

а) б)

2. По заданной логической схеме составить логическое выра­жение и заполнить для него таблицу истинности

а) б)

3. Упростить заданное логическое выражение:

ВАРИАНТ 13

1. По заданному логическому выражению составить логиче­скую схему и построить таблицу истинности

а) б)

2. По заданной логической схеме составить логическое выра­жение и заполнить для него таблицу истинности

а) б)

3. Упростить заданное логическое выражение:

 

ВАРИАНТ 14

1. По заданному логическому выражению составить логиче­скую схему и построить таблицу истинности

а) б)

2. По заданной логической схеме составить логическое выра­жение и заполнить для него таблицу истинности

а) б)

3. Упростить заданное логическое выражение:

 

ВАРИАНТ 15

1. По заданному логическому выражению составить логиче­скую схему и построить таблицу истинности

а) б)

2. По заданной логической схеме составить логическое выра­жение и заполнить для него таблицу истинности

а) б)

3. Упростить заданное логическое выражение:

 

ВАРИАНТ 16

1. По заданному логическому выражению составить логиче­скую схему и построить таблицу истинности

а) б)

2. По заданной логической схеме составить логическое выра­жение и заполнить для него таблицу истинности

а) б)

3. Упростить заданное логическое выражение:

ВАРИАНТ 17

1. По заданному логическому выражению составить логиче­скую схему и построить таблицу истинности

а) б)

2. По заданной логической схеме составить логическое выра­жение и заполнить для него таблицу истинности

а) б)

3. Упростить заданное логическое выражение:

 

ВАРИАНТ 18

1. По заданному логическому выражению составить логиче­скую схему и построить таблицу истинности

а) б)

2. По заданной логической схеме составить логическое выра­жение и заполнить для него таблицу истинности

а) б)

3. Упростить заданное логическое выражение:

ВАРИАНТ 19

1. По заданному логическому выражению составить логиче­скую схему и построить таблицу истинности

а) б)

2. По заданной логической схеме составить логическое выра­жение и заполнить для него таблицу истинности

а) б)

3. Упростить заданное логическое выражение:

 

ВАРИАНТ 20

1. По заданному логическому выражению составить логиче­скую схему и построить таблицу истинности

а) б)

2. По заданной логической схеме составить логическое выра­жение и заполнить для него таблицу истинности

а) б)

3. Упростить заданное логическое выражение:

 




Поделиться с друзьями:


Дата добавления: 2014-11-20; Просмотров: 586; Нарушение авторских прав?; Мы поможем в написании вашей работы!


Нам важно ваше мнение! Был ли полезен опубликованный материал? Да | Нет



studopedia.su - Студопедия (2013 - 2025) год. Все материалы представленные на сайте исключительно с целью ознакомления читателями и не преследуют коммерческих целей или нарушение авторских прав! Последнее добавление




Генерация страницы за: 0.008 сек.