Студопедия

КАТЕГОРИИ:


Архитектура-(3434)Астрономия-(809)Биология-(7483)Биотехнологии-(1457)Военное дело-(14632)Высокие технологии-(1363)География-(913)Геология-(1438)Государство-(451)Демография-(1065)Дом-(47672)Журналистика и СМИ-(912)Изобретательство-(14524)Иностранные языки-(4268)Информатика-(17799)Искусство-(1338)История-(13644)Компьютеры-(11121)Косметика-(55)Кулинария-(373)Культура-(8427)Лингвистика-(374)Литература-(1642)Маркетинг-(23702)Математика-(16968)Машиностроение-(1700)Медицина-(12668)Менеджмент-(24684)Механика-(15423)Науковедение-(506)Образование-(11852)Охрана труда-(3308)Педагогика-(5571)Полиграфия-(1312)Политика-(7869)Право-(5454)Приборостроение-(1369)Программирование-(2801)Производство-(97182)Промышленность-(8706)Психология-(18388)Религия-(3217)Связь-(10668)Сельское хозяйство-(299)Социология-(6455)Спорт-(42831)Строительство-(4793)Торговля-(5050)Транспорт-(2929)Туризм-(1568)Физика-(3942)Философия-(17015)Финансы-(26596)Химия-(22929)Экология-(12095)Экономика-(9961)Электроника-(8441)Электротехника-(4623)Энергетика-(12629)Юриспруденция-(1492)Ядерная техника-(1748)

Правила виконання електричних схем




Залежно від основного призначення розрізняють схеми струк­турні, функціональні, принципіальні, з'єднань, підключень, зага­льні, розміщення та об'єднані. В електроприводах найчастіше ви­користовують схеми структурні, функціональні, принципіальні та з’єднань.

Структурні схеми визначають основні функціональні частини електропривода, їх зв'язок між собою та призначення. Ці схеми пе­редують розробці інших схем і використовуються для загального ознайомлення з електроприводом. Функціональні частини електро­привода зображують у вигляді прямокутників, з'єднаних лініями зв'язку із стрілками, які показують напрям ходу процесу. Назву еле­ментів вказують всередині прямокутників. В регульованих електро­приводах для їх аналізу і синтезу всередині прямокутників запису­ють передаточні функції елементів.

Функціональні схеми пояснюють процеси, які протікають в окремих функціональних елементах електропривода або установки в цілому. Використовуються ці схеми для вивчення принципу роботи, а також при налагоджені, контролі та ремонті. Функціональні еле­менти електропривода на цих схемах зображують у вигляді умовних графічних позначень або прямокутників. Вони повинні мати на­йменування, позначення або тип. Зв'язки між елементами та напрям передавання дії вказують стрілками.

При проектуванні електроприводів використовують також фун­кціональні схеми робочих машин та агрегатів, на яких зображають технологічні зв'язки між окремими робочими органами або маши­нами, що необхідно для розробки електричної схеми керування еле­ктроприводом.

Принципіальними називають схеми керування, які визначають повний склад елементів електроустановок і зв'язки між ними і да­ють уявлення про принцип роботи установки. Використовуються ці схеми для вивчення принципу дії установки, а також при ремонті, налагодженні та контролі.

Принципіальні схеми креслять без дотримання масштабу, як правило, рознесеним способом, коли елементи одного пристрою можуть бути розміщені в різних колах схеми відповідно до їх елект­ричних з'єднань. Фактичне розміщення окремих частин електро­установки не враховують або враховують наближено. Всі елементи схеми зображують у вигляді умовних графічних позначень згідно з вимогами Єдиної системи конструкторської документації. Складні пристрої, які мають свою внутрішню схему (регулятори, перетворю­вачі напруги, частоти струму, програмні пристрої тощо), дозволя­ється зображувати у вигляді прямокутника з зовнішніми колами. Елементи зображують у вимкненому стані.

При рознесеному способі зображення умовні позначення елеме­нтів або їх складових частин, які входять до одного кола, зображу­ють послідовно один за одним на одній прямій, а окремі кола - од­не під одним. Лінії зв’язку між ними повинні бути найкоротшими і мати мінімальну кількість перетинів.

Кожний елемент принципіальної електричної схеми повинен ма­ти буквено-цифрове умовне позначення, яке складається з латинсь­ких букв і цифр однакової висоти (наприклад, автоматичний вими­кач QF1;електромагнітний пускач КМ1, КМ2, КМЗ; теплові реле КК1, КК2, ККЗ тощо). Позиційні позначення на схемі проставляють поряд з умовним графічним позначенням з правого боку або над ним.

На принципіальних електричних схемах допускається зображу­вати механічні зв'язки між елементами пунктирними або подвійни­ми лініями.

Принципіальні схеми керування електроприводами складаються з силових (головних) кіл (ліва частина) та кіл керування (права час­тина). До силових кіл відносять кола якоря, статора і ротора елект­родвигунів та силові кола перетворювачів електричної енергії. В колах керування знаходяться котушки контакторів і реле, допомі­жні контакти контакторів і апаратів захисту, кнопки керування, при­строї сигналізації.

Для зручності читання схеми та розробки за нею схеми з'єднань ділянки кіл принципіальної електричної схеми маркують. Марку­вання здійснюють від вводу джерела живлення, де вказують напругу мережі постійного струму або напругу і частоту струму мережі змінного струму. Вхідні ділянки силового кола трифазного змінного струму маркують L1, L2, LЗ, N; однофазного змінного струму - L1, N; L2, N; LЗ, N; постійного струму - L+, L -.

Ділянки електричного кола, розділені контактами апаратів, ко­тушками реле, контакторів, обмотками машин, резисторами та ін­шими елементами повинні мати різне маркування (L1.1, L2.1, LЗ.1; L1.2, L2.1, LЗ.1 і т.д.), а ділянки кола, що проходять через рознімні, розбірні або нерозбірні контактні з'єднання - однакове мар­кування.

 
 

Послідовність маркування повинна бути у напрямку від джерела живлення до споживача, а ділянки кола, що розгалужуються, мар­кують зверху вниз у напрямку зліва направо. Маркування простав­ляють біля кінців або в середині ділянки кола при вертикальному зображенні кола - зліва, при горизонтальному - над ним. Кола ке­рування, захисту та сигналізації маркують послідовними арабськи­ми цифрами зліва-направо, зверху-вниз.

 

Рис. 1.1. Принципіальна електрична схема керування гноєприбиральним транспортером ТСН-ЗБ

 

Дані про елементи схеми повинні бути записані в таблиці пере­ліку елементів, яка розміщується над основним надписом графічної частини або на окремому аркуші. Елементи схеми записують у ал­фавітному порядку їхніх умовних позначень.

Приклад виконання принципіальної електричної схеми керуван­ня електроприводом показаний на рис. 1.1.

Схемою з’єднань називають схему, на якій показані з’єднання всіх складових частин електроустановки, а також проводи та кабелі, якими здійснюються ці з’єднання, місця їх приєд­нання і вводу.

Схема з’єднань складається на основі принципіальної електрич­ної схеми і повинна бути узгоджена з нею.

Апарати і прилади на схемі з’єднань зображують у вигляді пря­мокутників або фігур, що зовнішніми обрисами нагадують відповід­ний апарат, а їх елементи - у вигляді умовних графічних позначень чи прямокутників. Розміщення пристроїв повинно відповідати дійс­ному розміщенню їх у шафі керування. Біля графічних позначень треба вказувати позиційні позначення елементів відповідно до принципіальної схеми.

Проводи, що ідуть в одному напрямку, допускається зливати в одну лінію, а при підході до апарата кожний провід треба зображати окремою лінією. Місце приєднання до апарата позначають кружеч­ком з номером.

Номери проводів проставляють біля обох кінців їх зображень. Допускається біля обох кінців ліній вказувати адресу з’єднань.

Приклад виконання схеми з’єднань показаний на рис. 1.2.

Типові вузли і блокування у схемах керування електроприводами

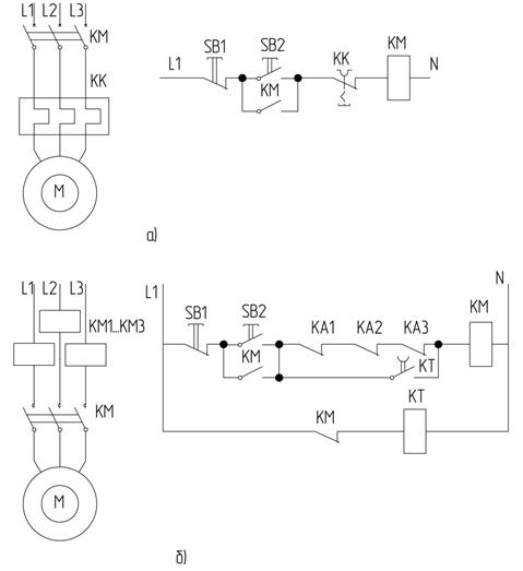
Типові вузли схем керування електроприводами показані на рис. 1.3. При короткочасному вмиканні двигуна (поштовхом) натиску­ють на кнопку SВ, при цьому спрацьовує пускач КМ (рис. 1.3 а). При перевантаженні спрацьовує теплове реле КК, контакт якого розмика­ється у колі котушки пускача КМ (рис. 1.3 б). Світлову сигналізацію про вмикання пускача, подачу напруги на схему, та вмикання двигуна забезпечують схеми, показані відповідно на рис. 1.3 в, г, д.

Для запобігання виходу з ладу електрообладнання та підвищен­ня надійності його роботи застосовують різні види захисту та захис­ні блокування.

 


Рис. 1.2. Схема з’єднання станції керування гноєприбиральним
транспортером ШАП 5901Ж-03А

Захист від коротких замикань (максимальний струмовий захист) забезпечується: в силових колах плавкими запобіжниками (рис. 1.4 а, б) та автоматичними вимикачами з електромагнітними розчіплювачами (рис. 1.4 в, г), в колах керування — максимально-струмовим захистом силового кола (при потужності двигуна до 10 кВт) або власними плавкими запобіжниками чи автоматичними вимикачами.

 

Рис. 1.3. Типові схеми керування електродвигунами:

а - поштовх; б - електромагнітний пускач з тепловим реле; в - сигнал «Пускач увімкнено»; г - світлова сигналізація про подачу напруги на схему;

д - сигнал «Двигун увімкнено»

 

Захист двигунів від перевантажень забезпечується при тривало­му режимі роботи — тепловими реле або тепловими розчіплювачами автоматичних вимикачів (рис. 1.5 а), при повторно-короткочасному режимі роботи — за допомогою максимальних струмових реле КА (рис. 1.5 б). Реле часу вводять у схему для запобігання вимикання двигуна реле струму КА при пуску. На час пуску контакт реле часу КТ шунтує розмикаючі контакти КА1, КА2, КАЗ.

 

 
 

Рис. 1.4. Вузли схем захисту електродвигунів від коротких замикань:
а, б - плавкими запобіжниками; в, г - автоматичними вимикачами

 

Рис. 1.5. Вузли схем захисту електродвигунів від перевантажень:
а — тепловими реле; б — реле струму

 

 
 

Захист від обриву поля, тобто при обриві кола збудження двигуна постійного струму і синхронного двигуна, здійснюється реле мінімального струму (рис. 1.6). Котушка реле КА вмикається послідовно із обмоткою збудження, і реле замикає свій контакт при струмі, близькому до номінального. При зникненні або недопустимому зниженні струму збудження двигуна контакт реле струму КА в колі котушки пускача KM розмикається, внаслідок чого вимикається двигун.

Рис. 1.6. Вузли схем захисту електродвигуна постійного струму від обриву і перенапруги на обмотці збудження

 

Захист від перенапруги на обмотці збудження двигуна постійно­го струму після її вимкнення здійснюється розрядним опором Rp який приймається: при напрузі 220 В (6...8) R озд, при напрузі 110 В (3...5 ) Rозд. Для запобігання втрат енергії в розрядному опорі при роботі двигуна у коло Rp вмикається діод VD(рис. 1.6)

Захисні електричні блокування підвищують надійність роботи електроприводів, запобігають хибним і аварійним увімкненням апа­ратів, пристроїв, робочих машин. В схемах автоматичного керуван­ня електроприводами найчастіше застосовують блокування що за­безпечують задану послідовність вмикання і вимикання кількох двигунів, не допускають одночасного вмикання контакторів або ін­ших апаратів, запобігають мимовільному пуску двигунів (нульове блокування), нещасним випадкам і аваріям, які можуть виникнути внаслідок неправильних дій обслуговуючого персоналу

Для забезпечення заданої послідовності вмикання електродвигунів М1 і М2 (рис. 1.7) послідовно з котушкою електромагнітно­го контактора КМ2, який забезпечує керування електродвигуном М2, вмикають допоміжний замикаючий контакт контактора КМ1 призначеного для керування двигуном М1 (рис. 1.7 а). При цьому вмикання допоміжного двигуна М2 буде можливим лише після замикання допоміжного контактора КМ1,тобто після вмикання двигуна М1.

Для забезпечення одночасного вмикання двигунів М1 і М2 до­поміжний замикаючий контакт контактора КМ1, призначеного для керування двигуном М1, вмикають послідовно з котушкою контак­тора КМ2, призначеного для керування двигуном М2, а допоміжний замикаючий контакт контактора КМ2 - паралельно кнопці «Пуск» SВ2 (рис. 1.7 б). При натисканні на кнопку SВ2 спрацьовує контак­тор КМ1 і своїми головними контактами вмикає двигун М1 в мережу, а допоміжним замикаючим контактом подає живлення на коту­шку контактора КМ2. Контактор КМ2 спрацьовує і вмикає двигун М2. Якщо контактор КМ2 з певних причин не спрацює, при відпу­сканні кнопки SВ2 зупиниться і двигун М1, Одночасне вимикання двох двигунів здійснюється кнопкою «Стоп» SВ1.

Щоб не допустити одночасного вмикання контакторів КМ1 і КМ2 (рис. 1.7, в), необхідно послідовно з котушкою контактора КМ1 увімкнути допоміжний розмикаючий контакт контактора КМ2, а по­слідовно з котушкою контактора КМ2 увімкнути допоміжний роз­микаючий контакт контактора КМ1. При цьому, якщо один з конта­кторів спрацює, розмикається його допоміжний контакт у колі котушки другого контактора і вмикання другого контактора стає неможливим. Таке блокування здійснюють також за допомогою здвоєних кнопок (рис. 1.7, г), що мають розмикаючий і замикаю­чий контакти. При натисканні на кнопку SВ2 її замикаючий контакт замикає коло котушки контактора КМ1, а розмикаючий - розмикає коло котушки контактора КМ2. Якщо ж натиснути на кнопку SВЗ,то, навпаки, замкнеться коло котушки контактора КМ2 і розімкнеться коло котушки контактора КМ1. При одночасному натисканні на обидві кнопки розмикаються кола котушок обох контакторів, і вони вимикаються. Одночасна робота двох контакторів неможлива.

Для забезпечення нульового блокування, тобто захисту від мимо­вільного вмикання електродвигуна при появі зниклої напруги, замикаючий допоміжний контакт контактора вмикають паралельно кнопці «Пуск» (рис. 1.7 д). При нормальній напрузі мережі натисканням на кнопку «Пуск» SВ2 спрацьовує контактор КМ1, який головними контактами вмикає двигун, а допоміжним шунтує кнопку «Пуск». Після цього кнопка SВ2 повертається у вихідне положення, а живлення котушки контактора відбувається через його допоміжний контакт. При значному зниженні або зникненні напруги контактор повертається у вихідне положення, вимикаючи головними контактами двигун, і розмикає допоміжний контакт, увімкнений паралельно кнопці «Пуск». Після відновлення напруги запустити двигун можна лише натиснувши на кнопку «Пуск» SВ2.

Обмеження переміщення робочого органу або машини в цілому у просторі здійснюється за допомогою кінцевого вимикача SQ, увімкненого у коло котушки контактора КМ1 (рис. 1.7 є). При спрацюванні кінцевого вимикача SQ розмикається коло котушки контактора КМ1, який вимикає двигун.

 
 

Рис. 1.7. Блокувальні зв'язки у схемах керування електроприводами:
а - пуск у заданій послідовності; б -одночасний пуск; в, г -одночасна робота двигунів неможлива; д - мимовільний пуск двигуна неможливий;
є - обмеження руху робочої машини

 




Поделиться с друзьями:


Дата добавления: 2014-12-08; Просмотров: 3756; Нарушение авторских прав?; Мы поможем в написании вашей работы!


Нам важно ваше мнение! Был ли полезен опубликованный материал? Да | Нет



studopedia.su - Студопедия (2013 - 2026) год. Все материалы представленные на сайте исключительно с целью ознакомления читателями и не преследуют коммерческих целей или нарушение авторских прав! Последнее добавление




Генерация страницы за: 0.013 сек.