Студопедия

КАТЕГОРИИ:


Архитектура-(3434)Астрономия-(809)Биология-(7483)Биотехнологии-(1457)Военное дело-(14632)Высокие технологии-(1363)География-(913)Геология-(1438)Государство-(451)Демография-(1065)Дом-(47672)Журналистика и СМИ-(912)Изобретательство-(14524)Иностранные языки-(4268)Информатика-(17799)Искусство-(1338)История-(13644)Компьютеры-(11121)Косметика-(55)Кулинария-(373)Культура-(8427)Лингвистика-(374)Литература-(1642)Маркетинг-(23702)Математика-(16968)Машиностроение-(1700)Медицина-(12668)Менеджмент-(24684)Механика-(15423)Науковедение-(506)Образование-(11852)Охрана труда-(3308)Педагогика-(5571)Полиграфия-(1312)Политика-(7869)Право-(5454)Приборостроение-(1369)Программирование-(2801)Производство-(97182)Промышленность-(8706)Психология-(18388)Религия-(3217)Связь-(10668)Сельское хозяйство-(299)Социология-(6455)Спорт-(42831)Строительство-(4793)Торговля-(5050)Транспорт-(2929)Туризм-(1568)Физика-(3942)Философия-(17015)Финансы-(26596)Химия-(22929)Экология-(12095)Экономика-(9961)Электроника-(8441)Электротехника-(4623)Энергетика-(12629)Юриспруденция-(1492)Ядерная техника-(1748)

Загальні відомості. Місце проведення заняття




Місце проведення заняття

Обладнання, матеріали та інструменти

Тривалість заняття

Мета роботи

Дослідження електроприводу постійного струму з магнітним підсилювачем

Лабораторна робота № 21

Ознайомитись з принципом роботи та експериментально дослідити замкнену та розімкнену системи керування електроприводом з магнітним підсилювачем.

Тривалість лабораторної роботи 4 години.

 

Провідники, автоматичний вимикач, магнітні пускачі, двохтактний магнітний підсилювач, двигуни постійного струму з незалежним збудженням, тахогенератор, вимірювальні прилади, випрямлячі.

 

Лабораторна робота проводиться в лабораторії електроприводу 7ма.

 

Магнітні підсилювачі МП одержали широке застосування в автоматичних пристроях. Їхні переваги: надійність і довговічність в експлуатації (відсутні, рухомі частини); високий коефіцієнт підсилення; можливість підсилювати дуже малі потужності та сумування сигналів. Недоліком магнітних підсилювачів є їх відносно велика інерційність і постійна часу.

Для кращого розуміння принципу дії магнітного підсилювача слід попередньо розглянути роботу дроселя насичення з підмагніченням,
рис. 21.1. Такого типу дросель має дві обмотки постійного (І) і змінного (ІІ) струмів.


Струм в обмотці ІІ визначається рівнянням:

2 (21.1)

де L - індуктивність обмотки ІІ;

Хн - індуктивний опір навантаження.

Відомо, що індуктивність з сталлю залежить від степені наси­чення сталі і може бути виражена формулою

L=w· dФ/dі, (21.2)

де w - число витків обмотки;

Ф - магнітний потік сердечника;

i -струм, що проходить по обмотці.

Залежність магнітного потоку Ф від струму і нелінійна і подана кривою намагнічування Ф=f(i) (рис.21.2а). На початковому лінійному відрізку (до точки В) кривої намагнічування кут β відносно великий і індуктивність також велика (рис. 21.2б). З даного рисунка видно, що на лінійному відрізку індуктивність від струму і не залежить. Якщо дальше збільшувати струм похідна dФ/di яка вимірюється величиною tg β1 зменшується, а відповідно зменшується і індуктивність. Якщо через обмотку дроселя (рис. 21.1) пропустити постійний струм, він створить в осерді постійний магнітний потік, що викличе зменшення індуктивності обмотки ІІ і збільшення в ній струму. Напруга Uвих також відповідно зросте. Таким чином, змінюючи величину постійної напруги U можна змінювати величину вихідної змінної напруги Uвих .

Рис. 21.1. Схема дроселя з підмагніченням.


Коефіцієнт підсилення по потужності МП визначиться відношенням

Недоліки розглянутої схеми:

1. В обмотці постійного струму індукується змінна ерс, яка спотворює постійну напругу U обмотки.

2. Нечутливість до полярності вхідного сигналу.

3. Невідповідність нульового значення сигналу нульовому значенню вихідної напруги Uвих.

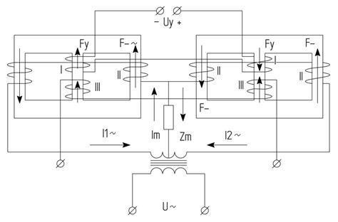
Такого типу підсилювачі називаються однотактними. Недоліки однотактних МП усунені в двотактних МП, які можуть бути виконані по диференціальній (рис. 21.3) або мостовій (рис. 21.4) схемах.

 

 
 

 

 


а) б)

Рис. 21.2. Графіки залежностей: а) магнітного потоку від струму,
б) індуктивності від струму

 

Пуск двигуна виконується в такому порядку: поставити ручку регулятора швидкості R1 в положення "мінімальна швидкість (крайнє ліве положення) і ввімкнути автомат змінної напруги 380 В. Після цього, ввімкнути автомат QF1 постійної напруги 220 В, при цьому одержить живлення обмотка збудження ОЗ навантажувального генератора GN.

Рис. 21.3. Двохтактний МП (диференціальна схема)

 

Рис. 21.4. Двохтактний МП (мостова схема)

 

Генератор G завантажимо змінним опором і тим самим завантажимо двигун DD.

Ручку регулятора R1 плавно зміщуємо вправо і встановлюємо частоту обертання 3000 об/хв. Завантажуємо двигун струмом від 2,6 до 5 А і для кожного значення струму якоря заносимо всі виміряні величини в
таблицю 21.1.

 

 

Таблиця 21.1

Експериментальні дані

Uя В        
Ія А        
n об/хв        
М Н·м        
ізвор mA        

 

Аналогічний експеримент виконуємо з частотою обертання 1500 об/хв і всі вимірні величини заносимо також в таблицю 21.1.

Електромагнітний момент М розраховуємо за формулою

М=кФІя (21.3)

де к – конструктивна стала двигуна;

Ф – магнітний потік,Вб;

кФ – визначається за допомогою паспортних даних досліджуваного двигуна з виразу:

, (21.4)

де

. (21.5)

Звідси кФ буде рівним:

, (21.6)

Rякн – номінальний опір якірного кола

, (21.7)

Uн;Iн;Pн – паспортні дані двигуна.

На основі експериментальних і розрахункових даних таблиці 21.1 будуємо характеристики n = f(Iя), ізв = f2(Iя) і n = f3(М).

Далі встановлюємо ручку регулятора R1 в положення n = 3000 об/хв і розриваємо коло зворотного зв'язку в точці підключення амперметра А1. Завантажуємо двигун струмом якоря в границях 2 – 5 А і дані експерименту заносимо в таблицю 21.2.

Таблиця 21.2

Експериментальні дані

Uя В        
Ія А        
n об/хв        
М Н·м        

 

На основі експериментальних і розрахункових даних таблиці6.2 будуємо характеристики n = f(Iя), n = f(M).

Схема системи МП-двигун показана на рис. 21.6.

Ввімкнення магнітного підсилювача і двигуна в мережу виконується за допомогою автомата QF2.

Навантажувальний момент на валі дослідного двигуна DD створюється навантажувальним генератором GN, який працює в режимі динамічного гальмування. Величина навантажувального моменту змінюється опором Rн.

Амперметр А 2вимірює струм якірного кола двигуна, а А3 - струм обмотки збудження ОЗ DD. Струм в обмотках (2W1-2W3) це струм зворотного зв’язку і вимірюється амперметром А1. Напруга якоря вимірюється вольтметром V1. Швидкість обертання двигуна вимірюється за допомогою тахогенератора TG і вольтметра V2. Схема працює наступним чином.

Змінний струм мережі випрямляється селеновим випрямлячем 1В1-1В6, зібраним по трифазній мостовій схемі і надходить в якір двигуна постійного струму DD. Керування швидкістю обертання двигуна відбувається шляхом зміни по величині постійної напруги, яка подається на двигун. Для цього в кожне плече випрямляча ввімкнена одна із шести робочих обмоток дроселів які створюють магнітний підсилювач, також зібраний за трифазною мостовою схемою. На обмотках, відмічених на схемі індексом 1W1-1W6, тратиться частина напруги живлення яка подається до випрямляча. Величина втрати напруги залежить від магнітного стану осердя дроселя. Якщо осердя дроселя підмагнічується постійним струмом, то індуктивність обмоток W1 зменшується втрата напруги на них також зменшується. Чим більше підмагнічується осердя, тим менша втрата напруги в обмотках W1, тим більша напруга на виході випрямляча B1 і тим більша частота обертання двигуна. Підмагнічення осердя магнітного підсилювача, відбувається пос­тійною складовою струму навантаження, який проходить через обмотки W1 і постійним струмом обмоток керування 2W1–2W3. Обмотки W2 являються обмотками наладки на задану швидкість обертання, одночасно, обмотками зворотного зв’язку.

На обмотки W2 подається алгебраїчна сума трьох напруг. Одна з них U3 - задаюча напруга, друга - напруга якоря двигуна, третя U4R – залежить від завантаження двигуна і знімається з опору R4.

Напрямок намотки витків обмотки W2 вибрано так, коли U3+ U4R>UЯ струм в обмотках W2 створює в осерді дроселів магнітний потік такого напрямку як магнітний потік, створений постійною складовою робочого струму в обмотках W1. Внаслідок цього, якщо Uз + U4R>UЯ товтрата напруги на робочих обмотках дроселів зменшується, а збільшиться коли
Uз + U4R<UЯ.

Напруга на якорі і частота обертання двигуна, відповідно ростуть, коли Uз+ U4R>UЯ і зменшуються, коли Uз + U4R<UЯ.

Задаюча напруга U3 встановлюється вручну поворотом ручки потенціометра R1, який живиться від випрямляча B2. Послідовно з R1 ввімкненні опори R1 і R2. Опір R1 виконує функції наладки приводу (при виготовленні і ремонті) на нижню частоту обертання, R2 - під час наладки на верхню частоту обертання.

Напруга U4R створюється за допомогою трансформатора струму Т2. Чим більший момент навантаження на валі двигуна, тим більший струм який проходить по обмотці трансформатора Т2 і тим більша напруга U4R добавляється до задаючої напруги U3.

Ріст суми U3 + U4R призводить до росту напруги на якорі, а зменшення
U3 + U4R до зниження напруги. Таким способом досягається стабілізація заданої частоти обертання в меншій залежності від навантаження. Величина R4 підбирається під час наладки приводу.

Процес автоматичного встановлення частоти обертання приводу носить коливний характер. Усталене значення процесів досягається через 0,2 – 2 с після порушення рівноваги.

 




Поделиться с друзьями:


Дата добавления: 2014-12-08; Просмотров: 478; Нарушение авторских прав?; Мы поможем в написании вашей работы!


Нам важно ваше мнение! Был ли полезен опубликованный материал? Да | Нет



studopedia.su - Студопедия (2013 - 2026) год. Все материалы представленные на сайте исключительно с целью ознакомления читателями и не преследуют коммерческих целей или нарушение авторских прав! Последнее добавление




Генерация страницы за: 0.013 сек.