Студопедия

КАТЕГОРИИ:


Архитектура-(3434)Астрономия-(809)Биология-(7483)Биотехнологии-(1457)Военное дело-(14632)Высокие технологии-(1363)География-(913)Геология-(1438)Государство-(451)Демография-(1065)Дом-(47672)Журналистика и СМИ-(912)Изобретательство-(14524)Иностранные языки-(4268)Информатика-(17799)Искусство-(1338)История-(13644)Компьютеры-(11121)Косметика-(55)Кулинария-(373)Культура-(8427)Лингвистика-(374)Литература-(1642)Маркетинг-(23702)Математика-(16968)Машиностроение-(1700)Медицина-(12668)Менеджмент-(24684)Механика-(15423)Науковедение-(506)Образование-(11852)Охрана труда-(3308)Педагогика-(5571)Полиграфия-(1312)Политика-(7869)Право-(5454)Приборостроение-(1369)Программирование-(2801)Производство-(97182)Промышленность-(8706)Психология-(18388)Религия-(3217)Связь-(10668)Сельское хозяйство-(299)Социология-(6455)Спорт-(42831)Строительство-(4793)Торговля-(5050)Транспорт-(2929)Туризм-(1568)Физика-(3942)Философия-(17015)Финансы-(26596)Химия-(22929)Экология-(12095)Экономика-(9961)Электроника-(8441)Электротехника-(4623)Энергетика-(12629)Юриспруденция-(1492)Ядерная техника-(1748)

Измерьте период выходного сигнала и введите полученный результат в компьютер




 

Отчет к лабораторной работе должен содержать:

  1. Название работы
  2. Условные графические обозначения (УГО) исследованных устройств, использующие российский стандарт
  3. Назначение и обозначение каждого из входов триггеров
  4. Заполненные потактовые таблицы состояний и временные диаграммы работы всех триггеров.

 

При защите работы уметь объяснить каждый из полученных результатов.

Лабораторная работа № 4.

Основные узлы цифровой техники.

 

Литература:

5. А.А. Коваленко, М.Д. Петропавловский. Основы микроэлектроники: Учебное пособие. ‑ Барнаул: Изд‑во БГПУ, 2005. – 222 с.

6. В.С. Ямпольский. Основы автоматики и электронно-вычислительной техники. – М.: Просвещение. – 1991. – 223 с.

7. Лекции

8. Руководство к выполнению виртуальных лабораторных работ с помощью программы моделирования электрических схем Electronic Workbench 5.12

 

Ход работы:

 

  1. Включите терминал, подключитесь к локальной сети и загрузите сайт «Основы микроэлектроники». Выберите номер лабораторной работы, зарегистрируйтесь и приступите к выполнению заданий согласно появляющимся на экране инструкциям и данному описанию.

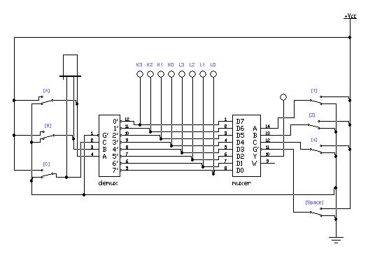
15. Исследуйте работу мультиплексора-демультиплексора. Для этого в программе EWB откройте схему мультиплексора-демультиплексора. (файл E:\MeLabs\lab4\mux_8_1.ewb). Включите моделирование. Исследуйте работу демультиплексора (demux), набирая нажатием клавиш A, B, C двоичный код адреса шины 0’-7’, на который поступает сигнал с информационного входа G’. При этом на индикаторе высвечивается 16-ричный код выбранной выходной шины.

Обратите внимание, что выходы 0’-7’ инверсные, и информационный вход G’ тоже, поэтому сигнал на выбранном выходе соответствует уровню входного сигнала G’ (логический нуль). Наберите клавишами A, B, C предложенный Вам в задании код и включите моделирование. Запишите двоичный код выходных сигналов демультиплексора и преобразуйте его в 16-ричный. Введите ответ в виде HL, где H-старшие четыре бита, а L – младшие (см. обозначения индикаторов). Исследуйте работу мультиплексора (mux). Для этого с помощью демультиплексора установите на одном из входов D0-D7 нулевой потенциал. Убедитесь, что на выходе Y сигнал с выбранного информационного входа появляется только при совпадении кода адреса A, B, C, набираемого нажатием клавиш 1, 2, 4, с номером выбранного входа. Обратите внимание на зависимость работы мультиплексора от состояния входа стробирования G’. Снова введите код задания. Получите на выходе Y исходный сигнал G’ (логический ноль). Запишите состояние входа мультиплексора в шестнадцатиричном коде.

Подробно опишите работу исследованных узлов (мультиплексора и демультиплексора).

 

16. Исследуйте работу суммирующего счетчика. Откройте схему суммирующего счетчика (файл E:\MeLabs\Lab4\СЧЕТЧИК_СУМ.ewb). Счетчик состоит из четырех D‑триггеров с входами предустановки (переключатель R – осуществляет сброс триггеров).

Включите моделирование. Подайте на вход С счетчика n импульсов. Запишите результат в шестнадцатиричном коде.

17. Исследуйте работу реверсивного счетчика. Откройте схему реверсивного счетчика (файл E:\MeLabs\Lab4\РЕВЕРС_СЧЕТ.ewb). Сформируйте на входе предустановки счетчика (кнопки A-D) число N (запись осуществляется клавишей Space). В прямом счете (DOWN=1) подайте ключом T – X входных импульсов (Внимание: при переключении кнопок U необходимо, чтобы ключ T находился в верхнем положении, иначе счетчик будет отсчитывать импульсы).

Далее в обратном счете (UP=1) подайте Y импульсов. Запишите ответ в шестнадцатиричном коде.

Примечание: на входе счетчика реализована антидребезговая схема.

 

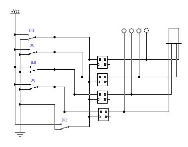
18. Исследуйте работу параллельного регистра. Откройте схему параллельного регистра (файл E:\MeLabs\Lab4\регистр_пар.ewb). Изучите его работу.

Задайте входами A, B, M, N соответствующую последовательность значений: XXXX. Запишите последовательность в регистр сигналом синхронизации C. Запишите результат в шестнадцатиричном коде.

 

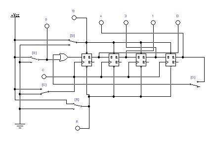
19. Исследуйте работу последовательного регистра, для чего необходимо открыть в программе EWB файл E:\MeLabs\Lab4\регистр_посл.ewb. Изучите работу регистра. Назначение входов: S, R – входы предустановки; D – информационный вход; С – вход синхронизации; вход O – определяет режим работы регистра (сдвиговый/циклический).

Последовательно занесите в регистр код Вашего варианта (X). В режиме циклирования подайте Y импульсов синхронизации. Запишите шестнадцатиричный код выхода.

 

20. Исследуйте работу счетчика 7469 в режиме делителя частоты. Для этого выберите из библиотеки Digital интегральную схему счетчика 7469 (Dual 4-bit Binary Counter). Микросхема состоит из двух счетчиков 1 и 2. Причем 1-й счетчик разделен на два независимых одно- и трех-битных счетчика, управляемых соответствующими сигналами 1CLKA и 1CLKB. Поэтому для организации четырехразрядного двоичного счетчика необходимо завести сигнал с выхода 1QA на вход 1CLKB.

Предварительно на листе бумаги нарисуйте схему счетчика-делителя в соответствии с Вашим номером варианта и покажите ее преподавателю. Соберите делитель частоты с заданным коэффициентом деления. Подайте на вход счетчика прямоугольные импульсы от функционального генератора и получите осциллограмму со старшего счетного бита выхода Q (для нормальной работы схемы к входу осциллографа рекомендуется подключить буферный повторитель (Buffer)). Измерьте длительность сигнала.

 

Отчет к лабораторной работе должен содержать:

  1. Название работы
  2. Названия и принципиальные схемы всех исследованных узлов, использующие российский стандарт УГО элементов
  3. Подробное описание работы мультиплексора и демультиплексора (см. Задание 1).
  4. Временные диаграммы сигналов на всех входах и выходах исследованных узлов, соответствующие Вашему варианту (для всех заданий, начиная со второго).

 

При защите работы уметь объяснить назначение и функционирование каждого из исследованных узлов, а также временные диаграммы их работы.

ЛАБОРАТОРНАЯ РАБОТА №5

ИССЛЕДОВАНИЕ АРИФМЕТИЧЕСКО-ЛОГИЧЕСКОГО УСТРОЙСТВА

 

Оборудование: Стенд ОАВТ, плата П6, технологическая карта V.1

Литература: Основы автоматики и ЭВТ, 1991, 4.4. Лекции.

 

Стенд ОАВТ

В верхней части Стенда установлен разъем X1, предназначенный для подключения сменных плат с исследуемыми устройствами.

На передней панели Стенда для ввода информации и задания режимов работы исследуемых устройств установлены тумблеры SA1-SA5 (вверх - уровень логической «1», вниз – «0») и кнопки SВ2, SB3 (ненажата – «1», нажата – «0»). Кнопка SB1 подключена к схеме защиты от «дребезга». С помощью этой кнопки формируется импульс с крутыми фронтами. Этот блок в дальнейшем на схемах обозначается как формирователь одиночного импульса (Fп). Для SB1: ненажата – «0», нажата – «1»

На Стенде установлен светодиодный дисплей из девяти светодиодов HL1-HL9 («1» - светодиоды светятся, «0» - нет) и семисегментного индикатора HG1.

 

Плата П6

В этом задании используются расположенные на плате П6 следующие ИМС: дешифратор К155ИД4 (D1), параллельные регистры К155КТМ5 (D5, D6, D7), счетчик двоичный реверсивный с предустановкой К155ИЕ7 (D10), арифметически-логическое устройства К155ИП3 (D9).

К155ИП3 - четырехразрядное АЛУ. В зависимости от сигнала на вход М оно может работать в двух режимах, выполняя либо 16 логических («1» на вход М), либо 16 арифметических операций («0» на М).

На входы К1-К4 подается четырехразрядное слово К (операнд К), на входы В1-В4 аналогичное слово - операнд В. Результат выполнения логических преобразований или арифметических действий поступает в виде четырехразрядного слова на выходы F.

АЛУ имеет 4 входа выбора S0-S3, с помощью которых можно выбрать 16 функций устройства, а, учитывая режим на входе М - 32 функции.

В МС имеется вход Ро и выход Р сигналов переноса и выход признака равенства данных А=В. На этом выходе (с открытым коллектором) будет сигнал «1», если выходы всех разрядов находятся в состоянии «1».

Схема исследования АЛУ (плата VI, карта VI — 1) содержит следующие блоки:

1. Блок ввода данных (операндов К и В, кода операций S). Блок состоит из кнопки SВ1 и счетчика D10. Для ввода данных (любого четырехразрядного числа) нажимают необходимое число раз на кнопку SB1. Набранное число с выходов D10 поступает в общую шину данных, которая подключена к информационным входам всех оперативных регистров, а также к блоку индикации (D3 и HG1).

2. Арифметико-логическое устройство. Значения операндов К и В, а также кодов выполняемых операций S подаются от соответствующих регистров (D5, D6, D7), управляющий сигнал M (логические или арифметические операции) от тумблера SA4, сигнал переноса Ро от тумблера SA5. На индикацию (светодиод HL6) выводится сигнал переноса Р в старший разряд (переполнение разрядной сетки).

Результат операции, выполненный АЛУ, записывается в регистр-аккумулятор (D10), совмещенный со счетчиком блока ввода данных. Для перевода D10 в режим регистра-аккумулятора на вход V D10 подают «0». Этому режиму соответствует свечение светодиода HL5.

 

3. Блок оперативных регистров: RG(D5) - К, RG(D6) - В, R6(D7) - S, в которые может быть записана информация с общей шины. Для записи этой информации на вход синхронизации С соответствующего регистра подается управляющий сигнал с уровнем «1». Контроль этих сигналов осуществляется светодиодами HL1-HL3.

4. Дешифратор кода команд на МС К155ИД4 (D1), переключателях SA1, SA2, SA3 и SB3. В зависимости от набранного переключателями SA1-SA3 кода, при нажатии кнопки SB3 на одном из пяти используемых выходов дешифратора D1 появится сигнал с уровнем «0». Сигналы с выходов 0, 1, 2, 4, проинвертированные МС D3 (не показана на карте) поступают на входы С регистров D5-D7 и вход R счетчика D10 (уровнем «1»). Коды всех команд и соответствующая им индикация приведены в таблице:

 

Команда Код команды Такт Управляемое устройство Светодиод
SA3 SA2 SA1 SB3
1. Запись информации с общей шины в регистр операнда К.         D5 вход С HL1
2. Запись информации с общей шины в регистр операнда В.         D6 вход С HL2
3. Запись информации с общей шины в регистр кода операций АЛУ.         D7 вход С HL3
4. Обнуление счетчика блока ввода информации.         D10 вход R HL4
5. Установка режима «параллельная запись» в регистр-аккумулятор (счетчик блока ввода информации).         D10 вход V HL5
6. Запрет на передачу команд. Х Х Х     Индикаторы не светятся

 

Т.е., при работе со стендом необходимо выполнять следующую последовательность операций:

1. Ввести код операции, нажимая кнопку SB1 необходимое число раз.

2. Набрать переключателями SA3, SA2, SA1 адрес 010, соответствующий регистру кода операций.

3. Нажав кнопку SВ3, переписать введенный код операции в регистр D7.

4. Ввести операнд К (от 0 до F) с помощью кнопки SB 1.

5. Набрать адрес регистра операнда К (SA3, SA2, SA1 = 000) и, нажав на кнопку SB3, переписать введенное значение операнда К в регистр D5.

6. Ввести операнд В (от 0 до F) с помощью кнопки SВ1.

7. Набрать адрес регистра операнда В (SA3, SA2, SA1 = 001) и, нажав кнопку SВ3, переписать введенное значение операнда В в регистр D6.

8. Набрать адрес регистра-аккумулятора (SA3, SA2, SA1 = 101) и. нажав на кнопку SB3, переписать результат выполнения заданной операции (S, M, Po) над введенными операндами (К и В) с выхода АЛУ в регистр-аккумулятор D10. Результат операции считывается в виде шестнадцатиричного кода с НG1 и сигнала переноса в старший разряд (только при выполнении арифметических операций) с индикатора HL6.

9. Если полученный результат является промежуточным и его необходимо использовать в дальнейшем в качестве одного из операндов, то с выхода регистра-аккумулятора его переписывают или в регистр D5 или в регистр D6, повторяя соответственно операции 5 или 7.

 




Поделиться с друзьями:


Дата добавления: 2014-12-08; Просмотров: 1787; Нарушение авторских прав?; Мы поможем в написании вашей работы!


Нам важно ваше мнение! Был ли полезен опубликованный материал? Да | Нет



studopedia.su - Студопедия (2013 - 2025) год. Все материалы представленные на сайте исключительно с целью ознакомления читателями и не преследуют коммерческих целей или нарушение авторских прав! Последнее добавление




Генерация страницы за: 0.012 сек.