Студопедия

КАТЕГОРИИ:


Архитектура-(3434)Астрономия-(809)Биология-(7483)Биотехнологии-(1457)Военное дело-(14632)Высокие технологии-(1363)География-(913)Геология-(1438)Государство-(451)Демография-(1065)Дом-(47672)Журналистика и СМИ-(912)Изобретательство-(14524)Иностранные языки-(4268)Информатика-(17799)Искусство-(1338)История-(13644)Компьютеры-(11121)Косметика-(55)Кулинария-(373)Культура-(8427)Лингвистика-(374)Литература-(1642)Маркетинг-(23702)Математика-(16968)Машиностроение-(1700)Медицина-(12668)Менеджмент-(24684)Механика-(15423)Науковедение-(506)Образование-(11852)Охрана труда-(3308)Педагогика-(5571)Полиграфия-(1312)Политика-(7869)Право-(5454)Приборостроение-(1369)Программирование-(2801)Производство-(97182)Промышленность-(8706)Психология-(18388)Религия-(3217)Связь-(10668)Сельское хозяйство-(299)Социология-(6455)Спорт-(42831)Строительство-(4793)Торговля-(5050)Транспорт-(2929)Туризм-(1568)Физика-(3942)Философия-(17015)Финансы-(26596)Химия-(22929)Экология-(12095)Экономика-(9961)Электроника-(8441)Электротехника-(4623)Энергетика-(12629)Юриспруденция-(1492)Ядерная техника-(1748)

Двухполупериодный выпрямитель с нулевой точкой




Принципиальная схема и осциллограммы напряжения в различных точках выпрямителя приведены на рисунке 4.

Рисунок 4 - Принципиальная схема и осциллограммы напряжения

U2 - Напряжение на одной половине вторичной обмотки трансформатора

Uн – напряжение на нагрузке.

Uн0 – напряжение на нагрузке при отсутствии конденсатора.

В этом выпрямителе используются два вентиля, имеющие общую нагрузку и две одинаковые вторичные обмотки трансформатора (или одну со средней точкой). Практически схема представляет собой два однополупериодных выпрямителя, имеющих два разных источника и общую нагрузку. В одном полупериоде переменного напряжения ток в нагрузку проходит с одной половины вторичной обмотки через один вентиль, в другом полупериоде - с другой половины обмотки, через другой вентиль.

Преимущество: Эта схема выпрямителя имеет в 2 раза меньше пульсации по сравнению с однополупериодной схемой выпрямления. Емкость конденсатора при одинаковом с однополупериодной схемой коэффициенте пульсаций может быть в 2 раза меньше.

Недостатки: Более сложная конструкция трансформатора и нерациональное использование в трансформаторе меди и стали.

Мостовая схема выпрямления

Принципиальная схема и осциллограммы напряжения в различных точках выпрямителя приведены на рисунке 5.

Рисунок 5 - Принципиальная схема и осциллограммы напряжения

U2 - напряжение вторичной обмотки трансформатора;

Uн – напряжение на нагрузке;

Uн0 – напряжение на нагрузке при отсутствии конденсатора.

Основная особенность данной схемы – использование одной обмотки трансформатора при выпрямлении обоих полупериодов переменного напряжения.

При выпрямлении положительного полупериода переменного напряжения ток проходит по следующей цепи: Верхний вывод вторичной обмотки – вентиль V2 – верхний вывод нагрузки – нагрузка - нижний вывод нагрузки - вентиль V3 – нижний вывод вторичной обмотки – обмотка.

При выпрямлении отрицательного полупериода переменного напряжения ток проходит по следующей цепи: Нижний вывод вторичной обмотки – вентиль V4 – верхний вывод нагрузки - нагрузка – нижний вывод нагрузки – вентиль V1 – верхний вывод вторичной обмотки – обмотка. Как мы видим, в обоих случаях направление тока через нагрузку (выделено курсивом) одинаково.

Преимущества: По сравнению с однополупериодной схемой мостовая схема имеет в 2 раза меньший уровень пульсаций, более высокий КПД, более рациональное использование трансформатора и уменьшение его расчетной мощности. По сравнению с двухполупериодной схемой мостовая имеет более простую конструкцию трансформатора при таком же уровне пульсаций. Обратное напряжение вентилей может быть значительно ниже, чем в первых двух схемах.

Недостатки: Увеличение числа вентилей и необходимость шунтирования вентилей для выравнивания обратного напряжения на каждом из них.

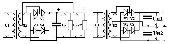
Эта схема выпрямителя наиболее часто применяется в самых различных устройствах. На основе этой схемы, при наличии среднего вывода с вторичной обмотки трансформатора можно получить еще два варианта схем выпрямления (рис 6):

Рисунок 6 – Мостовая схема выпрямления

На левой схеме отвод от средины вторичной обмотки позволяет получить еще одно напряжение, меньше основного в 2 раза. Таким образом основное напряжение получается с мостовой схемы выпрямления, дополнительное – с двухполупериодной.

На правой схеме получается двуполярное напряжение амплитудой в 2 раза меньше чем получаемое в основной схеме. Оба напряжения получаются с помощью двуполупериодных схем выпрямления.

Схема удвоения напряжения

Принципиальная схема и осциллограммы напряжения в различных точках выпрямителя приведены на рисунке 7.

Рисунок 7 - Принципиальная схема и осциллограммы напряжения

U2 - напряжение вторичной обмотки трансформатора;

Uн – напряжение на нагрузке.

Отличительной особенностью данной схемы является то, что в одном полупериоде переменного напряжения от вторичной обмотки трансформатора “заряжается” один конденсатор, а во втором полупериоде от той же обмотки– другой. Поскольку конденсаторы включены последовательно, то результирующее напряжение на обоих конденсаторах (на нагрузке) в два раза выше, чем можно получить от той же вторичной обмотки в схеме с однополупериодным выпрямителем.

Преимущества: Вторичную обмотку трансформатора можно рассчитывать на значительно меньшее напряжение.

Недостатки: Значительные токи через вентили выпрямителя, Уровень пульсаций значительно выше, чем в схемах двуполупериодных выпрямителей.

Эта же схема может использоваться еще в двух вариантах (рис 8):

Левая схема предназначена для получения двух напряжений питания одной полярности, правая – для получения двуполярного напряжения с общей точкой.

Рисунок 8 – Варианты схемы удвоения напряжения

Во втором варианте схемы характеристики выпрямителя соответствуют характеристикам однополупериодного выпрямителя.




Поделиться с друзьями:


Дата добавления: 2014-12-10; Просмотров: 1861; Нарушение авторских прав?; Мы поможем в написании вашей работы!


Нам важно ваше мнение! Был ли полезен опубликованный материал? Да | Нет



studopedia.su - Студопедия (2013 - 2026) год. Все материалы представленные на сайте исключительно с целью ознакомления читателями и не преследуют коммерческих целей или нарушение авторских прав! Последнее добавление




Генерация страницы за: 0.011 сек.