Студопедия

КАТЕГОРИИ:


Архитектура-(3434)Астрономия-(809)Биология-(7483)Биотехнологии-(1457)Военное дело-(14632)Высокие технологии-(1363)География-(913)Геология-(1438)Государство-(451)Демография-(1065)Дом-(47672)Журналистика и СМИ-(912)Изобретательство-(14524)Иностранные языки-(4268)Информатика-(17799)Искусство-(1338)История-(13644)Компьютеры-(11121)Косметика-(55)Кулинария-(373)Культура-(8427)Лингвистика-(374)Литература-(1642)Маркетинг-(23702)Математика-(16968)Машиностроение-(1700)Медицина-(12668)Менеджмент-(24684)Механика-(15423)Науковедение-(506)Образование-(11852)Охрана труда-(3308)Педагогика-(5571)Полиграфия-(1312)Политика-(7869)Право-(5454)Приборостроение-(1369)Программирование-(2801)Производство-(97182)Промышленность-(8706)Психология-(18388)Религия-(3217)Связь-(10668)Сельское хозяйство-(299)Социология-(6455)Спорт-(42831)Строительство-(4793)Торговля-(5050)Транспорт-(2929)Туризм-(1568)Физика-(3942)Философия-(17015)Финансы-(26596)Химия-(22929)Экология-(12095)Экономика-(9961)Электроника-(8441)Электротехника-(4623)Энергетика-(12629)Юриспруденция-(1492)Ядерная техника-(1748)

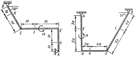
Статика. Конструкция состоит из жесткого угольника и стержня, которые в точке или соединены друг с другом шарнирно (рис




Задача С1

Конструкция состоит из жесткого угольника и стержня, которые в точке или соединены друг с другом шарнирно (рис. С1.0–С1.5), или свободно опираются друг о друга (рис. С1.6–С1.9).

 

Рис. С1.0 Рис. С1.1

Рис. С1.2 Рис. С1.3

 

Рис. С1.4 Рис. С1.5

Рис. С1.6 Рис. С1.7

Рис. С1.8 Рис. С1.9

 

Внешними связями, наложенными на конструкцию, являются в точке или шарнир, или жесткая заделка; в точке или гладкая плоскость (рис. С1.0 и С1.1), или невесомый стержень (рис. С1.2 и С1.3), или шарнир (рис. С1.4– С1.9); в точке или невесомый стержень (рис. С1.0, С1.3, С1.8), или шарнирная опора на катках (рис. С1.7).

На каждую конструкцию действуют: пара сил с моментом , равномерно распределенная нагрузка интенсивности и еще две силы. Эти силы, их направления и точки приложения указаны в табл. С1; там же в столбце «Нагруженный участок» указано, на каком участке действует распределенная нагрузка (например, в условиях № 1 на конструкцию действуют сила под углом 60° к горизонтальной оси, приложенная в точке , сила под углом 30° к горизонтальной оси, приложенная в точке , и нагрузка, распределенная на участке ).

Определить реакции связей в точках , , (для рис. С1.0, С1.3, С1.7, С1.8 еще и в точке ), вызванные заданными нагрузками. При окончательных расчетах принять м. Направление распределенной нагрузки на различных по расположению участках указано в табл. С1а.

Таблица С1

Сила         Нагруженный участок
кН кН кН кН
№ условия Точка приложения α, град Точка приложения α, град Точка приложения α, град Точка приложения α, град
  K   H   CL
  L   E   CK
  L   K   AE
  K   H   CL
  L   E   CK
  L   K   AE
  E   K   CL
  H   L   CK
  K   E   CL
  H   L   CK

 

Таблица С1а

Участок на угольнике Участок на стержне
горизонтальный вертикальный рис. С1.0, С1.3, С1.5, С1.7, С1.8 рис. С1.1, С1.2, С1.4, С1.6, С1.9
         

Указания. Задача С1 – на равновесие системы тел, находящихся под действием плоской системы сил. При ее решении можно или рассмотреть сначала равновесие всей системы в целом, а затем равновесие одного из тел системы, изобразив его отдельно, или же сразу расчленить систему и рассмотреть равновесие каждого из тел в отдельности, учтя при этом закон о равенстве действия и противодействия. В задачах, где имеется жесткая заделка, учесть, что ее реакция представляется силой, модуль и направление которой неизвестны, и парой сил, момент которой тоже неизвестен.




Поделиться с друзьями:


Дата добавления: 2014-12-16; Просмотров: 3005; Нарушение авторских прав?; Мы поможем в написании вашей работы!


Нам важно ваше мнение! Был ли полезен опубликованный материал? Да | Нет



studopedia.su - Студопедия (2013 - 2025) год. Все материалы представленные на сайте исключительно с целью ознакомления читателями и не преследуют коммерческих целей или нарушение авторских прав! Последнее добавление




Генерация страницы за: 0.009 сек.