Студопедия

КАТЕГОРИИ:


Архитектура-(3434)Астрономия-(809)Биология-(7483)Биотехнологии-(1457)Военное дело-(14632)Высокие технологии-(1363)География-(913)Геология-(1438)Государство-(451)Демография-(1065)Дом-(47672)Журналистика и СМИ-(912)Изобретательство-(14524)Иностранные языки-(4268)Информатика-(17799)Искусство-(1338)История-(13644)Компьютеры-(11121)Косметика-(55)Кулинария-(373)Культура-(8427)Лингвистика-(374)Литература-(1642)Маркетинг-(23702)Математика-(16968)Машиностроение-(1700)Медицина-(12668)Менеджмент-(24684)Механика-(15423)Науковедение-(506)Образование-(11852)Охрана труда-(3308)Педагогика-(5571)Полиграфия-(1312)Политика-(7869)Право-(5454)Приборостроение-(1369)Программирование-(2801)Производство-(97182)Промышленность-(8706)Психология-(18388)Религия-(3217)Связь-(10668)Сельское хозяйство-(299)Социология-(6455)Спорт-(42831)Строительство-(4793)Торговля-(5050)Транспорт-(2929)Туризм-(1568)Физика-(3942)Философия-(17015)Финансы-(26596)Химия-(22929)Экология-(12095)Экономика-(9961)Электроника-(8441)Электротехника-(4623)Энергетика-(12629)Юриспруденция-(1492)Ядерная техника-(1748)

Электрическая характеристика объекта исследований




Если первая задача электрического каротажа (расчленение пород по электрическим свойствам) решается довольно просто, то вторая - определение этих свойств - значительно сложнее. Это связано с тем, что породы в процессе бурения в них скважин подвергаются значительным изменениям (растрескиванию, пропитке фильтратом бурового раствора), приводящим к изменению их физических свойств. Наиболее сильно изменяются пористые и проницаемые породы, т.е. именно те породы-коллекторы, которые и представляют наибольший интерес при каротаже нефтяных и газовых месторождений. Под воздействием разности давлений - гидростатического давления в скважине и пластового давления - буровой раствор "залавливается", стремится проникнуть в поры пласта. Однако из-за того, что размер пор мал, в них попадает только водная основа, так называемый "фильтрат" глинистого бурового раствора, а частицы глины оседают на стенке скважины, образуя глинистую корочку, толщина которой может достигать нескольких сантиметров.

В части пласта, прилегающей к стенкам скважины, фильтрат бурового раствора оттесняет и замещает пластовый флюид (нефть, газ или пластовую воду), образуя так называемую "зону проникновения бурового раствора". В зависимости от разности давлений и проницаемости пластов глубина проникновения может достигать от нескольких дециметров до нескольких метров. Внутри зоны проникновения выделяется "зона полностью промытых пород", в пределах которой весь пластовый флюид полностью замещен фильтратом бурового раствора. Эта зона имеет толщину 1-3 дм и следует сразу за глинистой корочкой. В результате таких изменений удельное электрическое сопротивление (УЭС) напротив пласта коллектора не остается постоянным в радиальном направлении, причем характер его изменения неодинаков в водонасыщенных и нефте-газонасыщенных пластах, как это показано на рис. 3

 

Рис. 3. Распределение электрических сопротивлений в радиальном направлении для водонасыщенного (а) и нефтенасыщенного (б) пласта-коллектора.

На этих рисунках введены следующие обозначения: сопротивления бурового раствора - , глинистой корочки - ; зоны полностью промытых пород - ; усредненное сопротивление зоны проникновения в целом - ρ', водонасыщенного пласта - , нефтегазонасыщенного - ; диаметр скважины - d; диаметр зоны проникновения - D; толщина глинистой корочки - . Как следует из сравнения фигур а и б, и в водонасыщенном, и в нефтенасыщенном пластах при одинаковых значениях близки значения и , а вот значения р' различаются. В нефтенасыщенных пластах очень часто сопротивление зоны проникновения за пределами полностью промытых пород превышает и . Это объясняется тем, что фильтрат бурового раствора, оттесняя нефть из зоны полностью промытых пород, увеличивает ее концентрацию за пределами этой зоны, а поскольку нефть имеет очень высокое УЭС, то она увеличивает и сопротивление всей зоны проникновения в целом. По той же причине значительного (на несколько порядков) превышения УЭС нефти над УЭС пластовых вод сопротивление нефтенасыщенного пласта превышает сопротивление водонасыщенного.

Рис.4. Факторы влияющие на величину кажущегося сопротивления.

 

Несмотря на то, что сопротивление в зоне проникновения не остается постоянным, при теоретических расчетах принимают его за некоторую постоянную величину р', равную среднему сопротивлению в этой зоне. Именно это сопротивление р' и определяют, например, при интерпретации трехслойных кривых БКЗ.

При интерпретации данных электрического каротажа следует учитывать, что УЭС пород разреза не остается постоянным и в вертикальном направлении, и в общем случае измеренное сопротивление будет зависеть от целого ряда электрических и геометрических параметров:

По этой причине измеренное в скважине сопротивление пласта будет не его истинным сопротивлением, а кажущимся КС или . Из этой же формулы видно, что для того, чтобы по определить , нужно исключить или учесть влияние всех остальных параметров.

Интерпретация диаграмм (z) (диаграмма 1) - обратная задача электрометрии - основана на закономерностях изменения кажущегося сопротивления в зависимости от указанных факторов, которые, в свою очередь, исследуются путем решения прямой задачи электрометрии, т. е. по заданным значениям удельных сопротивлений и размерам неоднородностей рассчитывают значения . Например, кажущиеся сопротивления сред с плоскопараллельными границами раздела могут быть определены непосредственным интегрированием дифференциального уравнения Лапласа или методом "зеркальных изображений Томсона.

Первый способ решения прямой задачи более универсален. Он позволяет определять даже при сравнительно сложном чередовании пластов с учетом диаметра скважины и зоны проникновения. В простых случаях, например при двух однородных и изотропных полупространствах, разделенных бесконечной плоскостью, метод зеркальных изображений дает возможность наглядно представить физическую сущность явлений.

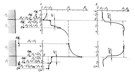
Решение задачи получим для предельного потенциал-зонда с точечными электродами А и М, перемещающегося по скважине диаметром dc = Q перпендикулярно к границе раздела двух однородных и изотропных сред с удельным сопротивлением и .

В частности для предельного потенциал зонда получим:

А) электроды А и М находятся в среде с сопротивлением :

,

где - коэффициент отражения, z – аппликата точки А;

Б) электроды А и М расположены в разных средах:

;

В) электроды А и М находятся в среде с сопротивлением :

.

Для градиент зонда:

А) зонд удален от плоскости раздела сред на расстояние и находится в среде с сопротивлением :

;

Б) До пересечения границы раздела электродами M и N:

;

В) электроды пересекают границу раздела:

;

Г) на расстоянии кажущееся сопротивление практически достигает :

.

По графикам кажущегося сопротивления определяют некоторое среднее сопротивления. Для этого существуют различные методы, один из самых распространенных является метод Арчи – Дахного (расчет ведет специальная программа). С учетом найденного сопротивления, а также измеренного коэффициента пористости m и коэффициента водонасыщенности (лабораторный анализ пластовой воды) по формуле находится коэффициент нефтенасыщенности:

Коэффициент нефтенасыщенности изменяется в пределах от 0 до 1 так же как и коэффициент водонасыщенности. По этим коэффициентам определяют чем насыщен пласт (если , то говорят что пласт насыщен нефтью). В зависимости от месторождения нефти может составлять всего 0,4 и также пласт считается нефтенасыщенным.

 

 

Диаграмма1. Теоретические кривые для пласта бесконечной мощности.

Зонды: а – А2М0,5N, б – А0,5М2N: удельное сопротивление пластов: =5Ом м; = =1 Ом м.

 




Поделиться с друзьями:


Дата добавления: 2014-12-16; Просмотров: 1014; Нарушение авторских прав?; Мы поможем в написании вашей работы!


Нам важно ваше мнение! Был ли полезен опубликованный материал? Да | Нет



studopedia.su - Студопедия (2013 - 2025) год. Все материалы представленные на сайте исключительно с целью ознакомления читателями и не преследуют коммерческих целей или нарушение авторских прав! Последнее добавление




Генерация страницы за: 0.007 сек.