Студопедия

КАТЕГОРИИ:


Архитектура-(3434)Астрономия-(809)Биология-(7483)Биотехнологии-(1457)Военное дело-(14632)Высокие технологии-(1363)География-(913)Геология-(1438)Государство-(451)Демография-(1065)Дом-(47672)Журналистика и СМИ-(912)Изобретательство-(14524)Иностранные языки-(4268)Информатика-(17799)Искусство-(1338)История-(13644)Компьютеры-(11121)Косметика-(55)Кулинария-(373)Культура-(8427)Лингвистика-(374)Литература-(1642)Маркетинг-(23702)Математика-(16968)Машиностроение-(1700)Медицина-(12668)Менеджмент-(24684)Механика-(15423)Науковедение-(506)Образование-(11852)Охрана труда-(3308)Педагогика-(5571)Полиграфия-(1312)Политика-(7869)Право-(5454)Приборостроение-(1369)Программирование-(2801)Производство-(97182)Промышленность-(8706)Психология-(18388)Религия-(3217)Связь-(10668)Сельское хозяйство-(299)Социология-(6455)Спорт-(42831)Строительство-(4793)Торговля-(5050)Транспорт-(2929)Туризм-(1568)Физика-(3942)Философия-(17015)Финансы-(26596)Химия-(22929)Экология-(12095)Экономика-(9961)Электроника-(8441)Электротехника-(4623)Энергетика-(12629)Юриспруденция-(1492)Ядерная техника-(1748)

Определение изменения линейных размеров тканей после мокрой обработки




Определение пиллингуемости тканей.

Пиллингуемость − свойство материала образовывать на своей поверхности закатанные в комочки или косички концы волокон, называемые пиллями. Процесс их появления называется пиллингом. В начале истирания на поверхность материала выходят слабо закрепленные участки и концы волокон, а затем они запутываются в плотные комочки разной формы. Они удерживаются на поверхности изделия на ножках из так называемых якорных волокон, которые при последующем истирании отрываются вместе с пиллями. При эксплуатации изделий происходит обрыв и удаление с поверхности отдельных пиллей, а также возникновение новых.

На пиллингуемость влияет строение полотен и изделий. Чем лучше закреплены волокна в структуре, тем меньше их пиллингуемость. Она зависит также от степени электризации [11].

Метод определения пиллингуемости для тканей установлен в ГОСТ 14326−73 «Ткани текстильные. Метод определения пиллингуемости» [22].

Сущность метода состоит в создании на материале ворсистости, а затем пиллей и в подсчете максимального количества пиллей на определенной площади ткани.

Испытания проводились на приборе «WEARTESTER». Из точечной пробы ткани выкраивают 5 элементарных проб в виде кругов диаметром 24 см и один абразивный круг диаметром 10 см. Абразивный круг ткани заправляют в верхний держатель прибора и используют для пиллингования последовательно всех 5 проб, которые заправляют поочередно в нижний держатель прибора. После 100; 300; 600; 1000; 1500; 2000 и далее через каждые 500 циклов останавливают пиллтестер, поднимают верхний держатель и подсчитывают на испытуемой пробе площадью 10 см2 с помощью лупы и препариро-вальной иглы количество пиллей.

Результаты испытания по определению пиллингуемости тканей, выбранных в качестве объектов исследования, показали, что даже после 3000 циклов на поверхности всех пяти образцов не появилось ни одного пилля. Это говорит о том, что все испытуемые образцы подкладочных тканей относятся к группе непиллингующихся.

 

При оценке качества тканей весьма важным показателем является показатель изменения линейных размеров после мокрой обработки.

В большинстве случаев после мокрых обработок наблюдается уменьшение линейных размеров. Это явление называют усадкой. Увеличение размеров называют притяжкой. Наибольшее изменение размеров наблюдается после стирки изделий. Усадка изделий при стирке и замачивании – результат проявления комплекса явлений, основными из которых являются релаксационные процессы и набухание волокон и нитей [11].

Испытания проводят в соответствии с ГОСТ 30157.0–95 «Полотна текстильные. Методы определения изменения размеров после мокрых обработок или химической чистки. Общие положения» [23].

Сущность метода заключается в определении изменения расстояний между метками, нанесенными на элементарную пробу полотна, после обработки в водном растворе (замочка, стирка) или обработки в органическом растворителе (химическая чистка). Изменение размеров характеризуется отношением изменения расстояний между метками элементарной пробы после мокрой обработки или химической чистки к первоначальному расстоянию и выражается в процентах [11].

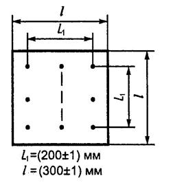
От каждой отобранной точечной пробы выкраивались по шаблону элементарные пробы в соответствии с рисунком 3.10. Шаблон накладывается на точечную пробу параллельно нитям основы на расстоянии не менее 75 мм от кромки полотна, очерчиваются его контуры, вырезаются элементарные пробы и обозначается направление основы. На элементарных пробах делают разметку.

Рис. 3.10. Схема разметки элементарной пробы

 

Обработка результатов испытаний проводится отдельно в направлении основы и утка. Изменение размеров λ после мокрой обработки в направлении основы λо и утка λу, %, вычисляют по формуле:

(3.32)
где L1 расстояние между метками после обработки, мм;
  L0 расстояние между метками до обработки, мм;
         

 

Режим испытания пробы выбирают в соответствии с ГОСТ 30157.1–95.

Для тканей из химических волокон необходимо проведение следующих испытаний: стирка, полоскание, отжим и глажение.

Стирка. Была применена стирка в стиральной машине при температуре воды 40 ± 3°С. Масса моющего средства составляла при этом 3 ± 0,5 г/дм, а продолжительность обработки 30 минут.

Полоскание. Полоскание осуществлялось в стиральной машине при температуре воды 40 ± 3°С в течение трех циклов.

Отжим. Отжим производился в стиральной машине по программе.

Отжатые элементарные пробы были расправлены от складок и заминов, осторожно встряхивались вдоль нитей основы.

Глажение. Элементарные пробы были поглажены сразу после отжима накладыванием утюга без нажима через неаппретированную ткань. Температура подошвы утюга − не более 200°С. Продолжительность глажения 20 секунд.

Элементарные пробы после глажения выдерживают в стандартных климатических условиях на столе в расправленном состоянии в один слой. После измеряют расстояния между метками с погрешностью не более 1 мм.

Было проведено пять циклов испытаний, после чего была определена общая усадка тканей, %:

(3.33)
где λ1, λ2, …, λn соответственно усадка после 1-го, 2-го,..., n-го процессов усаживания, %.
         

 

Результаты испытаний и расчетов сведены в таблицу 3.9.

Таблица 3.9 – Линейная усадка подкладочных тканей

Характеристики образцов Номер образца
         
           
Линейная усадка (1-я стирка) Основа 0,5   2,0 4,5  
Уток   0,5 0,5 1,5 2,0
Линейная усадка (2-я стирка относительно 1-й) Основа 1,0   0,5 1,6  
Уток         0,5
Линейная усадка (3-я стирка относительно 2-й) Основа       0,5  
Уток   0,5   0,5  
Линейная усадка (4-я стирка относительно 3-й) Основа       0,5  
Уток          

 

Окончание таблицы 3.9

           
Линейная усадка (5-я стирка относительно 4-й) Основа          
Уток          
Общая линейная усадка после 2-х стирок Основа 1,5   2,5 6,0  
Уток   0,5 0,5 1,5 2,5
Общая линейная усадка после 3-х стирок Основа 2,0   2,5 6,5  
Уток   1,0 0,5 1,5 3,0
Общая линейная усадка после 4-х стирок Основа 2,0   2,5 7,0  
Уток   1,0 0,5 1,5 3,0
Общая линейная усадка после 5-ти стирок Основа 2,0   2,5 7,0  
Уток   1,0 0,5 1,5 3,0

 

Как видно из таблицы 3.9, наибольшей линейной усадкой по основе обладает образец 4, состоящий из 100%-го вискозного волокна. Наименьшая усадка по основе у образцов 2 и 5. Наибольшую линейную усадку по утку имеет образец 5, нити утка которого также состоят из 100%-го вискозного волокна. Наименьшая усадка по утку у образца 1.

Данные таблицы 3.9 отдельно по основе и по утку отображены на рисунках 3.11 и 3.12.

Рис. 3.11. Линейная усадка по основе подкладочных тканей

Из рисунка 3.11 видно, что линейная усадка по основе образца 4 намного выше усадки остальных образцов и размер образца 4 стабилизировался лишь к пятой стирке. Размеры по основе образцов 2 и 5 остались неизменными.

Рис. 3.12. Линейная усадка по утку подкладочных тканей

Из рисунка 3.12 видно, что размер образца 1 по утку остался неизменным, а размеры образцов 3 и 4 стабилизировались уже после первой стирки. Размеры по утку остальных образцов не менялись после третьей стирки.

 




Поделиться с друзьями:


Дата добавления: 2014-12-16; Просмотров: 4043; Нарушение авторских прав?; Мы поможем в написании вашей работы!


Нам важно ваше мнение! Был ли полезен опубликованный материал? Да | Нет



studopedia.su - Студопедия (2013 - 2026) год. Все материалы представленные на сайте исключительно с целью ознакомления читателями и не преследуют коммерческих целей или нарушение авторских прав! Последнее добавление




Генерация страницы за: 0.012 сек.